基于WOA−GRU模型的煤泥浮选智能控制研究

Research on intelligent control of coal slime flotation based on the WOA-GRU model

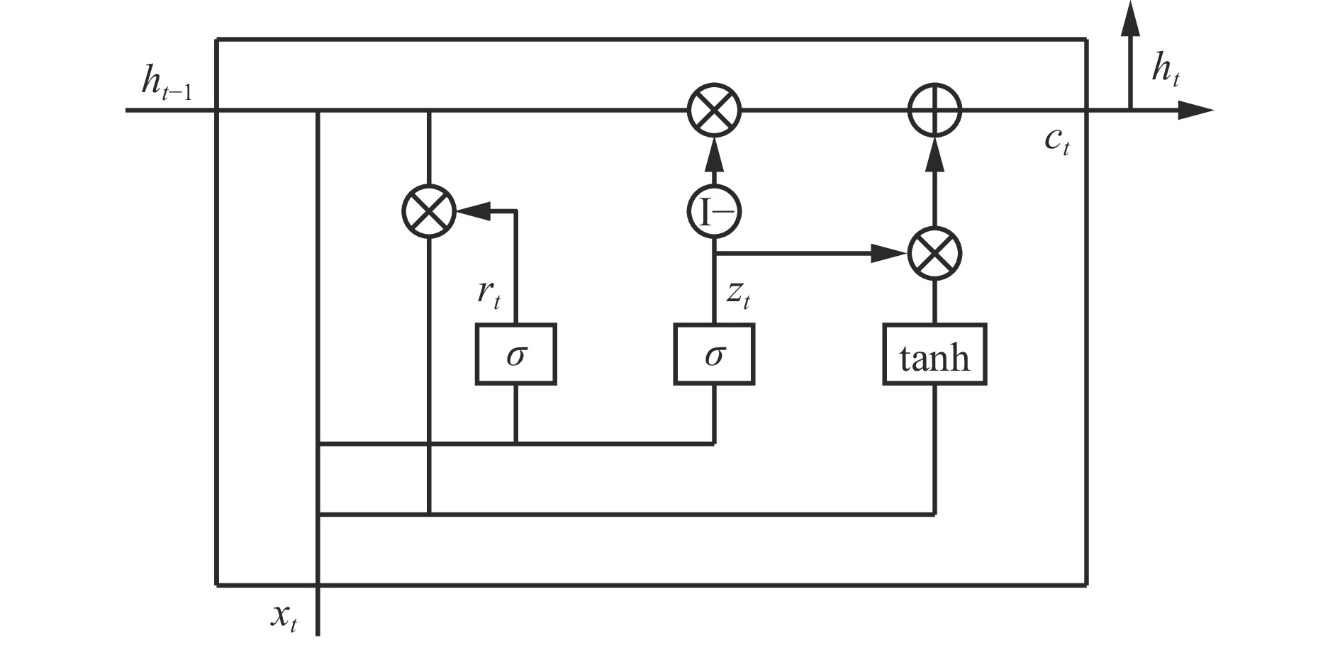
  • 摘要: 由于浮选过程机理复杂,难以满足先进过程控制的需求,基于系统辨识方法进行建模,并针对传统辨识方法拟合度较低的问题,提出了一种基于鲸鱼优化算法(WOA)与门控循环单元(GRU)(WOA−GRU)的系统辨识模型。该模型利用GRU有效应对浮选过程中存在的时滞特性,通过WOA对GRU网络参数进行优化,进一步提高了模型的辨识精度。考虑到现有选煤厂普遍使用单输入单输出的PID控制器,难以应对多输入多输出系统,将模型预测控制(MPC)引入实际生产现场,以更好地解决浮选过程中多变量耦合问题。基于代池坝选煤厂的生产数据,分别对WOA−GRU和NARX 2种辨识模型进行了MPC仿真,结果表明,WOA−GRU模型的拟合精度较NARX模型高51.84%,引入MPC后,WOA−GRU模型可将灰分波动控制在设定值的±4%内,优于NARX模型。现场试运行结果表明,灰分波动幅度位于5%~10%的数据较引入MPC前占比减少了10.8%,大于10%的数据占比则减少了3.9%,说明WAO−GRU模型不仅具备更高的精度与稳定性,而且能够减小灰分的波动,为煤泥浮选过程的智能化控制与应用提供了参考。

     

    Abstract: Due to the complexity of the flotation process mechanism, which makes it difficult to meet the requirements of advanced process control, a system identification modeling method was adopted. To address the low fitting accuracy of traditional identification methods, a Whale Optimization Algorithm (WOA)-based Gated Recurrent Unit (GRU) system identification model (WOA-GRU) was proposed. This model leveraged the GRU's capability to effectively handle the time-delay characteristics inherent in the flotation process, while the WOA was used to optimize network parameters, further improving the identification accuracy. Considering that most existing coal preparation plants use single-input single-output PID controllers, which struggle to manage multi-input multi-output systems, Model Predictive Control (MPC) was introduced to better handle the multivariable coupling in the flotation process. Using production data from the Daichi Dam coal preparation plant, MPC simulations were conducted using both the WOA-GRU and NARX identification models. The results showed that the WOA-GRU model achieved 51.84% higher fitting accuracy than the NARX model. After integrating MPC, the WOA-GRU model could maintain ash content fluctuations within ±4% of the setpoint, outperforming the NARX model. Field trial results indicated that the proportion of data with ash fluctuation between 5% and 10% decreased by 10.8%, and the proportion exceeding 10% decreased by 3.9% compared to before MPC implementation. These results demonstrate that the WOA-GRU model not only offers higher accuracy and stability but also reduces ash content fluctuations, providing a reference for intelligent control and practical application in coal slime flotation.

     

/

返回文章
返回