具有故障诊断功能的液压支架电液控制器通信系统

Communication system of hydraulic support electro-hydraulic controller with fault diagnosis function

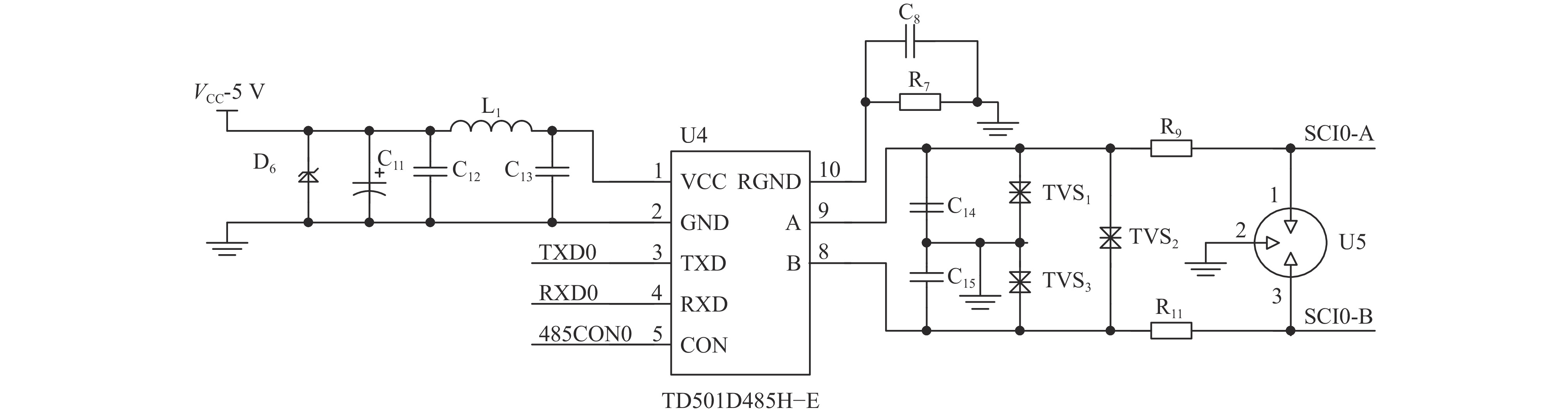
  • 摘要: 综采工作面通信节点数量多、通信距离长、电磁环境复杂。针对现有液压支架电液控制器通信系统普遍缺乏故障诊断功能的问题,以ZDYZ−JK型液压支架电液控制器为研究对象,设计了一套具有故障诊断和故障定位功能的液压支架电液控制器通信系统。该系统具有双路通信网络,其中一路采用总线结构同时连接主控制器和所有间架控制器,另一路则采用串联结构,仅连接相邻2台间架控制器。主控制器与间架控制器间的通信采用总线方式,手动模式下的间架控制器间邻架通信及控制则采用串联方式,二者互不干扰。间架控制器在接收到主控制器的通信信号后,会实时进行故障诊断并记录故障情况,同时会周期性向相邻支架上的间架控制器发送诊断信息,使得存在总线通信故障的间架控制器的诊断结果能够通过相邻支架上的间架控制器反馈给主控制器,从而可以在间架控制器发送报文功能故障或出错时及时对错误进行上报,上报内容包含控制器编号信息,以实现故障定位。试验结果表明:① 系统在121个通信节点、最大通信距离约为1 040 m时工作良好,且节点数量可继续增加,最高可达255个,该指标满足200个节点、1 000 m通信距离的设计要求。② 可对由于工作面电磁干扰、电液控制器物理损坏、电液控制器软件错误等原因造成的多种通信故障进行诊断和精确定位。

     

    Abstract: There are many communication nodes, long communication distance and complex electromagnetic environment in fully mechanized working face. The existing communication system of hydraulic support electro-hydraulic controller generally lacks fault diagnosis function. In order to solve this problem, a set of communication system of hydraulic support electro-hydraulic controller with fault diagnosis and fault location function is designed by taking the ZDYZ−JK type hydraulic support electro-hydraulic controller as the research object. The system has a two-way communication network. One way adopts a bus structure to connect the main controller and all the support controllers at the same time. The other way adopts a serial structure to only connect two adjacent support controllers. The communication between the main controller and the support controller adopts a bus mode. And the communication and control between adjacent support of the support controllers under the manual mode adopts a serial mode. Therefore, the two modes do not interfere with each other. After receiving the communication signal of the main controller, the support controllers can perform fault diagnosis and record fault conditions in real time. At the same time, the support controllers can periodically send diagnosis information to the support controllers on adjacent supports. Therefore, the diagnosis result of the support controller with bus communication fault can be fed back to the main controller through the support controllers on the adjacent supports. Therefore, when the function of sending a message by the support controller fails or an error occurs, the error can be reported in time. And the report content includes the controller number information to realize the fault location. The experiment results show the following two points. ① The system works well with 121 communication nodes and the maximum communication distance of 1 040 m. And the number of nodes can be increased to 255, which meets the design requirements of 200 nodes and 1 000 m communication distance. ② The system can diagnose and accurately locate various communication faults caused by electromagnetic interference of working face, physical damage of electro-hydraulic controller, software error of electro-hydraulic controller and so on.

     

/

返回文章
返回