基于准滑动模态的液压支架推移系统高精度位置控制

High-precision position control of hydraulic support pushing system based on quasi-sliding mode

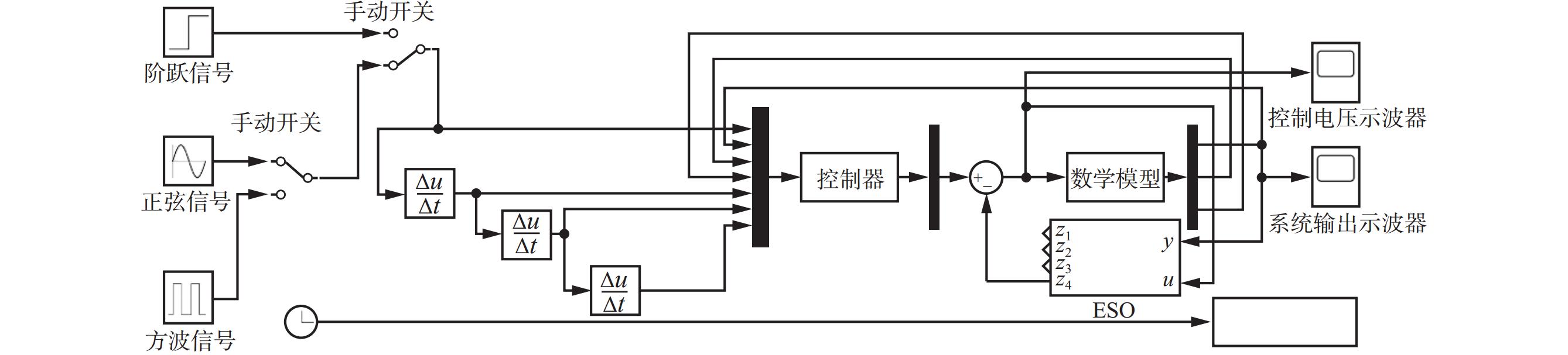
  • 摘要: 液压支架推移系统的控制精度直接影响综采工作面直线度。目前液压支架推移系统位置控制算法普遍存在状态感知维度单一、动态扰动耦合复杂等问题,导致控制算法的实际效果受限,特别是移架过程中的非线性摩擦效应与未建模动态特性,进一步加剧了系统控制偏差的累积效应。针对上述问题,提出了一种基于准滑动模态的液压支架推移系统高精度位置控制方法。首先,建立了融合液压缸动力学、流量特性及扰动耦合的非线性模型,提出了“双幂次趋近律−新型饱和函数”协同框架,解决传统滑模控制(SMC)中快速收敛与抖振抑制的矛盾。其次,设计了一种基于扩张状态观测器(ESO)的准滑动模态控制器(QSMC),该控制器引入ESO估计液压支架推移系统未建模动态和外部扰动,采用非线性反馈饱和函数加快系统状态收敛,有效抑制SMC固有的抖振现象。仿真结果表明:相比传统SMC,所提方法在阶跃响应中稳态时间缩短至1.1 s,降幅为47.6%,稳态误差趋近于零;在正弦响应中,0.2 s即可实现稳定跟踪,峰值误差为0.001 m,减小了94.7%,且具备更宽的频带特性;在方波输入下所提方法实现了平滑切换,鲁棒性更强。

     

    Abstract: The control accuracy of the hydraulic support pushing system directly affects the straightness of the fully mechanized mining face. At present, most position control algorithms for front hydraulic support pushing systems suffer from limited state perception dimensions and complex dynamic disturbance coupling, which limits the actual effectiveness of the control algorithms. In particular, nonlinear friction effects and unmodeled dynamic characteristics during the advancing process further aggravate the cumulative effect of system control deviations. To address the above problems, a quasi-sliding mode-based high-precision position control method for hydraulic support pushing systems was proposed. First, a nonlinear model integrating hydraulic cylinder dynamics, flow characteristics, and disturbance coupling was established. A "double-power reaching law and novel saturation function" coordinated framework was proposed to address the contradiction between fast convergence and chattering suppression in traditional sliding mode control(SMC). Then, a quasi-sliding mode controller (QSMC) based on an extended state observer (ESO) was designed. The controller employed ESO to estimate unmodeled dynamics and external disturbances of the hydraulic support pushing system. A nonlinear feedback saturation function was adopted to accelerate system state convergence and effectively suppress the inherent chattering of sliding mode control. Simulation results showed that, compared with traditional sliding mode control methods, the proposed method shortened the steady-state time in the step response to 1.1 s, representing a reduction of approximately 47.6%, and the steady-state error approached zero. In the sinusoidal response, stable tracking was achieved within 0.2 s, with a peak error of about 0.001 m, representing a reduction of approximately 94.7%, and it exhibited broader bandwidth characteristics. Under square wave input, the proposed method achieved smooth switching and exhibited stronger robustness.

     

/

返回文章
返回