液压支架推溜油缸电液缓冲控制阀设计与试验研究

Design and experimental study of electro-hydraulic buffer control valve for hydraulic support push cylinder

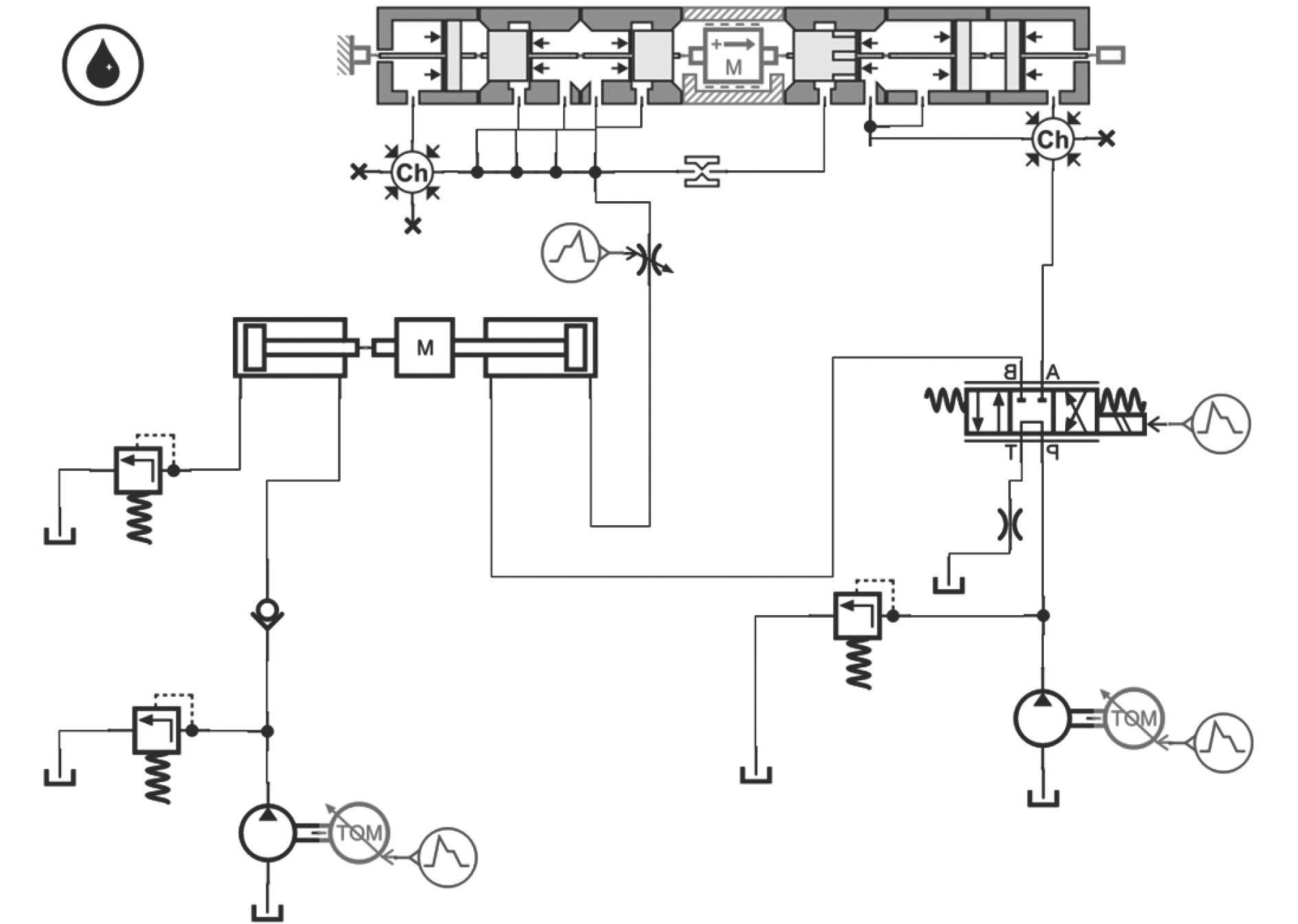
  • 摘要: 工作面液压支架推溜油缸在进行推溜和拉架时,启动瞬间压力冲击剧烈,易造成推溜油缸鼓缸、涨缸、密封失效甚至连接销轴断裂。针对该问题,分析了推溜油缸启动瞬间的压力冲击成因,提出了一种用于缓冲液压支架推溜油缸压力的电液缓冲控制阀。理论分析了电液缓冲控制阀的阀口开度、液阻、压力流量特性等参数,设计了电液缓冲控制阀的关键结构参数。在AMESim中构建了电液缓冲控制阀仿真模型,验证了电液缓冲控制阀缓冲推溜压力的可行性。基于理论分析和仿真结果,试制了电液缓冲控制阀的样机,并搭建了电液缓冲控制阀模拟试验平台,通过模拟推溜油缸负载测试电液缓冲控制阀的工作性能,结果表明:使用电液缓冲控制阀后,推溜油缸的压力冲击从17 MPa降低到9.6 MPa,推溜油缸的推移速度小幅降低。通过井下工作面现场试验进一步验证电液缓冲控制阀对推溜油缸的缓冲控制效果,结果表明:安装电液缓冲控制阀后,支架推溜油缸推溜冲击压力从22.3 MPa降低到16.2MPa,推溜油缸启动推溜瞬间的压力冲击降低了27.3%,验证了电液缓冲控制阀能有效降低推溜油缸在推溜时的压力冲击,为液压支架推溜油缸压力缓冲提供了新的解决方案。

     

    Abstract: During the pushing and pulling operations of the push cylinder of the hydraulic support in the working face, the instantaneous pressure surge at startup is severe, which can lead to cylinder bulging, expansion, seal failure, or even the fracture of connecting pins. To address this issue, the causes of pressure surges at the startup of the push cylinder are analyzed, and an electro-hydraulic buffer control valve is proposed to mitigate these surges. A theoretical analysis was conducted on key parameters such as valve opening, hydraulic resistance, and pressure-flow characteristics, and the key structural parameters of the electro-hydraulic buffer control valve were designed. A simulation model was developed in AMESim to verify its feasibility in buffering push pressure. Based on theoretical analysis and simulation results, a prototype of the electro-hydraulic buffer control valve was developed, and a simulation test platform was established to evaluate its performance by simulating push cylinder loads. The results showed that after using the electro-hydraulic buffer control valve, the pressure surge of the push cylinder was reduced from 17 MPa to 9.6 MPa, with a slight decrease in pushing speed. Field tests in an underground working face further confirmed the buffering effect of the electro-hydraulic buffer control valve on the push cylinder. The results showed that after installing the electro-hydraulic buffer control valve, the impact pressure of the push cylinder decreased from 22.3 MPa to 16.2 MPa, reducing the instantaneous pressure surge at startup by 27.3%. The findings verify that the electro-hydraulic buffer control valve can effectively reduce pressure surges during the pushing operations, providing a new solution for pressure buffering in push cylinders of hydraulic supports.

     

/

返回文章
返回