基于模糊PID的自移式临时支架自适应控制研究

Research on adaptive control of self-moving temporary support based on fuzzy PID

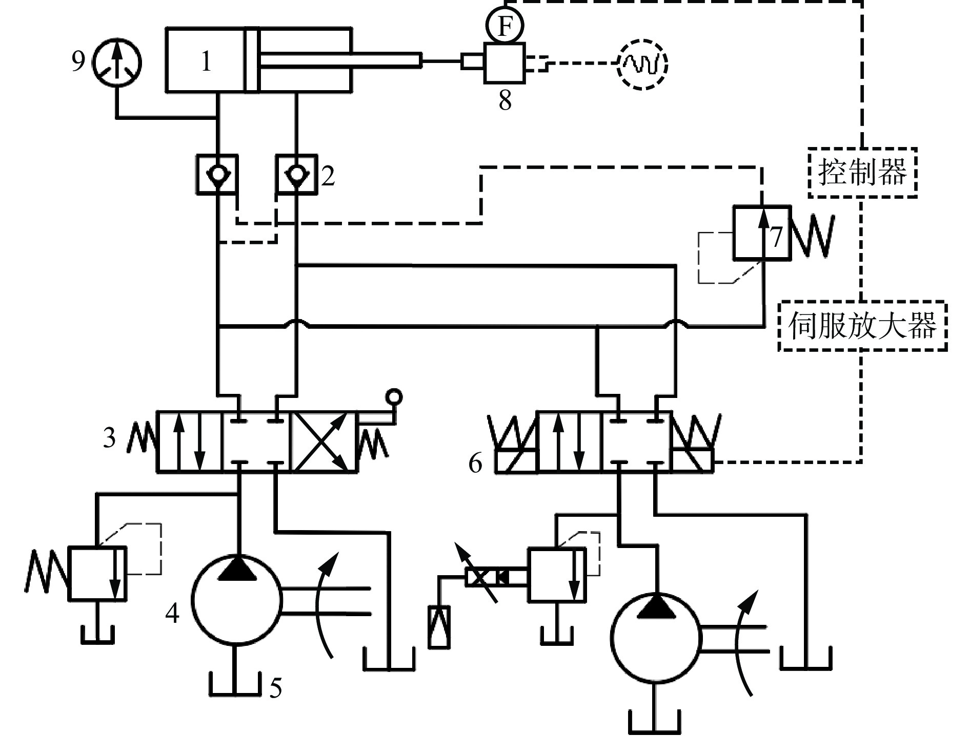
  • 摘要: 针对巷道掘进过程中自移式临时支架与顶板适应性差的问题,提出了一种基于模糊PID的自移式临时支架自适应控制方法。分析了自移式临时支架的工作原理,并针对自移式临时支架必须具备适应顶板压力变化的能力问题,在支撑液压缸控制回路中增加了压力调整回路,建立了自移式临时支架支撑力控制系统。为了使自移式临时支架的支撑力(即支撑液压缸的输出力) 能够快速稳定地跟踪预期值,建立了模糊 PID 自适应控制系统模型,对PID参数进行在线自调整,实现自移式临时支架的自适应控制,增强对顶板不平整、存在倾角等特殊工况的适应性。在Matlab/Simulink中建立传统PID控制与模糊PID自适应控制系统模型,仿真结果表明:基于模糊PID的自移式临时支架自适应控制系统对围岩顶板压力的跟踪效果较传统PID控制更好,临时支架自适应控制系统跟随围岩压力的误差为0. 004 3,较传统PID控制降低了86.11%;基于模糊PID的自移式临时支架自适应控制系统在0.12 s时接近平稳,而传统PID控制在8.685 s时才接近平稳,说明模糊PID自适应控制响应速度比传统PID控制有较为明显的优势。在AMEsim中建立支撑液压缸位移控制系统模型,并与Matlab/Simulink进行联合仿真,在调平过程中,选取相邻支撑液压缸间的数据进行研究分析,结果表明:相邻支撑液压缸间的同步误差基本控制在±5×10−15 m以内,精度较传统PID控制方法有较大提高,且曲线波动均匀平缓,幅值波动范围较小。

     

    Abstract: To address the issue of poor adaptability of self-moving temporary supports and roofs during roadway excavation, an adaptive control method of self-moving temporary support based on fuzzy PID was proposed. The working principle of self-moving temporary support was analyzed. A pressure adjustment circuit was added to the control circuit of the support hydraulic cylinder to tackle the problem of adapting to changes in roof pressure, and a self-moving temporary support force control system was established. To enable the self-moving temporary support force (i.e., the output force of the support hydraulic cylinder) to quickly and stably track the expected value, a fuzzy PID adaptive control system model was established to enable online adjustment of PID parameters. This achieved adaptive control of self-moving temporary support, enhancing its adaptability to special working conditions such as roof unevenness and inclination. Simulation models of traditional PID control and fuzzy PID adaptive control systems were built in Matlab/Simulink. The simulation results showed that the fuzzy PID-based adaptive control system demonstrated better tracking performance for the surrounding rock roof pressure compared to traditional PID control.The error of the temporary support adaptive control system following the surrounding rock pressure is 0.004 3, which is 86.11% lower than that of the traditional PID control. The adaptive control system of self-moving temporary support based on fuzzy PID stabilized at 0.12 s, whereas traditional PID control stabilized at 8.685 s, indicating a significant advantage in response speed for the fuzzy PID adaptive control. A displacement control system model of the support hydraulic cylinder was established in AMESim and jointly simulated with Matlab/Simulink. During leveling, data from adjacent support hydraulic cylinders were selected for research and analysis. Results indicated that the synchronization error between adjacent hydraulic cylinders was generally controlled within ±5×10−15 m, showing significant precise improvement over traditional PID control method. The curves exhibited uniform and gentle fluctuations with smaller amplitude fluctuation range.

     

/

返回文章
返回