基于模糊神经网络PID的煤矿掘进机俯仰控制研究

Research on pitch control of coal mine roadheader based on fuzzy neural network PID

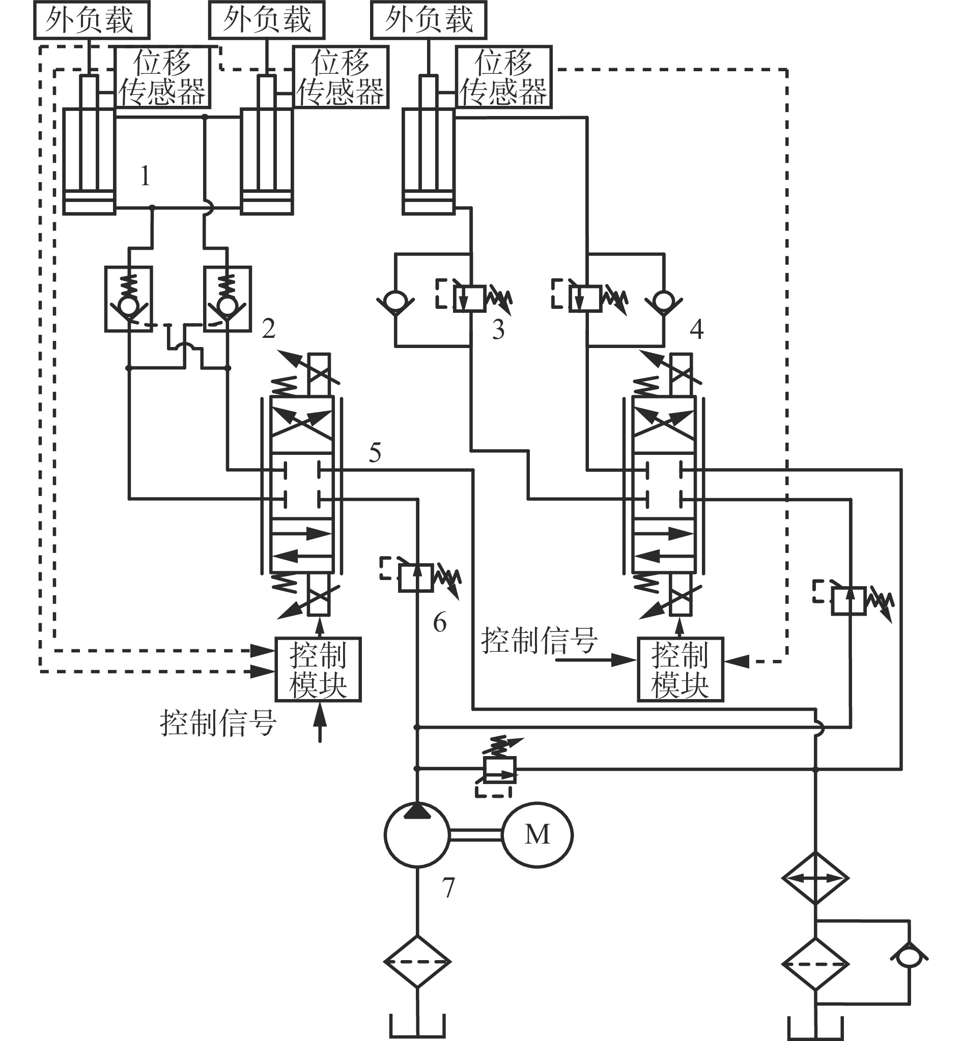
  • 摘要: 目前煤矿掘进机俯仰控制主要采用PID控制方法,在掘进机俯仰控制时变性与液压系统非线性情况下的控制精度不高。掘进机俯仰控制通过控制液压缸行程实现,将传统PID算法与模糊控制、神经网络等相结合,可有效提高液压缸行程控制精度。提出了一种基于模糊神经网络PID的煤矿掘进机俯仰控制方法。通过分析掘进机支撑部运动学关系,得到俯仰角与支撑部液压缸的数学关系;介绍了掘进机俯仰控制液压系统工作原理,建立了液压系统及其传递函数模型;将模糊控制与神经网络相结合,形成模糊神经网络,利用模糊神经网络优化PID控制参数,再结合支撑机构数学模型和液压系统传递函数模型,建立掘进机俯仰角模糊神经网络PID控制模型,实现煤矿掘进机俯仰机构自动精确控制。该方法可使掘进机俯仰机构更加快速、准确到达预设位置,解决掘进机俯仰控制中的时变性与非线性难题。仿真结果表明:模糊神经网络PID控制算法相较于模糊PID和PID控制算法,跟踪误差分别降低了69.34%和74.49%。通过液压缸位移控制模拟煤矿掘进机在突变工况和跟随工况下的俯仰控制,结果表明:模糊神经网络PID控制算法相比模糊PID和PID控制算法,俯仰控制跟踪误差最小,对位置信号的平均响应时间分别缩短了27.22%和50.33%,动态控制性能更好。

     

    Abstract: Currently, PID control method is mainly used for the pitch control of coal mine roadheader, and the control precision is not high in the case of time-varying and nonlinear hydraulic system during the pitch control of roadheader. The pitch control of roadbeader is realized by controlling the stroke of the hydraulic cylinder. Combining the traditional PID algorithm with fuzzy control and neural network, the accuracy of the stroke control of the hydraulic cylinder can be effectively improved. In order to solve the above problems, a pitch control method for coal mine roadheader based on fuzzy neural network PID is proposed. By analyzing the kinematic relationship of the support part of the roadheader, the mathematical relationship between the pitch angle and the hydraulic cylinder of the support part is obtained. The working principle of the pitch control hydraulic system of the roadheader is introduced, and the hydraulic system and its transfer function model are established. The method combines fuzzy control with neural networks to form a fuzzy neural network. The method optimizes PID control parameters by using the fuzzy neural network. The method combines the mathematical model of the support mechanism and the transfer function model of the hydraulic system to establish a fuzzy neural network PID control model for the pitch angle of the roadheader. It achieves automatic and precise control of the pitch mechanism of the coal mine roadheader. This method can make the pitch mechanism of the roadheader reach the preset position more quickly and accurately, solving the time-varying and nonlinear problems in the pitch control of roadheader. The simulation results show that the fuzzy neural network PID control algorithm reduces tracking errors by 69.34% and 74.49% respectively compared to fuzzy PID and PID control algorithms. The method simulates the pitch control of coal mine roadheaders under sudden and following working conditions through hydraulic cylinder displacement control. The results show that compared with fuzzy PID and PID control algorithms, the fuzzy neural network PID control algorithm has the smallest pitch control tracking error, shortens the average response time to position signals by 27.22% and 50.33% respectively, and has better dynamic control performance.

     

/

返回文章
返回