综采支架液压系统动态特性研究及改进设计

Research on dynamic features of hydraulic system for fully mechanized mining support and its improvement design

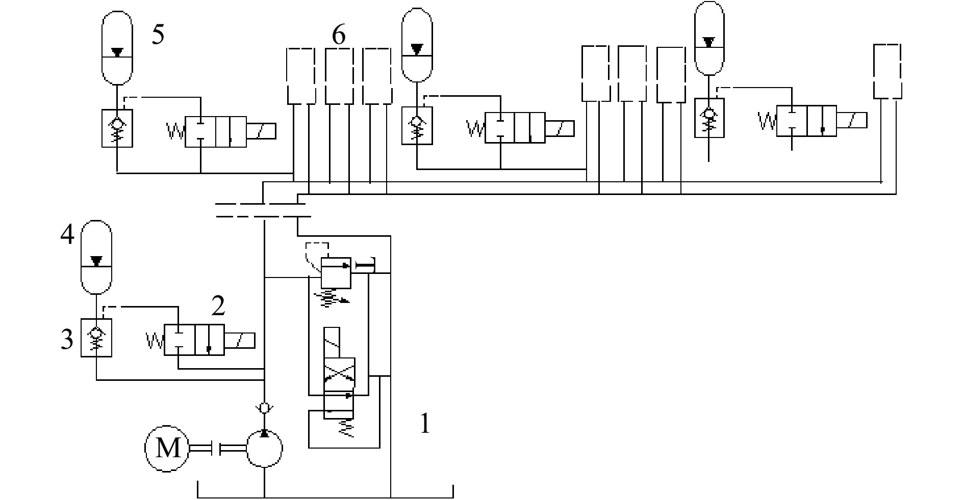
  • 摘要: 综采工作面液压支架工作中常存在支架初撑力不足、移架速度慢等问题,目前大多基于支架液压系统的稳态运行规律,采用增大泵站流量、降低压力损失等方案来解决,对液压系统动态特性的研究较少。建立了综采支架液压系统动力方程,理论分析了支架初撑力和移架速度相关的液压系统动态特性和乳化液管路系统的液压冲击特性,得出立柱或千斤顶的近似空载运行和长距离管路液压冲击是造成支架液压系统压力大幅下降波动的主要原因。揭示了支架液压系统液压冲击的发生机理为电液换向阀突然启闭和立柱触顶加压。通过现场实测数据和AMESim仿真验证了理论分析的正确性。提出了综采支架液压系统改进方案,在支架上设置多个蓄能器,新增液控单向阀和电液换向阀控制液压系统蓄能器在不同移架阶段的充放液方式,利用蓄能器的瞬时大流量特性和长距离管路液压冲击压力峰值产生的超压作用来提升支架初撑力。仿真结果表明,改进系统能够有效提高液压支架的初撑力和移架速度。

     

    Abstract: In the hydraulic support work of fully mechanized working face, there are often problems such as insufficient initial support force and slow moving speed of the support. Currently, most solutions are based on the steady-state operation law of the hydraulic system of the support, such as increasing the flow rate of the pump station and reducing pressure loss. There is relatively little research on the dynamic features of the hydraulic system. The dynamic equation of the hydraulic system for the fully mechanized mining support is established. The dynamic features of the hydraulic system related to the initial support force and moving speed of the support, as well as the hydraulic impact features of the emulsion pipeline system, are theoretically analyzed. It is found that the approximate no-load operation of the column or jack and the hydraulic impact of long-distance pipelines are the main reasons for the significant pressure drop and fluctuation in the hydraulic system of the support. The mechanism of hydraulic impact in the hydraulic system of the bracket is revealed to be the sudden opening and closing of the electro-hydraulic directional valve and the pressure of the column touching the top. The correctness of the theoretical analysis is verified through on-site measured data and AMESim simulation. An improvement plan for the hydraulic system of the fully mechanized mining support is proposed. It includes the installation of multiple accumulators on the support, the addition of hydraulic control one-way valves and electro-hydraulic directional valves to control the charging and discharging methods of the hydraulic system accumulators at different stages of frame movement. The method uses the instantaneous high flow features of the accumulators and the overpressure generated by the peak hydraulic impact pressure of long-distance pipelines to enhance the initial support force of the support. The simulation results show that the improved system can effectively increase the initial support force and frame moving speed of the hydraulic support.

     

/

返回文章
返回