煤矿带式输送机开关磁阻电动机半直驱系统DITC控制策略

DITC control strategy for semi-direct drive system with switched reluctance motor in coal mine belt conveyor

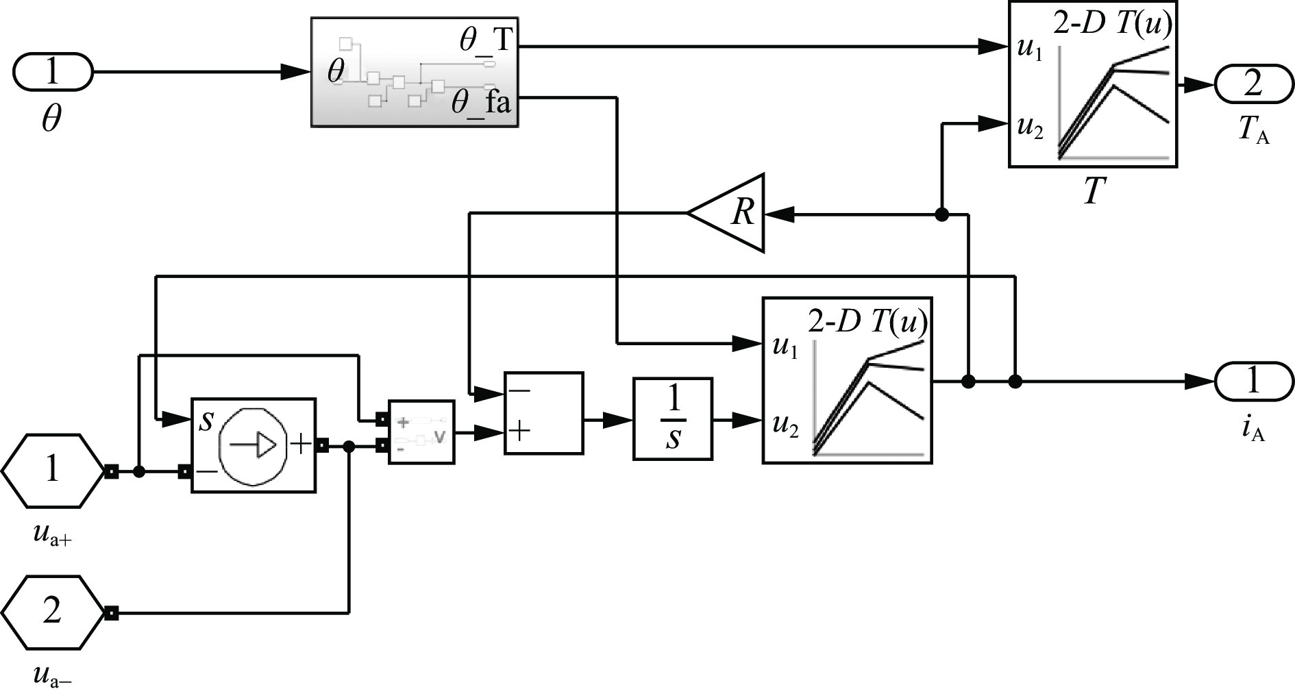
  • 摘要: 平顶山天安煤业九矿有限责任公司井下带式输送机采用异步电动机+液力偶合器+减速装置的驱动系统,存在传动效率低、传动链长、调速性能差等问题。对该驱动系统进行改造,设计了一种带式输送机2×400 kW开关磁阻电动机半直驱(SRSD)系统。采用BP神经网络预测开关磁阻电动机(SRM)磁链和转矩,基于预测值建立了高精确SRM非线性模型。结合SRM在换相区的转矩变化规律与PWM控制思想,提出了一种改进型直接瞬时转矩控制(DITC)策略,以转矩误差作为输入量,在转矩误差阈值内对相电流进行PWM控制。针对带式输送机空载和变负载运行工况进行仿真,结果表明改进型DITC策略较传统DITC策略可显著降低SRM转矩脉动,最大降幅达39.1%,提高了带式输送机SRSD系统运行稳定性。基于SRM关键结构参数与改进型DITC策略试制了带式输送机SRSD系统,并在煤矿井下进行了工业性试验,结果表明SRSD系统可实现带式输送机满载平稳启动,动态特性良好,且耗电量较原驱动系统减少了24%。

     

    Abstract: The underground belt conveyor at Pingdingshan Tian'an Coal Mining No. 9 Co., Ltd. uses a drive system consisting of an asynchronous motor, hydraulic coupling, and reduction gears. This system exhibits issues such as low transmission efficiency, lengthy transmission chain, and poor speed regulation performance. To address these limitations, the drive system was retrofitted with a 2×400 kW switched reluctance motor semi-direct drive(SRSD) system utilizing a switched reluctance motor(SRM) for the belt conveyor. A BP neural network was used to predict the flux linkage and torque of the SRM, and a highly accurate SRM nonlinear model was developed based on the predictions. By combining the torque variation patterns of the SRM in the commutation zone and the PWM control principles, an improved direct instantaneous torque control(DITC) strategy was proposed. Torque error was used as the input, and PWM control was applied to phase currents within the torque error threshold in this strategy. Simulations under no-load and variable load conditions of the belt conveyor were conducted. The results showed that the improved DITC strategy significantly reduced the torque ripple of SRM compared to the traditional DITC strategy, with a maximum reduction of 39.1%, thereby improving the operational stability of the SRSD system for the belt conveyor. Based on the key structural parameters of the SRM and the improved DITC strategy, the SRSD system for belt conveyors was developed and tested in an underground coal mine. The results showed that the SRSD system enabled smooth full-load startup, demonstrated excellent dynamic performance, and reduced power consumption by 24% compared to the original drive system.

     

/

返回文章
返回