无煤柱切顶留巷覆岩破坏特征及微震实测研究

Study on the overburden failure features and microseismic measurements in non-pillar gob-side entry retaining by roof cutting

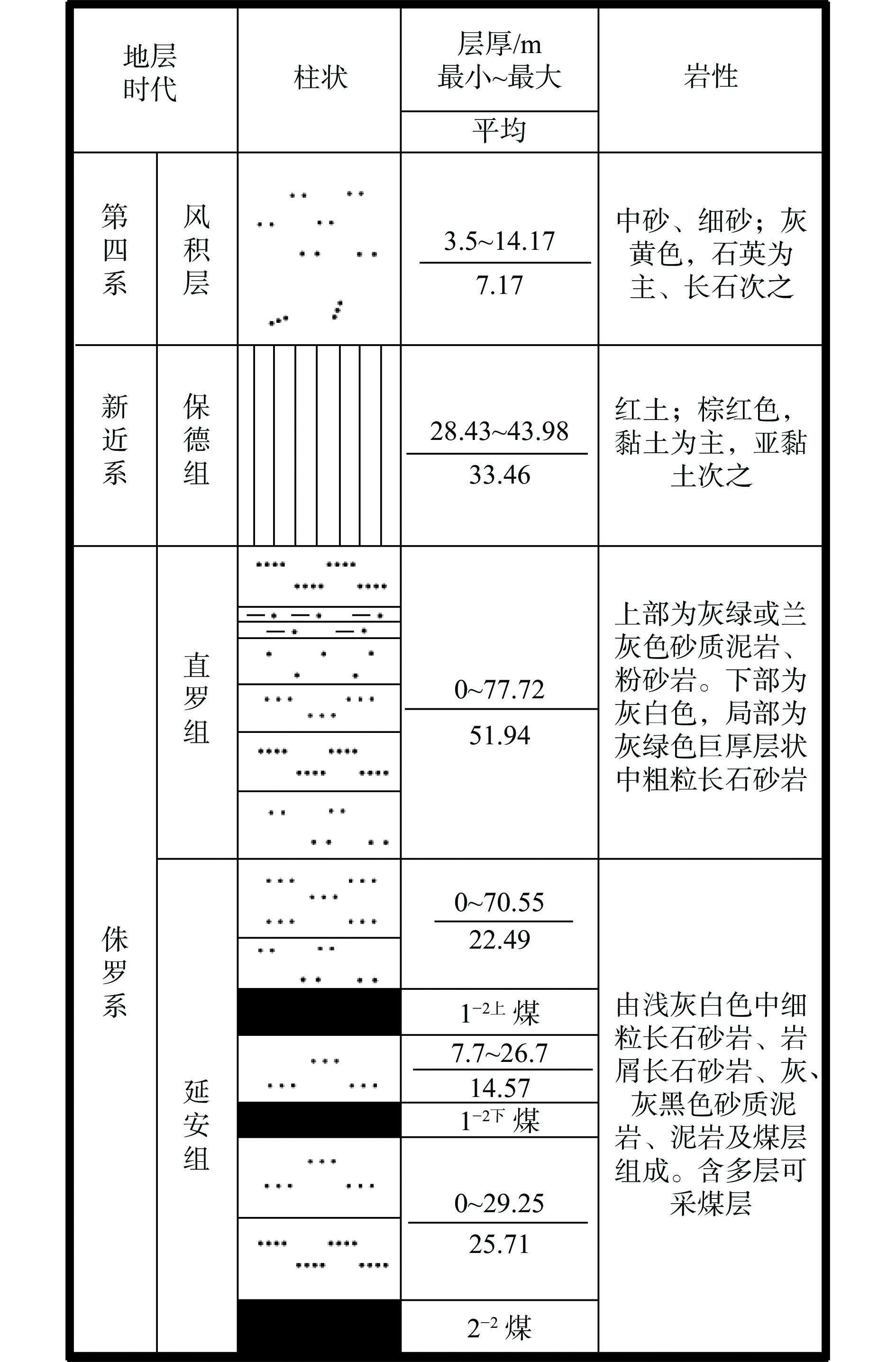
  • 摘要: 为进一步研究无煤柱切顶留巷技术开采后的覆岩破坏规律,以柠条塔煤矿S1201−Ⅱ工作面为工程背景,采用物理相似模拟与数值模拟的研究手段,结合现场微震监测技术建立了微震波形数据库,研究了随工作面持续开采,无煤柱切顶留巷不同阶段的覆岩采动裂隙演化及应力空间展布特征,得出了工作面覆岩周期性破断规律。研究结果表明:工作面发生初次来压时的覆岩裂隙发育高度为57.6 m,切顶前中部裂隙带发育高度为95.5~96.1 m,裂采比为23.8~24.0,边缘侧裂隙发育高度为105.9~106.4 m,裂采比为26.4~26.6。切顶后工作面两侧裂隙带最终发育高度为104.3~105.2 m,裂采比为26.1~26.3,工作面中部裂隙带由于上覆岩层的不断压实弥合,最终发育高度为94.3~95.2 m,裂采比为23.6~23.8。当巷道分别处于掘进、切缝阶段,顶板位移基本没有产生改变;当其进入顶板下沉、切顶成巷阶段,顶板位移不断增大。切顶卸压完成后,巷道侧支承压力峰值增大,表明切缝之后的工作面跨度进一步增大,倾向支承压力不断增大;工作面顶板卸压效果显著,顶板产生大范围应力释放现象。在该工作面布置了微震监测系统,发现微震事件的周期性产生与工作面周期来压有强关联性,其发展过程可划分为萌芽期—发展期—高潮期,进一步综合得出覆岩的周期性破断演化规律。

     

    Abstract: In order to further study the failure law of overburden after the mining of non-pillar gob-side entry retaining by roof cutting technology, taking the S1201-II working face of Ningtiaota Coal Mine as the engineering background, physical similarity simulation and numerical simulation research methods are used. Combined with on-site microseismic monitoring technology, a microseismic waveform data library is established. With continuous mining of the working face, the evolution of overburden mining induced cracks and stress spatial distribution features at different stages of non-pillar gob-side entry retaining by roof cutting are studied. The periodic crack law of the overburden in the working face has been obtained. The research results show that the height of the overburden cracks during the initial pressure on the working face is about 57.6 m, the height of the middle crack zone before cutting is 95.5-96.1 m, the crack mining ratio is 23.8-24.0, the height of the edge side cracks is 105.9-106.4 m, and the crack mining ratio is 26.4-26.6 m. After the roof cutting, the final development height of the crack zone on both sides of the working face is about 104.3-105.2 m, with a crack mining ratio of 26.1-26.3. Due to the continuous compaction and closure of the overburden layer, the final development height of the crack zone in the middle of the working face is 94.3-95.2 m, with a crack mining ratio of 23.6-23.8. When the roadways are in the excavation and cutting stages respectively, there is basically no change in the displacement of the roof. When it enters the sinking and roadway formation stage, the displacement value of the roof continuously increases. After the completion of roof cutting and pressure relief, the peak support pressure on the side of the roadway increases, indicating that the span of the working face further increases after the cutting seam, and the inclined support pressure continues to increase. The pressure relief effect of the working face roof is significant, and the roof produces a large-scale stress release phenomenon. A microseismic monitoring system is installed in the working face, and it is found that there is a strong correlation between the periodic occurrence of microseismic events and the periodic pressure of the working face. The development process can be divided into the budding stage, development stage, and climax stage. Further comprehensive analysis can be conducted to obtain the periodic crack evolution law of the overburden.

     

/

返回文章
返回