煤矿场景下单相级联H桥整流器解耦控制方法研究

Research on decoupling control method for single-phase cascade H-bridge rectifier in coal mine scenarios

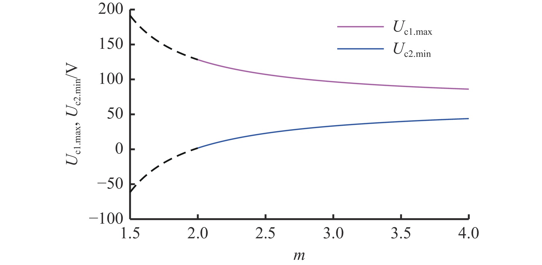
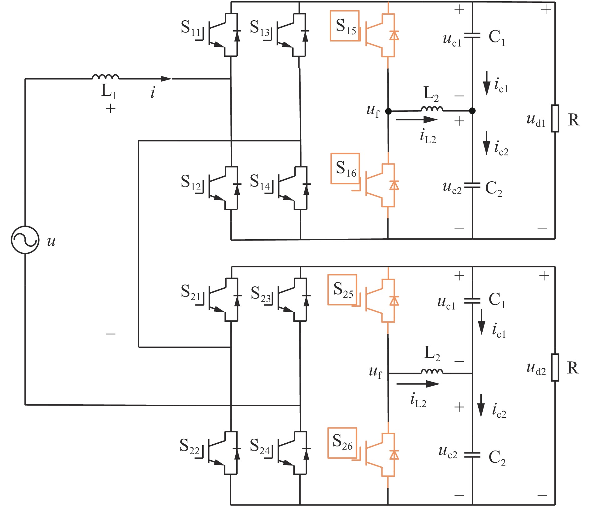
  • 摘要: 针对单相级联H桥整流器的电力电子设备在煤矿场景下运行过程中直流侧存在二次电压纹波,导致网侧电流畸变、电容值漂移等问题,通过分析单相级联H桥整流器直流侧二次电压纹波的形成原因,提出了一种基于分裂电容不相等的独立型解耦拓扑的优化控制方法。该方法通过在电容两端叠加二倍工频的电压来抵消二次电压纹波,实现了直流侧二次电压纹波的有效抑制。针对3种基于构造二次电压的解耦方式(直流分裂电容值不等,直流电压分量相等;直流分裂电容值不等,且直流电压分量也不等;直流分裂电容值相等,直流电压分量不等)进行了参数设计和控制策略的研究,并通过分析参数对二次电压幅值的影响,确定了最优的参数取值范围,以实现有效的功率解耦,并减小电容值,降低设备体积和成本。仿真结果表明:① 在0.2 s时加入分裂电容的独立型解耦拓扑(SC−IAPD)电路,基于解耦方式2的SC−IAPD电路控制方法、基于解耦方式2的SC−IAPD电路的优化控制方法、基于解耦方式1的 SC−IAPD电路控制方法的直流侧输出电压纹波都控制在1~1.5 V,说明对称半桥解耦电路可有效抑制直流电压波动,同时在负荷变化时具有良好的解耦性能。② 在轻载切重载的情况下,基于解耦方式2的SC−IAPD电路的优化控制方法能快速跟随负载变化,实现纹波的抑制,具有更强的带载能力和更佳的解耦效果。而在重载切轻载的情况下,基于解耦方式1的 SC−IAPD电路控制方法能够更好地实现解耦性能,将电压纹波控制在1 V以内。如果考虑电容值的最小化,基于解耦方式2的SC−IAPD电路的控制方法则更具优势。实验结果表明:① 负载突变前,传统控制方法和基于二次电压的解耦控制方法都能有效抑制直流侧的电压纹波,但基于二次电压的解耦控制方法在抑制电压纹波方面效果更佳,使直流侧的电压纹波更小。② 负载突变后,传统控制方法无法维持直流侧电压的稳定性,出现较大的震荡,失去稳定性。

     

    Abstract: In response to the problems of secondary voltage ripple on the DC side of single-phase cascade H-bridge rectifiers during operation in coal mine scenarios, such as grid side current distortion and capacitance drift, this paper analyzes the causes of secondary voltage ripple on the DC side of single-phase cascade H-bridge rectifiers and proposes an optimization control method based on an independent decoupling topology with unequal split capacitors. This method effectively suppresses the secondary voltage ripple on the DC side by overlaying twice the power frequency voltage on both ends of the capacitor to counteract the secondary voltage ripple. A study is conducted on parameter design and control strategies for three decoupling methods based on constructing secondary voltage (DC split capacitor with unequal capacitance values and equal DC voltage components; DC split capacitor with unequal capacitance values and unequal DC voltage components; DC split capacitor with equal capacitance values and unequal DC voltage components). By analyzing the influence of parameters on the amplitude of secondary voltage, the optimal parameter range is determined to achieve effective power decoupling, reduce capacitance values, and lower equipment volume and cost. The simulation results show the following points. ① The split capacitor IAPD (SC-IAPD) is added at 0.2 s, SC-IAPD circuit control method based on decoupling method 2, SC-IAPD circuit optimization control method based on decoupling method 2, and SC-IAPD circuit control method based on decoupling method 1 all control the DC side output voltage ripple at 1-1.5 V. This indicates that the symmetrical half bridge decoupling circuit can effectively suppress DC voltage fluctuations and has good decoupling performance when load changes. ② In the case of light load switching to heavy load, the optimized control method of SC-IAPD circuit based on decoupling method 2 can quickly follow the changes in load, achieve ripple suppression, and have stronger load carrying capacity and better decoupling effect. In the case of heavy load switching to light load, the SC-IAPD circuit control method based on decoupling method 1 can better achieve decoupling performance, controlling voltage ripple within 1 V. If we consider minimizing the capacitance value, the control method of SC-IAPD circuit based on decoupling method 2 is more advantageous. The experimental results show the following points. ① Before the sudden change of load, both traditional control methods and decoupling control methods based on secondary voltage can effectively suppress the voltage ripple on the DC side. However, decoupling control methods based on secondary voltage have better effects in suppressing voltage ripple, resulting in smaller voltage ripple on the DC side. ② After a sudden change in load, traditional control methods cannot maintain the stability of the DC side voltage, resulting in significant oscillations and loss of stability.

     

/

返回文章
返回