基于图像检测的煤矸分拣机器人实验平台

Experimental platform for coal gangue sorting robot based on image detection

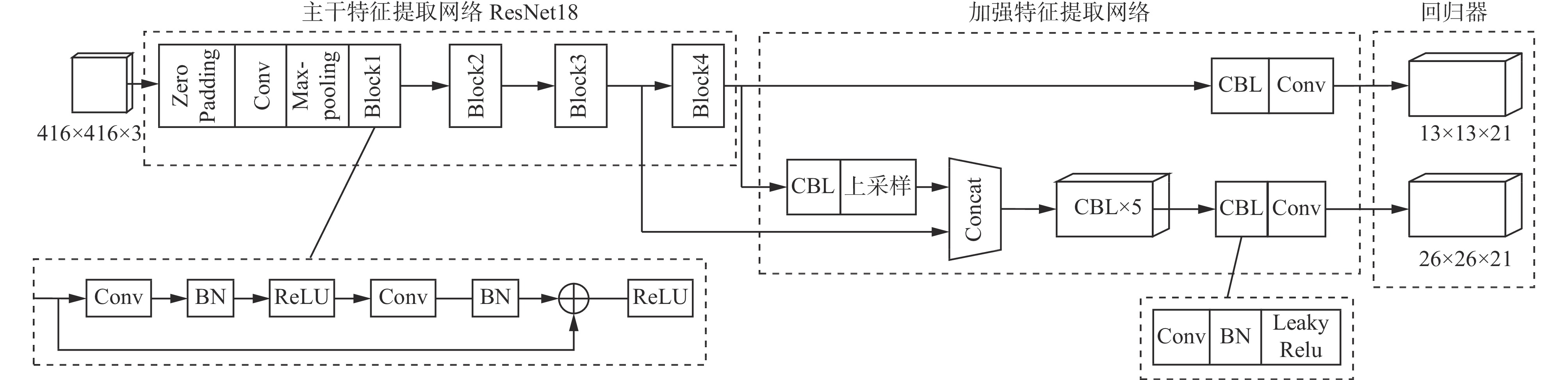
  • 摘要: 目前煤矸预分选仍多为人工完成,劳动强度大、分拣效率低,且存在安全隐患,利用煤矸分拣机器人代替人工完成煤矸预分选是保障工人健康和安全、提高作业效率的有效途径。然而现有的煤矸分拣机器人在弱光照强度、煤矸表面覆盖煤粉等情况下的效果较差,针对上述问题,提出了基于图像检测的煤矸分拣机器人实验平台。该实验平台通过工业相机采集煤矸图像,利用ResNet18−YOLOv3深度学习算法对图像中的煤矸进行识别,采用TCP通信将矸石的位置信息提供给煤矸分拣模块进行轨迹规划,控制机械臂对矸石进行夹取,完成矸石分拣作业。采用Halcon标定法对实验平台进行手眼标定,从而实现相机像素坐标与机械臂空间坐标的转换;对实验平台进行了定位误差标定,对于尺寸均为50 mm以上的煤矸样本,定位误差不大于9 mm。实验结果表明,该实验平台在强光照条件下的煤矸识别准确率达99%,在弱光照条件下的煤矸识别准确率为95%,在煤粉附着条件下的煤矸识别准确率不低于82%,且煤矸分拣准确率为82%。

     

    Abstract: Currently, coal gangue pre-sorting is still mostly done manually, with high labor intensity, low sorting efficiency, and safety hazards. Using coal gangue sorting robots to replace manual coal gangue pre-sorting is an effective way to ensure the health and safety of workers and improve work efficiency. However, the existing coal gangue sorting robots have poor performance in situations such as low light intensity and coal gangue surface covered with coal powder. To solve the above problems, an experimental platform for coal gangue sorting robot based on image detection is proposed. This experimental platform collects coal gangue images through industrial cameras. The platform uses ResNet18-YOLOv3 deep learning algorithm to identify the coal gangue in the images. The platform uses TCP communication to provide the position information of the gangue to the coal gangue sorting module for trajectory planning, then controls the manipulator to clamp the gangue and completes the gangue sorting operation. The platform uses the Halcon calibration method for hand-eye calibration of the experimental platform, in order to achieve the conversion of camera pixel coordinates and manipulator spatial coordinates. The positioning error of the experimental platform is calibrated. For coal gangue samples with sizes above 50 mm, the positioning error should not exceed 9 mm. The experimental results show that the recognition accuracy of the experimental platform for coal gangue under strong lighting conditions is 99%. The recognition accuracy of coal gangue under weak lighting conditions is 95%. The recognition accuracy of coal gangue under pulverized coal adhesion conditions is not less than 82%. The accuracy of coal gangue sorting is 82%.

     

/

返回文章
返回