千米钻机电控系统二次回路瞬态干扰分析与抑制

Transient interference analysis and suppression in the secondary circuit of electric control system of kilometer drilling rig

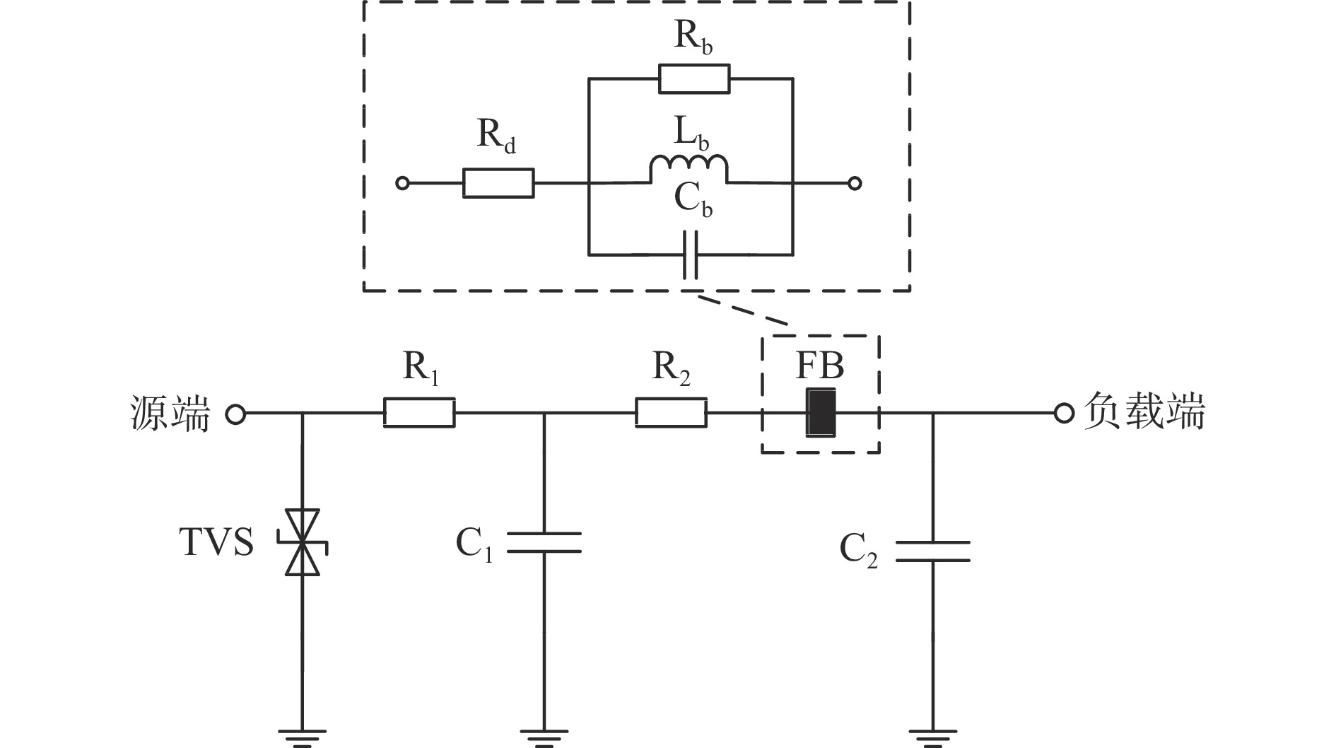
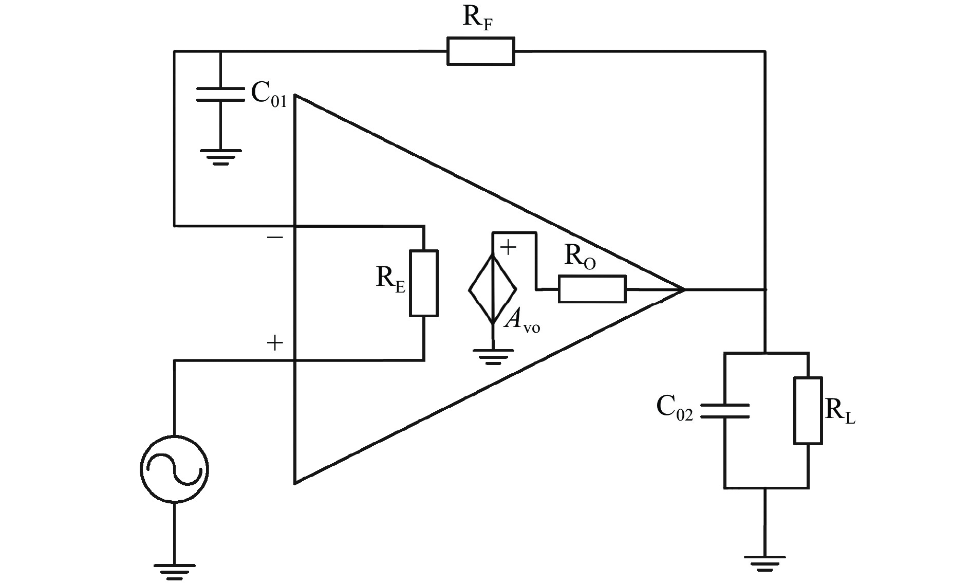
  • 摘要: 千米钻机电控系统工况复杂、负载多变,并且融合多个一次回路,从而使瞬态干扰频谱分布随机性高,易出现模态混叠现象。为提升智能感知精度,千米钻机电控系统二次回路往往采用高带宽增益运算放大器,已有适用于二次侧端口设备的模型不再适用于小信号检测电路的稳定性分析。千米钻机电控系统瞬态干扰频域分布范围广泛,要求电路在很宽的频域内有较强的抗干扰能力。传统抗干扰措施存在频带较窄、高频抑制作用不佳的缺陷;多级RC、LC滤波电路存在阻抗不匹配、体积大的问题。针对上述问题,以15000型千米钻机电控系统的二次回路信号采集电路为研究对象,对二次回路中瞬态干扰进行分析。采用无参尺度空间表达的经验小波变换(EWT)算法,利用尺度空间变换划分得到频谱分割点,进而提取出具有紧支撑框架的模态分量,引入模态分量的峭度指标特征划分瞬态干扰信号与白噪声信号,确定瞬态干扰的频域分布。通过构建电控系统二次回路含寄生参数的小信号电路等效模型,探寻反馈回路引脚寄生电容与触发振铃或自激振荡的干扰信号频率阈值的规律,分析瞬态干扰频域特征对电路稳定性的影响。结果表明:在输入输出存在30 pF引脚寄生电容时,传导进入瞬态干扰信号使稳定性下降,且引起失稳的触发频率随引脚寄生电容增加而降低。利用铁氧体磁珠类似并联谐振的高阻特性,设计了一种二阶滤波电路。实验室试验结果表明:当干扰经过含铁氧体磁珠的二阶滤波电路后,在信号采样电路敏感的0.2 MHz以上频段,干扰幅值均抑制在−35 dBV以下,信号采样电路无异常输出。工业样机运行数据中敏感频段干扰幅值均抑制在−35 dBV以下,与实验室试验结果基本一致,满足抗干扰要求。

     

    Abstract: The electric control system of kilometer drilling rig has complex operating conditions, variable loads, and integrates multiple primary circuits. This results in high randomness of transient interference spectrum distribution and easy occurrence of modal aliasing. In order to improve the precision of intelligent perception, the secondary circuit of the electric control system of kilometer drilling rig often uses a high bandwidth gain operational amplifier. The existing models applicable to the secondary port equipment are no longer suitable for the stability analysis of small signal detection circuits. The transient interference frequency domain distribution range of the electric control system of kilometer drilling rig is wide, requiring the circuit to have strong anti-interference capability in a wide frequency range. Traditional anti-interference measures have the disadvantages of narrow frequency bands and poor high-frequency suppression effects. Multi-level RC and LC filtering circuits have problems of impedance mismatch and large volume. In order to solve the above problems, the signal acquisition circuit of the secondary circuit of the electric control system of 15000-kilometer drilling rig is taken as the research object to analyze the transient interference in the secondary circuit. The empirical wavelet transform (EWT) algorithm based on nonparametric scale space is used to divide spectral segmentation points using scale space transformation. The modal components with tightly supported frames are extracted. The kurtosis index characteristics of modal components are introduced to divide transient interference signals and white noise signals. The frequency domain distribution of transient interference is determined. By constructing an equivalent model of the small signal circuit with parasitic parameters in the secondary circuit of the electronic control system, the law between the parasitic capacitance of the feedback circuit pin and the frequency threshold of the interference signal of triggering ringing or self-excited oscillation is explored. The influence of the frequency domain characteristics of the transient interference on the circuit stability is analyzed. The results indicate that when there is a pins parasitic capacitance of 30 pF in the input and output, conducting transient interference signals leads to a decrease in stability. The triggering frequency that causes instability decreases as the pin parasitic capacitance increases. Using the high resistance characteristics of ferrite bead similar to parallel resonance, a second-order filtering circuit is designed. The experimental verification results in laboratry show that when the interference passes through the second-order filtering circuit containing ferrite bead, the interference amplitude is suppressed below −35 dBV in the frequency band above 0.2 MHz sensitive to the signal sampling circuit. The signal sampling circuit has no abnormal output. The interference amplitude of sensitive frequency band in the operation data of the industrial prototype is suppressed below −35 dBV. The actual operation test results are basically consistent with the laboratory test results, meeting the anti-interference requirements.

     

/

返回文章
返回