基于LoRa的低功耗瓦斯浓度分布式监测系统设计

潘晓博

(徐州工程学院 信息工程学院, 江苏 徐州 221008)

摘要针对催化燃烧式甲烷传感器功耗较高及有线瓦斯浓度监测系统安装成本高、扩展性和灵活性差、维护工作量大等问题,设计了基于LoRa的低功耗瓦斯浓度分布式监测系统,详细介绍了瓦斯浓度采集节点与LoRa智能网关的软硬件设计。瓦斯浓度采集节点采用STM32L151超低功耗系列处理器,通过电源管理模块将系统电源分为可控的3个部分,并通过功耗控制策略降低功耗:① 单片机核心系统采用低功耗模式;② MJC4/2.8J甲烷检测用载体催化元件采用动态通电方式,以降低平均电流;③ 采集节点中除单片机核心系统外的其他模块按需供电。LoRa智能网关利用嵌入式实时操作系统μC/OS-II进行任务调度,使网关性能达到最优,提高CPU的利用率。测试结果表明,瓦斯浓度采集节点具有较好的数据传输性能,功耗控制策略可有效降低采集节点的平均电流,从而延长电池使用时间,降低系统维护工作量。

关键词瓦斯浓度监测; 甲烷检测用载体催化元件; 分布式监测; 低功耗; 功耗控制; LoRa; 智能网关

0 引言

由于瓦斯浓度过高导致的煤矿安全生产事故常常会造成大量的人员伤亡和经济损失,因此,煤矿瓦斯浓度的检测对于预防煤矿瓦斯灾害事故、保障矿工生命和矿井财产安全具有重要意义[1-4]

瓦斯检测传感器类型主要包括催化燃烧型、光干涉型、红外吸收型、热导型等[5]。目前,矿用光纤甲烷传感器和催化燃烧式甲烷传感器应用广泛。其中,催化燃烧式甲烷传感器通过惠斯通电桥测量电阻变化值,实现甲烷浓度检测[6-7],具有成本低、使用方便、精度较高和检测范围大等优点,但存在功耗较高的缺点[8-9]

针对该问题,本文基于甲烷检测用载体催化元件,结合低功耗嵌入式系统和LoRa无线通信技术[10],设计了一种低功耗瓦斯浓度分布式监测系统。该系统能够克服传统有线瓦斯浓度监测系统安装成本高、扩展性和灵活性差、维护工作量大等缺点[11-12],同时,可尽可能降低系统功耗,实现远程瓦斯浓度实时采集,为煤矿井下瓦斯灾害预警提供重要的数据支持。

1 系统架构设计

基于LoRa的低功耗瓦斯浓度分布式监测系统分为数据采集层、传输层和后台服务端3个部分,其架构如图1所示,n为采集节点总数。

图1 基于LoRa的低功耗瓦斯浓度分布式监测系统架构
Fig.1 Structure of low-power distributed gas concentration monitoring system based on LoRa

数据采集层由低功耗瓦斯浓度采集节点和LoRa智能网关构成。根据实际监测需要,可灵活确定瓦斯浓度采集节点的位置和数量。瓦斯浓度采集节点与LoRa智能网关之间可双向通信,实现瓦斯浓度数据上传与服务端指令下发。

传输层由煤矿井下工业以太网构成。LoRa智能网关可通过多种通信方式(WiFi,CAN总线,RS485总线和以太网)与传输层通信,将瓦斯浓度数据汇入工业以太网后上传至后台服务端。后台服务端可通过传输层下发相关控制指令到数据采集层。

后台服务端由服务器、备用服务器及上位机软件组成。根据实际应用需求,后台服务端可下发控制指令,实时调整瓦斯浓度预警阈值、瓦斯浓度采集周期及瓦斯浓度采集节点相关配置参数等。

2 系统硬件设计

2.1 低功耗瓦斯浓度采集节点硬件设计

低功耗瓦斯浓度采集节点主要包括单片机核心系统模块、电源管理模块和通信模块(LoRa无线通信、串口通信),采用电池供电,其结构如图2所示。

图2 低功耗瓦斯浓度采集节点硬件结构
Fig.2 Hardware structure of low-power gas concentration collection node

2.1.1 核心系统模块

核心系统模块主要包括单片机、催化甲烷传感器电路模块、Flash模块、电量检测模块、按键模块、声光报警模块和指示灯。

采用超低功耗系列单片机STM32L151CBT6,工作频率为32 kHz~32 MHz,可运行于待机模式(2种)、停止模式(2种)、低功耗运行模式、动态运行模式6种模式,具有丰富的外设,能够满足系统设计需求。Flash模块采用W25Q64芯片,用于存储软硬件版本信息及服务器下发至采集节点的瓦斯浓度报警阈值。电量检测模块采用CW2015电量计芯片检测供电锂电池的电量。声光报警模块由有源蜂鸣器和LED灯构成,当采集到的瓦斯浓度高于报警阈值时,启动声光报警。

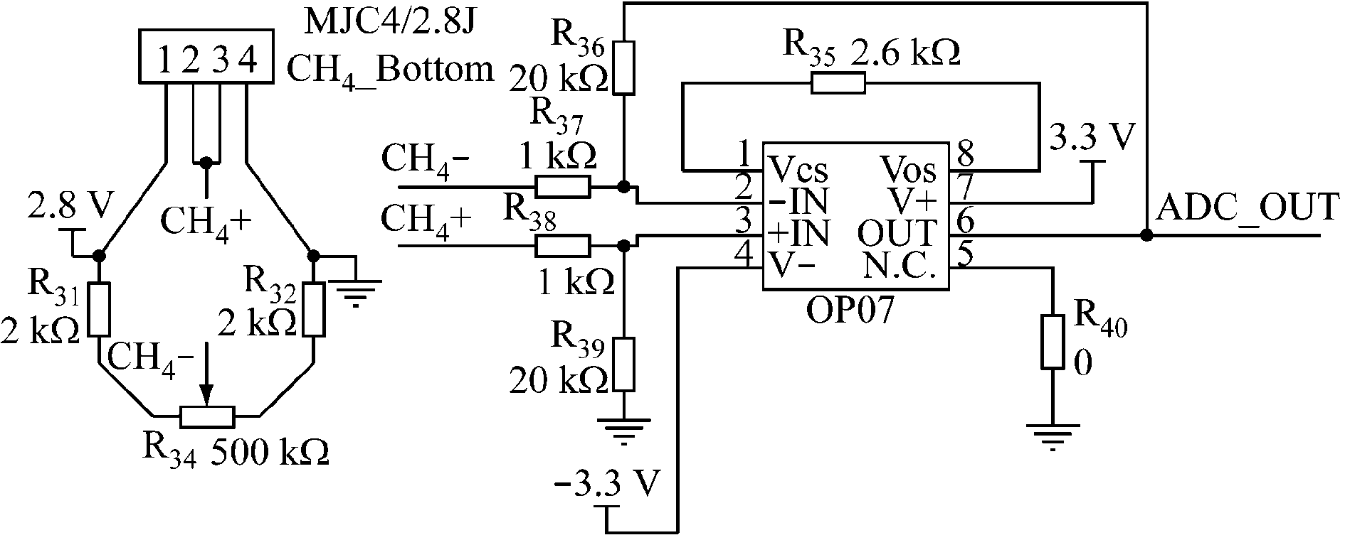
催化甲烷传感器电路模块采用煤矿甲烷检测用载体催化元件MJC4/2.8J[8]与补偿元件构成测量电桥,采用恒流驱动。载体催化元件两端阻值会随气体浓度升高而增大,桥路电压随气体浓度升高而线性增大。通过高精度模数转换芯片CS1238(24位ADC)采集电压值,结合数据处理算法,得出瓦斯浓度。MJC4/2.8J甲烷检测用载体催化元件如图3所示,催化甲烷传感器电路如图4所示。

图3 MJC4/2.8J甲烷检测用载体催化元件
Fig.3 MJC4/2.8J carrier catalytic element for methane detection

图4 催化甲烷传感器电路
Fig.4 Catalytic methane sensor circuit

2.1.2 通信模块

通信模块包括LoRa无线通信模块和串口通信模块。LoRa无线通信模块型号为E22-400T30D,以新一代LoRa射频芯片SX1268为核心,在抗干扰性与通信距离方面得到了进一步提升,在功耗上也有出色的表现。LoRa无线通信模块与单片机间采用串口通信,接口电路如图5所示。串口通信模块采用CH340G芯片实现串口TTL(晶体管-晶体管逻辑电平)信号转USB,可用于催化甲烷传感器标校等参数调整。

图5 LoRa无线通信模块接口电路
Fig.5 Interface circuit of LoRa wireless communication module

2.1.3 电源管理模块

电源管理模块包括3.7 V磷酸铁锂电池和电源管理模块,磷酸铁锂电池采用系统外单独充电设备进行充电。为满足系统功能要求,同时尽可能降低功耗,将系统电源分为3个部分进行管理,如图6所示。

图6 电源管理模块结构
Fig.6 Structure of power management module

第1部分电源由SGM2040-3.3 V芯片将输入的3.7 V电压转换为3.3 V,对STM32L151单片机核心系统进行供电。SGM2040-3.3 V电源芯片具有电压输出使能端,功耗低且成本低,能够很好地满足硬件设计需求。

第2部分电源为LoRa无线通信模块、串口通信模块、Flash、电量检测模块、声光报警模块、差分放大器和AD采集电路供电。为合理有效地使用电源,设计了基于MOS(场效应管)的电源开关电路,在单片机的控制下实现电源通断,进而有效降低系统功耗。基于MOS的电源开关电路如图7所示。

图7 基于MOS的电源开关电路
Fig.7 MOS-based power switch circuit

第3部分电源专为甲烷检测用载体催化元件供电,通过SGM2040-2.8 V芯片提供2.8 V电源。该芯片也具有电压输出使能端,可方便实现电源输出控制。为使采集节点硬件符合煤矿井下使用要求,还需对电源管理模块进行本安设计。

2.2 LoRa智能网关硬件设计

LoRa智能网关主要包括单片机STM32F103核心系统模块、通信模块和电源管理模块,如图8所示。

图8 LoRa智能网关硬件结构
Fig.8 Hardware structure of LoRa intelligent gateway

(1) STM32F103核心系统模块。主要包括单片机、Flash模块、电量检测模块、按键模块和声光报警模块。单片机采用的是STM32F103VET6芯片,该系列芯片采用ARM Cortex-M3内核,具有丰富的外设,能够满足系统设计需求。Flash模块、电量检测模块及声光报警模块的硬件设计与瓦斯浓度采集节点相同。

(2) 通信模块。为了使智能网关能够更灵活地接入井下工业以太网,设计了WiFi通信、以太网通信、RS485总线通信和CAN总线通信4种通信方式。其中,WiFi通信模块采用的是ESP8266模块,支持IEEE 802.11 b/g/n,通过串口与单片机通信,使用AT指令驱动。以太网通信模块采用W5500以太网芯片,该芯片通过SPI接口与单片机进行通信,具有应用简单、可靠性高和安全性好等优势。RS485总线通信模块采用SP3485芯片作为收发器,CAN总线通信模块采用TJA1050芯片作为收发器。此外,智能网关还包含LoRa无线通信模块和串口通信模块,其中,LoRa无线通信模块用于和瓦斯浓度采集节点进行通信,串口通信模块用于输出系统调试信息等,这2个模块的硬件设计与瓦斯浓度采集节点相同。

(3) 电源模块。智能网关采用12 V本安电源供电,电源模块对12 V电压进行2次降压处理,分别得到5 V和3.3 V电压,为智能网关中各硬件模块供电。为使智能网关硬件符合煤矿井下使用要求,还需对电源模块进行本安设计。

3 系统软件设计

系统软件设计包括低功耗瓦斯浓度采集节点软件设计和LoRa智能网关软件设计2个部分,均在Keil MDK 5.25集成开发环境下用C语言开发。

3.1 低功耗瓦斯浓度采集节点软件设计

低功耗瓦斯浓度采集节点软件设计主要包括瓦斯浓度采集驱动、Flash读写驱动、电量采集驱动、声光报警驱动、串口通信驱动、电源开关驱动、LoRa无线通信模块驱动等设计。采集节点与智能网关之间采用标准的Modbus-RTU协议进行数据交互。采集节点软件流程如图9所示。

(1) 进行硬件系统外设初始化与系统自检,若系统正常则与智能网关通信,发送在线报文;若系统异常则进行声光报警,并重新进行硬件初始化。

图9 瓦斯浓度采集节点软件流程
Fig.9 Software process of gas concentration collection nodes

(2) 监测到智能网关下发数据后进行数据指令解析,更新相关参数和报警阈值;若未接收到数据报文,则按照系统定时间隔采集瓦斯浓度数据。

(3) 进行瓦斯浓度超限报警判断,若瓦斯浓度正常,则进入低功耗模式,否则启动声光报警。

3.2 LoRa智能网关软件设计

为更好地接收和处理LoRa网络数据,利用嵌入式实时操作系统μC/OS-II[8]对网关各功能任务进行合理调度,使网关性能达到最优,提高CPU的利用率。嵌入式实时操作系统能够减少应用程序开发的工作量,提高系统调度效率和便捷度,增强可维护性,便于软件后期更新。

LoRa智能网关的主程序流程如图10所示,在多任务调度执行环节中,根据任务优先级来进行调度,切换执行不同任务。智能网关中的任务分配如图11所示。在实际使用过程中,可根据煤矿井下网络环境选择一种通信方式,根据通信协议编写对应的通信任务函数,将采集到的瓦斯浓度数据汇入工业以太网中。

图10 LoRa智能网关主程序流程
Fig.10 Main program flow of LoRa intelligent gateway

图11 LoRa智能网关任务分配
Fig.11 Task assignment of LoRa intelligent gateway

4 系统测试

4.1 数据传输性能测试

在江苏省徐州市云龙山隧道开展数据传输性能测试,分别配置2、5、10个采集节点进行数据采集,测试数据丢包率和报警数据上报时延。取隧道中段600 m范围,将智能网关布置于中点位置,采集节点等间隔布置在600 m范围内。上述3种情况下的数据丢包率和报警数据上报时延数据见表1。

表1 丢包率与报警数据上报时延测试结果
Table 1 Test results of packet loss rate and alarm data reporting delay

测试序号数据包/个丢包率/%2个节点5个节点10个节点时延/ms150002<100250000<100350002<100450000<100550000<1006100202<1007100022<1008100000<1009100200<10010100004<100

从表1可知,一次性发送50和100个数据包时,数据上报时延均低于100 ms;在采集节点为2个和5个的情况下,丢包率不高于2%;随着采集节点增多,丢包率上升,但不超过4%。测试结果表明,瓦斯浓度采集节点具有较好的数据传输性能,能够满足实际应用场景下的数据传输需求。

4.2 瓦斯浓度采集节点低功耗性能测试

采用3.7 V,10 A·H锂电池供电,测试4种情况下瓦斯浓度采集节点实时消耗的电流:① 系统中所有模块均通电,LoRa无线通信模块无数据收发;② 系统中所有模块均通电,LoRa无线通信模块发送数据;③ 系统中所有模块均通电,LoRa无线通信模块接收数据;④ 系统中单片机核心系统工作在待机状态下,其余外设模块电路电源关闭。上述4种情况下的低功耗性能测试结果见表2。

表2 低功耗性能测试结果
Table 2 Test results of low-power performance

测试序号不同工作状态下消耗的电流情况1/mA情况2/mA情况3/mA情况4/μA11302301334.521292291354.331292291344.641282281344.451282321344.461262311324.471282331304.581282291354.591292291344.4101302301334.4

从表2可知,系统在不同工作状态下的电流消耗不同,第4种情况下的电流明显低于其他3种情况。测试结果表明,利用单片机核心系统的待机工作状态和各模块供电开关,将能够有效降低采集节点的平均电流,从而延长电池使用时间,降低系统维护工作量。因此,本文设计了如下功耗控制策略:

(1) 单片机核心系统采用低功耗模式(包括定时待机模式、定时睡眠模式和低功耗运行模式),根据实际使用需求设定相关模式,以降低功耗。

(2) MJC4/2.8J甲烷检测用载体催化元件采用动态通电方式,以降低平均电流。由于该传感器功耗较大,若始终保持供电状态,则持续电流消耗较大。因此,可采用间断供电方式,例如,每通电5 s后,断电10 s,再通电,如此周期性循环。

(3) 采集节点中除单片机核心系统外的其他模块按需供电。当需要使用到某模块时,打开该模块供电开关,使用完毕后,断开供电开关。

设定MJC4/2.8J甲烷检测用载体催化元件采用通电5 s、断电10 s的动态通电方式,单片机核心系统采用定时待机模式(待机30 s后,运行30 s,再进入待机模式),对功耗控制策略的效果进行测试,结果表明,采集节点平均电流下降至约105 mA,与第2种情况(平均电流约为230 mA)相比,电池使用寿命延长了1倍。

5 结论

(1) 数据传输性能测试结果表明,瓦斯浓度采集节点具有较好的数据传输性能,一次性发送50和100个数据包时,数据上报时延低于100 ms;随着采集节点增多,丢包率上升,但不超过4%。

(2) 采用合理的功耗控制策略后,瓦斯浓度采集节点平均电流下降至约105 mA,与系统最大功耗状态相比,平均电流降低了约50%,在固定容量电池供电情况下,电池使用寿命延长了1倍。

(3) 未对复杂通信环境与使用场景下系统的性能进行分析。因此,后期将从以下方面进一步研究:复杂通信环境中,不同频段下的LoRa通信性能;LoRa组网方式对数据传输性能的影响;从改进通信机制角度优化功耗控制策略。

参考文献(References):

[1] 王晓蕾,袁印,陈鄢.中国矿井瓦斯浓度检测技术现状及发展趋势[J].科学技术与工程,2020,20(23):9255-9262.

WANG Xiaolei,YUAN Yin,CHEN Yan.Current status and development trend of mine gas concentration detection technology in China[J].Science Technology and Engineering,2020,20(23):9255-9262.

[2] 王晓蕾.新型煤岩体加固注浆料制备及应用分析[J].地下空间与工程学报,2020,16(3):844-851.

WANG Xiaolei.Preparation and application analysis on a new grouting material for coal and rock mass reinforcement[J].Chinese Journal of Underground Space and Engineering,2020,16(3):844-851.

[3] 巴全斌.瓦斯抽采钻孔漏气通道检测装置研制及应用[J].工矿自动化,2021,47(1):9-14.

BA Quanbin.Development and application of gas leakage channel detection device for gas extraction borehole[J].Industry and Mine Automation,2021,47(1):9-14.

[4] 廖英雷.基于相关性分析的瓦斯异常值检测与预警[D].西安:西安科技大学,2020.

LIAO Yinglei.Detection and early warning of gas anomaly based on correlation analysis[D].Xi'an:Xi'an University of Science and Technology,2020.

[5] 刘正杰.MEMS甲烷传感器特性表征系统的设计与实现[D].徐州:中国矿业大学,2020.

LIU Zhengjie.Design and implementation of MEMS methane sensor characterization system[D].Xuzhou:China University of Mining and Technology,2020.

[6] 刘统玉,王纪强,孟祥军,等.面向矿山安全物联网的光纤传感器[J].工矿自动化,2018,44(3):1-7.

LIU Tongyu,WANG Jiqiang,MENG Xiangjun,et al.Optical fiber sensor for mine safety Internet of things[J].Industry and Mine Automation,2018,44(3):1-7.

[7] 霍振龙.LoRa技术在矿井无线通信中的应用分析[J].工矿自动化,2017,43(10):34-37.

HUO Zhenlong.Application analysis of LoRa technology in mine wireless communication[J].Industry and Mine Automation,2017,43(10):34-37.

[8] 张帝,董飞,高彬,等.基于嵌入式实时操作系统的智能矿灯设计[J].工矿自动化,2018,44(2):23-27.

ZHANG Di,DONG Fei,GAO Bin,et al.Design of intelligent miner lamp based on embedded real-time operating system[J].Industry and Mine Automation,2018,44(2):23-27.

[9] 丁艳,袁隆基,宋正昶.低浓度煤矿瓦斯检测系统设计与仿真[J].实验室研究与探索,2020,39(6):94-97.

DING Yan,YUAN Longji,SONG Zhengchang.Design and simulation of low concentration coal mine gas detection system[J].Research and Exploration in Laboratory,2020,39(6):94-97.

[10] 姜源,李虎,朱洪睿,等.基于LoRa无线通信的矿用瓦斯检测传感器设计[J].煤矿机电,2019,40(3):12-14.

JIANG Yuan,LI Hu,ZHU Hongrui,et al.Design of gas detection sensor based on LoRa wireless communication in coal mine[J].Colliery Mechanical & Electrical Technology,2019,40(3):12-14.

[11] 王懋.基于CAN总线与ZigBee的瓦斯实时监测及预警系统设计[J].煤矿机械,2018,39(6):154-156.

WANG Mao.Design of gas real-time monitoring and early warning system based on CAN bus and ZigBee[J].Coal Mine Machinery,2018,39(6):154-156.

[12] 韩文征,姚晓东,黄煊赫.基于LoRa的光伏电站监控系统[J].仪表技术与传感器,2020(6):59-62.

HAN Wenzheng,YAO Xiaodong,HUANG Xuanhe.Monitoring system of photovoltaic power station based on LoRa[J].Instrument Technique and Sensor,2020(6):59-62.

Design of low-power distributed gas concentration monitoring system based on LoRa

PAN Xiaobo

(School of Information Engineering, Xuzhou University of Technology, Xuzhou 221008, China)

Abstract:Catalytic combustion methane sensors are high power consumption. The wired gas concentration monitoring system has high installation cost, poor scalability and flexibility and heavy maintenance workload. In order to solve the above problems, a low-power distributed gas concentration monitoring system based on LoRa is designed. Moreover, the software and hardware design of gas concentration collection nodes and LoRa intelligent gateway are discussed in details. The gas concentration collection nodes use the STM32L151 ultra-low-power series processor. The system power supply is divided into three controllable parts through the power management module, and the power consumption is reduced through the power control strategy. ① The microcontroller core system adopts a low-power mode. ② MJC4/2.8J methane detection carrier catalytic element adopts dynamic energization to reduce the average current. ③ The modules in the collection nodes other than the microcontroller core system are powered on demand. The LoRa intelligent gateway uses the embedded real-time operating system μC/OS-II for task scheduling to optimize the performance of the gateway and improve CPU utilization. The test results show that the gas concentration collection nodes have good data transmission performance and the power consumption control strategy can reduce the average current of the collection nodes effectively, thus extending the battery life and reducing the system maintenance workload.

Key words:gas concentration monitoring; carrier catalytic element for methane detection; distributed monitoring; low power consumption; power consumption control; LoRa; intelligent gateway

中图分类号:TD712

文献标志码:A

扫码移动阅读

文章编号1671-251X(2021)06-0103-06

DOI:10.13272/j.issn.1671-251x.2021030052

收稿日期:2021-03-16;修回日期:2021-05-15;责任编辑:胡娴。

基金项目:江苏省建设系统科技项目(2018ZD077)。

作者简介:潘晓博(1980-),男,江苏徐州人,讲师,硕士,主要研究方向为嵌入式系统、电子信息技术,E-mail:xiaobopan@163.com。

引用格式:潘晓博.基于LoRa的低功耗瓦斯浓度分布式监测系统设计[J].工矿自动化,2021,47(6):103-108.

PAN Xiaobo.Design of low-power distributed gas concentration monitoring system based on LoRa[J].Industry and Mine Automation,2021,47(6):103-108.