矿用防爆锂电源均流系统设计

李起伟1,2,3, 陈伟1,2,3, 张健1,2,3, 邵甜甜1,2,3

(1.煤炭科学技术研究院有限公司, 北京 100013;2.煤炭资源高效开采与洁净利用国家重点实验室, 北京 100013;3.北京市煤矿安全工程技术研究中心, 北京 100013)

摘要针对矿用防爆锂电源多台并联使用时放电不均流的问题,设计了一种矿用防爆锂电源均流系统。该系统由多台防爆锂电源并联组成,防爆锂电源采用166节60 A·h的磷酸铁锂电池串联在隔爆腔内;采用基于平均电流的数字均流策略,以均流控制器为电流调节部件,采用双闭环方式进行控制,系统内环为电流环,外环为电压环,在电压环的基础上增加一个均流补偿,通过电压偏差信号与均流补偿信号实现均流控制。测试结果表明:采用均流系统后,总负载电流为20 A时均流不平衡度为1%~2%,总负载电流大于30 A时均流不平衡度保持在1%以内;与无均流策略的电源相比,采用数字均流策略的电源并联均流效果更好,供电可靠性更高。

关键词防爆锂电源; 并联组网;均流策略; 并联均流放电; 均流控制器; 均流补偿; 双闭环控制

0 引言

随着煤矿井下设备智能化的不断发展,5G通信基站、综合分站等用电设备的不断增加使用,井下区域对不间断供电设备供电方式和带载能力的要求也在不断提高[1-4]。单台防爆锂电源受限于煤矿安全标准规定的容量、壳体尺寸和逆变器功率等因素,单体功率提升有限,不能满足井下大功率、大容量的需求。在现有针对单体电池容量规定不变的前提下,多台防爆锂电源并联组网供电成为必然趋势[5-8]。多台防爆锂电源并联使用时会存在供电不均流问题,要使防爆锂电源并联组网系统长期稳定工作,必须采取措施对系统中各防爆锂电源的输出电流加以控制,尽可能均分系统负载总电流[9-11],确保多台防爆锂电源并联可靠运行。

近年来,许多学者对防爆锂电源的使用进行了研究。尹鹏等[12]设计了一种锂电池组并联均流电路,通过单片机控制开关管占空比调节电池的电流,该电路结构简单易于实现。肖林京等[13]针对避险硐室用电设备设计了一款利用总成控制器与电池组模块控制器组合控制多台同等容量锂电源的并联供电系统,可以有效解决井下避险硐室设备大容量供电问题。王玲等[14]研究出一种引入无差拍控制器的控制方法,对并联电流进行平抑处理,可有效抑制井下不间断电源并联供电系统的环流情况。王琼等[15]提出了一种用DC/DC控制器抑制大容量电池组并联环流的方案,对并联锂电源使用具有指导意义。上述研究在一定程度上解决了电池组扩容和不间断电源并联交流环流问题,但是对于防爆锂电源多台并联使用时存在放电不均流问题未有提及。本文针对煤矿井下使用环境,设计了防爆锂电源均流系统,实现防爆锂电源电源箱并联均流放电。

1 防爆锂电源的电池组设置和均流策略

1.1 电池组设置

为了提高电源箱输出的功率和能量,需要通过单节电池成组的方式增加系统供电容量,锂电池组的成组方式有先串后并和先并后串2种,从电池组运行安全性的角度分析,电池先串后并比先并后串更可靠[16-17]。《矿用隔爆(兼本安)型锂离子蓄电池电源安全技术要求(试行)》(以下简称安全技术要求)规定电池组的额定能量不应超过32 000 W·h,监测通信系统和紧急避险设施用电源中锂离子蓄电池的额定容量不超过60 A·h。根据安全技术要求的规定,防爆锂电源的电池采用磷酸铁锂电池,该电池能量密度比高,安全系数高,单节电池能量为192 W·h,理论上单台电源的隔爆腔室可以串联166节磷酸铁锂电池,因此,本文设计的防爆锂电源采用166节60 A·h的磷酸铁锂电池串联在隔爆腔内,N台防爆锂电源分布式放置,构成防爆锂电源均流系统。

1.2 均流策略

均流策略采用基于平均电流的数字均流方法实现,采用双闭环方式进行控制,系统内环为电流环,外环为电压环,在电压环的基础上增加一个均流补偿,通过电压偏差信号与均流补偿信号实现均流控制。

数字均流方法控制结构如图1所示,其中UN为各电源箱输出电压采样值,US为系统设置输出电压值,IIN为各电源箱输出电流采样值,是主从机通过CAN/AUTBUS通信总线对采样电流累加后求平均得到的,IA为系统平均电流值,ILN为各电感电流反馈值。

图1 数字均流方法控制结构
Fig.1 Control structure of digital current sharing method

电源箱输出电压采样值与系统电压给定值作差后得到电压偏差,通过比例积分(Proportional-Integral,PI)调节偏差电压输出电压环误差信号,并与均流补偿信号叠加作为电流环给定值。将电流环给定值与电感电流反馈值作差后得到电流偏差值,经过PI调节后输出到数字信号处理器(Digital Signal Process,DSP)内部的脉冲宽度调制模块(Pulse Width Modulation,PWM)进行频率校正,通过校正后的PWM模块驱动开关管实现系统输出稳压和均流。

2 系统组成

防爆锂电源均流系统由N台防爆锂电源并联组成,如图2所示。功率电路部分通过电缆将电源箱输出连接在功率母线上,各电源箱与上位机通过CAN/AUTBUS通信总线实现信息传输和调度。防爆锂电源的电路控制腔内有均流控制器,输出均流控制器主要由均流控制单元、电池信息采集管理单元、电压电流采样单元、CAN/AUTBUS通信单元组成。均流控制单元主要用于处理其他模块传入的参数信息,通过均流算法对电源输出电流和电压进行调节,从而实现均流。电池信息采集管理单元对电池组信息进行采集,为均流控制单元提供电池组荷电状态信息。电压电流采样单元为均流控制单元提供实时采样电压电流信息。CAN/AUTBUS通信单元实现系统信息交互。

图2 防爆锂电源均流系统
Fig.2 Current sharing system of explosion-proof lithium power supply

3 系统硬件设计

3.1 均流控制单元

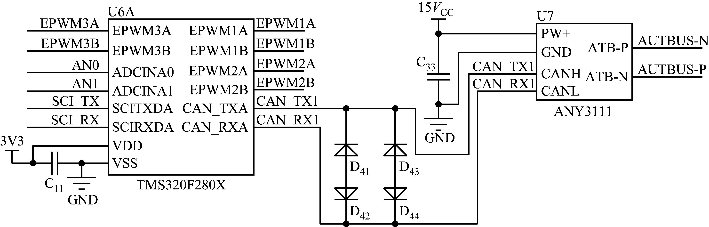
主控器与AUTBUS通信转换如图3所示。控制电路采用TMS320F280X的DSP芯片作为控制器,控制器的CAN总线模块与AUTBUS通信总线模块ANY3111的CAN口电气连接,完成CAN/AUTBUS转换,实现系统AUTBUS总线通信。

图3 主控器与AUTBUS通信转换
Fig.3 Communication conversion between master controller and AUTBUS

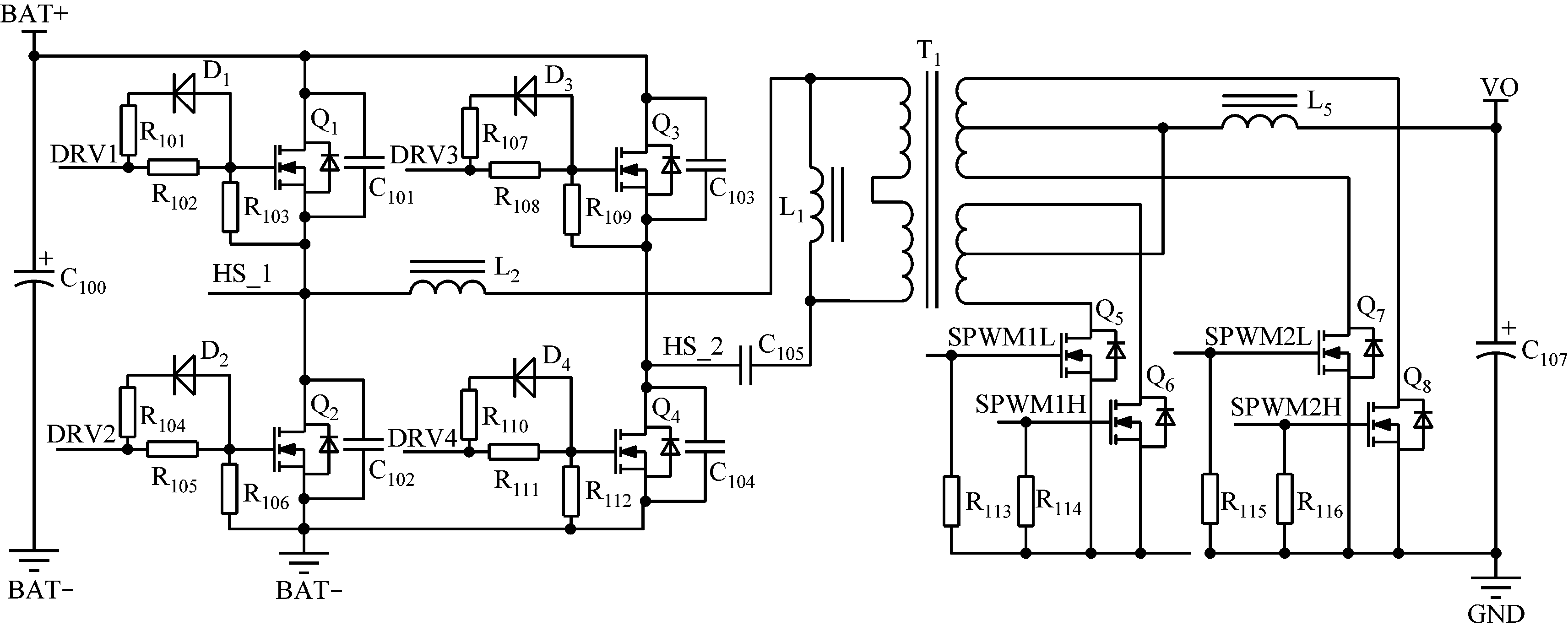
功率单元电路如图4所示。功率变换电路采用全桥谐振转换拓扑结构。输入电压即为电池组电压,电压范围为460~600 V。电路前后桥臂的开关管Q1—Q4选用C2M0025120D,漏极至源极电压高达1 200 V;L1,L2,C105构成谐振网络;Q5—Q8构成同步整流电路;输出滤波电路由L5,C107构成。

图4 功率单元电路
Fig.4 Power unit circuit

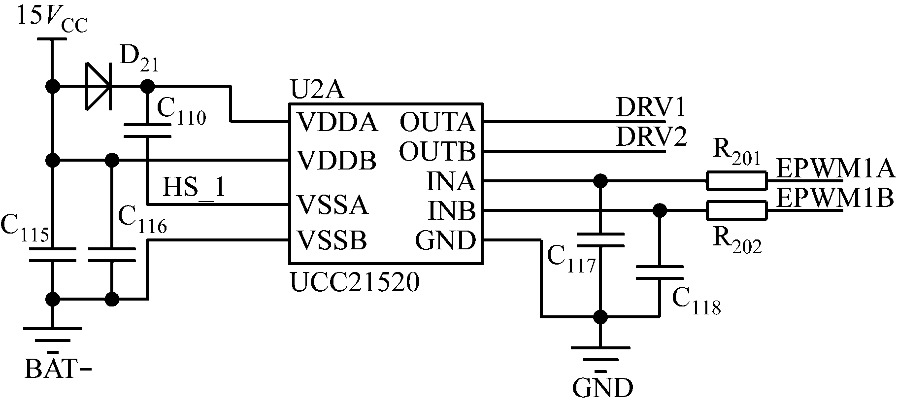
由于DSP控制器产生的驱动信号最高电压为3.3 V,电流也很小,无法直接驱动开关管,且功率电路的半数开关管位于输入高端侧,所以驱动电路要有一定驱动能力且输入输出必须进行电气隔离。驱动电路如图5所示,采用了UCC21520双通道隔离式栅极驱动器,具有4 A峰值拉电流和6 A峰值灌电流,足以满足对驱动开关管的功率要求,同时具有5.7 kV的增强隔离,且工作电压高达1.5 kV,可以驱动高端侧开关管工作。

图5 驱动电路
Fig.5 Drive circuit

3.2 输出电压电流采样单元

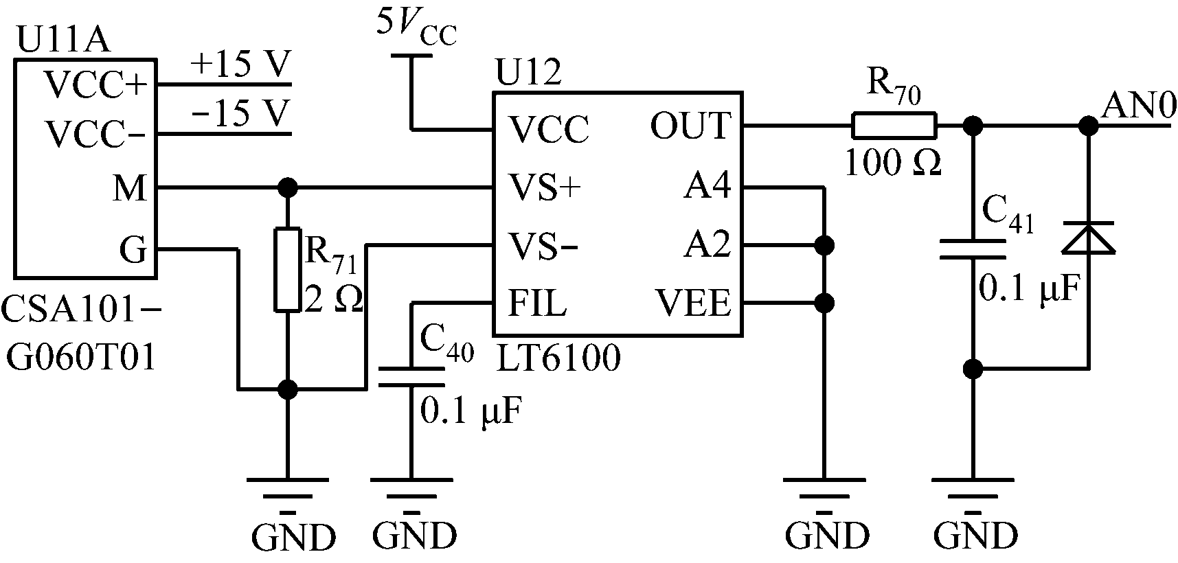
输出电流采样电路如图6所示。考虑到电源箱的输出电流在30 A以上,为满足电流测量误差小于2%的要求,采用电流霍尔传感器CSA101-G060T01(采样精度为0.1%)采集电源箱的输出电流,按2 000∶1将电流缩小并通过高精密取样电阻R71(采样精度为0.1%)将采样电流转换为电压值,再由运算放大器芯片LT6100将电压值放大到一定倍数后,传递到DSP的A/D口进行电流采样。

图6 输出电流采样电路
Fig.6 Output current sampling circuit

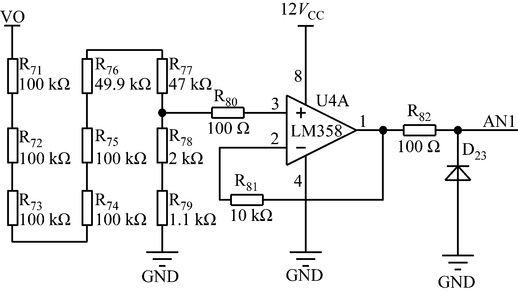
输出电压采样电路如图7所示。由于电源输出电压高达600 V,所以采用电阻分压法进行电压采集,使得DSP的A/D口采样电压值在3 V以下。A/D口阻抗小,若分压点与A/D口直接连接会使A/D口有电流流入,电压采样会严重失真。因此,在分压点与A/D口之间,利用运算放大器LM358搭建的电压跟随器对采样信号进行阻抗匹配和隔离。

图7 输出电压采样电路
Fig.7 Output voltage sampling circuit

4 系统软件设计

控制程序在CCS开发环境下编写。防爆锂电源均流系统软件采用模块化思维设计,由系统配置模块、通信模块、电压电流采集模块、均流控制模块等组成。系统配置模块程序实现系统组网、系统保护值和输出参数的配置。通信模块程序实现各电源箱之间、电源箱与上位机之间的通信连接。电压电流采集模块程序对系统采集的信息进行处理和上传。均流控制模块程序对输出电流进行校正处理。

系统运行流程如图8所示。对定时器中断、AD转换、CAN模块、PWM模块及通用IO口等硬件外设的设置进行初始化。初始化成功后,系统进入自检,如果自检状态不正常,进行报警;否则,执行AUTBUS通信连接。如果AUTBUS通信连接不成功,则通信超时;否则,每一台电源将自身的ID传送到AUTBUS总线上,并接收其他电源的ID,通过对ID比较排序,确定其中一台电源箱为系统主机。主机对其余电源箱发布组网请求,其他电源箱应答后执行主从优先设置程序,将自身配置为从机,完成组网。用户或管理者根据系统提示,进入主机的系统配置界面,配置给定电压、过流保护值、过压保护值等系统信息,启动系统的输入输出开关,电源箱启动电压电流检测程序,实时上传电源箱状态数据,执行均流算法,对电源箱的输出电压电流进行实时调节,实现系统均流供电。

图8 系统运行流程
Fig.8 System operation process

5 系统测试

均流不平衡度是对直流电源均流指标的一种量化描述,一般用百分比来表示。不平衡度越小,直流电源均流性越好。

(1)

式中:δ为均流不平衡度;Imax为电源箱最大电流;IP为电源箱平均电流。

设置负载电流分别为20,30,60 A,对无均流策略的防爆锂电源和采用数字均流策略的防爆锂电源进行放电测试,结果见表1,其中I1为电源箱1的输出电流,I2为电源箱2的输出电流。

由表1可知,对于无均流策略的防爆锂电源,在总负载电流为20 A时,均流不平衡度最小为47.10%;总负载电流为30 A时,均流不平衡度最小为19.20%;总负载电流为60 A时,均流不平衡度最小值为17.70%,每次试验的均流不平衡度差异很大,均流不平衡度并没有因为负载加大有所改善,且继续加大负载后,并联电源箱有过载保护的倾向。对于采用数字均流策略的防爆锂电源,在总负载电流为20 A时,均流不平衡度为1%~2%;总负载电流大于30 A时,均流不平衡度保持在1%以内,说明在并联放电时,采用数字均流策略的电源相对于无均流策略的电源均流效果更好。

表1 防爆锂电源放电测试结果
Table 1 Explosion-proof lithium power supply discharge test results

负载电流/A无均流策略数字均流策略I1/AI2/Aδ/%I1/AI2/Aδ/%3.0816.9269.209.8210.181.80205.2914.7147.1010.139.871.3017.062.9470.6010.179.831.7021.248.7641.6015.1414.860.93307.8722.1347.5015.1114.890.7417.8812.1219.2014.8715.130.8612.4447.5658.5030.2329.770.766035.3124.6917.7029.9730.030.1042.1717.8340.6029.7530.250.83

6 结语

采用基于平均电流的数字均流策略,以均流控制器为电流调节部件,设计了矿用防爆锂电源均流系统。电源箱之间通过AUTBUS通信总线完成组网,使用均流控制器检测各电源箱电压电流,通过AUTBUS通信总线获得均流补偿,并以数字均流算法调整PWM频率,驱动功率开关校正电源箱输出电流,从而实现系统均流。测试结果表明,采用均流系统后,当总负载电流为20 A时,均流不平衡度为1%~2%,总负载电流大于30 A时,均流不平衡度保持在1%以内,与无均流策略电源并联相比,数字均流电源并联均流效果更好,供电可靠性更高。矿用防爆锂电源均流系统解决了矿用防爆锂电源多台并联使用时放电不均流的问题,实现了矿用防爆锂电源系统均流。

参考文献(References):

[1] 谢浩.满足5G供电的矿用胶轮车大容量备用电源[J].煤矿安全,2021,52(2):153-156.

XIE Hao.A large capacity backup power supply for mining rubber tires to meet 5G power supply[J].Safety in Coal Mines,2021,52(2):153-156.

[2] 梁玉芳.矿用防爆车辆锂离子蓄电池安全性研究[J].煤炭工程,2017,49(8):126-129.

LIANG Yufang.Research on safety of li-ion battery used in mine explosion proof vehicle[J].Coal Engineering,2017,49(8):126-129.

[3] 刘见中,王运鹏,谢斌,等.矿用锂离子电池电源防爆保护技术及标准分析[J].煤炭科学技术,2020,48(9):203-208.

LIU Jianzhong,WANG Yunpeng,XIE Bin,et al.Analysis on explosion-proof techniques and standards for lithium-ion battery power supply used in underground coal mine[J].Coal Science and Technology,2020,48(9):203-208.

[4] 姚京,詹昌辉,韩廷,等.车载动力锂电池组主动均衡系统设计[J].电子技术应用,2015,41(1):129-131.

YAO Jing,ZHAN Changhui,HAN Ting,et al.A design of on board power lithium batteries active balancing system[J].Application of Electronic Technique,2015,41(1):129-131.

[5] 毛龙,李宏建,胡志坤,等.基于SOC分时控制容量可变锂电池管理系统设计与实现[J].宇航计测技术,2016,36(3)19-26.

MAO Long,LI Hongjian,HU Zhikun,et al.Design and implementation of capacity variable lithium battery management system based on SOC[J].Journal of Astronautic Metrology and Measurement,2016,36(3):19-26.

[6] 华尧,赵康.一种矿用隔爆兼本安型锂电池不间断电源[J].仪表技术,2015(7):50-53.

HUA Yao,ZHAO Kang.A mine explosion-proof and intrinsically safe online uninterrupted power based on lithium-ion batteries[J].Instrumentation Technology,2015(7):50-53.

[7] 沃磊,张勇,贺江波.隔爆外壳内大容量锂离子蓄电池应用的安全性研究[J].煤炭科学技术,2018,46(8):145-148.

WO Lei,ZHANG Yong,HE Jiangbo.Study on safety of large volume lithium ion battery applied in flameproof enclosure[J].Coal Science and Technology,2018,46(8):145-148.

[8] 康丽杰,李慧,马媛,等.基于嵌入式的UPS电源远程监控系统的研究[J].电源技术,2016,40(4):876-877.

KANG Lijie,LI Hui,MA Yuan,et al.Research of remote monitoring system of embedded UPS[J].Chinese Journal of Power Sources,2016,40(4):876-877.

[9] 祝龙记,吴忠岚,郑昌陆.应用于矿用电机车的并联交错DC/DC变换器研究[J].工矿自动化,2019,45(6):63-68.

ZHU Longji,WU Zhonglan,ZHENG Changlu.Research on parallel interleaved DC/DC converter applied to mine electric locomotive[J].Industry and Mine Automation,2019,45(6):63-68.

[10] 游江,孟繁荣,张敬南.基于回路成形的并联DC/DC 变换器均流控制器设计[J].中国电机工程学报,2019,39(2):585-593.

YOU Jiang,MENG Fanrong,ZHANG Jingnan.Loop-shaping based current sharing controller design for parallel DC/DC converters[J].Proceedings of the CSEE,2019,39(2):585-593.

[11] 吴锡渊,王勤.应用于并联DC/DC变换器的新型自动均流技术研究[J].电子技术应用,2016,42(5):135-138.

WU Xiyuan,WANG Qin.Research on a novel automatic current-sharing technique for parallel DC/DC converter[J].Application of Electronic Technique,2016,42(5):135-138.

[12] 尹鹏,李良光,陈兆权.矿用锂电池组并联均流电路的设计[J].电源技术,2013,37(2):206-208.

YIN Peng,LI Liangguang,CHEN Zhaoquan.Parallel current-sharing circuit design for mine lithium batteries[J].Chinese Journal of Power Sources,2013, 37(2):206-208.

[13] 肖林京,常龙,张瑞雪,等.煤矿避难硐室锂离子蓄电池后备电源系统设计[J].煤炭科学技术,2014,42(7):73-77.

XIAO Linjing,CHANG Long,ZHANG Ruixue,et al.Design on lithium-ion battery backup power system in coal mine refuge chamber[J].Coal Science and Tecnology,2014,42(7):73-77.

[14] 王玲,吴涛,李志忠.井下UPS并联供电系统无差拍环流抑制方法[J].工矿自动化,2016,42(6):70-74.

WANG Ling,WU Tao,LI Zhizhong.Dead-beat circulating current suppression method of underground UPS paralleling power supply system[J].Industry and Mine Automation,2016,42(6):70-74.

[15] 王琼,李跃峰.电池组并联环流抑制方法的研究[J].电源技术,2017,41(1):44-45.

WANG Qiong,LI Yuefeng.Study of restraining circulating current in battery pack of parallel[J].Chinese Journal of Power Sources,2017,41(1):44-45.

[16] 滕力,李媛媛,陈少棠,等.基于能量转换策略的锂电池组均衡技术研究[J].电源技术,2020,44(1):45-47.

TENG Li,LI Yuanyuan,CHEN Shaotang,et al.Research on lithium battery pack equalization technology based on energy conversion strategy[J].Chinese Journal of Power Sources,2020,44(1):45-47.

[17] 李冰晶.煤矿用锂离子蓄电池设计及保护[J].煤炭与化工,2019,42(5):91-93.

LI Bingjing.Design and protection of lithium ion battery for coal mine[J].Coal and Chemical Industry,2019,42(5):91-93.

Design of current sharing system for mine explosion-proof lithium power supply

LI Qiwei1,2,3, CHEN Wei1,2,3, ZHANG Jian1,2,3, SHAO Tiantian1,2,3

(1.CCTEG China Coal Research Institute, Beijing 100013, China;2.State Key Laboratory of Coal Mining and Clean Utilization, Beijing 100013, China;3.Beijing Engineering and Research Center of Mine Safe, Beijing 100013, China)

AbstractIn order to solve the problem of uneven discharge current when multiple mine explosion-proof lithium power supplies are used in parallel, a current sharing system for mine explosion-proof lithium power supply is designed. The system is composed of several explosion-proof lithium power supplies connected in parallel. The explosion-proof lithium power supplies adopt 166 60 A·h lithium iron phosphate batteries connected in series in the explosion-proof cavity. The digital current sharing strategy based on the average current is adopted, the current sharing controller is used as the current adjustment component, and the double closed-loop control is adopted. The inner loop of the system is a current loop, and the outer loop is a voltage loop. A current sharing compensation is added to the voltage loop. The current sharing control is realized through voltage deviation signal and current sharing compensation signal. The test results show that after the current sharing system is adopted, the current sharing unbalance degree is 1%~2% when the total load current is 20 A, and the current sharing unbalance degree is kept within 1% when the total load current is greater than 30 A. Compared with the power supply without current sharing strategy, the parallel current sharing effect of power supplies using digital current sharing strategy is better and the power supply reliability is higher.

Key words:explosion-proof lithium power supply; parallel network; current sharing strategy; parallel equalized discharge current; current sharing controller; current sharing compensation; double closed loop control

中图分类号:TD611

文献标志码:A

扫码移动阅读

文章编号1671-251X(2021)12-0013-06

DOI:10.13272/j.issn.1671-251x.2021110006

收稿日期:2021-11-02;

修回日期:2021-12-07;

责任编辑:胡娴,郑海霞。

基金项目:煤炭科学技术研究院有限公司科技发展基金项目(2020CX-I-09);天地科技股份有限公司科技创新创业资金专项项目(2021-TD-MS003)。

作者简介:李起伟(1983-),男,河北邯郸人,副研究员,硕士,现主要从事煤矿安全监控系统研发工作,E-mail:liqiwei@ccrise.cn。

引用格式:李起伟,陈伟,张健,等.矿用防爆锂电源均流系统设计[J].工矿自动化,2021,47(12):13-18.

LI Qiwei,CHEN Wei,ZHANG Jian,et al.Design of current sharing system for mine explosion-proof lithium power supply[J].Industry and Mine Automation,2021,47(12):13-18.