矿井延时震源同步采集装置设计

崔伟雄

(中煤科工集团西安研究院有限公司,陕西 西安 710077)

摘要在矿井地震勘探工程中,炸药震源从通电到爆炸存在一定的时间延迟,这一延迟时间直接影响矿井地震资料处理及勘探成果的准确性。为保证煤矿井下数据采集时间精度,设计了矿井延时震源同步采集装置。当发爆器起爆时,发爆器起爆电雷管发出的高压电流通过电流互感器作用产生感应电流,通过整形电路将感应电流信号转换成矿用节点式地震仪能够识别的电压脉冲信号,同时近场震动拾震器接收炸药延时起爆产生的震动信号并传输给地震采集分站;地震采集分站以震动信号时间和脉冲信号时间作为地震数据同步时间的识别依据,从而获得震源爆炸的精确延迟时间;校正数据采集过程中单炮的延迟时间,可提高地震采集系统的同步精度。结构设计方面,采用穿心式电流互感技术实现了无源电路的设计,有效地解决了爆破母线与同步采集装置连接问题;通过锚杆连接孔将同步采集装置快速安装固定于炮孔附近的锚杆上,既解决了同步采集装置在炮孔附近就近安装的问题,又可方便、快捷、精准地接收近场地震冲击波。测试结果表明,同步采集装置可在10 μs内完成触发,触发信号幅度约为2.5 V,持续时间约为30 ms,性能指标达到了地震波勘探同步采集设备的要求。

关键词矿井地震勘探;延时震源;同步数据采集;延迟校正;近场震动拾震器;矿用节点式地震仪

0 引言

在煤矿井下地震勘探中,通常使用发爆器产生高电压来起爆预埋在浅孔中的电雷管及炸药,从而产生人工震源,激发地震波进行构造探测。保证炸药震源爆炸时间与开始数据采集的时间一致是地震数据采集中极为重要的工作之一[1-2],两者能否准确同步,直接影响矿井地震勘探资料的后续处理效果和解释精度,进而对矿井地震勘探成果的准确性造成影响[3-4]

现有的炸药震源同步触发方式主要分为3种:① 常规地面地震勘探采用的触发器方式,存在误触发、不触发或不同步的现象,并且触发器不是本质安全型,无法在煤矿井下使用[5]。② 利用炸药爆炸时炸断触发线缆的方式取得触发信号,可能存在触发线缆未炸断或炸断时因延时导致不触发或不同步现象[6]。③ 通过电磁感应、光电效应等方式取得发爆器起爆同步感应信号[7-8],实现同步数据采集,对于地面地震勘探专用瞬发电雷管,其同步精度较高,但不适用于井下环境。

按照《煤矿安全规程》,在采掘工作面进行爆破作业时,必须使用煤矿许用瞬发电雷管或煤矿许用毫秒延期电雷管[9-10]。在矿井条件下,电雷管从通电到起爆的延时长短不同。不同电雷管之间的延时时差将会直接影响矿井地震勘探数据采集时间的同步性和一致性。现有同步触发方式只记录或感应发爆器起爆电雷管的时刻,未考虑不同电雷管从通电到起爆炸药的延时时差,很难保证矿井地震勘探数据采集时刻与炸药爆炸时刻的精准同步,不能根本解决延时炸药震源数据同步采集问题。因此,需要研究适用于延时炸药震源的同步采集装置或方法,为矿井地震连续数据采集系统提供准确的时间。

本文在感应式同步触发方式的基础上,分析了现有装置产生同步时差的原因,设计了矿井延时震源同步采集装置。利用矿用节点式地震仪精准的时间记录能力[11],在炮孔附近放置参考道,将近场震动拾震器引入同步采集装置,实现发爆器脉冲电信号和炸药起爆信号的准确记录,校正数据采集过程中单炮的延迟时间,提高了矿井地震勘探数据采集的准确性。

1 同步时差的产生

我国煤矿许用瞬发电雷管从通电到起爆的时间间隔一般为10 ms,但每个电雷管的具体延迟时间无法确定。一些特殊矿井(存在瓦斯或煤尘爆炸危险的采掘工作面)使用煤矿许用毫秒延期电雷管进行爆破作业[12],毫秒延期电雷管在通入足够的电流后延迟若干毫秒爆炸。这种电雷管根据延时长短分5段,相邻段时间间隔约为25 ms,见表1。若同段使用,最大延时时差为30 ms;若跨段使用,则最大延时时差为125 ms。跨段使用的延时时差越大,对矿井地震数据采集精度的影响也越大。

表1 毫秒延期电雷管参数

Table 1 Parameters of millisecond delay detonator ms

段别标称延时最短延时最长延时同段时差1<1301313225±10153520350±10406020475±156590255110±159512530

无论是使用矿用瞬发电雷管还是矿用毫秒延期电雷管,不同电雷管从通电到起爆炸药的延时时差均不同,导致矿井地震勘探数据采集时刻与炸药爆炸时刻不能精准同步,产生同步时差。在实际地震数据中,同步时差不仅会使直达波相对杂乱,同相轴的时间截距更是无法归零。通过数据处理虽然可在一定程度上减小误差,但由于数据采集设计上的先天不足,导致矿井地震勘探采集的原始数据不精确。

2 同步采集装置原理及流程

2.1 装置原理

同步采集装置由整形电路、电流互感器和近场震动拾震器组成,如图1所示。将爆破母线的任意一条导线穿过电流互感器磁环内孔后引出同步采集装置,爆破母线的一端连接起爆药卷,另一端与发爆器相连形成起爆网路。为了记录电雷管起爆炸药的延迟时间,将同步采集装置与1台矿用节点式地震仪连接[13-14]。利用矿用节点式地震仪的数据连续采集功能和恒温晶振的精准守时功能,记录电雷管触发和炸药延时爆炸的波形,进而计算震源起爆的延迟时间。

图1 同步采集装置原理

Fig.1 Principle of synchronous acquisition device

2.2 同步流程

当发爆器起爆时,发爆器起爆电雷管发出的高压电流通过电流互感器作用产生感应电流,再通过整形电路将感应电流信号转换成矿用节点式地震仪能够识别的电压脉冲信号,同时近场震动拾震器接收炸药延时起爆产生的震动信号并传输给地震采集分站。地震采集分站以震动信号时间和脉冲信号时间作为地震数据同步时间的识别依据,单独使用任一种信号,均会影响地震数据同步采集的可靠性和精度。

同步采集装置流程如图2所示。其中,t为时间变量,Δt为扫描步长,Δt可与单炮地震记录的长度一致。

图2 同步采集装置流程

Fig.2 Flow of synchronous acquisition device

从地震采集分站中提取微秒级别的脉冲触发时刻Ti(i=0,1,…,n,n为同步采集装置记录的总炮数),进而得到Ti对应的真实炸药爆炸(数据开始采集)时刻T0i。利用T0i从矿井地震采集链中提取相应的单炮记录。将同步采集装置应用于分布式地震采集系统时,仅需计算电雷管延时ΔTi

ΔTi=T0i-Ti

(1)

利用式(1)对原始单炮进行延时校正就可以将实际采集的数据修正为精确无延时的地震记录。

3 同步采集装置设计

3.1 结构设计

同步采集装置需要放置在炮点附近使用,因此,要求外壳结实,安装便捷。同步采集装置主要包括锚杆连接孔、近场震动拾震器及固定腔体、整形电路板和同步信号电缆等,如图3所示。

(a)俯视图

(b)左视图

1—蝶形螺丝紧固件;2—锚杆连接孔;3-近场震动拾震器及固定腔体;4—机壳;5—整形电路板;6-电流互感器及穿线孔;7—同步信号电缆。

图3 同步采集装置结构

Fig.3 Structure of synchronous acquisition device

锚杆连接孔截面为直径27 mm的圆形,开孔深度为20 mm,用于将同步采集装置固定在炮点附近的锚杆头上,通过蝶形螺丝使开孔侧与锚杆紧固耦接。这种安装方式充分利用锚杆在巷道中均匀分布的特点,既能解决就近安装的问题,又可方便、快捷、精准地接收炸药爆炸产生的冲击波信号。近场震动拾震器腔体紧邻锚杆连接孔,用于接收近场爆破震动,其连接到整形电路后由RTV-133硫化硅橡胶胶封。近场震动拾震器内置于同步采集装置的坚硬机壳,可降低炸药震源附近爆破飞散物对近场震动拾震器的破坏,提高震动信号接收的可靠性和质量。机壳的材料为尼龙,外表面采用防静电喷漆工艺处理。机壳外壁上设置穿线孔,用于连通电流互感器磁环,使用时爆破母线穿过该孔形成脉冲电流互感器的一次绕组,分别连接发爆器和起爆药卷。同步信号电缆一端与整形电路及近场震动拾震器连接,另一端通过连接插头与矿用节点式地震仪连接。

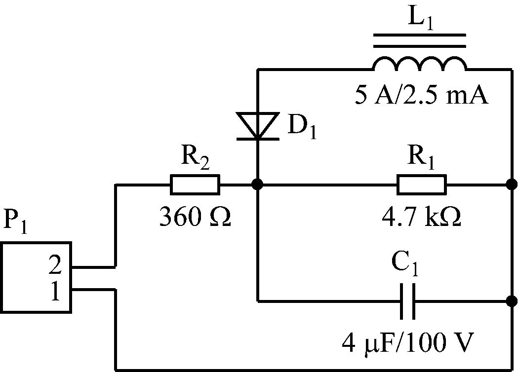
3.2 整形电路设计

发爆器在爆破母线上产生高压脉冲电流信号,其供电时间约为4 ms,最大输出电流为5 A,脉冲电压峰值为2 000~2 800 V,而矿用节点式地震仪只可采集-2.5~+2.5 V的低压时变信号,不能直接接收发爆器产生的高压信号,因此,同步采集装置需要对高电压进行隔离并转换成矿用地震仪能够识别的低压短时脉冲信号。

整形电路如图4所示。为了适应煤矿井下环境,同时规避安全隐患,采用穿心式电流互感技术隔离磁环线圈和放炮母线。爆破母线穿过电流互感器的内环形成1匝的一次绕组,二次绕组采用多层平绕线形式内置于环状铁氧体磁芯内部。选择高灵敏度的电流互感器以保证较好的电流传变及限幅特性,整形电路中电流互感一端连接快速整流二极管D1,另一端并联电阻R1和直插式电容C1,快速整流二极管D1、电阻R1、直插式电容C1的另一端通过电阻R2连接接线端子P1

图4 整形电路

Fig.4 Shaping circuit

爆破母线穿过电流互感器L1,当爆破母线中有脉冲电流通过时,电流互感器的两端会产生感应电流;感应电流通过电容C1和电阻R1后形成振荡电流,通过接线端子P1就可以检测到电阻R2上的电压变化。为方便数据处理,爆破母线连接到同步采集装置时不需要区分正负极。快速整流二极管D1隔离了电流互感器L1感应到C1上的电流,使C1和R1形成单独的电流回路。电容C1通过电阻R1进行放电,放电时间约为30 ms。放电期间,由电阻R2对P1端输出的脉冲电压信号进行限流,使其电压变化范围保持在矿用节点式地震仪能够识别的安全区间。

矿用节点式地震仪记录的同步脉冲信号波形如图5所示。从图5可看出,电路产生的触发信号幅度约为2.5 V,在矿用节点式地震仪的输入电压范围(-2.5~2.5 V)内。通过隔离高压脉冲电流,提高了装置的稳定性和使用寿命。通过波形分析及仪器测定[15]得出,该同步采集装置可在10 μs内快速触发,触发持续时间约为30 ms,可满足矿井地震勘探对同步采集设备的要求。

图5 整形后的同步脉冲信号波形

Fig.5 Waveform of synchronous pulse signal after shaping

4 性能测试

在煤矿井下槽波地震探测中测试同步采集装置的精度及可靠性。使用第2段矿用毫秒延期电雷管制作起爆药卷,将同步采集装置安装在炮孔附近的任意一根锚杆上,通过同步信号电缆与一台矿用节点式地震仪连接。同步采集装置向矿用节点式地震仪输出发爆器起爆电雷管及炸药爆炸的信号。通过对比矿井地震数据中接收到的这2个时间信号,评价同步采集装置的时间同步效果。

地震采集分站实际记录的2个延时炸药震源爆炸后的波形如图6所示,其中1、2道为激发点1的波形,3、4道为激发点2的波形。通过地震数据处理软件将发爆器起爆电雷管的时刻对齐到10 ms,电雷管延时起爆炸药的时间分别为45 ms和33.75 ms,电雷管间的延时差为11.25 ms。该时间为第2段毫秒延期电雷管的段内延迟起爆误差。用同步采集装置获取的震源延迟时间校正矿井地震单炮数据的采集时刻,可以消除毫秒延期电雷管的同步采集误差,提高矿井地震勘探采集数据时间的精确性。

图6 延时炸药震源爆炸后的波形

Fig.6 Waveforms after the detonation of the delayed explosive sources

5 结论

(1)分析了矿井地震勘探震源延迟引起的数据采集不同步的问题,将近场震动拾震器引入同步采集装置,获得了震源爆炸的精确延迟时间,提高了地震采集系统的同步精度。

(2)结构设计方面,将同步采集装置内置于坚固机壳,避免了炸药震源附近爆破飞散物对近场震动拾震器的破坏,提高了近场震动拾震器的可靠性。采用穿心式电流互感技术实现了无源电路的设计,有效地解决了爆破母线与同步采集装置连接问题,施工人员可在安全区域起爆炸药震源。通过锚杆连接孔将同步采集装置快速安装固定于炮孔附近的锚杆上,充分利用了矿井巷道锚杆批量均匀分布的特点,既解决了同步采集装置在炮孔附近就近安装的问题,又可方便、快捷、精准地接收近场地震冲击波。

(3)同步采集装置精度及可靠性测试结果表明,整形电路可在10 μs内完成触发,触发信号幅度约为2.5 V,持续时间约为30 ms,性能指标达到了地震波勘探同步采集设备的要求。

参考文献(References):

[1] 程建远,王盼,吴海,等.地震勘探仪的发展历程与趋势[J].煤炭科学技术,2013,41(1):30-35.

CHENG Jianyuan,WANG Pan,WU Hai,et al.Progress and development tendency of seismic exploration instrument[J].Coal Science and Technology,2013,41(1):30-35.

[2] 黄三,张法全,叶金才,等.分布式槽波地震数据同步采集系统设计[J].工矿自动化,2017,43(3):1-6.

HUANG San,ZHANG Faquan,YE Jincai,et al.Design of distributed synchronous acquisition system of seam seismic data[J].Industry and Mine Automation,2017,43(3):1-6.

[3] 许振浩,李术才,张庆松,等.组合爆破法TSP超前地质预报研究[J].山东大学学报(工学版),2009,39(4):45-49.

XU Zhenhao,LI Shucai,ZHANG Qingsong,et al.Studies on combined blasting method of the TSP advanced geological prediction[J].Journal of Shandong University(Engineering Science),2009,39(4):45-49.

[4] 宋志翔,苏凌,酬正兰.数字地震仪精确时间同步的实现方法[J].石油仪器,2011,25(2):24-26.

SONG Zhixiang,SU Ling,CHOU Zhenglan.The method of precision time synchronism for digital seismic recording systems[J].Petroleum Instruments,2011,25(2):24-26.

[5] 吴海.防爆无缆遥测地震仪在煤矿槽波勘探中的应用[J].煤田地质与勘探,2014,42(4):86-89.

WU Hai.Application of explosion-proof telemetry seismograph used in channel wave exploration[J].Coal Geology & Exploration,2014,42(4):86-89.

[6] 吉林大学.多种类型地震震源兼容同步装置及同步方法:CN103605153A[P].2014-02-26.

Jilin University.Multi-type earthquake source compatible synchronization device and synchronization method:CN103605153A[P].2014-02-26.

[7] 珠海国勘仪器有限公司.一种无线传输地震仪远距离无线触发装置:CN207067416U[P].2018-03-02.

Zhuhai Guokan Instrument Co.,Ltd.A long-distance wireless trigger device for a wireless transmission seismograph:CN207067416U[P].2018-03-02.

[8] 长江大学.一种用于矿井地震勘测法的本质安全型震源发爆同步触发装置:CN108802809A[P].2018-11-13.

Yangtze University.An intrinsically safe seismic source blasting synchronous trigger device for mine seismic surveying:CN108802809A[P].2018-11-13.

[9] 国家安全生产监督管理总局,国家煤矿安全监察局.煤矿安全规程[M].北京:煤炭工业出版社,2016.

State Administration of Work Safety,National Coal Mine Safety Administration.Coal Mine Safety Regulations[M].Beijing:China Coal Industry Publishing House,2016.

[10] 游雪峰,文玉梅,李平.以太网分布式数据采集同步和实时传输研究[J].仪器仪表学报,2006,27(4):384-388.

YOU Xuefeng,WEN Yumei,LI Ping.Study on the synchronization of distributed data acquisition and real-time transmission based on Ethernet[J].Chinese Journal of Scientific Instrument,2006,27(4):384-388.

[11] 吴海.基于ARM技术的矿井自记式地震仪[J].煤田地质与勘探,2013,41(4):81-84.

WU Hai.Development of self-recording seismograph based on ARM technique[J].Coal Geology & Exploration,2013,41(4):81-84.

[12] 宫浩,王有杰,程海,等.矿井地震勘探仪器系统的研制[J].煤炭技术,2014,33(8):302-305.

GONG Hao,WANG Youjie,CHENG Hai,et al.Development of mine seismic exploration system[J].Coal Technology,2014,33(8):302-305.

[13] 易碧金.采用定时采集技术实现多台地震仪器联合施工[J].物探装备,2012,22(2):71-74.

YI Bijin.Integral time triggering technology to realize synchronization seismic data acquisition with multi-set seismic instrument[J].Equipment for Geophysical Prospecting,2012,22(2):71-74.

[14] 高游,林君,于生宝,等.一种勘探瞬发电雷管起爆延时的高精度测试方法[J].爆破器材,2004,33(3):1-4.

GAO You,LIN Jun,YU Shengbao,et al.A precise measuring method applicable to blasting delay time for instantaneous detonator using in seismo-technique[J].Explosive Materials,2004,33(3):1-4.

[15] 王莹.基于异构无线网络的地震勘探震源同步控制系统开发[D].济南:山东大学,2019.

WANG Ying.Development of seismic source synchronous control system for seismic exploration based on heterogeneous wireless networks[D].Jinan:Shangdong University,2019.

Design of synchronous acquisition device for mine delayed seismic source

CUI Weixiong

(Xi'an Research Institute of China Coal Technology and Engineering Group, Xi'an 710077, China)

Abstract:In mine seismic exploration, there is a certain time delay from the power-on to the explosion of the explosive source.This delay time directly affects the accuracy of mine seismic data processing and exploration results.In order to ensure the time accuracy of data acquisition in coal mines, a synchronous acquisition device for mine delayed seismic source is designed.When the detonator initiates, the high voltage current from the detonator produces an induced current through the current transformer.The induced current signal is converted into a voltage pulse signal that can be recognized by the nodal seismograph through the pulse shaping circuit.The near-field vibration pickup receives the vibration signal generated by the delayed detonation of the explosion and transmits it to the seismic acquisition substation.The seismic acquisition substation uses the vibration signal time and pulse signal time as the identification basis for the synchronous time of seismic data so as to obtain the accurate delay time of the seismic source explosion.Correcting the delay time of a single explosion in the data acquisition process can improve the synchronous accuracy of the seismic acquisition system.In terms of structure design, the design of passive circuit is obtained by adopting the core-structured current mutual inductance technology, so as to effectively solve the problem of connecting the leading wire with the synchronous acquisition device.The synchronous acquisition device is quickly installed and fixed on the anchor rod near the blast hole through the anchor rod connection hole.This method not only solves the problem of installing the synchronous acquisition device near the blast hole, but also receives the near-field seismic shock wave conveniently, quickly and accurately.The test results show that the synchronous acquisition device can be triggered within 10 μs, the trigger signal amplitude is about 2.5 V, the duration is about 30 ms, and the performance index meets the requirements of the synchronous acquisition device for seismic wave exploration.

Key words:mine seismic exploration; time-delayed seismic source; synchronous data acquisition; delay correction; near-field vibration pickup; mine-used nodal seismograph

中图分类号:TD235.22

文献标志码:A

收稿日期:2020-07-18;修回日期:2020-12-21;责任编辑:胡娴。

基金项目:国家重点研发计划资助项目(2018YFC0807804);国家自然科学基金资助项目(41974209);陕西省自然科学基金资助项目(2020JM-714)。

作者简介:崔伟雄(1986-),男,山西兴县人,助理研究员,现主要从事矿井地震技术研究工作,E-mail:cabo0415@163.com。

引用格式:崔伟雄.矿井延时震源同步采集装置设计[J].工矿自动化,2021,47(1):107-111.

CUI Weixiong.Design of synchronous acquisition device for mine delayed seismic source[J].Industry and Mine Automation,2021,47(1):107-111.

文章编号1671-251X(2021)01-0107-06

DOI:10.13272/j.issn.1671-251x.2020070064