一种矿用超宽输入电压范围自适应电源

林引1,2, 孟小红1,2, 刘亚辉1,2

(1.瓦斯灾害监控与应急技术国家重点实验室, 重庆 400037;2.中煤科工集团重庆研究院有限公司, 重庆 400039)

摘要针对现有矿用电源存在取电不便、体积大、抗波动能力差、电路复杂、成本高等问题,设计了一种矿用超宽输入电压范围自适应电源。该电源采用输入串联型反激变换器,可降低功率开关管的电压应力,将超宽输入电压转换为稳定的直流电压。试验结果表明,在输入电压为AC85~900 V时,电源输出电压最大误差仅为1.1%,纹波电压不超过139 mV,效率高达87.4%;绝缘耐压试验中漏电流不大于1.53 mA,绝缘电阻不小于50 MΩ,满足GB 3836.4—2010《爆炸性环境 第4部分:由本质安全型“i”保护的设备》中防爆要求。

关键词矿用电源; 自适应电源; 超宽输入电压范围; 输入串联型反激变换器

0 引言

矿用电源是矿井监控、通信、人员定位等系统中的主要配套设备,其可靠性是影响系统稳定运行的重要因素。目前使用较多的矿用电源主要有2种:① 单一输入电压等级的矿用电源,其输入电压范围较窄(一般为AC85~265 V),然而煤矿井下电压等级多,取电十分不便[1-3]。② 多输入电压等级的矿用电源,其采用工频变压器加抽头方式[4-5],可实现输入电压等级的切换和隔离,但存在冲击电流大、效率低、抗波动能力差、体积大等缺点。

宽输入电压范围电源将高频脉宽调制技术与高频变压器相结合[6-8],具有效率高、体积小等优点,是矿用电源的发展方向。文献[9]介绍了一种基于全控桥移相整流技术的AC80~830 V输入自适应电源;文献[10]采用Buck拓扑与反激拓扑相结合的方式,设计了一款AC80~900 V宽输入电压范围电源;文献[11]介绍了一种基于三电平变换器的AC95~825 V宽输入电压范围开关电源。但上述电源存在电路复杂、成本高等缺点,且高输入电压下功率开关管承受高电压应力,容易造成功率开关管损坏,影响电源稳定性。本文提出了一种矿用超宽输入电压范围自适应电源设计方案,采用功率开关管串联方式来降低功率开关管电压应力,具有电路简单、成本低、安全性高等优点。

1 电源设计指标

为兼容煤矿常用的AC127/220/380/660 V电压等级并考虑输入电压的波动,确定矿用超宽输入电压范围自适应电源的输入电压为AC85~900 V。考虑到电源负载一般为本质安全设备,所需功率相对较小,确定电源输出功率为36 W,输出电压为DC24 V。

2 电源设计方案

矿用超宽输入电压范围自适应电源主要由整流滤波电路、输入串联型反激变换器、辅助电源电路、脉冲驱动电路及反馈控制电路组成,如图1所示。

图1 矿用超宽输入电压范围自适应电源组成
Fig.1 Composition of mine-used adaptive power supply with super wide input voltage range

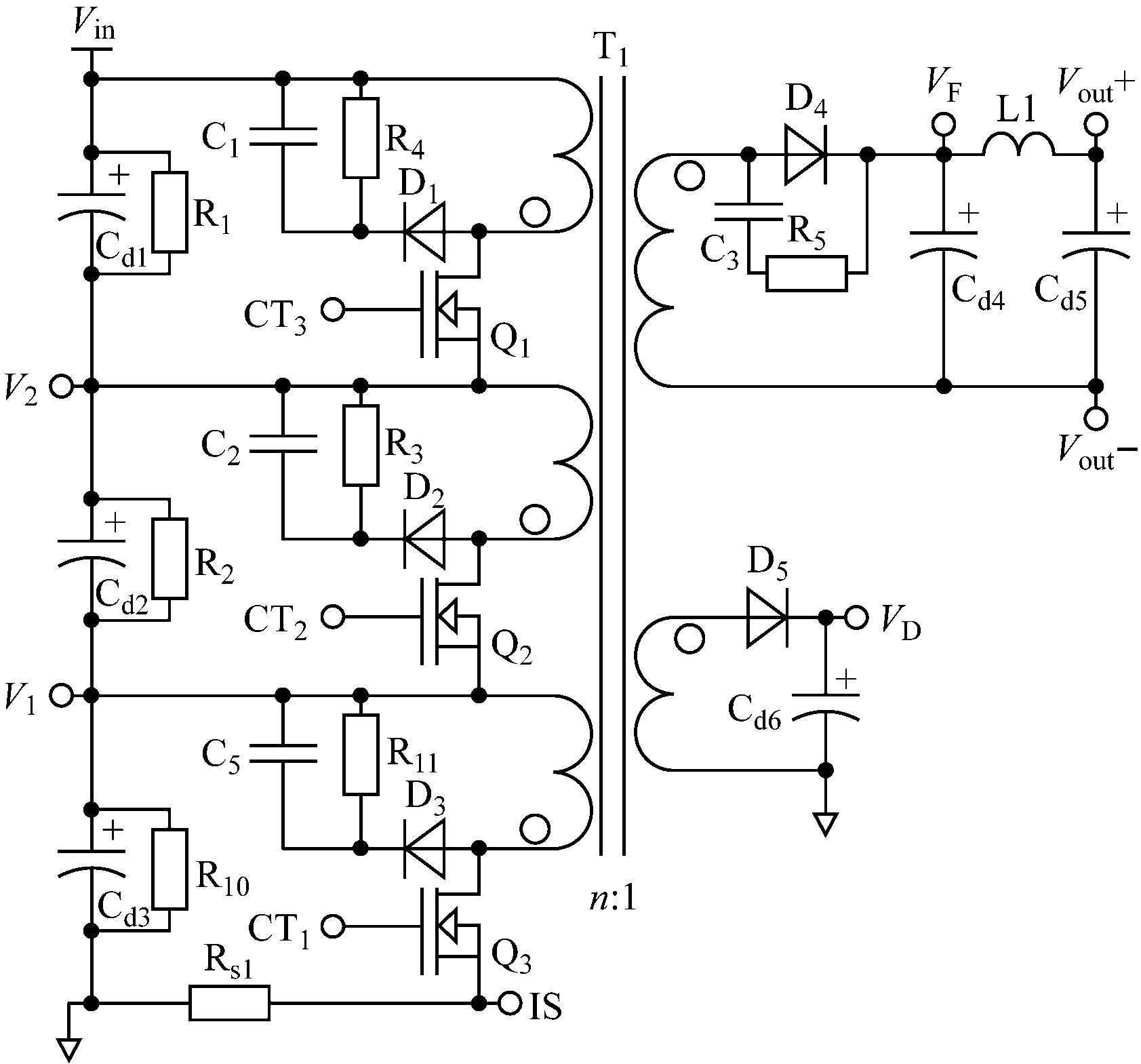
2.1 输入串联型反激变换器

输入串联型反激变换器如图2所示。最高交流输入电压经整流后的直流电压达1 260 V,而常规的功率开关管耐压值为DC600~800 V,因此采用功率开关管串联方式[12-14],使每个功率开关管在断开状态时所承受的电压应力被3个均压电容Cd1,Cd2,Cd3有效钳制在输入电压的1/3,从而实现高输入电压的直流变换。电路工作原理:功率开关管Q1,Q2,Q3同时导通期间,变压器T1存储能量,输出二极管D4反向截止,由输出电容Cd4向负载供电;功率开关管Q1,Q2,Q3同时截止期间,变压器T1将存储的能量通过输出二极管D4向输出电容Cd4充电和负载供电。根据变压器的伏秒平衡原理[15],输出电压为

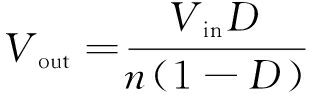
(1)

式中:Vin为输入电压;D为占空比;n为变压器绕组比。

图2 输入串联型反激变换器
Fig.2 Input-series flyback converter

2.2 反馈控制电路

反馈控制电路如图3所示。主控芯片U1采用高集成度PWM控制器NCP1253,其在轻载条件下可降频,仅需增加1个补偿电阻即可解决次谐波振荡问题。由可控精密稳压源U3、反馈电阻R8和R9、光耦U2A和U2B、偏置电阻R6、电容C4等组成电压反馈电路,通过调整电阻R8和R9的比值可确定输出电压,通过调整电阻R6和电容C4可实现电源环路稳定性。

图3 反馈控制电路
Fig.3 Feedback control circuit

2.3 脉冲驱动电路

功率开关管Q1,Q2,Q3的开关一致性是保证电源可靠性的关键,因此设计了3路脉冲驱动电路,如图4所示。电阻R13、二极管D6、三极管Q4和三极管Q5组成图腾柱驱动电路以扩展主控芯片U1的驱动能力。单路脉冲驱动电路工作原理:驱动信号正向时,正电压经电容C8和二极管D12加到功率开关管的栅源级充电,功率开关管导通,电容C11辅助加速三极管Q6截止;驱动信号反向时,电容C8中的电量通过二极管D9和限流电阻R15快速放电,同时电容C11辅助加速三极管Q6导通,功率开关管的栅源级放电,功率开关管截止。

图4 脉冲驱动电路
Fig.4 Pulse drive circuit

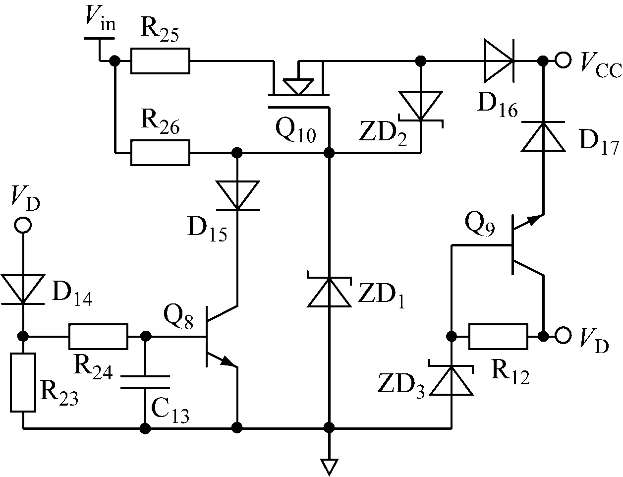
2.4 辅助电源电路

为提高电源效率,设计了如图5所示的辅助电源电路。其工作原理:电源启动时电压通过电阻R25、开关管Q10、二极管D16为主控芯片U1供电,正常运行后由变压器辅助绕组通过三极管Q9、二极管D17为主控芯片U1和驱动电路供电,同时通过二极管D14、电阻R24、三极管Q8和二极管D15关闭开关管Q10,达到降低功耗的目的。

图5 辅助电源电路
Fig.5 Auxiliary power circuit

2.5 变压器

变压器是电源中的关键部件,其绕组参数及绕制工艺将影响电源的稳定性、效率和绝缘性。

对于反激变换器,当输入电压由低压向高压变化时,其工作模式将从连续模式过渡到断续模式。对于2种模式,均在最恶劣条件(最低输入电压和满载)下设计变压器的输入绕组电感:

(2)

式中:Vinmin为输入电压最小值;Dmax为最大占空比;Pin为输入功率;f为变压器工作频率;Ki为电流纹波系数。

流过输入绕组的平均电流Iav和电流峰值Ipk

(3)

Ipk=Iav(1+2Ki)

(4)

输入绕组匝数为

(5)

式中:ΔB为磁芯变化磁通;Ae为磁芯横截面积。

输出绕组和辅助绕组匝数为

(6)

式中:Vox为输出绕组和辅助绕组的输出电压;Vor为输入绕组反射电压。

通过式(2)—式(6)计算出变压器的输入绕组电感为1.33 mH、输入绕组96圈、输出绕组18圈、辅助绕组16圈。

为提高变压器的绝缘性能,在输入绕组与输出绕组间增加一定厚度的挡墙,输出绕组采用3层绝缘线,且输入绕组与输出绕组间增加多层电气绝缘胶带,每层胶带覆盖从骨架的一侧边缘至另一侧边缘的整个骨架宽度,同时在进出引线上使用一定厚度的绝缘套管。为保证变压器的安全性能,输入绕组与输出绕组分开布线,绕组之间有铜质屏蔽层并接地,且绕组之间的屏蔽铜箔最小厚度为0.1 mm。

3 试验结果

在输入电压分别为AC85,900 V且满载条件下,变压器输入绕组电流波形如图6(a)和图6(b)所示;在输入电压为AC900 V且满载条件下,功率开关管电压波形如图6(c)所示。可看出在低压和高压输入情况下,变压器输入绕组均未出现饱和现象;在高压输入情况下,功率开关管的峰值电压为516 V,小于开关管的耐压值(800 V),且功率开关管的开关一致性好。

以AC1 000 V可调变压器作为输入,输出接36 W额定负载,电源常规性能测试结果见表1,绝缘耐压测试结果见表2。

从表1可看出,在AC85~900 V输入电压波动范围内,电源输出电压的最大误差仅为1.1%,纹波电压不超过139 mV,效率高达87.4%。从表2可看出,漏电流不大于1.53 mA,绝缘电阻不小于50 MΩ,满足GB 3836.4—2010《爆炸性环境 第4部分:由本质安全型“i”保护的设备》中漏电流不超过5 mA、绝缘电阻不小于50 MΩ的要求。

4 结语

矿用超宽输入电压范围自适应电源采用输入串联型反激变换器以降低功率开关管的电压应力,在AC85~900 V输入电压波动范围内,输出电压稳定,纹波电压不超过139 mV,效率高达87.4%,同时具有可靠、安全的隔离性能,可应用于多输入电压等级的矿用中小功率电气设备。

(a) 输入电压为AC85 V时输入绕组电流波形

(b) 输入电压为AC900 V时输入绕组电流波形

(c) 输入电压为AC900 V时功率开关管电压波形

图6 关键部件测试结果
Fig.6 Test results of key components

表1 电源常规性能测试结果
Table 1 Test results of general performance of power supply

输入电压/V输入功率/W输出电压/V效率/%纹波电压/mV8544.724.1380.57212742.424.2384.96822041.224.2087.48438041.224.2787.310066041.624.1286.613290042.824.1084.1139

表2 电源绝缘耐压测试结果
Table 2 Test results of insulation withstand voltage of power supply

测试项目测试条件漏电流/mA绝缘电阻/MΩ输入对输出AC4 kV,持续60 s0.82≥50输入对外壳AC4 kV,持续60 s1.53≥50输出对外壳AC0.5 kV,持续60 s0.37≥50

参考文献:

[1] 黄鹤松,陈曦,田成金,等.一种高性能矿用本质安全型电源设计[J].工矿自动化,2019,45(2):18-23.

HUANG Hesong,CHEN Xi,TIAN Chengjin,et al.Design of a high-performance mine-used intrinsically safe power supply[J].Industry and Mine Automation,2019,45(2):18-23.

[2] 田小超,王小龙,王博,等.矿用多路隔爆兼本质安全型线性电源设计与研究[J].煤炭技术,2018,37(3):235-236.

TIAN Xiaochao,WANG Xiaolong,WANG Bo,et al.Design and research of multiple flameproof and intrinsically safe linear power supply[J].Coal Technology,2018,37(3):235-236.

[3] 罗伟.基于NCP1207的矿用多路输出本安电源的设计与优化[D].太原:太原理工大学,2018.

LUO Wei.Design and optimization of multiplexed output intrinsically safe power supply for coal mine based on NCP1207[D].Taiyuan:Taiyuan University of Technology,2018.

[4] 李祥和.工频变压器冲击电流抑制电路的设计[J].矿业安全与环保,2018,45(4):63-65.

LI Xianghe.Design of impulse current suppression circuit for power frequency transformer[J].Mining Safety & Environmental Protection,2018,45(4):63-65.

[5] 林引.一种矿用开关电源设计[J].工矿自动化,2018,44(2):95-99.

LIN Yin.Design of a mine-used switching power supply[J].Industry and Mine Automation,2018,44(2):95-99.

[6] 郭津,马皓.超宽输入电压范围准谐振反激式电源的设计[J].电力电子技术,2011,45(11):23-25.

GUO Jin,MA Hao.Design of the super wide input voltage range quasi-resonant flyback power supply[J].Power Electronics,2011,45(11):23-25.

[7] 刘宁,王友欢,夏东伟.超宽输入范围反激辅助电源设计[J].电源学报,2014,12(5):92-96.

LIU Ning,WANG Youhuan,XIA Dongwei.Design of the super wide input voltage range flyback power supply[J].Journal of Power Supply,2014,12(5):92-96.

[8] 胡亮灯,孙驰,赵治华,等.高电压宽范围输入低电压输出的DC-DC辅助电源设计[J].电工技术学报,2015,30(3):103-114.

HU Liangdeng,SUN Chi,ZHAO Zhihua,et al.Design of wide-range high voltage input low voltage output DC-DC auxiliary power supply[J].Transactions of China Electrotechnical Society,2015,30(3):103-114.

[9] 游青山,孟小红,冉霞.矿井宽压输入自适应电源系统设计[J].工矿自动化,2013,39(7):11-14.

YOU Qingshan,MENG Xiaohong,RAN Xia.Design of mine adaptive power system with wide voltage input[J].Industry and Mine Automation,2013,39(7):11-14.

[10] 刘亚辉.矿用超宽输入电压范围电源设计[J].工矿自动化,2016,42(6):57-60.

LIU Yahui.Design of mine-used power supply with super wide input voltage range[J].Industry and Mine Automation,2016,42(6):57-60.

[11] 苏玉刚,周娅娜,唐春森,等.宽压开关电源的三电平变换器建模及控制[J].吉林大学学报(工学版),2014,44(6):1743-1749.

SU Yugang,ZHOU Yana,TANG Chunsen,et al.Modeling and control of a three-level converter for wide input voltage range switching power supply[J].Journal of Jilin University(Engineering and Technology Edition),2014,44(6):1743-1749.

[12] 方天治,朱恒伟,阮新波.模块化输入串联输出串联逆变器系统的控制策略[J].电工技术学报,2015,30(20):85-92.

FANG Tianzhi,ZHU Hengwei,RUAN Xinbo.Control strategy for modular input-series-output-series inverters system[J].Transactions of China Electrotechnical Society,2015,30(20):85-92.

[13] 方天治,阮新波,查春雷,等.输入串联输出串联逆变器系统的控制策略[J].中国电机工程学报,2009,29(27):22-28.

FANG Tianzhi,RUAN Xinbo,ZHA Chunlei,et al.Control strategy of input-series output-series inverters system[J].Proceedings of the CSEE,2009,29(27):22-28.

[14] 侯凯,卢文兵,姚建国,等.自适应IGBT串联均压电路设计[J].电力系统自动化,2012,36(8):61-65.

HOU Kai,LU Wenbing,YAO Jianguo,et al.An adaptive voltage-sharing circuit for serial-connected IGBTs[J].Automation of Electric Power Systems,2012,36(8):61-65.

[15] 朱宏,周慧龙,任亮亮,等.一种移相控制的三相双向DC-DC变换器[J].电工技术学报,2015,30(13):39-46.

ZHU Hong,ZHOU Huilong,REN Liangliang,et al.A three-phase bidirectional DC-DC converter based on phase shift control[J].Transactions of China Electrotechnical Society,2015,30(13):39-46.

A mine-used adaptive power supply with super wide input voltage range

LIN Yin1,2, MENG Xiaohong1,2, LIU Yahui1,2

(1.State Key Laboratory of Gas Disaster Monitoring and Emergency Technology, Chongqing 400037, China; 2.CCTEG Chongqing Research Institute, Chongqing 400039, China)

AbstractFor problems of existing mine-used power supply such as inconvenient access, large volume, poor anti-fluctuation ability, complex circuit and high cost, a mine-used adaptive power supply with super wide input voltage range was designed. The power supply adopts input-series flyback converter, which can reduce voltage stress of power switching tube and convert super wide input voltage into stable DC voltage. The test results show that when input voltage is AC85-900 V, the maximum error of power supply output voltage is only 1.1%, ripple voltage is not more than 139 mV, and efficiency is 87.4%. In test of insulation withstand voltage, leakage current is not more than 1.53 mA and insulation resistance is not less than 50 MΩ, which meet explosion-proof requirements of GB 3836.4-2010 Explosive atmospheres Part 4: Equipment protection by intrinsic safety "i".

Key words:mine-used power supply; adaptive power supply; super wide input voltage range; input-series flyback converter

中图分类号:TD60

文献标志码:A

文章编号1671-251X(2020)09-0083-05

DOI:10.13272/j.issn.1671-251x.2019110045

收稿日期:2019-11-19; 修回日期:2020-08-27; 责任编辑:盛男。

基金项目:重庆市技术创新与应用示范(社会民生类)一般项目(cstc2018jscx-msybX0154);天地科技股份有限公司科技创新创业资金专项项目(2019-TD-MS016)。

作者简介:林引(1979-),男,四川资中人,研究员,硕士,现主要从事电气防爆技术、安全监控系统、电子产品可靠性设计等研究工作,E-mail:idlinyn@163.com。

引用格式:林引,孟小红,刘亚辉.一种矿用超宽输入电压范围自适应电源[J].工矿自动化,2020,46(9):83-87.

LIN Yin,MENG Xiaohong,LIU Yahui.A mine-used adaptive power supply with super wide input voltage range[J].Industry and Mine Automation,2020,46(9):83-87.