用于矿井电网电压同步频率检测的改进型DSOGI-PLL

高正中1, 王亚男1, 牛慧晖2, 巫明娟2

(1.山东科技大学 电气与自动化工程学院, 山东 青岛 266590;2.青岛欧赛斯环境与安全技术有限责任公司, 山东 青岛 266555)

摘要针对双二阶广义积分器锁相环(DSOGI-PLL)在矿井电网电压含多次谐波或存在直流偏置的情况下提取电压同步信号存在频率、相位误差的问题,提出了一种改进型DSOGI-PLL,从频率调节、直流偏置、谐波检测3个方面对DSOGI-PLL进行改进。构造频率自适应调节单元,实时监测矿井电网频率变化来自动调节DSOGI-PLL的谐振频率,实现DSOGI-PLL的频率自适应功能,以提高频率检测精准度,优化动态响应性能;将积分反馈补偿环节应用于基于二阶广义积分器的正交信号发生器(SOGI-QSG),以消除直流分量对检测结果的影响;提出一种多DSOGI并联的交叉反馈结构,该结构下,每个DSOGI的输入信号不含其余DSOGI检测到的谐波成分,削弱了各次谐波分量相互之间的影响。Matlab仿真结果表明,改进型DSOGI-PLL能在矿井电网电压有严重干扰的情况下,完成对电网电压频率和相角的精准检测和跟踪锁定。

关键词矿井电网; 同步信号检测; 双二阶广义积分器锁相环; DSOGI-PLL; 频率调节; 直流偏置; 谐波检测

0 引言

软启动和变频控制技术在提高矿井生产效益和节电水平的同时,也向矿井电网注入大量谐波,对供电安全造成严重威胁[1]。另外,煤矿井下有多种非线性负荷,其通断频率较高,危险系数也相对较高,因此,对电能质量有严格要求[2]。有源电力滤波器(Active Power Filter,APF)具有谐波检测实时性好、补偿效率高等优点,被广泛应用于矿井工业现场[3],其性能在一定程度上取决于谐波电流检测精准性和快速性。锁相环(Phase Locked Loop,PLL)是矿山电力系统谐波电流检测中的一个关键环节[4]。PLL作为获取基准参考电压的模块[5-8],若获取的煤矿供电网电压同步信号中的频率、相位信息存在波动或延迟,会影响谐波电流检测的精确度和速度,从而影响矿用APF的工作性能[9-10]

近年来,国内外学者对煤矿电网电压同步信号检测进行了研究,提出了基于同步参考坐标系的锁相环(Synchronous Reference Frame PLL,SRF-PLL)、基于解耦双同步参考坐标系的锁相环(Decoupled Double Synchronous Reference Frame PLL,DDSRF-PLL)和双二阶广义积分器锁相环(Dual Second-Order Generalized Integrator PLL,DSOGI-PLL)。SRF-PLL在电网电压含有负序分量及畸变的情况下,获取的电压频率信号存在较大波动,无法精准检测基波信号[11]。DDSRF-PLL能够削弱电网中负序分量的影响,但其抑制谐波能力较差[12]。DSOGI-PLL能在电网电压含负序分量或谐波含量较低时准确获取电压的频率信息,在谐波污染且三相不平衡的非理想电网条件下,提取矿井电网电压同步信号产生的误差小于DDSRF-PLL,但当电网电压含多次谐波或电压存在直流偏置时,其检测到的同步信号有较大误差[13-14]。针对上述问题,本文提出一种改进型DSOGI-PLL,该锁相环能在矿井电网电压含有负序分量和直流分量时完成对电压同步信号的精确检测,具有良好的动态响应性能,同时,能够在煤矿电网畸变的条件下,实现对基频信号的准确跟踪。

1 DSOGI-PLL

DSOGI-PLL由2个基于二阶广义积分器的正交信号发生器(Second-Order Generalized Integrator-Quadrature Signals Generator,SOGI-QSG)、正/负序分量计算模块(Positive and Negative Sequence Calculation,PNSC)和 SRF-PLL构成,如图1所示。其中,uaubuc为电网输入电压;uαuβ分别为网侧电压经Clarke变换后的分量;uα+uβ+为静止坐标系下的电压正序分量;uq+为Park变换后的q轴分量;θf分别为网侧输出电压相位、频率。通过SOGI-QSG对基波电压进行正交分相,通过PNSC模块计算得到uα+uβ+,再由SRF-PLL模块得到矿井电网基波电压的频率和相位。

图1 DSOGI-PLL结构
Fig.1 Structure of DSOGI-PLL

SOGI-QSG作为DSOGI-PLL的核心部分,其结构如图2所示。其中,u为输入电压信号;u′,u″为输出电压信号;ω0为谐振频率;k为阻尼系数,本文取

图2 SOGI-QSG结构
Fig.2 Structure of SOGI-QSG

从图2可得系统传递函数D(s)和Q(s):

(1)

根据式(1)计算系统幅频特性及相频特性:

(2)

(3)

式中ω为网侧输入角频率。

由式(2)、式(3)可得:u′,u″总是正交;当输入信号角频率ω=ω0时,|Q|=|D|=1;u′对输入信号无静差跟踪,即实现了对输入信号的准确提取。

2 改进型DSOGI-PLL

针对当电网电压含多次谐波或直流偏置时DSOGI-PLL同步误差较大的问题,从频率调节、直流偏置、谐波检测3个方面对DSOGI-PLL进行改进。

2.1 频率自适应调节单元

当矿井供电网频率出现波动时,DSOGI-PLL的谐振频率与电网电压实际输入的频率不一致,二者的偏差造成锁相环输出频率和相角的稳态误差。因此,引入频率自适应调节单元,通过实时监测矿井电网频率变化来自动调节DSOGI-PLL的谐振频率,实现DSOGI-PLL的频率自适应功能。

频率自适应调节单元如图3所示。其中为DSOGI-PLL输出信号;ω′为频率自适应调节单元的输出角频率;λ为频率自适应调节参数。将ω′设置为DSOGI-PLL的谐振频率。

图3 频率自适应调节单元
Fig.3 Frequency adaptive adjustment unit

定义uα,uβ:

(4)

式中Ul为电网电压基波幅值。

由式(2)、式(3)可得

(5)

(6)

根据图3可得输出角频率对时间的一阶导数为

(7)

将式(4)—式(6)代入式(7)可得

λ(Ulsin(ω t+∠Q(s))(Ulcos(ω t)-Ulcos(ω t+∠D(s)))+Ulcos(ω t+∠Q(s))(Ulsin(ω t)-Ulsin(ω t+∠D(s))))

(8)

通过运用平均理论[15],将式(8)转换为线性时不变系统,得到输出角频率导数的平均值为

(Ulcos(ωt)-Ulcos(ωt+∠D(s)))+

Ulcos(ωt+∠Q(s))(Ulsin(ωt)-

Ulsin(ωt+∠D(s))))

(9)

式中表示输出角频率的一阶导数在2π/ω′ 周期内的平均值。

将式(9)化简为

(10)

将式(2)中的∠D(s)代入式(10),当ω′→ω时,式(10)可近似为

(11)

由式(11)得出,频率调节过程可看作时间常数近似为的一阶负反馈系统。γ的大小不仅与阻尼系数k、参数λ和电压幅值有关,还与电网输入频率相关联。当电网电压输入频率存在波动时,时间常数γ也会随其变化,影响响应速度。频率自适应调节单元可抑制其波动,达到频率动态调节的目的,且将矿井电网中的基波角频率前馈到频率调节环节中,使锁相环的同步速度加快。

2.2 SOGI-QSG积分反馈环节

带积分反馈的SOGI-QSG如图4所示。SOGI-QSG的谐振频率ω′等于煤矿供电系统的输入频率ω,当输入电压uα不含直流分量时,a点电压ua为0;当输入电压uα含有直流分量ud时,其计算公式如式(12)所示,此时a点电压包含全部的直流偏移量,这使输出信号存在较大误差,无法与严格正交,从而导致DSOGI-PLL检测到的频率信号中含工频波纹[16],影响后续相位锁定。

图4 带积分反馈的SOGI-QSG
Fig.4 SOGI-QSG with integral feedback

(12)

采用积分反馈环节消除a点处直流分量,相应的频域传递函数为

(13)

式中τ为积分反馈环节的时间常数。

在频域范围内,只考虑式(12)中的ud。根据终值定理,输出中的直流分量为

(14)

由式(14)可得,改进后的SOGI-QSG很好地消除了直流电压偏移带来的影响。

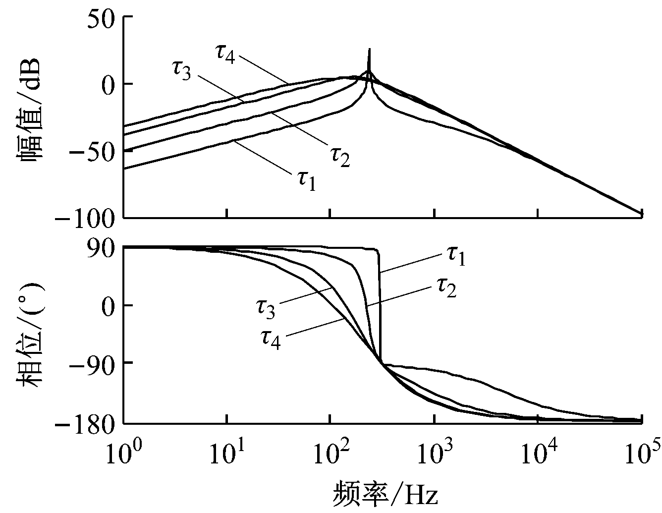
根据式(13)分析可知,SOGI-QSG积分反馈环节的性能主要取决于阻尼系数k和时间常数 时,SOGI-QSG的动态响应超调和整定时间之间存在最优关系,故对τ取不同的值以确定最优方案,令τ1=0.1,τ2=1,τ3=4,τ4=8,频域传递函数D′(s),Q′(s)的Bode图如图5所示。

(a) D′(s)的Bode图

(b) Q′(s)的Bode图

图5 时间常数τ取不同值时D′(s)和Q′(s)的Bode图
Fig.5 Bode diagrams of D′(s) and Q′(s) of different values of time constant τ

分析图5可得,在低频段中时间常数τ的取值对滤波性能影响较大,τ越大,则SOGI-QSG积分反馈环节的谐波抑制性能越差。

τ取不同值时,SOGI-QSG对输入电压中直流分量的跟踪能力如图6所示。由图6可得,τ越大,则跟踪电压中直流信号的时间越长,且过程中无振荡现象;τ越小,则跟踪电压中直流信号的时间越短,且过程中出现振荡波纹。

图6 时间常数τ取不同值时SOGI-QSG对直流分量的跟踪性能
Fig.6 Tracking performance of SOGI-QSG to DC components of different values of time constant τ

结合图5、图6分析可知,τ的取值应同时考虑对矿井电网电压中谐波的抑制能力和直流偏置量的快速跟踪能力。当τ=0.1时,SOGI-QSG不能准确跟踪直流分量;当τ=1时,跟踪直流偏置量的时间过短,误差较大;当τ=8时,SOGI-QSG无法有效滤除输入信号的谐波分量。综合考虑,取τ=4。此时,带积分反馈的SOGI-QSG可将电网电压中的基频信号分解成一对幅值相等、相互正交的电压分量。另外,由图5可知,D′(s),Q′(s)具有带通特性,其对输入电压中高频信号的衰减率分别为-20,-40 dB/dec。综上说明,SOGI-QSG积分反馈环节性能极佳。

2.3 多DSOGI交叉反馈网络

在实际应用中,电网谐波扰动也会导致基准电压频率检测误差。为保证在矿井供电网含多次谐波分量的情况下仍能精确、快速检测出基波频率,提出一种多DSOGI并联的交叉反馈网络结构。

含谐波的电网电压可看成由基波电压和n(n≥2)次谐波电压组成,三相电压表达式为

(15)

式中:ualublucl为基波电压;uanubnucn为谐波电压;Un为电网电压各次谐波幅值。

通过Clarke变换将三相电压变换到两相静止坐标系:

(16)

通过并联的多个DSOGI组成交叉反馈网络,改变DSOGI谐振频率,提取不同次数的谐波,在含有基波和n次谐波的电压信号uαuβ输入DSOGI之前,依次减去各次谐波分量。在这种方式下,每个DSOGI的输入信号将不含其余DSOGI检测到的谐波成分,极大削弱了各次谐波分量相互之间的影响。第n次谐波提取模块结构如图7所示。其中,输出为静止坐标系α轴方向的电网第n次谐波分量,输出β轴方向的网侧电压第n次谐波分量。

图7 DSOGI-n模块结构
Fig.7 Structure of DSOGI-n module

n=5,7,11,…,由图7得到电网n次谐波分量对输入分量的传递函数为

(17)

式中分别为DSOGI-n模块在静止坐标系下的n倍频输出。

该DSOGI的谐振频率为′,实现了对n次谐波的准确跟踪。

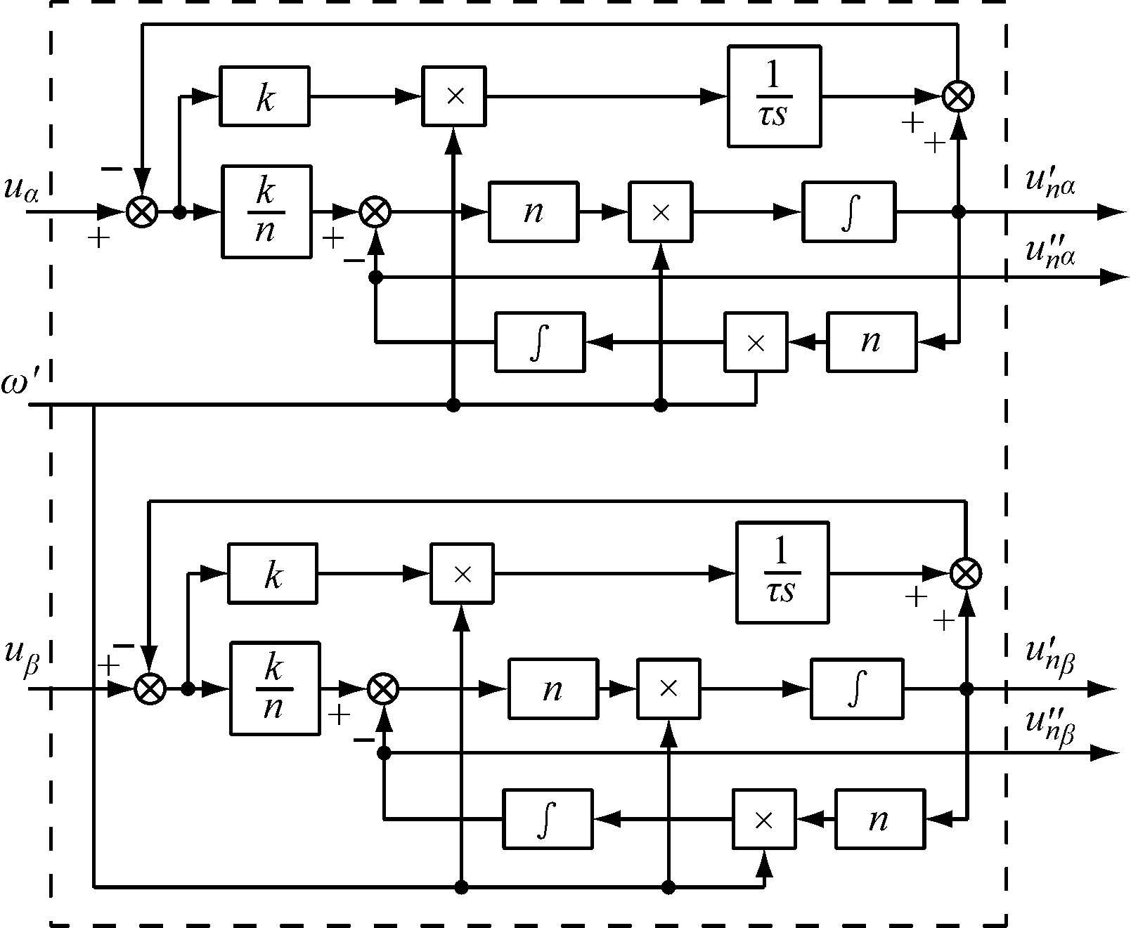
改进型DSOGI-PLL整体结构如图8所示。其中,交叉反馈网络分别由谐振频率为ω′,′的多个DSOGI组成,也可近似看为4个自适应滤波器相互并联。为保证各次自适应滤波器带宽相同,将第n次自适应滤波器的阻尼系数kn取为k/n。通过交叉反馈网络消除DSOGI输入信号中的特定谐波,以提高输出精度。同时,对于DSOGI-1和DSOGI-n的输入分量而言,任一DSOGI的输出精度提高均可促进其余DSOGI误差减小,最终得到只含基波信号的输出分量通过PNSC模块计算得到电压正序、负序分量,再通过SRF-PLL进行Park变换,将正序分量变换到同步旋转坐标系下,通过PI控制使uq+趋于0,完成对矿井供电网电压的锁相。

图8 改进型DSOGI-PLL结构
Fig.8 Structure of improved DSOGI-PLL

3 仿真验证

在Matlab/Simulink平台搭建仿真系统,对改进型DSOGI-PLL的有效性进行验证。模拟矿井供电网电压为380 V/50 Hz,非线性负载为三相整流全桥,阻感负载分别为R=1 Ω,L=1 mH。

t=0.2 s时,电网电压频率由50 Hz跃变为45 Hz,采用改进型DSOGI-PLL和DSOGI-PLL检测电网电压频率并进行对比,结果如图9所示。

图9 电网电压对称时频率跃变波形
Fig.9 Frequency jump waveforms when the grid voltage is symmetrical

从图9可看出,在电网电压只发生频率突变的情况下,改进方法比DSOGI-PLL提前2个工频周期达到稳态,锁相稳定速度较快。

设置电网故障为单相短路接地,使电网电压严重不对称。设a相电压为0,b相和c相电压保持正常,t=0.2 s时,电网电压的频率由50 Hz跃变为45 Hz。电网电压不对称时频率跃变波形如图10所示。由图10可看出,在电压不对称的情况下,发生频率跳变时,DSOGI-PLL大约需要3.5个工频周期才能使频率波形恢复稳定,而改进型DSOGI-PLL大约需要1.5个工频周期即可跟踪锁定输入电压的频率,具有较好的动态响应性能。

图10 电网电压不对称时频率跃变波形
Fig.10 Frequency jump waveforms when the grid voltage is asymmetry

t=0.2 s时,在a相电压中叠加20 V直流分量,得到的频率波形如图11所示。由图11可看出,DSOGI-PLL在加入直流分量后锁定的信号出现了工频波纹,而改进型DSOGI-PLL在经过1个工频周期的波动后,便能精准跟踪锁定电网输入电压的频率。

图11 电网中存在直流偏置时的频率波形
Fig.11 Frequency waveforms when there is a DC bias in the power grid

t=0.2 s时,向输入电压注入20%的5次谐波、10%的7次谐波及5%的11次谐波,得到的频率波形如图12所示。由图12可看出,DSOGI-PLL不能完全滤除输入信号中的谐波分量,频率波动较大,而改进型DSOGI-PLL因含有交叉反馈网络结构,能够消除谐波分量的影响,且在0.5个工频周期后便可精准跟踪锁定电网输入电压的频率和相角。

图12 电网中含谐波时的频率波形
Fig.12 Frequency waveforms when the power grid contains harmonics

向输入电压注入20%的5次谐波、10%的7次谐波及5%的11次谐波,并在a相电压中叠加20 V直流分量,在t=0.2 s时,电网电压频率由50 Hz跃变为45 Hz,频率跃变波形如图13所示。由图13可看出,用改进型DSOGI-PLL进行电网电压频率和相角检测时,无论电网是否发生畸变或存在直流偏置,均可保证在1.5个工频周期内快速完成对实际电网频率和相角的精准检测。

图13 电网中含谐波且直流偏置时的频率跃变波形
Fig.13 Frequency jump waveforms when the power grid contains harmonics and DC bias

4 结论

(1) 从频率调节、直流偏置、谐波检测3个方面对DSOGI-PLL进行改进。构造频率自适应调节电路来减小频率变化对DSOGI-PLL同步检测的影响,在SOGI-QSG中采用积分反馈补偿环节来消除直流分量对检测结果的影响,通过并联多个DSOGI-PLL组成交叉反馈网络,提取并消除电压中的各次谐波分量。

(2) 与文献[13]提出的改进型DSOGI-PLL相比,本文提出的改进型DSOGI-PLL不仅能抑制直流偏置,还能消除谐波干扰,性能更优。仿真结果表明,该改进型DSOGI-PLL能在煤矿电网不对称、畸变等严重干扰的情况下,精准检测电压同步信号,具有良好的应用前景。

(3) 由于交叉反馈网络算法结构较为复杂,改进型DSOGI-PLL在追踪基频信号的过程中存在一定程度的延时,下一步的研究工作是简化交叉反馈网络结构,进一步提升动态响应速度。

参考文献

[1] 钟宁帆,翟艳强,张振海,等.矿用统一电能质量调节器控制策略研究[J].工矿自动化,2018,44(12):65-70.

ZHONG Ningfan,ZHAI Yanqiang,ZHANG Zhenhai,et al.Research on control strategy of mine-used unified power quality conditioner[J].Industry and Mine Automation,2018,44(12):65-70.

[2] 王健宇.基于对称分量法的dq变换电压检测法[J].工矿自动化,2018,44(10):54-60.

WANG Jianyu.A voltage detection method based on dq transformation and symmetric components[J].Industry and Mine Automation,2018,44(10):54-60.

[3] 周炤贤,陈永刚.一种适用于三相电压不对称情况下的改进id-iq谐波检测算法[J].工矿自动化,2016,42(8):69-73.

ZHOU Zhaoxian,CHEN Yonggang.An improved id-iq harmonic current detection algorithm for three-phase voltage asymmetry[J].Industry and Mine Automation,2016,42(8):69-73.

[4] 黄梦华,汪娟娟.瞬时功率计算方法的深度研究与应用[J].电力系统及其自动化学报,2019,31(4):17-24.

HUANG Menghua,WANG Juanjuan.Study and application of instantaneous power calculation method[J].Proceedings of the CSU-EPSA,2019,31(4):17-24.

[5] 王兆安.谐波抑制和无功功率补偿[M].北京:机械工业出版社,2016.

WANG Zhao'an. Harmonic suppression and reactive power compensation[M]. Beijing: China Machine Industry Press, 2016.

[6] 汪娟娟,文兆新,傅闯,等.基于换相电压相位检测的高压直流故障恢复策略[J].电网技术,2019,43(10):3504-3514.

WANG Juanjuan,WEN Zhaoxin,FU Chuang,et al.HVDC fault recovery strategy based on phase change detection of commutation voltage[J].Power System Technology,2019,43(10):3504-3514.

[7] 李子林,傅闯,汪娟娟,等.实现相位和频率检测解耦的快速锁相环[J].电力系统自动化,2019,43(5):143-154.

LI Zilin,FU Chuang,WANG Juanjuan,et al.Fast phase-locked loop to realize decoupled detection of phase and frequency[J].Automation of Electric Power Systems,2019,43(5):143-154.

[8] 杨力,王星,陈伟,等.一种改进ip-iq检测法的正负序电量分离新方法及应用[J].水电能源科学,2016,34(10):193-197.

YANG Li,WANG Xing,CHEN Wei,et al.An improved ip-iq method for positive and negative sequence separation and its application[J].Water Resources and Power,2016,34(10):193-197.

[9] 付子义,董彦杰.不平衡电网下模块化APF分序并联控制策略[J].电力系统及其自动化学报,2020,32(1):79-85.

FU Ziyi,DONG Yanjie.Modular APF separation sequence parallel control strategy under unbalanced power grid[J].Proceedings of the CSU-EPSA,2020,32(1):79-85.

[10] 高正中,田朔,刘向勇,等.改进型FBD谐波检测法在有源滤波器中的应用[J].科学技术与工程,2019,19(15):170-175.

GAO Zhengzhong,TIAN Shuo,LIU Xiangyong,et al.Application of improved FBD harmonic detection method in active power filter[J].Science Technology and Engineering,2019,19(15):170-175.

[11] YI Hao,WANG Xiongfei,BLAABJERG F, et al.Comparative analysis about dynamic performances of grid synchronization schemes[C]//Proceedings of IEEE Energy Conversion Congress and Exposition,Cincinnati,2017.

[12] 陈琦,熊良根,刘述军,等.基于双dq变换软件锁相的动态电压恢复器研究[J].电力系统保护与控制,2015,43(4):87-93.

CHEN Qi,XIONG Lianggen,LIU Shujun,et al.Research of dynamic voltage restorer based on double dq synchronous software phase-locked loop[J].Power System Protection and Control,2015,43(4):87-93.

[13] 周科,刘伯鸿,高峰阳,等.改进型双二阶广义积分器锁相环[J].电测与仪表,2019,56(17):135-138.

ZHOU Ke,LIU Bohong,GAO Fengyang,et al.Improved dual second-order generalized integrator PLL[J].Electrical Measurement & Instrumentation,2019,56(17):135-138.

[14] 黄海宏,魏阳超,王海欣,等.特定次谐波滤除锁相在有源电力滤波器中的应用[J].电力自动化设备,2019,39(12):36-40.

HUANG Haihong,WEI Yangchao,WANG Haixin,et al.Application of specific harmonic filtering phase lock in APF[J].Electric Power Automation Equipment,2019,39(12):36-40.

[15] MOJIRI M, KARIMI-GHARTEMANI M, BAKHSHAI A.Time domain signal analysis using adaptive notch filter[J]. IEEE Transactions on Signal Processing, 2007,55(1):85-93.

[16] HWANG S H, LIU L, LI H, et al.DC offset error compensation for synchronous reference frame PLL in single-phase grid-connected converters[J]. IEEE Transactionson Power Electronics, 2012,27(8):3467-3471.

Improved DSOGI-PLL for synchronizing frequency detection of mine power grid voltage

GAO Zhengzhong1, WANG Yanan1, NIU Huihui2, WU Mingjuan2

(1.College of Electrical Engineering and Automation,Shandong University of Science and Technology, Qingdao 266590, China;2.Qingdao OASIS Environmental & Safety Technology Co., Ltd., Qingdao 266555, China)

AbstractIn view of problems that there are frequency and phase errors in extracting voltage synchronization signals of DSOGI-PLL with multiple harmonics or DC bias in mine grid, an improved DSOGI-PLL was proposed to improve DSOGI-PLL from three aspects: frequency regulation, DC bias and harmonic detection.Frequency adaptive adjustment unit is constructed to automatically adjust resonant frequency of DSOGI-PLL through real-time monitoring of frequency change of mine power grid, so as to realize frequency adaptive function of DSOGI-PLL, which can improve accuracy of frequency detection and optimize dynamic response performance.Integral feedback compensation is applied to the second-order generalized integrator-quadrature signals generator(SOGI-QSG) to remove the influence of direct-current component on the test results.Cross feedback structure of multiple DSOGIs in parallel is proposed. In this structure, the input signal of each DSOGI does not contain harmonic components detected by other DSOGIs, which weakens influence of each harmonic component on each other. Matlab simulation results show that the improved DSOGI-PLL can complete accurate detection and tracking lock of frequency and phase angle of the grid voltage when the mine grid voltage has serious interference.

Key words:mine power grid; synchronizing signal detection; dual second-order generalized integrator PLL; DSOGI-PLL; frequency adjustment; direct-current bias; harmonic detection

文章编号1671-251X(2020)08-0075-07

DOI:10.13272/j.issn.1671-251x.2019120058

中图分类号:TD61

文献标志码:A

收稿日期:2019-12-24;修回日期:2020-07-25;责任编辑:胡娴。

基金项目:中国博士后科学基金资助项目(2015T80729)。

作者简介:高正中(1971-),男,山东济宁人,教授,博士,主要研究方向为检测技术与自动化装置,E-mail:gzzskd@163.com。

引用格式:高正中,王亚男,牛慧晖,等.用于矿井电网电压同步频率检测的改进型DSOGI-PLL[J].工矿自动化,2020,46(8):75-81.

GAO Zhengzhong,WANG Yanan,NIU Huihui,et al.Improved DSOGI-PLL for synchronizing frequency detection of mine power grid voltage[J].Industry and Mine Automation,2020,46(8):75-81.