矿用变频器LRC滤波器寄生参数影响研究

史晗1,2, 蒋德智1,2, 荣相1,2, 王越1,2

(1.中煤科工集团常州研究院有限公司, 江苏 常州 213015;2.天地(常州)自动化股份有限公司, 江苏 常州 213015)

摘要LRC滤波器寄生参数易引起串并联自谐振,影响滤波器对矿用变频器长线传输系统中电动机端尖峰电压和电压变化率的抑制性能,甚至造成器件烧损,但目前缺少该方面的研究成果。建立了变频器长线传输系统数学模型,在分析LRC滤波器元件寄生效应的基础上,采用频域分析方法研究了寄生参数对LRC滤波器滤波性能的影响,得出结论:LRC滤波器中电阻寄生电感对滤波效果的影响最为突出,导致LRC滤波器滤波性能下降、变频器长线传输系统在阶跃响应过程中超调和震荡问题严重,其他寄生参数的影响微弱。对LRC滤波器电阻寄生电感对滤波性能及变频器长线传输系统动态特性的影响进行了仿真和实验研究,结果表明:LRC滤波器采用铝壳功率电阻时,电动机端电压波形出现失真,上升及下降过程中存在明显的震荡;采用厚膜功率无感电阻可消除因电阻寄生电感引起的系统超调、震荡现象,使LRC滤波器达到较理想的滤波效果。

关键词矿用变频器; 变频器长线传输; 尖峰电压抑制; 电压变化率抑制; LRC滤波器; 寄生效应; 寄生参数; 电阻寄生电感

0 引言

随着电力电子、控制和通信技术的不断发展,矿用变频技术日益成熟,广泛应用于煤矿生产各个环节[1-2]。矿用变频器输出脉宽调制(Pulse Width Modulation,PWM)信号在远距离传输过程中存在电压反射现象,在电动机端产生很高的尖峰电压和电压变化率(du/dtu为电压,t为时间),导致长期重复性的电晕和局部放电,加速电动机绝缘老化,造成极大的安全隐患[3]

为抑制电动机端尖峰电压和du/dt,普遍采用LRC滤波技术。目前,关于LRC滤波器参数设计和拓扑优化方面的研究取得了很多成果。王家校[4]根据系统截止频率和阻尼系数,给出了滤波器参数工程设计方法;陈涛等[5]在滤波器参数设计过程中,综合考虑了PWM脉冲上升时间、电缆长度及系统阻尼系数;王付胜等[6]提出了一种系统阻尼损耗最小化设计方法;高强等[7]将滤波器公共端与直流母线中点连接,对常规滤波器进行了改进。上述文献均基于理想元件展开研究,未考虑实际元件寄生参数对滤波效果的影响。寄生参数易引起串并联自谐振,影响LRC滤波器对电动机端尖峰电压和du/dt的抑制性能,甚至造成元件烧损。但目前缺少该方面的研究成果。

本文建立了变频器长线传输系统数学模型,在分析LRC滤波器元件寄生效应的基础上,采用频域分析方法研究了LRC滤波器寄生参数对滤波性能的影响。研究结果表明:电阻寄生电感是影响LRC滤波器滤波性能的主要寄生参数,导致电动机端线电压在上升及下降过程中存在超调和振荡现象,降低了滤波器对尖峰电压和du/dt的抑制能力;采用厚膜功率无感电阻可减小上述影响,使LRC滤波器达到较理想的滤波效果。

1 变频器长线传输系统模型

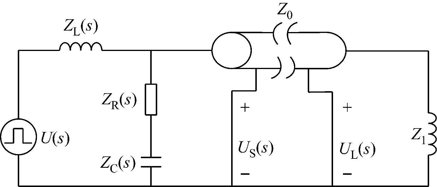
变频器输出三相PWM脉冲由长线电缆传输至电动机,LRC滤波器通过延长PWM脉冲的上升和下降时间,达到抑制电动机端过电压的目的[8-9]。理想的变频器长线传输系统模型(单相)如图1所示。ZR(s),ZC(s),ZL(s)分别为电阻R、电容C、电感L等效阻抗;s为拉普拉斯算子;Z0为电缆特性阻抗;Z1为电动机等效阻抗;U(s)为变频器输出端电压;US(s),UL(s)分别为电缆输入、输出端电压。

图1 变频器长线传输系统理想模型
Fig.1 Ideal model of inverter long-line transmission system

根据图1,电缆输入端电压为

(1)

根据传输线理论,电缆长度为l时,PWM脉冲传输时间分别为单位长度电缆线芯的分布电感和电容,则电缆输入、输出端的入射电压、反射电压满足:

(2)

式中:分别为电缆输出端入射电压和发射电压;分别为电缆输入端入射电压和发射电压。

电缆输入端电压为

(3)

电缆输出端电压为

(4)

式中为电缆终端反射系数,

对于无损传输线,高频状态下电动机等效阻抗Z1比电缆特性阻抗Z0大得多,因此取ΓL=1[10]

综合式(2)—式(4),电缆输入、输出端电压可写为

(5)

可利用式(6)表示PWM脉冲经长线电缆传输时的延迟和反射过程。

(6)

(7)

综合式(1)、式(7),得变频器长线传输系统的传递函数:

(8)

取滤波器电感的额定电流为变频器额定电流的1.2倍,基波电压跌落为1%,则滤波器电感L=0.1 mH。当PWM脉冲上升时间小于临界上升时间时,电动机端不产生尖峰电压,由此得到滤波器电容C=0.1 μF。设计要求系统无超调,即阻尼系数≥1,计算可得滤波器电阻R=100 Ω。

电缆长度为50,100,200,300 m时,变频器长线传输系统的阶跃响应曲线如图2所示。可看出随着电缆长度增加,系统超调量增大,电动机端过电压现象更加明显,但系统超调量未超过20%,且动态响应良好,表明上述滤波器参数可满足对尖峰电压和du/dt的抑制要求。

图2 不同电缆长度下变频器长线传输系统阶跃响应曲线
Fig.2 Step response curves of inverter long-line transmission system under different cable lengths

2 LRC滤波器寄生效应

2.1 LRC滤波器寄生行为

受制造工艺和高频作用影响,滤波器各元件存在寄生参数,并不是理想的LRC形式[11]。分别以电感串联电阻RL和并联电容CL、电阻串联电感LR和并联电容CR、电容串联电感LC和电阻RC表征LRC元件的寄生行为,等效模型如图3所示。

(a) 电感

(b) 电阻

(c) 电容

图3 LRC元件寄生行为等效模型
Fig.3 Equivalent models of parasitic acts of LRC elements

为简化研究过程,逐一分析LRC滤波器各元件的寄生效应。仅考虑电感寄生行为时,变频器长线传输系统的传递函数为

HL(s)=[LRCCLs3+(LCL+CRCLRL)s2+(CR+

CLRL)s+1](2τs+1)/{[LRCCLs3+

(CL+CLL+CRCLRL)s2+(CR+CRL+

CLRL)s+1](τs+1)2}

(9)

仅考虑电阻寄生行为时,系统传递函数为

HR(s)=[(CLR+CRLR)s2+(CR+CRR)s+

1](2τs+1)/{[CLCRLRs4+RLCCRs3+

(CL+CLR+CRLR)s2+(CR+RCR)s+

1](τs+1)2}

(10)

仅考虑电容寄生行为时,系统传递函数为

HC(s)=[(CLC+CR)s2+CRCs+1](2τs+1)/

{[(CL+CLC+CR)s2+CRCs+1]×

(τs+1)2}

(11)

2.2 寄生效应对LRC滤波器的影响

对于LRC滤波器,其各元件的寄生电阻为mΩ级,仅造成电信号极微弱的衰减,对变频器长线传输系统频率特性的影响很小,而寄生电容、寄生电感易与滤波元件产生谐振,使得滤波元件出现过电压、大电流的震荡现象。因此,本文不考虑LRC滤波器各元件的寄生电阻,重点针对寄生电感和寄生电容进行研究。

经电桥分析仪测试,研究的LRC滤波器电感在2 000 kHz高频激励下仍处于感性,因此可忽略其寄生电容。本文重点研究LRC滤波器中电阻和电容的寄生效应。

2.2.1 电阻寄生效应

对标称阻值为100 Ω的铝壳功率电阻和厚膜功率无感电阻进行感抗测试,得铝壳功率电阻的寄生电感为57 μH,厚膜功率无感电阻的寄生电感为0.04 μH。结合测试数据,取电阻寄生电容为10 pF,寄生电感分别为80,30,10,0 μH,对比分析电阻寄生电感不同时变频器长线传输系统的频率特性及阶跃响应,如图4、图5所示。

从图4、图5可看出:电阻寄生电感不为0时,伯德图上存在尖峰,LRC滤波器滤波性能受限;系统超调量随着电阻寄生电感增大而增大(电阻寄生电感为0时超调量为6%,电阻寄生电感为80 μH时超调量为12%),变频器长线传输系统跟随性和稳定性变差。

考虑极端情况,取电阻寄生电感为0,寄生电容为1 000,200,50,10 pF,对比分析电阻寄生电容不同时变频器长线传输系统的频率特性及阶跃响应,如图6、图7所示。可看出随着电阻寄生电容增大,LRC滤波器对高频成分滤除效果更明显,但变频器长线传输系统的动态性能对电阻寄生电容的变化并不敏感,因此可忽略电阻寄生电容对系统动态性能的影响。

(a) 幅值

(b) 相位

图4 电阻寄生电感不同时变频器长线传输系统频率特性曲线
Fig.4 Frequency characteristic curves of inverter long-line transmission system under different parasitic inductances of resistance

(a) LR=80 μF

(b) LR=30 μF

(c) LR=10 μF

(d) LR=0

图5 电阻寄生电感不同时变频器长线传输系统阶跃响应曲线
Fig.5 Step response curves of inverter long-line transmission system under different parasitic inductances of resistance

2.2.2 电容寄生效应

LRC滤波器的电容因存在电磁感应现象,导致电容引线和极板易形成寄生电感。本文中LRC滤波器选用的薄膜电容寄生电感为35 nH。结合该数据,取寄生电感为60,30,10,0 nH,对比分析电容寄生电感不同时变频器长线传输系统频率特性及阶跃响应,如图8、图9所示。可看出针对不同的电容寄生电感,系统频率特性与阶跃响应曲线均重合,说明电容寄生电感对LRC滤波器滤波性能及变频器长线传输系统动态性能的影响微弱。

(a) 幅值

(b) 相位

图6 电阻寄生电容不同时变频器长线传输系统频率特性曲线
Fig.6 Frequency characteristic curves of inverter long-line transmission system under different parasitic capacitances of resistance

图7 电阻寄生电容不同时变频器长线传输系统阶跃响应曲线
Fig.7 Step response curves of inverter long-line transmission system under different parasitic capacitances of resistance

(a) 幅值

(b) 相位

图8 电容寄生电感不同时变频器长线传输系统频率特性曲线
Fig.8 Frequency characteristic curves of inverter long-line transmission system under different parasitic inductances of capacitance

图9 电容寄生电感不同时变频器长线传输系统阶跃响应曲线
Fig.9 Step response curves of inverter long-line transmission system under different parasitic inductances of capacitance

通过分析可知,LRC滤波器各元件的寄生参数会对滤波效果产生影响,其中以电阻寄生电感的影响最为突出,导致滤波器滤波性能下降、变频器长线传输系统动态性能变差。

3 仿真验证

采用Matlab/Simulink软件建立变频器长线传输系统仿真模型,如图10所示。仿真模型中变频器引入整流单元、直流侧电容、直流侧母排及逆变单元寄生参数[12-14]:整流单元DD175N34KOF型二极管的寄生电容为190 pF;逆变单元FF400R33KF2C型IGBT的寄生电容为760 pF;变频器直流侧电容的寄生电感为160 nH;变频器直流侧母排的寄生电阻为50 mΩ,寄生电感为30 nH。

仿真设置变频器输入电压为1 140 V三相交流电,基波频率为50 Hz,载波频率为2 kHz。长线电缆分布参数:L0=6.2×10-7 H/m,C0=4.6×10-10 F/m。LRC滤波器设计参数:L=0.1 mH,R=100 Ω,C=0.1 μF。设置铝壳功率电阻的寄生电感为57 μH,厚膜功率无感电阻的寄生电感为0.04 μH。无LRC滤波器及LRC滤波器分别采用铝壳功率电阻和厚膜功率无感电阻时,电动机端输出电压波形如图11所示,尖峰电压和du/dt见表1。

从图11和表1可看出:加入LRC滤波器可有效抑制电动机端尖峰电压和高du/dt;采用铝壳功率电阻和厚膜功率无感电阻的LRC滤波器对尖峰电压的抑制效果基本相同,但采用厚膜功率无感电阻的LRC滤波器对du/dt的抑制效果略好;采用铝壳功率电阻时,电动机端电压波形失真,上升沿和下降沿存在衰减震荡现象。

图10 变频器长线传输系统仿真模型
Fig.10 Simulation model of inverter long-line transmission system

(a) 无LRC滤波器 (b) LRC滤波器采用铝壳功率电阻 (c) LRC滤波器采用厚膜功率无感电阻

图11 电动机端电压波形
Fig.11 Voltage waveforms at motor side

表1 电动机端尖峰电压和du/dt对比
Table 1 Comparison of peak voltage and du/dt at motor side

指标无LRC滤波器LRC滤波器采用铝壳功率电阻LRC滤波器采用厚膜功率无感电阻尖峰电压/kV2.91.81.7du/dt/(kV·μs-1)1.40.40.15

电动机端电压FFT(Fast Fourier Transform,快速傅里叶变换)分析如图12所示。可看出LRC滤波器采用铝壳功率电阻时,电动机端电压含有较多的4×105~6×105 Hz高频成分,滤波性能较差;采用厚膜功率无感电阻时,LRC滤波器对高次谐波的滤除效果较好。

(a) LRC滤波器采用铝壳功率电阻

(b) LRC滤波器采用厚膜功率无感电阻

图12 电动机端电压FFT分析
Fig.12 FFT analysis of voltage at motor side

4 实验验证

搭建矿用1 140 V变频器长线传输实验系统,研究电阻寄生电感对LRC滤波器滤波效果的影响。实验条件:矿用两电平1 140 V/315 kW变频器;1 440 V/200 kW 三相异步电动机;MYP-0.66/1.14 kV 3×95+1×25型矿用电缆,长度为60 m。分别采用100 Ω铝壳功率电阻和100 Ω厚膜功率无感电阻,与0.1 mH调谐电抗器、0.1 μF薄膜电容组成LRC滤波器,如图13所示。

(a) 电动机(b) 电抗器(c) 铝壳功率电阻RC装置 (d) 厚膜功率无感电阻RC装置

图13 实验装置
Fig.13 Experimental devices

实验波形如图14所示,可看出与仿真结果保持了较好的一致性。LRC滤波器对电动机端尖峰电压和du/dt有显著的抑制效果;采用厚膜功率无感电阻时,尖峰电压为1 860 V,du/dt为0.4 kV/μs,对尖峰电压和du/dt的抑制作用略优于采用铝壳功率电阻时(尖峰电压和du/dt分别为1 900 V,0.55 kV/μs);采用铝壳功率电阻时,实验波形在上升过程中震荡1次,在超调过程中震荡4次,而采用厚膜功率无感电阻时,实验波形平滑上升后快速趋于稳定,衰减震荡频率较低,LRC滤波器对高频成分的抑制作用更明显,可达到较理想的滤波效果。需要注意的是,厚膜功率无感电阻的功率密度大,对散热条件要求高,必须采用合适的冷却措施。

(a) 无LRC滤波器

(b) LRC滤波器采用铝壳功率电阻

(c) LRC滤波器采用厚膜功率无感电阻

图14 实验波形
Fig.14 Experimental waveforms

5 结论

(1) LRC滤波器寄生参数会对滤波效果产生影响,其中以电阻寄生电感的影响最为突出,导致LRC滤波器滤波性能受限、变频器长线传输系统在阶跃响应过程中的超调和震荡问题严重。

(2) 采用铝壳功率电阻和厚膜功率无感电阻的LRC滤波器对尖峰电压和du/dt均有较好的抑制效果。但采用铝壳功率电阻时,电动机端电压波形出现失真,上升及下降过程中存在明显的震荡,含有更多高频成分。

(3) 采用厚膜功率无感电阻可消除寄生电感引起的超调、震荡现象,使LRC滤波器达到较理想的滤波效果。

参考文献

[1] 中华人民共和国国家发展和改革委员会.煤炭工业发展“十三五”规划[EB/OL].(2017-06-05)[2019-11-01].https://www.ndrc.gov.cn/fggz/fzzlgh/gjjzxgh/201706/t20170605_1196782.html.

National Development and Reform Commission.The 13th five-year plan for the development of coal industry[EB/OL].(2017-06-05)[2019-11-01].https://www.ndrc.gov.cn/fggz/fzzlgh/gjjzxgh/201706/t20170605_1196782.html.

[2] 朱永平,徐晓建.浅谈矿用变频器发展趋势[J].工矿自动化,2017,43(10):18-23.

ZHU Yongping,XU Xiaojian.Development trend of mine frequency converter[J].Industry and Mine Automation,2017,43(10):18-23.

[3] 高晨.变频器在长电缆应用环境下引起电机端子过电压的研究和仿真及dv/dt滤波器的设计[D].上海:上海交通大学,2015.

GAO Chen.Research and simulation for the over-voltage on motor terminal of variable-frequency drive caused by long cable application and design for dv/dt filter[D].Shanghai: Shanghai Jiaotong University,2015.

[4] 王家校.基于Matlab的变频器输出RLC dv/dt滤波器仿真[J].机电工程,2014,31(2):249-252.

WANG Jiaxiao.Simulation and design of inverter output RLC dv/dt filter based on Matlab[J].Journal of Mechanical & Electrical Engineering,2014,31(2):249-252.

[5] 陈涛,刘海涛,武彬,等.变频器输出电压du/dt对电机的影响及其滤波器的设计[J].大功率变流技术,2012(1):34-38.

CHEN Tao,LIU Haitao,WU Bin,et al.The influence of inverter's output voltage du/dt on the motor and its filter design[J].High Power Converter Technology,2012(1):34-38.

[6] 王付胜,黄少雄,任康乐,等.逆变器端RLC滤波器的参数设计与损耗计算[J].电力电子技术,2016,50(1):59-61.

WANG Fusheng,HUANG Shaoxiong,REN Kangle,et al.Loss calculation and parameter selection of inverter side RLC filter[J].Power Electronics,2016,50(1):59-61.

[7] 高强,徐殿国.PWM逆变器输出端共模与差模电压dv/dt滤波器设计[J].电工技术学报,2007,22(1):79-84.

GAO Qiang,XU Dianguo.Design of common-mode and differential-mode voltage dv/dt filter at PWM inverter output terminals[J].Transactions of China Electrotechnical Society,2007,22(1):79-84.

[8] 张珍.变频系统长线电缆的研究及过电压抑制[D].大连:大连理工大学,2009.

ZHANG Zhen.Research on long-distance cable of frequency conversion system and overvoltage suppression[D].Dalian:Dalian University of Technology,2009.

[9] 刘聪.采煤机变频调速系统长输出电缆的特性研究[D].北京:煤炭科学研究总院,2014.

LIU Cong.Research on the vairable frequency speed system used in coal mine mining machinery with long cable[D].Beijing:China Coal Research Institute,2014.

[10] 廖荣辉.长线传输感应电机系统过电压滤波器的研究[J].自动化技术与应用,2012,31(6):47-51.

LIAO Ronghui.Study of over voltage filter of induction motor system with long cable transmission[J].Techniques of Automation and Applications,2012,31(6):47-51.

[11] 黄诗友.EMI滤波器寄生参数效应研究[D].南京:南京航空航天大学,2009.

HUANG Shiyou.Effects of parasitic parameters on EMI filter performance[D].Nanjing:Nanjing University of Aeronautics and Astronautics,2009.

[12] 孟进,马伟明,张磊,等.PWM变频驱动系统传导干扰的高频模型[J].中国电机工程学报,2008,28(15):141-146.

MENG Jin,MA Weiming,ZHANG Lei,et al.High frequency model of conducted EMI for PWM variable-speed drive systems[J].Proceedings of the CSEE,2008,28(15):141-146.

[13] 苗亚,周辉,翟志华,等.MW级光伏逆变器主回路寄生参数的影响与抑制[J].电力电子技术,2013,47(9):32-34.

MIAO Ya,ZHOU Hui,ZHAI Zhihua,et al.Influence and suppression of parasitic parameters in MW photovoltaic inverter power circuit[J].Power Electronics,2013,47(9):32-34.

[14] 仇亚芳.EV驱动系统中寄生参数生成电磁干扰的研究[D].天津:天津理工大学,2015.

QIU Yafang.Research on EMI generated by parasitic parameters in EV drive system[D].Tianjin:Tianjin University of Technology,2015.

Research on influence of parasitic parameters of LRC filter for mine-used inverter

SHI Han1,2, JIANG Dezhi1,2, RONG Xiang1,2, WANG Yue1,2

(1.CCTEG Changzhou Research Institute, Changzhou 213015, China;2.Tiandi(Changzhou) Automation Co., Ltd., Changzhou 213015, China)

Abstract:Parasitic parameters of LRC filter are easy to cause series-parallel self-resonance, which influences filter performance of restraining peak voltage and voltage change rate at motor side in mine-used inverter long-line transmission system, and even causes element to burn out. There is a lack of research achievements from the above aspect at present. A mathematical model of inverter long-line transmission system was established. Based on the analysis of parasitic effects of LRC filter elements, the influence of parasitic parameters on filtering performance of the LRC filter was researched by use of frequency domain analysis method. It is concluded that parasitic inductance of resistance in LRC filter has the most prominent influence, which causes filtering performance degradation of the LRC filter and serious overshoot and oscillation problems in step response process of the inverter long-line transmission system, while the other parasitic parameters has little influence. Simulation and experiment were taken out to research the influence of the parasitic inductance of resistance in the LRC filter on filtering performance and dynamic characteristics of the system. The results show that when aluminum-shell power resistors are used in LRC filter, there would be distortion of voltage waveforms at motor side as well as obvious oscillation during rising and falling processes, while when thick film power non-inductive resistors are used, overshoot and oscillation caused by parasitic inductance of resistance would be eliminated, so that the LRC filter can achieve a more ideal filtering effect.

Key words:mine-used inverter; inverter long-line transmission; peak voltage restraining; voltage change rate restraining; LRC filter; parasitic effect; parasitic parameter; parasitic inductance of resistance

文章编号1671-251X(2020)08-0044-07

DOI:10.13272/j.issn.1671-251x.17531

中图分类号:TD60

文献标志码:A

收稿日期:2019-11-26;修回日期:2020-07-27;责任编辑:李明。

基金项目:天地(常州)自动化股份有限公司科研项目(2018GY115)。

作者简介:史晗(1985-),男,宁夏石嘴山人,工程师,现主要从事矿用电气产品研发工作,E-mail:shihan0121@163.com。

引用格式:史晗,蒋德智,荣相,等.矿用变频器LRC滤波器寄生参数影响研究[J].工矿自动化,2020,46(8):44-50.

SHI Han,JIANG Dezhi,RONG Xiang,et al.Research on influence of parasitic parameters of LRC filter for mine-used inverter[J].Industry and Mine Automation,2020,46(8):44-50.