随着煤矿智能化建设步伐的加快,提高供电系统的可靠性、安全性以及智能化水平尤为重要。电缆漏电是煤矿井下发生概率最高的电气故障,由于漏电信号微弱,故障随机性和发散性强,漏电线路自动识别与定位困难,已成为制约矿井安全供电的重大隐患。
现有漏电保护方法主要包括附加直流电源方法、旁路接地方法、零序电流方法、零序功率方向方法。附加直流电源方法根据供电网络整体绝缘阻抗判断是否发生漏电,不具备选择性,无法自动定位漏电支路,且停电范围大、延时长,一般作为后备保护[1]。旁路接地方法可降低人身触电电流,动作速度快,但不具备选择性,无法自动定位漏电支路,一般作为辅助保护[2]。零序电流方法和零序功率方向方法能自动定位漏电支路,可作为主保护,但保护性能受零序电抗器影响大,当零序电抗器运行在过补偿状态下时,无法判断漏电线路[3-4]。
综上可知,现有漏电保护方法无法同时满足选择性、快速性和灵敏性要求,因而动作可靠性不高、功能单一,只具有故障后选漏功能,且不能对弧光漏电进行准确辨识。然而矿井供电系统中的弧光漏电发生概率在不断增加,弧光电导具有高度非线性和很强的时变特性,导致故障信号畸变严重,基波分量较少,同时矿井供电网络中的零序电抗器对基波分量有补偿抵消作用,因而漏电信号中的基波分量微弱,甚至没有,而现有漏电保护方法采用零序基波分量作为故障特征参数,这导致漏电保护装置无法提取故障量,失去了方法应用的条件,产生拒动或误动作。此外,矿井电网大量采用变频调速设备,产生了可观的谐波电流[5-7],由于矿井电网是典型的短供电半径、高负荷密度电网,所以,谐波渗透率较高。谐波对漏电影响体现在漏电电流畸变和弧光漏电概率增大。由于谐波电流通过系统阻抗产生谐波电压,导致漏电电流含有丰富的谐波分量。矿井低压电网的零序电抗器参数按50 Hz设计,对漏电电流中谐波分量不具有补偿作用,因而漏电点的谐波电流分量依然存在,进而引发时燃时灭的间歇性弧光。
针对弧光漏电非线性特性和漏电信号谐波含量不断增加的特征,本文提出了一种基于畸变等效电导的矿井电网智能漏电保护方法。通过进一步挖掘非基波分量所蕴含的故障信息,采用非基波分量作为故障特征参数,全面提取漏电线路与非漏电线路的特征差异,以克服现有漏电保护方法存在的缺陷。本文所研究的方法适用于各种漏电状况,尤其在弧光漏电辨识和故障信息进一步挖掘方面具有明显优势。
保护智能化是提高漏电保护性能的有效手段。本文漏电保护方法的智能化具体体现:在保证快速识别漏电支路的基础上,使漏电保护同时满足选择性、快速性、灵敏性要求,能实时监测各馈线对地绝缘水平,实现对矿井供电安全水平的初步评估和事前预警功能。
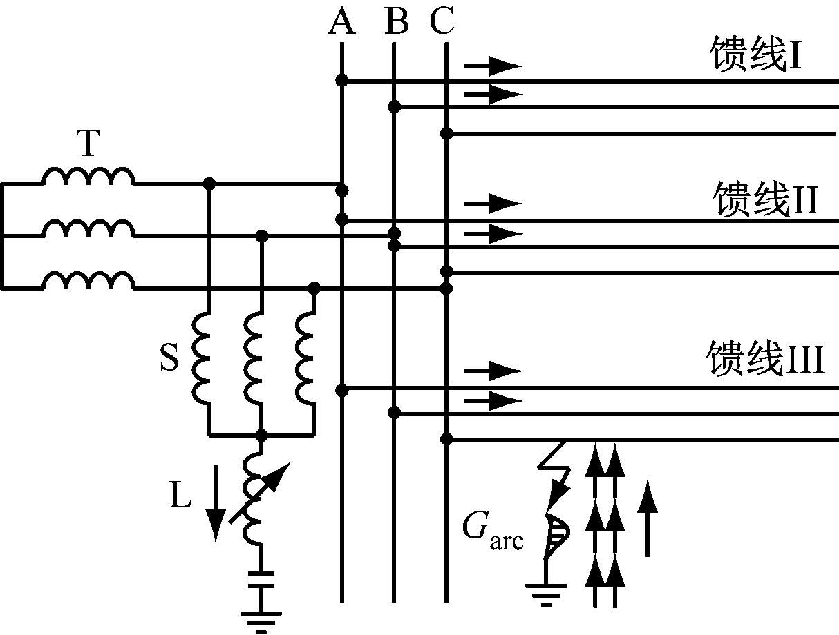
矿井低压供电系统如图1所示,其中T为变压器,S为三相电抗器,L为零序电抗器。假设馈线III发生C相弧光漏电,漏电电导为Garc,其故障等值零序网络如图2所示。
图1 矿井低压供电系统
Fig.1 Mine low-voltage power supply system
图2 漏电故障零序网络
Fig.2 Zero-sequence network of leakage fault
图2中,
分别为3条馈线首端的漏电电流;
为零序电抗器流过的补偿电流;
为系统零序电压,等于该系统相电压额定值;GI,GII,GIII分别为3条馈线的对地等效电导;GL,XL分别为零序电抗器的对地等值电导、等值电抗;CI,CII,CIII分别为3条馈线的对地等效电容。
由图1和图2可知,非漏电线路馈线首端流过的故障电流由该线路的A相和B相的零序电流组成,由于单相漏电时,相电压升高
倍。因而,未发生漏电的馈线首端流过的故障电流为
(1)
式中:Gn,Cn分别为第n条馈线的单相等效电导、单相等效电容;ω为角频率。
故障电流流动方向为由母线流向线路,其大小由该线路的对地等效电导和等效电容决定。
由于全系统所有馈线的漏电电流以及零序电抗器的补偿电流均从漏电点流过,所以,电流的流动方向为由接地点流向漏电线路的漏电相。
在漏电馈线首端,从漏电点流回的故障电流方向为由线路流向母线,与漏电线路自身非漏电相产生的漏电电流方向相反,叠加后漏电线路自身产生的漏电电流被抵消。所以,在漏电馈线首端流过的故障电流为
(2)
可见,故障电流的流动方向为由线路流向母线,其大小由该系统的所有非漏电馈线的对地等效电导、对地等效电容和零序电抗器参数决定,与漏电馈线自身参数无关。
不失一般性,假设系统有N条馈电线路。当系统不含谐波电流或发生非弧光漏电时,ω=ω1,则
(3)
式中:ω1为工频角频率;η为零序电抗器补偿系数,一般取1%~1.05%。
由于零序电抗器的补偿作用,漏电馈线首端只流回微弱的补偿电流,该补偿电流实际流动方向为由母线流向线路。所以,在漏电馈线和非漏电馈线首端测到的故障电流大小及方向差别不明显,导致基于零序电流和零序功率方向的漏电保护方法失效。
当漏电电流含有谐波分量或发生弧光漏电时,ω=hω1,则有
(4)
式中h为谐波次数,在矿井供电系统中一般取h≥5。
忽略零序电抗器的补偿电流,则漏电馈线首端流过的故障电流为
(5)
漏电馈线首端流过的故障电流由全系统所有馈线的漏电电流构成,其流动方向为由线路流向母线。
在非漏电馈线首端流过的故障电流为自身线路产生的漏电电流,流动方向为由母线流向线路,即
(6)
电力电子化背景下的矿井漏电故障特性已发生改变,漏电信号中的非基波电流分量在漏电线路和非漏电线路上的差异明显,仅依靠漏电信号的基波分量作为故障特征量无法解决现有漏电保护方法可靠性不高的问题,应进一步挖掘和利用非基波分量所蕴含的故障信息。
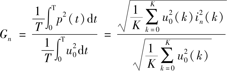
电缆馈线有对地等效电导和对地等效电容2个特征参数,本文采用对地等效电导作为故障特征参数,原因如下:① 馈线对地等效电容受馈线长度、零序电抗器和三相电抗器参数的影响大,计算值稳定性较差。② 附加直流电源漏电保护一般作为后备保护,它也是以电缆对地等效电导作为故障特征参数。③ 采用对地等效电导作为特征量,有利于提升现有漏电保护系统的纵向选择性,降低漏电保护误动率。
测量信号取自各馈线首端的零序电流互感器和母线电压互感器。Fryze非正弦电功率理论适用于对畸变波形的分解[8],其核心思想是采用畸变电压为基准,对畸变电流信号进行正交分解。在定义畸变等效电导基础上,将电流分解为相互正交的2个分量,分别是作用于畸变等效电导的有功电流分量和残留无功电流分量,有功电流分量与畸变电压的波形一致[9]。
畸变电压、畸变电流可表示为
(7)
(8)
式中:Uh,αh分别为h次谐波电压的有效值和相位角;Ih,βh分别为h次谐波电流的有效值和相位角。
有功电流和瞬时功率分别为
ip=Gu
(9)
p=ui
(10)
式中:ip为畸变有功电流分量;G为畸变等效电导;p为畸变瞬时功率。
畸变等效电导为
(11)
式中T为信号周期。
基于Fryze非正弦电功率理论计算出的畸变等效电导有如下优势:
(1) 反映故障信息全面。畸变等效电导通过计算瞬时功率获取,能同时反映线路对地绝缘阻抗的大小和功率流动方向,具有正负之分。负值代表电流由线路流向母线,正值代表电流由母线流向线路。
(2) 含义不同。畸变等效电导包括传统等效电导和谐波等效电导,能全面反映基波和谐波所蕴含的漏电信息。传统电导一般指基波等效电导。
在有N条出线的矿井低压供电系统中,假设第n条馈线发生弧光漏电故障。
非漏电线路首端只流过与本馈线参数有关的畸变零序电流,由母线流向线路,符号为正,第n条馈线畸变等效电导Gn为
(12)
式中:u0为漏电时系统的零序电压;K为采样数;in为第n条馈线首端的零序电流;u0(k),in(k)分别为零序电压和第n条馈线零序电流的第k个采样值。
漏电线路首端流过全系统所有线路的畸变零序电流,由线路流向母线,其等效电导是移动变压器下所有馈线及零序电抗器的等效电导之和,符号为负。
Gf=
(13)
式中:Gf为漏电馈线畸变等效电导;if(k)为漏电馈线首端零序电流的第k个采样值;Gf1为漏电馈线的基波等效电导,由于零序电抗器的补偿作用,该值很小,可以忽略;Gnh为第n条馈线的畸变等效电导。
智能漏电保护的识别过程如下:
(1) 漏电状态辨识。当系统出现较高的零序电压后,判定系统发生了漏电故障。一般采用15%~20%的相电压作为阈值。
(2) 馈电线路电导计算。根据各馈线首端的零序电流和零序电压采样值计算各馈线等效电导。
(3) 漏电支路定位。等效电导最大且符号为负的线路判为漏电支路,报警并发跳闸命令。
(4) 馈电线路绝缘水平评判。符号为正的等效电导即代表相应各非漏电馈线当前的绝缘水平,实现对电缆绝缘状态的自动监测。
(5) 电容电流水平评判。漏电点流过的无功电流即为本级低压电网的电容电流。由于Fryze非正弦电功率理论将电流正交分解为有功电流分量和无功电流分量,所以,计算出漏电线路的畸变等效电导后,根据式(9)可计算出有功电流ip,则无功电流iq计算公式为
iq=i-ip
(14)
本文的无功电流包括基波分量和谐波分量,代表漏电点实际需要补偿的电流,而传统方法计算的无功电流仅是基波分量,因此,本文的无功电流大于传统无功电流。无功电流的有效值可采用均方根值法计算。
(6) 供电安全水平初步评估。将每次漏电时计算出的各非漏电支路的等效电导和漏电支路的无功电流实时上传至监控分站,为矿井供电安全分析与故障预警提供数据支撑和基础。
步骤(1)—步骤(3)实现了漏电支路的快速定位,步骤(4)—步骤(6)实现了非漏电电缆绝缘状态的监测和本级电网电容电流水平的评估。
算例1:以图1所示的矿井电网为例进行分析。供电电压为1 140 V,有3条馈线,馈线的长度分别为200,30,500 m,各线路参数相同,馈线电阻为0.68 Ω/km,馈线电抗为0.084 Ω/km,对地分布电容为0.29 μF/km,在馈线III发生弧光漏电。仿真中采用Cassie电弧模型[10-11]模拟电缆绝缘击穿引起的弧光漏电,在Matlab软件下对矿井低压馈电系统进行仿真,其零序电压、漏电馈线和非漏电馈线首端测到的漏电电流如图3—图5所示。
图3 零序电压波形
Fig.3 Zero-sequence voltage waveform
图4 漏电馈线零序电流波形
Fig.4 Zero-sequence current waveform of leakage feeder
图5 非漏电馈线零序电流波形
Fig.5 Zero-sequence current waveform of non-leakage feeder
分别采用畸变等效电导和传统电导法计算各电缆馈线的故障特征参数,为了方便与相关标准进行比较,将电缆等效电导换算为电缆绝缘阻抗,计算结果见表1。
表1 电缆馈线故障特征参数计算结果
Table 1 Calculation results of cable feeder fault characteristic parameters MΩ
方法绝缘阻抗馈线I馈线II馈线III传统电导法862612120本文方法296278-0.028
煤矿行业标准MT 871—2011《矿用防爆低压交流真空馈电开关》要求,1 140 V供电系统中漏电保护的动作值为40 kΩ,动作误差不超过+20%[12]。由表1的计算结果可知,基于传统电导法计算出的漏电线路绝缘阻抗为120 MΩ,误差较大,漏电保护会拒动。本文方法计算的漏电线路绝缘阻抗为-0.028 MΩ,满足了标准MT 871—2011《矿用防爆低压交流真空馈电开关》要求,不但计算值远小于非漏电线路的绝缘阻抗,而且与其他线路的绝缘阻抗符号相反。
传统电导法原理与有功电流法相似,通过计算流过馈线对地绝缘电阻的基波电流可辨识漏电线路[13-14]。由图4、图5可知,故障电流中基波电流微弱,因此,误差大,灵敏性低。
现有漏电保护方法中,只有零序电流法和零序功率方向法可作为主保护,因此,本文仅对这2种方法进行对比分析。应用算例1中的数据计算各馈线零序电流和零序功率,结果见表2。
表2 其他方法计算结果
Table 2 Calculation results of other methods
馈线零序电流/mA零序功率/W馈线I1.59馈线II0.021.3馈线III0.85.28
如前所述,零序电流法和零序功率方向法只利用了故障电流中的基波分量,而零序电抗器的补偿作用使得漏电馈线和非漏电馈线首端流过的故障电流大小相似,方向相同,因此,这2种方法均无法识别漏电线路,不具备选择性。根据式(9)、式(14)可计算出电容电流水平为3.21 A。
算例2:考虑变频调速设备产生的谐波电流导致用电设备端电压畸变,含有5、7次谐波电压,设电压畸变率为3%,其他参数与算例1相同,在馈线I发生非弧光漏电和人身触电时计算结果分别见表3、表4。本算例的非弧光漏电是指绝缘阻抗整体下降,人身触电采用1 500 Ω的电阻接地模拟。
表3 非弧光漏电计算结果
Table 3 Calculation results of non-arc leakage MΩ
方法绝缘阻抗馈线I馈线II馈线III传统电导法514324186本文方法254228-0.5
表4 触电计算结果
Table 4 Calculation results of electric shock MΩ
方法绝缘阻抗馈线I馈线II馈线III传统电导法51432486本文方法254228-0.004
非弧光漏电电流中的谐波含有率远小于弧光漏电时的谐波含有率,因此,算例2计算出的漏电馈线阻抗值远大于40 kΩ,但其符号为负,依然可以辨识出漏电线路;当发生人身触电故障时,由于人体阻抗较小,计算出的漏电馈线等效电导与其他馈线区别更加明显。所以,本文方法具有较好的选择性。
保护灵敏性是指对所在支路故障的反应能力。在漏电故障中,以分散性漏电即线路整体绝缘性能下降和弧光漏电最难识别,算例1和算例2的计算数据验证了本文漏电保护方法具有较高的灵敏性。
本方法不设置延时,动作时间由保护装置固有启动时间和算法的复杂度决定。畸变等效电导通过在时域内直接对电流和电压的采样瞬时值进行运算就可求出,无需通过傅里叶分解,将信号从时域转换到频域才能求解各次谐波电导,因而算法简单,速度快。
本文方法作为主保护, 在同一母线的各馈电线路发生漏电故障时能准确识别故障线路,具有良好的横向选择性,但不具备纵向选择性,需与附加直流电源法配合。
矿井高压电网虽不装设零序电抗器,但在地面变电站的接地变压器装有消弧线圈,其作用与零序电抗器相同,因此,本方法同样适用于矿井高压电网。另外,为了抑制谐波,在煤矿地面变电所一般装有兼具谐波抑制的无功补偿设施SVC(Static Var Compensator),SVC只能减小流向系统的谐波潮流,对矿井电网的谐波潮流不产生影响,因此,不会影响本文漏电保护方法的性能。
(1) 漏电保护智能化是提高矿井供电安全的重要手段之一。针对现有漏电保护功能单一、可靠性不高的问题,提出了一种基于等效电导的智能漏电保护方法。将畸变等效电导作为漏电故障特征参数,可定位漏电馈线和在线监测电缆绝缘状态;采用畸变无功电流初步评估本级电网的电容电流水平,可有效提高漏电保护可靠性和智能化水平。
(2) 矿井电网谐波和弧光现象日益严重,漏电故障信号畸变,弧光漏电发生概率增大,需挖掘和利用非基波分量中的故障信息。采用畸变电功率理论分解漏电信号,提取各馈线畸变有功电流,通过比较畸变等效电导的大小和符号识别弧光漏电故障。相比于只利用基波分量的漏电保护方法,该方法为解决弧光漏电故障识别困难提供了一种新思路。
[1] 郑庆乐,荣相,杨帆,等. 一种矿用低压漏电保护装置设计[J]. 工矿自动化,2020,46(2):12-17.
ZHENG Qingle, RONG Xiang, YANG Fan, et al. Design of a mine-used low-voltage leakage protection device[J]. Industry and Mine Automation,2020,46(2):12-17.
[2] 吴姜. 煤矿漏电保护系统模拟电网设计[J]. 实验室研究与探索, 2014,33(5):77-80.
WU Jiang. Simulation grid design for coal mine electric leakage protection system[J]. Research and Exploration in Laboratory, 2014,33(5):77-80.
[3] 杨帆,陈江. 矿用组合开关控制保护技术现状及发展趋势[J]. 工矿自动化,2019,45(8):79-82.
YANG Fan, CHEN Jiang. Present situation and development trend of control and protection technology for mine-used combined switch[J]. Industry and Mine Automation, 2019,45(8):79-82.
[4] 何梓源. 矿山低压无功补偿装置的选择性漏电保护研究[D].青岛: 山东科技大学, 2018.
HE Ziyuan. Selective leakage protection research of low-voltage reactive power compensation device in underground mine[D]. Qingdao:Shandong University of Science and Technology,2018.
[5] 高彦,魏可可,霍耀佳. 具有变频器的矿井低压漏电保护研究[J]. 中国安全生产科学技术,2019,15(6):127-132.
GAO Yan, WEI Keke, HUO Yaojia. Research on mine low-voltage electric leakage protection with frequency converter[J].Journal of Safety Science and Technology, 2019,15(6):127-132.
[6] 李倩,李奎,王尧, 等. 脉动直流剩余电流下AC型漏电断路器动作特性分析[J]. 河南理工大学学报, 2020,39(3):100-107.
LI Qian, LI Kui, WANG Yao, et al. Analysis on tripping performances of AC-type leakage circuit breaker under pulsating DC residual current[J].Journal of Henan Polytechnic University,2020,39(3):100-107.
[7] 王清亮,秦洁,刘新茹. 煤矿电网不对称故障辨识与定位方法[J]. 工矿自动化, 2018,44(12):71-77.
WANG Qingliang, QIN Jie, LIU Xinru. Identification and location method of asymmetric faults in coal mine power network[J]. Industry and Mine Automation, 2018,44(12):71-77.
[8] KUSTERS N, MOORE W. On the definition of reactive power under non-sinusoidal conditions[J]. IEEE Transactions on Power Apparatus and Systems, 1980,99(5):1845-1854.
[9] 王清亮,朱一迪, 牛倩, 等,用户层多谐波源的责任区分方法[J].电测与仪表,2018,55(24):27-34.
WANG Qingliang, ZHU Yidi,NIU Qian,et al.Responsibility distinction method for multiple harmonic sources of power consumers[J].Electrical Measurement & Instrumentation, 2018,55(24):27-34.
[10] WANG Qingliang,LIU Xinru,LIU Zeyu. Research on diagnosis and positioning of single-phase arc grounding fault in the distribution network[C]// Proceedings 2018 Chinese Automation Congress,2018.
[11] 李洋.中压配电网对地参数测量方法[D].西安:西安科技大学,2019.
LI Yang. Method of measuring ground parameters of medium voltage distribution network based on arc ground fault characteristics[D].Xi'an: Xi'an University of Science and Technology,2019.
[12] MT 871—2011 矿用防爆低压交流真空馈电开关[S].
MT 871-2011 Mine explosion-proof low voltage AC vacuum feeder switch[S].
[13] 吕良君, 姜锦峰, 王文进.矿井多级供电网络漏电故障的分析与检测[J].工矿自动化,2012,38(1):17-21.
LYU Liangjun, JIANG Jinfeng, WANG Wenjin. Analysis of electric leakage fault of mine multi-level power supply network and its detection[J].Industry and Mine Automation,2012,38(1):17-21.
[14] 梁睿,辛健,王崇林,等.应用改进型有功分量法的小电流接地选线[J].高电压技术,2010,36(2):375-379.
LIANG Rui,XIN Jian,WANG Chonglin,et al.Fault line selection in small current grounding system by improved active component method[J].High Voltage Engineering, 2010,36(2):375-379.
WANG Qingliang,YANG Bo,GAO Mei,et al.Intelligent leakage protection method of mine power grid based on equivalent conductance[J].Industry and Mine Automation,2020,46(6):59-64.