矿用多功能热电阻型隔离安全栅设计

张宇翔1,2,宋建成1,2,田慕琴1,2

(1.太原理工大学 电气与动力工程学院, 山西 太原 030024;2.太原理工大学 矿用智能电器技术国家地方联合工程实验室, 山西 太原 030024)

摘要针对常见热电阻型隔离安全栅存在的抗干扰性差、集成度低、功能单一等问题,设计了一种矿用多功能热电阻型隔离安全栅。该安全栅利用带有2路互相隔离输出的DC/DC隔离电源模块分别为安全侧和危险侧电路供电,结合信号的光耦隔离实现供电侧、危险侧和安全侧的三端隔离,具有热电阻二次非线性误差修正、热电阻传感器断线故障报警、带迟滞的高温报警及电压电流信号输出转换等功能。样机测试结果表明:2路热电阻可同时工作,阈值比较电路动作稳定;随着输入温度升高,输出电流基本呈线性增加,线性度高达0.15%,对应模拟量输出传输处理误差低于0.5%,符合相关规定要求;有效抑制了尖峰脉冲及各种噪声的干扰,具有较好的抗干扰性;最大相对误差仅为0.667%,低于同类型的XX6071型安全栅。实际应用结果验证了该安全栅温度测量结果准确,高温报警动作稳定,满足矿用电气设备的实际应用需求。

关键词隔离安全栅; 热电阻; 二次非线性误差修正; 光耦隔离; 井下信号检测

0 引言

随着煤矿井下装备自动化程度的提高,需要检测的信号逐渐增多,相较于防爆外壳内的控制电路,采集信号的传感器工作环境更加复杂和危险[1]。安全栅作为传感器和控制电路的接口,起到了隔离危险区与安全区的作用,限制了可能从安全区流入危险区的能量,保证了信号的安全传输[2-4],被广泛应用于井下检测系统。

文献[5]设计了一种基于磁隔离的热电阻型隔离安全栅,其电路结构简单,调试方便,但存在功能单一、集成度低等问题,且井下噪声及设备内部复杂的电磁环境会对经磁隔离的信号产生干扰,从而影响设备正常运行。文献[6]设计了一种基于单片机的智能型隔离安全栅,大大提高了温度测量精度,但由于加入数字电路,使其复杂性提高且易受井下环境干扰。针对常见热电阻型隔离安全栅存在的抗干扰性差、集成度低、功能单一等问题,本文设计了一种矿用多功能热电阻型隔离安全栅,利用光隔离改善抗干扰性能,增加带迟滞的开关量输出及灵活的模拟量输出类型,以兼容不同控制系统的要求。

1 矿用多功能热电阻型隔离安全栅总体设计

矿用多功能热电阻型隔离安全栅由热电阻信号检测电路、阈值比较电路、电压电流转换电路、线性光耦隔离电路、限能电路等组成,如图1所示。其利用带有2路互相隔离输出的DC/DC隔离电源模块分别为安全侧和危险侧电路供电,结合信号的光耦隔离实现供电侧、危险侧和安全侧的三端隔离。

图1 矿用多功能热电阻型隔离安全栅结构
Fig.1 Structure of mine-used multifunctional thermal resistance type isolation safety barrier

热电阻信号检测电路实现热电阻二次非线性误差修正及热电阻传感器断线故障报警功能。阈值比较电路实现带有迟滞比较功能的高温报警,并通过继电器输出开关量。电压电流转换电路用于信号类型转换,实现0~5 V信号和4~20 mA信号的输出,以兼容不同控制系统模拟量输入要求。线性光耦隔离电路采用HCNR201线性光耦实现稳定的模拟量信号隔离传送,光耦隔离电路实现对开关量信号的隔离。限能电路利用快速熔断器、瞬态抑制二极管及限流电阻等元件实现危险侧输入本安保护,保证安全侧能量不会窜入危险侧。

2 电路设计

2.1 热电阻信号检测电路

热电阻信号检测电路如图2所示。其中RRTD为PT100三线制铂热电阻;RZ为零电阻,其值为量程内最低温度时铂热电阻的阻值,为检测提供比较基准;RG为增益电阻,用于调整增益及量程;RLINE1,RLINE2,RLINE3为三线制铂热电阻的引线电阻;RLIN1和RLIN2为反馈电阻。

图2 热电阻信号检测电路
Fig.2 Thermal resistance signal detection circuit

考虑井下电气设备实际使用环境及测量技术要求,设置安全栅温度测量范围为0~200 ℃。热电阻阻值随温度的变化存在二次非线性部分,而现有的大部分采用桥式电路检测热电阻阻值的安全栅不能准确地对二次非线性部分产生的误差进行修正[7]。这部分误差通常采用带有微控制器的数字电路进行修正,因此,在安全栅这种纯模拟电路中,需要通过硬件对误差进行修正[8-10]。考虑误差修正、断线报警功能和电路的集成度,本文采用XTR105芯片实现热电阻的阻值转换。XTR105芯片采用量程中点值和上限值作为参考点修正热电阻二次非线性部分产生的误差。

增益电阻RG、反馈电阻RLIN1和RLIN2的计算公式分别为

RG=2(R2-RZ)(R1-RZ)/(R2-R1)

(1)

RLIN1=500(R2-R1)/(2R1-R2-RZ)

(2)

RLIN2=(1 000+RG)(R2-R1)/2(2R1-R2-RZ)

(3)

式中:R1为量程中点值所对应的热电阻值,Ω;R2为量程上限值所对应的热电阻值,Ω。

RRTD和RZ由XTR105芯片内部2路0.8 mA的恒流源激励,产生的电压输入到XTR105芯片内部的放大器A1,A2中。XTR105芯片的输出电流为

I0=4+40(VA1-VA2)/RG

(4)

式中:I0为输出电流,mA;VA1VA2分别为放大器A1和A2的正向输入端电压,V。

三极管Q1用于断线报警。XTR105芯片正常输出4~20 mA信号,三线制铂热电阻的任一线发生断线故障都会改变Q1的工作状态,使芯片输出2.2 mA 或27 mA的报警电流。

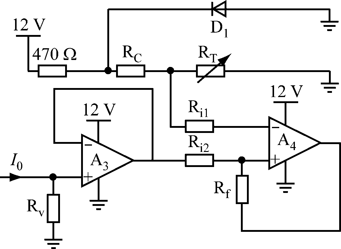
2.2 阈值比较电路

在井下一些应用中,需要根据被测对象的温度实现过热保护或闭锁等功能。现有热电阻型安全栅大多无法实现该功能,因此,在隔离安全栅中加入阈值比较电路具有现实意义。阈值比较电路如图3所示,该电路可实现带迟滞的阈值报警功能,且阈值与温度滞回区间可调。当温度超过设定阈值后,电路输出开关量信号,且动作带有迟滞性,以防止比较器在阈值附近频繁跳动[11]

图3 阈值比较电路
Fig.3 Threshold comparison circuit

图3中,A3为运算放大器LM358,通过连接其输出端与反向输入端构成电压跟随器,起到阻抗匹配作用;A4为比较器LM2904,用来比较测量电压和阈值电压;RT为阈值调节电阻;Rf为温度滞回区间调节电阻。在量程为0~200 ℃的情况下,RT与设定阈值温度的关系及Rf与设定温度回差的关系为

RT=RC(t+50)/[50(Vref-1)-t]

(5)

Rf=Ri1(600-Δt)/Δt

(6)

式中:RC为分压电阻,RC=10 kΩ;t为设定阈值温度,℃;Vref为稳压管电压,Vref=9.1 V;Ri1为比较器输入电阻,Ri1=10 kΩ;Δt为设定温度回差,℃。

2.3 线性光耦隔离电路

传统隔离安全栅的信号隔离多采用磁隔离方式,即将信号调制输入至隔离变压器并在输出侧解调。这种隔离方式对强磁场干扰及频繁使用电动机的环境较为敏感。本文采用抗扰性好、线性度高的线性光耦隔离方式[12-14],线性光耦隔离电路如图4所示。

图4 线性光耦隔离电路
Fig.4 Linear optocoupler isolation circuit

发光二极管LED和2个光二极管PD1和PD2组成HCNR201线性光耦。放大器A5和A6的反馈作用使LED的光照度输出及光二极管PD2的光电流输出变得稳定并具有线性特征,从而实现信号光隔离的目的。滤波电容C1=C2=100 nF,用于滤除高频干扰。电路输入电压与输出电压的比值为

Vin/Vout=KR3/R4

(7)

式中:Vin为输入电压,V;Vout为输出电压,V;K为光二极管电流比,K=1;R3R4为增益调节电阻,Ω。

2.4 限能电路

电路中的DC/DC隔离电源模块和光电耦合器件可承受的试验电压分别为3.5 kV和2.6 kV,高于GB 3836.4—2010《爆炸性环境 第4部分:由本质安全型“i”保护的设备》中规定的1.5 kV[15]

限能电路位于DC/DC模块的危险侧输出端,模块最大输出电压为12 V,最大输出电流为144 mA,危险侧电路最大功率为1 W。根据GB 3836.4—2010《爆炸性环境 第4部分:由本质安全型“i”保护的设备》附录表A.1和附录图A.1[15]中的简单电阻电路可知,12 V对应的允许短路电流为3.3 A,结合欧姆定律,得到DC/DC隔离电源模块限流电阻的取值范围为

(8)

式中:VO为输出电压,V;IM为允许短路电流,A;R为限流电阻,Ω;Vm为负载最小允许电压,Vm=10.8 V;PZ为最大输出功率,W;PM为最大负载功率,W。

由式(8)计算得到限流电阻应大于3.6 Ω且小于84.9 Ω,本文取4.7 Ω。快速熔断器电流取值应小于模块最大输出电流,本文取100 mA。

3 测试验证

3.1 样机测试结果

在实验室完成了样机调试,测试了矿用多功能热电阻型隔离安全栅的各种功能。结果表明,2路热电阻可同时工作,阈值比较电路动作稳定。

设温度阈值为60 ℃,温度滞回区间为57~63 ℃,对25~75 ℃范围内的16个温度点下安全栅输出电流进行检测,前8组测量结果见表1,数据散点图如图5所示。

表1 温度测量数据
Table 1 Temperature measurement data

序号测试温度/℃输出电流/mA序号测试温度/℃输出电流/mA125.906.072538.717.096229.156.328641.957.352332.316.584745.127.608435.546.840848.337.864

图5 安全栅输出电流散点图
Fig.5 Scatter diagram of output current of safety barrier

从图5可看出,随着输入温度升高,输出电流基本呈线性增加。根据GB/T 18459—2001《传感器主要静态性能指标计算方法》计算得到安全栅输出线性度高达0.15%,对应模拟量输出传输处理误差低于0.5%,低于AQ 6201—2017《煤矿安全监控系统通用技术要求》中的规定值1%。

使用电磁兼容测试仪进行电路抗干扰试验,结果表明,矿用多功能热电阻型隔离安全栅通过了GB/T 17626—2016《电磁兼容 试验和测量技术》中的4级静电放电抗扰度试验、3级电快速瞬变脉冲群抗扰度试验以及4级浪涌抗扰度试验,抗干扰性能优于AQ 6201—2017《煤矿安全监控系统通用技术要求》中的规定。

3.2 性能对比分析

选取一种外形及大小与测试样机均相同的XX6071型热电阻型隔离式安全栅进行对比。在2级电快速瞬变脉冲群抗扰度试验条件下,即在电源模块输入端引入电压峰值为1 kV、重复频率为5 kHz的脉冲群,采用可调电位器(阻值调节范围为100~150 Ω,间隔为5 Ω)作为输入,比较测试样机与XX6071型安全栅的性能,结果见表2,其中最大相对误差指实际测量值与理论计算值相对误差的最大值。

表2 安全栅性能对比
Table 2 Performances comparison of safety barriers

项目测试样机XX6071型安全栅集成路数21输出信号类型电压/电流信号电流信号阈值比较输出有无断线报警功能有无最大相对误差/%0.6670.97

由表2可看出,测试样机具有较高的集成度、多种输出类型及更为丰富的功能,最大相对误差仅为0.667%,低于XX6071型安全栅的0.97%。这是由于测试样机中的模拟信号采用光电隔离,有效抑制了尖峰脉冲及各种噪声的干扰,相较采用磁隔离的XX6071型安全栅,抗干扰性能得以提升。

4 结论

(1) 根据安全栅的特殊使用环境及实际应用需要,设计了矿用多功能热电阻型隔离安全栅。该安全栅实现了热电阻二次非线性误差修正、热电阻传感器断线故障报警、带迟滞的高温报警及电压电流信号输出转换等功能,同时,利用电路的高集成度,在有限的外壳空间内实现了2路热电阻信号的采集输出和2路阈值报警输出。

(2) 样机测试结果表明:2路热电阻可同时工作,阈值比较电路动作稳定;随着输入温度升高,输出电流基本呈线性增加,线性度高达0.15%,对应模拟量输出传输处理误差低于0.5%,符合相关规定要求;有效抑制了尖峰脉冲及各种噪声的干扰,具有较好的抗干扰性;最大相对误差仅为0.667%,低于同类型的XX6071型安全栅。

(3) 矿用多功能热电阻型隔离安全栅已应用于晋煤集团的智能化矿用千米定向钻机电控系统,对液压油箱、电动机定子绕组等的温度进行检测。应用结果表明,该安全栅温度测量结果准确,高温报警动作稳定,实现了对系统温度的监测与保护,保证了千米定向钻机的安全稳定运行。

参考文献(References):

[1] 任慧.矿用刮板输送机状态监测信号隔离安全栅的开发与应用[D].太原:太原理工大学,2014.

REN Hui.Development and application of the signal isolation safety barrier in the condition monitoring of armoured face conveyor in coal mine[D]. Taiyuan: Taiyuan University of Technology, 2014.

[2] 岳周,冯伟.新型信号隔离器和安全栅的特点及扩展应用[J].自动化仪表,2007,28(增刊1):40-42.

YUE Zhou, FENG Wei.Features and extended application of a novel signal isolator and safety barrier[J].Process Automation Instrumentation,2007,28(S1):40-42.

[3] 曲阳,王建辉,徐林,等.现场总线本质安全概念安全栅的研究开发[J].仪器仪表学报,2006,27(9):1004-1007.

QU Yang,WANG Jianhui,XU Lin,et al.Development of fieldbus intrinsically safe conception barrier[J]. Chinese Journal of Scientific Instrument,2006,27(9):1004-1007.

[4] 孙继平.AQ 6201《煤矿安全监控系统通用技术要求》修订意见[J].工矿自动化,2016,42(2):1-7.

SUN Jiping.Revision amendments of AQ 6201 General Technical Requirements of Coal Mine Safety Monitoring System[J].Industry and Mine Automation, 2016,42(2):1-7.

[5] 任慧,宋建成,高云广,等.热电阻隔离式安全栅的设计[J].煤矿安全,2014,45(9):100-102.

REN Hui,SONG Jiancheng,GAO Yunguang,et al. Design of thermal resistance isolated barrier[J].Safety in Coal Mines,2014,45(9):100-102.

[6] 张瀚方.基于IEC61508标准的功能安全型安全栅的设计研究[D].上海:华东理工大学,2015.

ZHANG Hanfang.Research on the design of functional safety safety barriers based on IEC61508[D]. Shanghai: East China University of Science and Technology, 2015.

[7] 谭长森.基于PT100型铂热电阻的测温装置设计[J].工矿自动化,2012,38(3):89-91.

TAN Changsen.Design of temperature measuring device based on PT100 platinum thermistor[J].Industry and Mine Automation,2012,38(3):89-91.

[8] 凌菁,滕召胜,张凯旋.基于Pt100的红外干燥箱动态温度补偿方法研究[J].电子测量与仪器学报,2016, 30(4):542-549.

LING Jing,TENG Zhaosheng,ZHANG Kaixuan.Research on dynamic temperature compensation method in infrared-drying oven based on Pt100[J]. Journal of Electronic Measurement and Instrumentation,2016,30(4):542-549.

[9] TRUMP B.Analog linearization of resistance temperature detectors [EB/OL]. (2012-01-13) [2019-07-03].http://www.ti.com/lit/an/slyt442/slyt442.pdf.

[10] 王向玲,侯卓,赵敏,等.新型电阻测量调理电路设计[J].核电子学与探测技术,2017,37(1):101-103.

WANG Xiangling,HOU Zhuo,ZHAO Min,et al.Design of a new conditioning circuit of resistance measurement[J].Nuclear Electronics & Detection Technology,2017,37(1):101-103.

[11] 谭丽蕊,董加付.迟滞比较器软件算法在摩托车燃油表中的应用[J].电子世界,2018(5):70.

TAN Lirui,DONG Jiafu.Application of hysteresis comparator software algorithm in motorcycle fuel gauge[J].Electronics World,2018(5):70.

[12] 许丹.模拟量输入功能安全型隔离栅的研究与设计[D].上海:上海应用技术学院,2015.

XU Dan.Research and design of the analogical input barrier with functional safety[D].Shanghai: Shanghai Institute of Technology, 2015.

[13] DIMITROV B, COLLIER G, CRUDEN A. Design and experimental verification of voltage measurement circuits based on linear optocouplers with galvanic isolation for battery management systems[J]. World Electric Vehicle Journal, 2019,10(4):59-77.

[14] 邱吉冰,赵伟.电流小信号隔离采集板的设计与实现[J].自动化仪表,2007,28(4):61-63.

QIU Jibing, ZHAO Wei.Design and implementation of isolation and acquisition board for small current signal[J].Process Automation Instrumentation,2007, 28(4):61-63.

[15] GB 3836.4—2010爆炸性环境 第4部分:由本质安全型“i”保护的设备[S].GB 3836.4-2010 Explosive atmospheres—Part 4: Equipment protection by intrinsic safety "i"[S].

Design of mine-used multifunctional thermal resistance type isolation safety barrier

ZHANG Yuxiang1,2, SONG Jiancheng1,2, TIAN Muqin1,2

(1.College of Electrical and Power Engineering, Taiyuan University of Technology,Taiyuan 030024, China; 2.National & Provincial Joint Engineering Laboratory of Mining Intelligent Electrical Apparatus Technology, Taiyuan University of Technology, Taiyuan 030024, China)

Abstract:In view of problems of poor anti-interference performance, low integration and single function of common thermal resistance type isolation safety barriers, a mine multifunctional thermal resistance type isolation safety barrier was designed. The safety barrier uses DC/DC isolated power supply module with two mutually isolated outputs to supply power to safety side and dangerous side circuits respectively, and realizes three-terminal isolation of power supply side, dangerous side and safety side combining with signal optocoupler isolation.It has functions of quadratic nonlinear error correction for thermal resistance, thermal resistance sensor disconnection fault alarm, high temperature alarm with hysteresis, voltage and current signal output conversion and so on. The prototype test results show that: two thermal resistances can work at the same time, and the threshold comparison circuit operates steadily; with the input temperature increases, the output current basically increases linearly, the linearity is as high as 0.15%, and the corresponding analog output transmission processing error is less than 0.5% , which meets requirements of relevant regulations; it effectively suppresses the interference of spikes and various noise, and has good anti-interference performance; the maximum relative error is only 0.667%, which is lower than the similar type of XX6071 safety barrier. The actual application results verify that the temperature measurement results of the safety barrier are accurate and the high temperature alarm action is stable, which meets the actual application needs of mine electrical equipment.

Key words:isolation safety barrier; thermal resistance; quadratic nonlinear error correction; optocoupler isolation; underground signal detection

中图分类号:TD67

文献标志码:A

文章编号1671-251X(2020)06-0012-05

DOI:10.13272/j.issn.1671-251x.2019090018

收稿日期:2019-09-05;修回日期:2020-05-26;责任编辑:胡娴。

基金项目:国家自然科学基金资助项目(51577123)。

作者简介:张宇翔(1994-),男,山西太原人,硕士研究生,研究方向为矿用智能电器技术,E-mail:248186676@qq.com。

引用格式:张宇翔,宋建成,田慕琴.矿用多功能热电阻型隔离安全栅设计[J].工矿自动化,2020,46(6):12-16.

ZHANG Yuxiang,SONG Jiancheng,TIAN Muqin.Design of mine-used multifunctional thermal resistance type isolation safety barrier[J].Industry and Mine Automation,2020,46(6):12-16.