基于Park变换的三电平逆变器开路故障诊断

任晓红, 万红, 俞啸, 丁恩杰

(中国矿业大学 信息与控制工程学院, 江苏 徐州 221008)

摘要针对现有二极管钳位式(NPC)三电平逆变器开路故障诊断方法存在计算量大、准确率受噪声和负载等影响的问题,提出了一种基于Park变换的三电平逆变器开路故障诊断方法。对三电平逆变器三相输出电流进行Park变换,计算平均电流Park矢量;利用滑动窗口取得单周期电流信号,根据逆变器电路结构分析IGBT故障时输出电流变化;采用迭代法确定平均电流Park矢量模值的阈值,结合相角和模值进行三电平逆变器功率管13种开路故障的识别和定位。仿真结果表明,该方法故障诊断准确率达到了98.31%。与传统的开路故障诊断方法相比,该方法不需要对13种开路故障数据进行学习和训练,大大减少了计算量,提高了故障诊断效率和准确率。

关键词NPC三电平逆变器; IGBT功率管开路故障; Park变换; 平均电流Park矢量

0 引言

目前,矿井提升机、带式输送机等设备中的电动机控制系统都装配了多电平逆变器[1-2]。大部分矿井提升机中使用的是二极管钳位式(Neutral Point Clamped, NPC)三电平逆变器[3]。由于NPC三电平逆变器所需的绝缘栅极型双极晶体管(Insulate-Gate Bipolar Transistor,IGBT)较多,结构复杂,任何一个IGBT发生故障都可能对整个系统造成影响[4-7]。IGBT故障包括开路故障和短路故障[8-9]。短路故障可以通过硬件自身的保护电路进行实时监测,一旦功率开关器件发生短路,保护电路会断开IGBT,将短路故障转换为开路故障。而开路故障不易发现,若逆变器长期在开路故障条件下运行,可能导致电动机发热、绝缘损坏等问题,引发更大事故[10]。因此,对三电平逆变器功率管开路故障进行及时准确的诊断对矿山安全生产具有重要意义。

文献[11]针对多电平逆变器提出了一种基于小波包变换-主元分析-神经网络算法的故障诊断方法,该方法需要大量数据训练分类器,并且计算消耗相对较高。文献[12]通过逆变器-电动机的系统模型获取电流信号参考值,通过其与实测电流信号的差异判断功率管故障,但该方法对噪声比较敏感,故障诊断准确率低。文献[13]提出了一种基于输出线间电压模型的单开关开路故障诊断技术,然而该方法需要逆变器输出电压具有周期性的正负特性,且受负载变化影响。文献[14]提出了一种基于快速傅里叶变换、相对主成分分析和支持向量机的新型故障诊断方法,该方法采用傅里叶变换进行信号时频域变换,容易丢失时域中的信号特征,从而影响故障诊断准确率。

针对上述问题,本文提出了一种基于Park变换的三电平逆变器开路故障诊断方法。对三相电流进行Park变换,计算平均电流Park矢量,通过判别Park矢量的相角区域和模值大小,确定发生开路故障的IGBT位置,从而实现NPC三电平逆变器IGBT开路故障的诊断与定位。

1 NPC三电平逆变器工作原理

1.1 拓扑结构

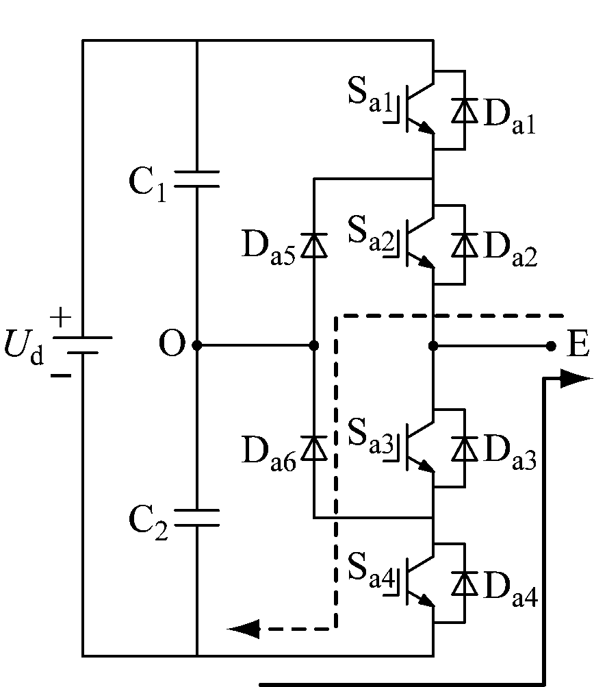
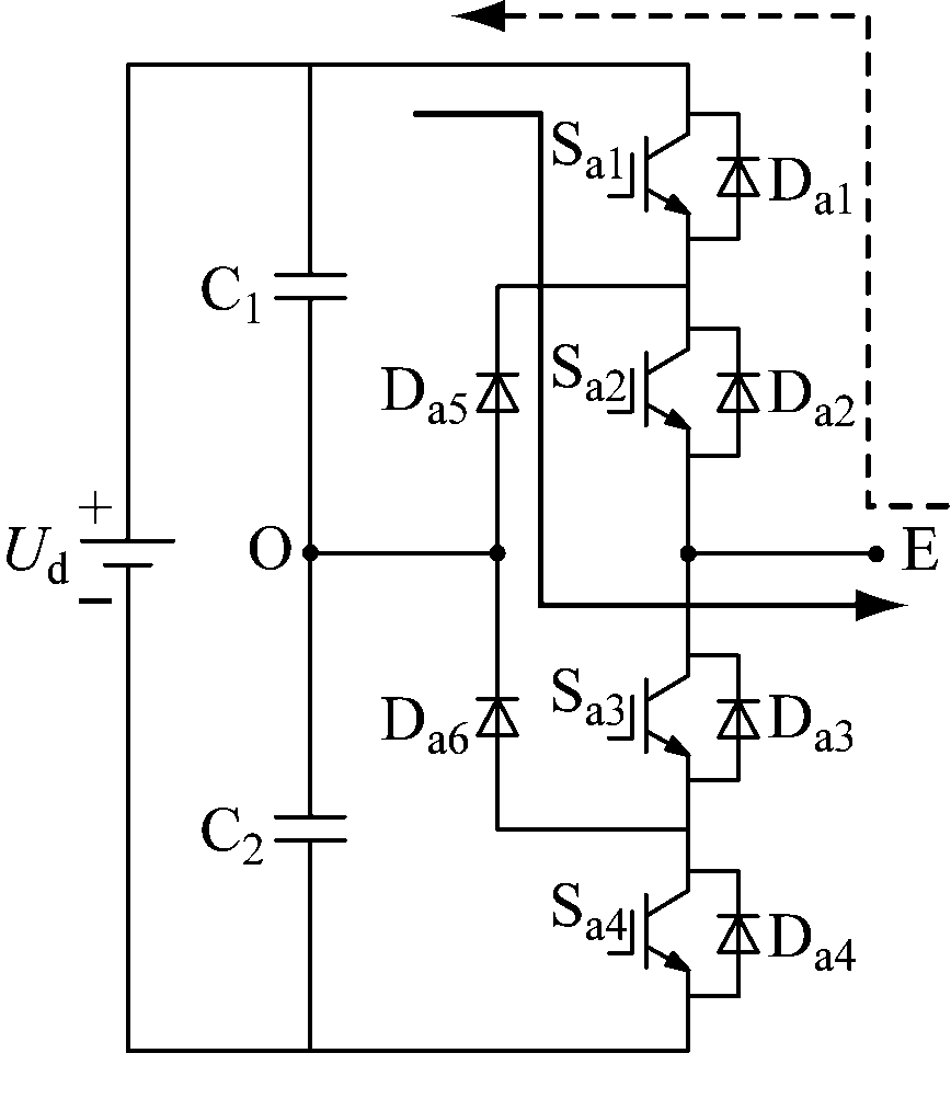
NPC三电平逆变器由12个IGBT(Sa1—Sa4,Sb1—Sb4,Sc1—Sc4)、12个续流二极管(Da1—Da4,Db1—Db4,Dc1—Dc4)、6个钳位二极管(Da5,Da6,Db5,Db6,Dc5,Dc6)、电容和直流电源组成,其拓扑结构如图1所示。NPC三电平逆变器A,B,C 三相结构对称,且每相都能输出高电平、零电平和低电平三种电平,即+Ud/2,0和-Ud/2,Ud为电源电压。

图1 NPC三电平逆变器拓扑结构
Fig.1 Topology of NPC three-level inverter

1.2 工作状态

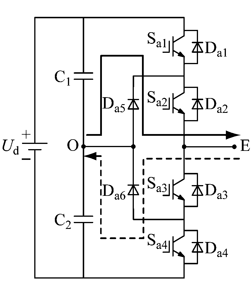
由于三相对称,以A相为例,通过桥臂的开关通断、电流走向来分析逆变器的工作情况。为便于分析,定义电流由逆变电路流入负载电动机的方向为正方向。NPC三电平逆变器输出高电平、零电平和低电平时的工作状态如图2所示,其中,红色实线代表电流流向电动机的路径,红色虚线代表电流流入逆变器的路径。

(a) 高电平

(b) 零电平

(c) 低电平

图2 NPC三电平逆变器工作状态
Fig.2 Working states of NPC three-level inverter

(1) 高电平状态:Sa1,Sa2导通,Sa3,Sa4关断,A相输出电压为正。正电流依次经过Sa1,Sa2流向电动机;负电流依次经过Da2,Da1流入逆变器。不考虑功率管上的压降,E点相对于O点的电势差为+Ud/2。

(2) 零电平状态:Sa2,Sa3导通,Sa1,Sa4关断,A相输出电压为零。正电流依次经过Da5,Sa2流向电动机;负电流依次经过Sa3和钳位二极管Da6流入逆变器。不考虑功率管上的压降,E点相对于O点的电势差为0。

(3) 低电平状态:Sa3,Sa4导通,Sa1,Sa2关断,A相输出电压为负。正电流依次经过Da3,Da4流向电动机;负电流依次经过Sa3,Sa4流入逆变器。不考虑功率管上的压降,E点相对于O点的电势差为-Ud/2。

2 Park变换及故障特征

2.1 Park变换

三电平逆变器正常运行状态下,平衡的三相电流为

(1)

式中:Im为电流幅值;ws为电流频率;t为时间; ψ为初始相位角。

通过Park变换将abc坐标系下的三相电流转换为dq坐标系下的相应分量[15]。三相电流iAiBiC的Park变换公式为

(2)

式中Id,Iq分别为Park变换后的d轴和q轴电流分量。

IdIq在1个周期内的平均值为

(3)

式中N为1个周期内的数据点数。

平均电流Park矢量的模i和相角φ分别为

(4)

2.2 故障状态下平均电流Park矢量特征

在正常运行状态下,1个周期内的电流平均值为零,即平均电流Park矢量的模为零。当三电平逆变器A相发生单管开路故障时,三相输出电流如图3所示。

从图3可知,B,C两相的输出电流波形变化很小,而A相输出电流变化较大。当Sa1故障时,A相输出电流的正半周幅值下降了近50%,负半周幅值保持不变;当Sa2故障时,A相输出电流的正半周幅值几乎为0,负半周幅值保持不变;当Sa3故障时,A相输出电流的正半周幅值保持不变,负半周幅值几乎为0;当Sa4故障时,A相输出电流的正半周幅值保持不变,负半周幅值下降了近50%。由此可以发现,当某一IGBT发生开路故障时,1个周期内的输出电流平均值不再为零。

图3 A相发生单管开路故障时的三相输出电流
Fig.3 Three-phase output current in case of A phase
single tube open-circuit fault

不同故障状态下的平均电流Park矢量相角分布情况如图4所示。

图4 不同故障状态下的相角分布
Fig.4 Phase angle distribution under different fault states

3 基于Park变换的故障诊断方法

3.1 故障分类

将正常状态列为一种特殊故障,用矢量索引表示故障类别,共有13种故障类别。输出矢量索引集记录为{normal,Fa1,Fa2,Fa3,Fa4,Fb1,Fb2,Fb3,Fb4,Fc1,Fc2,Fc3,Fc4}。其中“normal”表示正常状态,其余表示对应的IGBT单管开路故障。

3.2 故障诊断步骤

NPC三电平逆变器IGBT的13种故障通过平均电流Park矢量的模和相角进行区分。具体故障诊断步骤:① 设定阈值Y1,当Park矢量模值大于Y1时,判断功率管故障。② 根据图4确定Park 矢量相角所属区域。③ 设定阈值Y2,判断Park矢量模值与Y2的大小关系,进而定位故障功率管。

3.3 阈值设定

正常状态下,1个周期内连续电流平均值I

(5)

由于NPC三电平逆变器的对称性,以正常状态、Sa1故障和Sa2故障为例进行分析,不同故障状态下的平均电流如图5所示。

(a) 正常状态

(b) Sa1故障

(c) Sa2故障

图5 不同故障状态下的平均电流
Fig.5 Average current under different fault states

当Sa1故障时,A相输出电流的正半周幅值下降了近50%,负半周幅值保持不变,1个周期内的电流平均值当Sa2故障时,A相输出电流的正半周幅值几乎为0,负半周幅值保持不变,1个周期内的电流平均值

阈值Y1的确定:在理想情况下,功率管没有发生故障,Park矢量模值等于0。考虑噪声影响和电流不稳定因素,阈值Y1确定为大于0的常数:

(6)

阈值Y2的确定:阈值Y2是每一相桥臂的2,3管与1,4管模值的区分值,其取值范围可以设定为当Park矢量的模值大于阈值Y2时,故障开关器件是功率管Sa2Y2设定为Ia1Ia2的中间值,可以最大程度上区分Sa1和Sa2故障,因此,设

故障功率管与相角和模值的对应关系见表1。

4 仿真分析

通过Matlab/Simulink 平台进行NPC三电平逆变器电路仿真。采集健康状态和12种故障状态下的电流样本,采集时长为0.1 s,采集频率为50 Hz,电流幅值为37 A,利用滑动窗口,以0.001 s为滑动距离,共选取0.03~0.07 s范围内的41个窗口,每个窗口时间为0.02 s(1个周期),13种情况共获取样本41×13=533个。1个周期内(0.04~0.06 s)的平均电流Park矢量的模和相角见表2。

表1 故障功率管与相角和模值的对应关系
Table 1 Corresponding relationship between the faulty
power tube and the phase angles and modulus

故障器件模值/A相角/(°)故障器件模值/A相角/(°)Sa1Y2120~180Sa2>Y260~120Sb4Y2240~300Sc1Y2180~240Sb1Y20~60Sb2>Y2300~360Sc4

表2 1个周期内平均电流Park矢量的模和相角
Table 2 Modulus and phase angles of average current
Park vector in one cycle

状态模值/A相角/(°)状态模值/A相角/(°)normal0.000 003357.48Fb318.78157.66Fa114.9288.48Fb411.94158.37Fa218.8292.42Fc115.25214.79Fa320.96272.92Fc219.64216.89Fa414.40276.49Fc319.6731.19Fb115.50 331.42Fc413.5723.97Fb221.49328.10

由表2可知,当IGBT处于正常状态下时,模趋于0,相角趋于360°。每一相桥臂的2,3管的模值在17~21 A之间,每一相桥臂的1,4管的模值在10~17 A之间。电流幅值Im=37 A,则

为了验证阈值Y2取值的合理性,在16.5~18.5 A之间,以步长0.1 A取不同的阈值进行实验。利用迭代法对533个样本进行21次迭代,并计算故障诊断准确率,结果如图6所示。

图6 阈值Y2取不同值时的故障诊断准确率
Fig.6 Fault diagnosis accuracy of threshold
Y2 with different values

从图6可看出,当阈值Y2为17.7 A时故障诊断准确率最高,达到了98.31%,验证了阈值Y2取值方法的合理性。

Y1=5.89 A,Y2=17.67 A时的故障诊断结果如图7所示。部分实际数据诊断结果见表3。

图7 故障诊断结果
Fig.7 Fault diagnosis result

表3 部分实际数据诊断结果
Table 3 Partial actual data diagnosis results

模值/A相角/(°)诊断故障类型实际故障类型诊断是否正确20.04206.27Fc2Fc2是20.4441.41Fc3Fc3是13.6239.25Fc4Fc4是2.45123.18normalnormal是17.8995.70Fa2Fa1否22.2397.16Fa2Fa2是18.24266.71Fa3Fa3是11.17268.20Fa4Fa4是12.63341.49Fb1Fb1是18.28337.74Fb2Fb2是21.57148.79Fb3Fb3是15.47145.40Fb4Fb4是16.25198.25Fc1Fc1是

从图7可看出,实际测试集分类与预测测试集分类具有很好的重叠度。

5 结语

提出了一种基于Park变换的三电平逆变器开路故障诊断方法,对三相电流进行Park变换,计算平均电流Park矢量,再通过判别Park矢量的相角和模值对发生开路故障的功率管进行定位。仿真结果表明,该方法故障诊断准确率达到了98.31%。与传统的开路故障诊断方法相比,该方法不需要对13种简单开路故障数据进行学习和训练,大大减少了计算量,提高了故障诊断效率和准确率。

参考文献(References):

[1] 丁恩杰,施卫祖,张申,等.矿山物联网顶层设计[J].工矿自动化,2017,43(9):1-11.

DING Enjie,SHI Weizu,ZHANG Shen,et al.Top-down design of mine Internet of things[J].Industry and Mine Automation, 2017,43(9):1-11.

[2] 陶宣彤.大功率电力机车牵引变流器故障诊断与寿命预测[D].成都:西南交通大学,2018.

TAO Xuantong.Fault diagnosis and remaining-life prediction of traction converter for high power electric locomotive[D]. Chengdu: Southwest Jiaotong University, 2018.

[3] WANG Y, LI Z, MA H. Comparison of two diagnosis methods based on switching voltage pattern for IGBTs open-circuit faults in voltage-source inverters[J]. Journal of Power Electronics, 2016, 16(3):1087-1096.

[4] 金林强.高速列车牵引系统逆变器复合故障诊断[D].南京:南京航空航天大学,2017.

JIN Linqiang.Fault diagnosis of three-level inverter in high-speed train with compound faults[D].Nanjing: Nanjing University of Aeronautics and Astronautics, 2017.

[5] 胡冉冉.基于混杂模型的牵引逆变器开路故障诊断研究[D].成都:西南交通大学,2018.

HU Ranran.Research on open-switch faults diangnosis based on hybrid system model in traction inverter[D].Chengdu: Southwest Jiaotong University,2018.

[6] BANDYOPADHYAY I, PURKAIT P, KOLEY C. Performance of a classifier based on time-domain features for incipient fault detection in inverter drives[J]. IEEE Transactions on Industrial Informatics, 2019,15(1):3-14.

[7] 林双双.基于信号处理的牵引逆变器IGBT的故障诊断方法研究[D].成都:西南交通大学,2018.

LIN Shuangshuang.Fault diagnosis of IGBT based on signal processing methods in traction inverter system[D]. Chengdu: Southwest Jiaotong University,2018.

[8] 蒋生成.变频器故障诊断及容错控制[D].哈尔滨:哈尔滨工业大学,2012.

JIANG Shengcheng.Inverter fault diagnosis and fault-tolerant control[D].Harbin: Harbin Institute of Technology,2012.

[9] WU Feng, HAO Yang,JIN Zhao, et al. Current similarity based open-circuit fault diagnosis for induction motor drives with discrete wavelet transform[J]. Microelectronics Reliability, 2017,75:309-316.

[10] 高兵.基于温度梯度及统计特性的IGBT模块失效评估方法研究[D].重庆:重庆大学,2016.

GAO Bing.Study on failure evaluation method of IGBT module based on temperature gradient and statistic characteristic[D]. Chongqing: Chongqing University,2016.

[11] 宋保业,徐继伟,许琳.基于小波包变换-主元分析-神经网络算法的多电平逆变器故障诊断[J].山东科技大学学报(自然科学版),2019,38(1):111-120.

SONG Baoye,XU Jiwei,XU Lin.Multi-level inverter fault diagnosis based on WPT-PCA-NN algorithm[J]. Journal of Shandong University of Science and Technology(Natural Science),2019,38(1):111-120.

[12] 吴鑫,焦京海,李强.三电平SVPWM逆变器矢量控制系统的故障仿真[J].北京交通大学学报,2017,41(1):78-84.

WU Xin,JIAO Jinghai,LI Qiang.Fault simulation on vector control system of three-level SVPWM inverter[J].Journal of Beijing Jiaotong University,2017,41(1):78-84.

[13] CHENG Shu, CHEN Yating, YU Tianjian, et al. A novel diagnostic technique for open-circuited faults of inverters based on output line-to-line voltage model[J]. IEEE Transactions on Industrial Electronics, 2016, 63(7):4412-4421.

[14] WANG T, QI J, XU H, et al. Fault diagnosis method based on FFT-RPCA-SVM for cascaded-multilevel inverter[J]. ISA Transactions, 2016, 60:156-163.

[15] 刘巍,季振东,何嵘,等.基于Park变换和神经网络的逆变器故障检测方法[J].电器与能效管理技术,2014(22):61-66.

LIU Wei,JI Zhendong,HE Rong,et al.Fault detection of inverter based on Park transformation and neural network[J]. Electrical & Energy Management Technology, 2014(22):61-66.

Open-circuit fault diagnosis of three-level inverter based on Park transformation

REN Xiaohong, WAN Hong, YU Xiao, DING Enjie

(School of Information and Control Engineering, China University of Mining and Technology, Xuzhou 221008, China)

AbstractIn view of problems that existing neutral point clamped (NPC) three-level inverter fault diagnosis method needs large amount of calculation and its accuracy is affected by noise and load, an open-circuit fault diagnosis method of three-level inverter based on Park transformation was proposed. Park transformation is carried out on three-phase output current of the three-level inverter to calculate average current Park vector;sliding window is used to obtain a single-cycle current signal, and output current change is analyzed in case of IGBT fault according to inverter circuit structure; iterative method is used to determine threshold value of average current Park vector modulus, and 13 kinds of open-circuit faults of three-level inverter power tube are identifid and located combining phase angle and modulus.Simulation results show that the fault diagnosis accuracy of the method reaches 98.31%. Compared with traditional open-circuit fault diagnosis method, the proposed method does not need to learn and train the data of 13 kinds of open-circuit faults, which greatly reduces calculation amount and improves efficiency and accuracy of fault diagnosis.

Key words:NPC three-level inverter; IGBT power tube open-circuit fault; Park transformation; average current Park vector

中图分类号:TD608

文献标志码:A

收稿日期:2019-10-25;修回日期:2020-05-11;责任编辑:胡娴。

基金项目:国家重点研发计划项目(2017YFC0804400,2017YFC0804401,2017YFC0804404)。

作者简介:任晓红(1994-),女,安徽宿州人,硕士研究生,主要研究方向为变频器故障诊断,E-mail:18256150351@163.com。

通信作者:俞啸(1989-),男,山东济宁人,讲师,博士,主要从事人工智能、信号处理和故障诊断方面的研究工作,E-mail:yxcumt2006@163.com。

引用格式:任晓红,万红,俞啸,等.基于Park变换的三电平逆变器开路故障诊断[J].工矿自动化,2020,46(5):82-86.

REN Xiaohong, WAN Hong, YU Xiao,et al.Open-circuit fault diagnosis of three-level inverter based on Park transformation[J].Industry and Mine Automation,2020,46(5):82-86.

文章编号1671-251X(2020)05-0082-06

DOI:10.13272/j.issn.1671-251x.17523