袁静泊1, 琚云鹏2, 杨龙月2, 吕承阳2
(1.兰州理工大学 电气工程与信息工程学院, 甘肃 兰州 730050; 2.中国矿业大学 电气与动力工程学院, 江苏 徐州 221116)
摘要:针对传统集中式变流器的结构已无法满足井下通风机应急供电需要的问题,设计了一种集充放电为一体的双级式井下局部通风机储能型变流器,该储能型变流器既能在系统停电时作为应急电源使用,又能实现电网正常运行时的无功补偿功能。提出了双级式储能型变流器的控制策略:当局部通风机的双回供电线路正常工作时,储能型变流器处于在线运行模式,PWM逆变器采用P/Q控制策略,此时主要对蓄电池进行充电并对电网进行无功补偿;当局部通风机的双回供电线路出现故障时,储能型变流器处于应急供电模式,PWM逆变器采用V/f控制策略。提出了一种基于状态反馈共电流内环的平滑切换控制策略,将V/f控制器状态与P/Q控制器的输出反馈至输入,用以解决储能型变流器在应急供电和在线运行时2种运行模式切换过程中产生的电流冲击问题,实现储能型变流器的平滑切换。仿真结果表明:在2种运行模式下,该控制策略可使变流器实现稳定运行,并能够实现平滑切换,具有较好的稳态与动态特性。
关键词:井下局部通风机储能系统; 双级式储能型变流器; 应急供电; 无功补偿; 状态反馈共电流内环
为防止井下瓦斯浓度过高造成安全隐患,发生供电故障后,矿井主要通风机应保证在10 min之内恢复供电,局部通风机必须保证在5 s之内恢复供电正常工作[1-2]。所以,对井下局部通风机进行可靠持续的供电,在配电点处设置容量合理且符合安全规范的储能装置势在必行,且具有重要意义。
目前针对井下局部通风机储能系统的研究主要集中在储能型变流器的拓扑结构及运行模式的控制策略上。文献[3]设计了一种煤矿通风机铅炭电池储能系统,该系统在并网运行时充电,电网故障时作为应急供电电源,但该系统未考虑到通风机负载运行时吸收的无功功率对大电网造成的影响。文献[4]设计了一种煤矿智能应急电源,实现了局部通风机的应急供电,同时还可以对电网进行无功补偿和调频等,但文献仅对稳态运行控制策略进行了简单分析,未对2种运行模式的切换控制策略进行设计。文献[5]设计了一种可以进行无功补偿的井下储能型变流器,并对储能型变流器的补偿原理进行了分析,但该储能型变流器仅为一级PWM变流器,直流侧需串联大量的储能电池才能满足所需要的电压等级。随着矿井局部通风机系统额定容量的扩大,传统集中式、功能单一的变流器结构已无法满足井下局部通风机应急供电的需要。
针对上述问题,本文设计了一种双级式井下局部通风机储能型变流器,并对其控制策略开展了研究。该变流器有2种运行模式,当局部通风机的双回供电线路正常工作时,储能型变流器处于在线运行模式,PWM逆变器采用P/Q控制策略,此时主要对蓄电池进行充电并对电网进行无功补偿;当局部通风机的双回供电线路出现故障时,储能型变流器处于应急供电模式,PWM逆变器采用V/f控制策略。储能型变流器在2种运行模式切换的过程中会引起电压幅值和频率的波动,产生合闸冲击电流,对负荷造成一定程度的影响[6]。为解决该问题,本文针对PWM变流器部分提出了一种基于状态反馈共电流内环的平滑切换控制策略,采用输出闭环跟踪的V/f控制和P/Q控制相互切换的方法实现了平滑切换。
以某煤矿的井下局部通风机为研究对象,根据《煤矿安全规程》中对井下掘进工作面通风机“三专两闭锁”的供电要求,并考虑补偿系统的经济性问题,本文对4台局部通风机进行一系列补偿与供电,补偿电路主电路结构如图1所示[7]。其中K1为并网开关。在井下供电系统正常供电时K1闭合,储能型变流器在进行无功补偿的同时,可以对整个供电系统进行削峰填谷;当井下供电系统停电时,储能型变流器对局部通风机进行供电,保证其正常运行。

图1 补偿电路主电路结构
Fig.1 Structure of main circuit of compensation circuit
本文设计的集充放电为一体的双级式(双向DC-DC变换器和双向PWM变流器)储能型变流器主要由矿用电池(铅炭电池)、隔离型DC-DC、DC-AC部分和滤波电路部分构成。主电路拓扑结构如图2所示。

图2 双级式储能型变流器主电路拓扑结构
Fig.2 Main circuit topology of two-stage energy storage converter
其中,E为直流电源,C为直流侧电容,T为高频隔离变压器,H1、H2和T组成了不含谐振的DAB(Dual-Active-Bridge)电路,该电路结构比较简单,只含有一个储能电感,体积比较小,功率密度高,开关损耗小,传输效率高[8]。H3为PWM变流器部分,由6个开关器件VT1—VT6组成。滤波电感Lf和滤波电容Cf组成了LC滤波电路,ZL为井下局部通风机,ea,eb,ec为井下供电的三相电源,S为并网开关。当储能型变流器处于在线运行模式时,S闭合,电网对蓄电池充电,储能型变流器对DCC点进行无功补偿;当电网出现故障时,S断开,储能型变流器充当应急供电电源。
双级式储能型变流器主电路拓扑的优势:
(1) 较一级拓扑电路来说,双级式储能型变流器拓扑可方便接入多组电池,避免电池组间环流,便于储能电池组扩容,又具备互为备用功能,提高了储能型变流器的冗余度和可靠性。
(2) DC/DC部分采用隔离型DAB电路,实现了电气隔离,增强了安全性,且高频变压器可使电压调节范围较宽;变压器两侧结构完全相同的DAB电路还可以实现零电压 (Zero Voltage Switch,ZVS)工作模式,更适合大中功率的应用场合。
(3) 具有双向DC/DC变换器环节,可以对直流侧电池的能量流向及充放电进行严格的控制,有利于系统的长期稳定运行。
另外,为防止DAB电路在工作过程中因开关器件的不一致引起直流偏置,从而导致变压器损耗增大和磁芯受损,本文选用四引脚高性能的单管IGBT,其可保持开关器件的一致性,实现较小的直流偏置,对变压器和电感的损耗影响很小,不会引发事故。
目前,在高瓦斯煤矿井下,局部通风机的供电广泛采用双电源“三专两闭锁”的方式。采用“三专两闭锁”供电方式的主局部通风机(局部通风机包括主局部通风机和副(备用)局部通风机,本文的供电对象是主局部通风机)的电源引自地面高压变电所直供,并通过专用变压器、专用线缆和开关供电,正常情况下运转供风,另一台与掘进工作面生产设备共用一路动力电源的局部通风机作为备用。两闭锁分别为瓦斯电闭锁和风电闭锁。
在这种供电方式下,若专用电源故障,导致主局部通风机很快停转,或高瓦斯矿井瓦斯积聚很快,瓦斯浓度超限,就会立刻启动风电闭锁或瓦斯电闭锁,造成动力电源断电,掘进设备被迫停止,生产中断。即使能切换到副(备用)局部通风机供风,也必须在主局部通风机恢复通风后,才允许人工恢复掘进设备的供电。
储能型变流器的供电对象为主局部通风机,控制器检测到专用电源故障,在主局部通风机失电的情况下,储能型变流器应迅速投入应急供电模式,提供30 min的应急供电,确保维修人员有足够的抢修时间。但是,如果主局部通风机故障或是其馈电开关及线路上存在故障,造成总馈电开关跳开,储能型变流器再投入只会造成二次故障,这时应切换至副(备用)局部通风机供风[9-10]。所以,启动应急供电模式前,不仅需要判断专用电源是否断电,还应判断各馈电开关的状态,根据各开关状态决定储能型变流器的运行模式。
(1) 当专用电源正常工作、主局部通风机正常运转供风时,储能型变流器处于备用充电和无功补偿模式。
(2) 当专用电源正常工作、主局部通风机存在故障时,馈电开关跳开,储能型变流器不投入,仅备用充电,由自动切换控制触点切换到副(备用)局部通风机工作。
(3) 当专用电源到工作面配电点的线路上存在故障导致总馈电开关跳开时,不论通风机开关状态如何,储能型变流器不投入,而是切换到副(备用)局部通风机工作。
(4) 当专用电源发生故障、总馈电开关未跳开时,主局部通风机失电,馈电开关为闭合状态,储能型变流器立即以应急供电模式启动,实现主局部通风机电源的无缝切换。
由煤矿配电网实时监测调度系统判断主局部通风机专用电源是否出现异常断电,并结合对各开关状态数据的在线分析,获得储能型变流器应急供电模式的启动信号,逻辑关系如图3所示。
图3 逻辑关系
Fig.3 Logical relationship
图中符号“&”为逻辑与,专用电源信号、闭锁专用总馈电开关状态、主局部通风机馈电开关状态均为1时,启动应急供电模式,储能型变流器投入。
结合以上对井下局部通风机供电方式的分析和储能型变流器接入方式的设计,获得储能型变流器2种工作模式的切换过程,其运行控制策略如图4所示。
储能型变流器在线运行时,PWM变流器工作于整流状态,采用P/Q控制策略,DAB电路相当于一个降压电路,此时井下电源首先对矿用电池充电,然后储能型变流器对DCC点进行无功补偿。P/Q控制策略的控制原理如图5所示。

图4 储能型变流器运行控制策略
Fig.4 Control strategy of energy storage converter operation

图5 P/Q控制策略的控制原理
Fig.5 Control principle of P/Q control strategy
图5中,Pref和Qref为有功和无功功率的参考值,Ud,Uq,id,iq分别为变流器d、q轴输出的电压、电流,idref,iqref为电流内环的电流参考值,ω为信号角频率,L为变流器滤波电感,PLL为三相锁相环,α为电网相位,Ua,Ub,Uc为三相正弦电压。采用P/Q控制策略时,功率外环跟随电网参考功率Pref和Qref,电流内环产生脉冲信号,驱动逆变器工作[11-12],电流内环的参考电流由式(1)计算得到。

(1)
式中Kpi和Kii分别为功率环PI控制器的比例和积分参数。
DAB电路采用相移控制,变压器取T型等效电路,忽略励磁回路的影响,可得到DAB全桥等效电路,如图6所示。图6中,L0为辅助电感Ls和变压器漏感之和,iL为电感L0中的电流,uN1和uN2分别为高频隔离变压器T原边和副边的电压,只需控制uN1和uN2之间的相移角大小和极性就可以控制功率大小和流向。

图6 DAB全桥等效电路
Fig.6 DAB full bridge equivalent circuit
这里以uN2超前uN1一个角度φ的情况进行分析。取uN2的相角为θ=ωt,以UTH和UTL分别表示uN2和uN1对应的高、低电平电压值,根据θ的取值,可以将一个开关周期内的工作过程分为4部分,即0≤θ<φ,φ≤θ<π,π≤θ<π+φ,π+φ≤θ<2π。
当0≤θ<φ时,L0上的电压为UTH+UTL,电感恒压充电,电流的变化率为
(2)
对式(2)求积分,可以得到电感电流为
(3)
同理可推导出θ在其他范围内的电感电流。根据电感电流的对称性,有
iL(2π)=-iL(π)
(4)
则
(5)
根据式(2)—式(5)可以得到半周期内输入电流的平均值为
(6)
当uN2滞后uN1,即φ为负时,可进行类似分析,综合式(6)有
(7)
式中-π≤φ≤π。
理想情况下,忽略损耗,可以得到变流器传输功率P为

(8)
从式(8)可知,传输功率与移相角φ之间为二次函数关系,当φ=±1/(2π)时,传输功率达到最大值,通过控制uN2和uN1间的移相角φ便可以控制传输功率的大小和方向。储能型变流器在线运行可以分为2个阶段,即充电阶段和纯无功补偿阶段。蓄电池充电时电网能量向蓄电池侧流动且储能型变流器发出感性无功功率,故φ取值范围为0~-1/(2π),纯无功补偿阶段时,电池充电结束,仅储能型变流器对感性负载进行无功补偿,φ的取值为-1/(2π)。
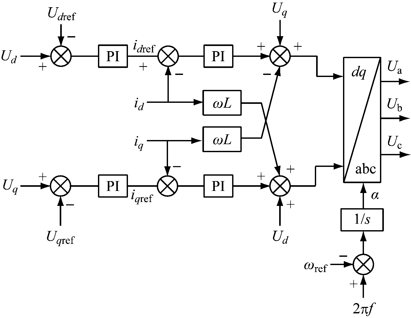
储能型变流器处于应急供电模式时,开关S断开,储能型变流器和通风机负载组成的供电系统与井下供电网络隔离。由于没有大电网作为电压支撑,为保证系统的频率和电压的稳定,PWM变流器采用V/f控制策略,即电压和频率通过蓄电池逆变器来调节, V/f控制策略如图7所示。

图7 V/f控制策略的控制原理
Fig.7 Control principle of V/f control strategy
V/f控制时,锁相角α用于电压的Park变换,逆变器三相输出电压Ua,Ub,Uc变换成Ud和Uq,通过与电压参考值进行做差,差值信号经过PI控制,得到内环控制器的参考信号idref和iqref。电流内环的参考电流可由式(9)计算得到。

(9)
式中kpi和kii分别为电压外环PI控制器的比例和积分参数。
储能型变流器处于应急供电模式时,DAB电路仍采用相移控制方式,此时蓄电池能量向局部通风机负载方向流动,应取φ=1/(2π)。
目前针对整体双向变流器的控制策略主要有分散逻辑控制、分布式控制策略以及模块化大容量中的无主从自均流控制[13-15],使前级DC-AC变流器与DC-DC电路控制解耦合。本文采用分布式控制策略实现储能型变流器的能量双向流动,使控制更加灵活。
在线运行时的P/Q控制器与应急供电时的V/f控制器是2个独立的控制器,但2种控制器的电流内环结构完全相同。传统切换控制如图8所示,当储能型变流器在线运行时,K1,K3闭合,K2断开;当储能型变流器应急供电时,K2闭合,K1,K3断开。当大电网失电、储能型变流器由在线运行模式切换至应急供电模式时,DCC点的电压会产生跌落,频率发生较大振荡,严重时会影响通风机负载的正常工作。为解决这一问题,本文将2种控制器的电流内环设计成一个整体,在在线运行时,使V/f输出始终跟随P/Q的输出,如此,切换时电流内环的参考电流的暂态波动较小,可以实现平滑切换。具体的实现方法如图9所示。

图8 传统切换控制策略
Fig.8 Traditional switching control strategy

图9 基于状态反馈共电流内环的切换控制策略
Fig.9 Switching control strategy based on state feedback and common current inner loop
在线运行时,DCC1与A点相连,DCC2与B点相连,此时功率外环处于工作状态,实际的有功功率P与有功功率参考值Pref做差,经PI调节生成d轴电流基准值idref,无功功率Q与Qref做差,经PI调节生成q轴电流基准值iqref。将V/f控制器状态与P/Q控制器的输出设计为一个负反馈,作为V/f控制器的输入,使得切换前V/f控制器的输出与P/Q控制器的输出的参考电流保持一致,在切换时不会产生大的电流波动。应急供电时,DCC1连接B点,DCC2连接A点,V/f控制器投入,dq轴参考电压值Udref和Uqref与实际值Ud和Uq做差,差值首先通过调节模块,再经过PI2调节输出信号idref和iqref,该信号传给电流内环控制器后再传给逆变器。
为了验证本文提出的储能型变流器分布式控制策略和基于状态反馈共电流内环切换控制策略的有效性,在Matlab/Simulink中搭建了储能型变流器模型,对其进行仿真验证。
搭建了储能型变流器仿真系统,通风机负载参数根据某煤矿FBDY系列隔爆型压入式局部通风机设计:有功功率为 2×5.5 kW,额定电压为380 V(线电压),功率因数cosψ为0.89,因此,等效为阻感性负载,R=18.5 Ω,L=30.18 mH。具体仿真参数见表1。
表1 系统主要仿真参数
Table 1 System main simulation parameters

采用分布式控制策略时的储能型变流器在应急供电模式下的仿真结果如图10所示。由图10可知,应急供电模式下输出相电流幅值约为45 A,畸变率低,满足电能质量要求,且直流母线电压可维持在700 V左右。

(a) 应急供电模式时变流器输出的相电流

(b) 应急供电模式时变流器输出的相电压

(c) 应急供电模式时变流器输出的直流母线电压
图10 储能型变流器在应急供电模式下的仿真结果
Fig.10 Simulation results of energy storage converter in emergency power supply mode
储能型变流器在线运行时电池充电阶段的仿真结果如图11所示。由图11可知,充电阶段储能型变流器输出电流的有效值约为22 A,谐波含量较低。充电阶段有功功率P为-1 000 W,无功功率Q为9 478 var,即大电网对电池进行恒功率充电,同时储能型变流器对井下通风机负载进行无功补偿。充电时,设直流侧母线电容电压初始值为600 V,大电网对蓄电池进行恒功率充电,直流母线电容电压经过0.015 s从暂态阶段达到700 V的稳定状态。

(a) 充电阶段电网侧相电流

(b) 充电阶段电网侧相电压

(c) 充电阶段有功功率和无功功率

(d) 充电阶段直流侧电压
图11 储能型变流器在线运行时充电阶段的仿真结果
Fig.11 Simulation results of energy storage converter of the charging phase in online operation mode
储能型变流器在线运行纯无功补偿阶段的仿真结果如图12所示。由图12可知,网侧电流的幅值仍为22 A,波形呈现良好的正弦性。此时有功功率P为0,无功功率Q为9 478 var,即此时系统检测到矿用电池已经充满电,大电网不再向蓄电池充电,储能型变流器对局部通风机进行无功补偿。

(a) 纯无功补偿阶段网侧相电流

(b) 纯无功补偿阶段电网侧相电压

(c) 纯无功补偿阶段有功功率和无功功率
图12 储能型变流器在线运行纯无功补偿阶段的仿真结果
Fig.12 Simulation results of energy storage converter of pure reactive power compensation stage in online operation mode
储能型变流器由在线运行模式切换至应急供电模式的仿真结果如图13所示。从图13可看出,在0.10 s时,切换控制开关,储能型变流器由在线运行模式切换至应急供电模式,相电流在极短的时间内增大至应急供电时需要的电流大小,未发生任何暂态冲击。在切换瞬间,电压出现较小的跌落,处于可控范围之内,不会对通风机负载造成影响。在线运行时,无功功率为正,变流器对大电网进行无功补偿,有功功率为负值,电网对蓄电池进行充电;切换后有功、无功功率均为正值,储能型变流器对负载供电的同时进行一定的无功补偿。切换过程曲线平滑,未出现超调。

(a) 相电流

(b) 相电压

(c) 有功功率和无功功率
图13 储能型变流器由在线运行模式切换至 应急供电模式的仿真结果
Fig.13 Simulation results of switching of online operation mode to emergency power supply mode of energy storage converter
储能型变流器由应急供电模式切换至在线运行模式的仿真结果如图14所示。从图14可看出,在预同步前,应急供电模式下的变流器输出电压的相位角均滞后于大电网的电压相位角,0时预同步信号启动,系统开始预同步,0.20 s变流器输出相位与电网相位完全同步,之后也未出现偏差,实现了频率同步;变流器输出相电压的有效值随电网电压的有效值逐渐升高,0.10 s实现了对电网电压的跟踪,达到了220 V;0.30 s时储能型变流器转为在线运行,相电流快速平滑地变为在线运行大小,未发生任何冲击和突变。在线运行时,相电压达到了预同步的要求,相电压在切换过程中未发生突变,实现了平滑切换。
图13和图14充分验证了本文提出的基于状态反馈共电流内环的平滑切换控制策略的有效性。
(1) 为保证矿井局部通风机24 h不间断供电,设计了一种作为局部通风机负载应急供电电源的新型储能型变流器的拓扑结构,并对其控制策略进行了研究。该储能型变流器在线运行时可以对蓄电池进行充电,对局部通风机进行无功补偿;在应急供电时可作为应急电源。

(a) 相位预同步

(b) 电压幅值预同步

(c) 相电流

(d) 相电压
图14 储能型变流器由应急供电模式切换至 在线运行模式的仿真结果
Fig.14 Simulation results of switching of emergency power supply mode to online operation mode of energy storage converter
(2) 针对储能型变流器在2种运行模式切换过程中出现的暂态振荡问题,提出了一种基于状态反馈共电流内环的平滑切换控制策略。仿真结果表明,该控制策略可使变流器实现2种模式下的稳定运行,并能够在2种模式下平滑切换,具有较好的稳态与动态特性。
参考文献(References):
[1] 李欢,贾佳,杨秀宇,等.煤矿综采工作面瓦斯浓度预测模型[J]. 工矿自动化,2018,44(12):48-53.
LI Huan,JIA Jia,YANG Xiuyu,et al.Gas concentration prediction model for fully mechanized coal mining face[J].Industry and Mine Automation, 2018,44(12):48-53.
[2] 宋洪阳. 云盖山煤矿带式输送机过风门防逆风装置[J]. 煤矿安全, 2018,49(11):88-90.
SONG Hongyang. Anti-upwind device for scraper conveyor passing air door in Yungaishan Coal Mine [J]. Safety in Coal Mines, 2018,49(11):88-90.
[3] 牛建娜, 周友, 吴峂. 煤矿通风机铅炭电池储能系统[J]. 工矿自动化, 2016,42(5):88-91.
NIU Jianna, ZHOU You, WU Tong. Lead-carbon battery energy storage system for coal mine ventilator [J].Industry and Mine Automation, 2016,42(5): 88-91.
[4] 吴峂,周友,牛建娜.储能系统在煤矿智能应急电源中的应用[J].储能科学与技术,2015,4(1):104-109.
WU Tong,ZHOU You,NIU Jianna.An energy storage system for smart coal mine emergency power supply[J].Energy Storage Science and Technology,2015,4(1):104-109.
[5] 刘建华,刘晓丹,唐润恒.井下局部通风机储能型变流器研究[J].煤炭技术,2017,36(12):194-196.
LIU Jianhua,LIU Xiaodan,TANG Runheng. Research on energy storage converter of underground local fan[J].Coal Technology,2017,36(12):194-196.
[6] 郭振华, 刘桂英, 粟时平, 等. 微网运行模式的平滑切换控制方法研究[J]. 电测与仪表, 2016,53(3):62-67.
GUO Zhenhua, LIU Guiying, SU Shiping, et al. Study on control methods of smooth switching under micro-grid operation mode[J].Electrical Measurement & Instrumentation,2016,53(3):62-67.
[7] 何青松.高瓦斯煤矿双巷掘进工作面甲烷风电闭锁分析[J].煤矿安全,2015,46(1):71-72.
HE Qingsong. Analysis of methane wind power lockout in two roadway driving face of high gas coal mine[J].Safety in Coal Mines,2015,46(1):71-72.
[8] 童安平,钱语安,杭丽君,等.基于离散迭代模型的DAB变换器等效电路研究[J].中国电机工程学报,2019,39(4):1138-1150.
TONG Anping, QIAN Yu'an, HANG Lijun, et al. A discrete-time model based equivalent circuit of DAB converter[J].Proceedings of the CSEE,2019,39(4):1138-1150.
[9] 胡建明, 乔爱凤. 双风机双电源自动切换技术的应用[J]. 山西科技, 2014,29(3):161-163.
HU Jianming, QIAO Aifeng.The application of double fan, double power-supply, automatic switch and automatic converter technology[J].Shanxi Science and Technology,2014,29(3):161-163.
[10] 窦勤耘. 煤矿“三专两闭锁”技术的应用[J]. 煤矿机电, 2007(5):82-83.
DOU Qinyun. Application of "three-special and two-locking" technology in coal mine[J].Colliery Mechanical & Electrical Technology,2007(5):82-83.
[11] 冯博豪,余向阳,明尧,等.基于主从控制微电网的状态跟随平滑切换控制策略[J].电网与清洁能源,2017,33(3):104-110.
FENG Bohao, YU Xiangyang, MING Yao, et al. Control strategy of grid connected and isolated island switching for master slave control[J].Power System and Clean Energy,2017,33(3):104-110.
[12] 陈杰,陈新,冯志阳,等.微网系统并网/孤岛运行模式无缝切换控制策略[J].中国电机工程学报,2014,34(19):3089-3097.
CHEN Jie, CHEN Xin, FENG Zhiyang, et al. A control strategy of seamless transfer between grid-connected and islanding operation for microgrid[J].Proceedings of the CSEE,2014,34(19):3089-3097.
[13] 赵彪,于庆广,王立雯, 等.具有馈电功能的新型并网UPS系统及其分散逻辑控制策略[J].中国电机工程学报, 2011,31(31):85-93.
ZHAO Biao,YU Qingguang,WANG Liwen, et al. Novel grid-connected UPS system with the electricity feedback function and its distributed logic control strategy [J].Proceedings of the CSEE,2011,31(31):85-93.
[14] 赵彪,于庆广,王立雯,等.无主从自均流并联并网电池储能系统[J].电力系统自动化,2012,36(21):108-112.
ZHAO Biao, YU Qingguang, WANG Liwen, et al. Parallel grid-connected system of non-master-slave and current-sharing battery energy storage[J].Automation of Electric Power Systems,2012,36(21):108-112.
[15] 赵彪,于庆广,王立雯,等.用于电池储能系统并网的双向可拓展变流器及其分布式控制策略[J].中国电机工程学报,2011,31(增刊1):244-251.
ZHAO Biao, YU Qingguang, WANG Liwen, et al. Bi-directional extensible converter and its distributed control strategy for battery energy storage grid-connected system[J].Proceedings of the CSEE,2011,31(S1):244-251.
YUAN Jingbo1, JU Yunpeng2, YANG Longyue2, LYU Chengyang2
(1.College of Electrical and Information Engineering, Lanzhou University of Technology, Lanzhou 730050, China; 2.School of Electrical and Power Engineering, China University of Mining and Technology, Xuzhou 221116, China)
Abstract:For structure of traditional centralized converters cannot meet emergency power supply requirements of mine local ventilators, a two-stage energy storage converter of mine local ventilator integrating charge and discharge was designed. The energy storage converter not only can use as an emergency power source when the power grid is out of power, but also can achieve reactive power compensation function during normal operation of power grid. A control strategy for two-stage energy storage converter was proposed. When dual-circuit power supply line of local ventilator works normally, the energy storage converter is in online operation mode, and the PWM inverter adopts P/Q control strategy, which mainly charges battery and compensates reactive power to the grid. When dual-circuit power supply line of local ventilator fails, the energy storage converter is in emergency supply mode, and the PWM inverter adopts V/f control strategy. A smooth switching control strategy based on state feedback and common current inner loop was put forward. The state of the V/f controller and the output of the P/Q controller are feedback to the input to solve the problem of current impact occurred during the switching of the two operating modes of the emergency power supply and online operation of the energy storage converter, so as to achieve smooth switching of the energy storage converter. The simulation results show that the control strategy enables the converter to operate stably and switch smoothly under two operating modes, which has good steady and dynamic state characteristics.
Key words:energy storage system of mine local ventilator; two-stage energy storage converter; emergency power supply; reactive power compensation; state feedback and common current inner loop
文章编号:1671-251X(2020)02-0065-09
DOI:10.13272/j.issn.1671-251x.2019050061
中图分类号:TD441
文献标志码:A
收稿日期:2019-05-22;修回日期:2019-10-22;责任编辑:张强。
基金项目:国家自然科学基金青年科学基金项目(51607179)。
作者简介:袁静泊(1998-),男,江苏徐州人,本科生,主要研究方向为储能技术、电能质量治理,E-mail:huangdi18952100790@163.com。
引用格式:袁静泊,琚云鹏,杨龙月,等.井下局部通风机储能型变流器控制策略研究[J].工矿自动化,2020,46(2):65-72.
YUAN Jingbo,JU Yunpeng,YANG Longyue,et al.Research on control strategy of energy storage converter of mine local ventilator[J].Industry and Mine Automation,2020,46(2):65-72.