经验交流

基于LoRa通信的无线液压支架压力传感器设计

李起伟1,2,3

(1.煤炭科学技术研究院有限公司, 北京 100013;2.煤炭资源高效开采与洁净利用国家重点实验室, 北京 100013;3.北京市煤矿安全工程技术研究中心, 北京 100013)

摘要针对煤矿顶板压力监测系统中的无线ZigBee传感器使用时间达不到设计预期、需频繁更换电池的问题,设计了一种基于LoRa通信的无线液压支架压力传感器。内嵌LoRa模块的无线液压支架压力传感器安装在液压支架上,采集液压支架前支柱、后支柱及前伸梁的压力值。被测液体介质通过导压孔加压到传感器压阻元件上,压阻元件受压发生形变,产生与压力线性相关的阻值变化;传感器的微控制单元测量加在电阻上的电压,将其换算成实际压力值。该传感器实现了煤矿顶板压力监测信号的远距离、低功耗、高可靠性无线传输:通过高扩频因子的直接序列扩频技术提高接收端灵敏度,获得较高的信号增益,从而增加通信距离;通过前向纠错编码技术提高传输可靠性;采集液压支架压力值并成功发送数据后进入休眠模式,以降低功耗。测试结果表明,该传感器1 h的平均功耗为1.18 mA·h,容量为5 000 mA·h的锂电池理论续航时间为141 d,满足煤矿使用要求;与ZigBee技术相比,LoRa有效通信距离更远,可靠性更高。

关键词顶板压力监测; 液压支架; 无线压力传感器; LoRa通信

0 引言

液压支架压力传感器是应用于煤矿井下综采工作面液压支架或普采工作面单体液压支柱压力监测的专用仪表,用来反映工作面的支护情况,分析工作面矿压变化规律,是顶板动态监测系统的重要组成部分。目前液压支架压力传感器主要有有线和无线2种传输形式。因支架下空间狭小,随着开采工作面不断推进,有线传输存在电缆易损坏、布线与维护困难的问题。无线传输具有布置灵活、移动方便、扩展性强等优势。

目前煤矿的无线传输形式以ZigBee为主,但ZigBee协议对信道带宽要求较高,通信距离较短。因此,需通过增加发射功率及采用多级级联的形式来提升距离与穿透性,完成远距离传输,但路由节点作为中继却不能休眠[1],使得系统功耗增大。无线ZigBee传感器在实际使用中通过电池供电,使用时间达不到设计预期,存在频繁更换电池的问题。鉴此,本文基于LoRa通信技术,设计了一种无线液压支架压力传感器,实现了煤矿顶板监测信号远距离、低功耗无线传输的目的。

1 传感器设计方案

LoRa是一种物理层调制方式,是将扩频通信技术应用于1 GHz以下频谱的一种广域网通信技术,融合了数字扩频、数字信号处理和前向纠错编码技术。在理想环境下,无线通信满足如下关系:

Pt-Pr+Gt+Gr=

(1)

式中:Pt为发射器发射功率;Pr为接收器灵敏度;GtGr分别为发射、接收天线增益;f为载波频率;d为收发天线间的距离;C为光速;Lc为发射天线的馈线插损;L0为空中传输损耗。

C和π的值代入式(1),可得

Pt-Pr+Gt+Gr=

L0-148 dB

(2)

对式(2)进行进一步转换可得

(3)

由式(3)可知,通过提升发射功率Pt可增加距离d,但同时传感器功耗也增大了,从而缩短了电池供电时间。这是目前无线传感器在实际应用中无法兼顾距离和功耗的问题所在。而LoRa通过高扩频因子的直接序列扩频技术提高接收端灵敏度(即减小Pr值),获得较高的信号增益,从而增加通信距离。这就改变了传输功耗和传输距离之间的平衡,呈现一种远距离、低功耗、长电池寿命、大系统容量、低硬件成本的通信特点,同时LoRa通过前向纠错编码技术有效提高了传输可靠性。文献[2]验证了将LoRa通信应用在煤矿矿压监测系统中的可行性,本文设计的LoRa通信工作在433 MHz频段,相比于主流ZigBee的2.4 GHz频段,具有更强的穿透和衍射能力,其低功耗、远距离的特点可有效优化顶板压力监测系统的无线网络拓扑结构[3],解决频繁更换传感器电池的问题。

无线液压支架压力传感器网络拓扑如图1所示。

图1 无线液压支架压力传感器网络拓扑
Fig.1 Network topology of wireless pressure sensor of hydraulic support

内嵌LoRa模块的无线液压支架压力传感器安装在液压支架上,采集液压支架前支柱、后支柱及前伸梁的压力值。被测液体介质通过导压孔加压到传感器压阻元件上,压阻元件受压发生形变,产生与压力线性相关的阻值变化;传感器的微控制单元(Micro Controller Unit,MCU)测量加在电阻上的电压,将其换算成实际压力值[4]。传感器通过LoRa模块实现与网关的无线通信,网关与各传感器之间采用主从通信方式,网关周期性依次采集各传感器数据,传感器采集压力值并成功发送数据后进入休眠模式,以降低功耗。

2 传感器硬件设计

无线液压支架压力传感器以ARM主控芯片STM8L151C8T6和LoRa射频芯片SX1268为设计核心,采用模块化结构,由压阻采集电路、放大电路、声光报警电路、LoRa通信电路、数码管显示电路、光照检测电路、电源电路、红外接收电路等组成,如图2所示。

图2 无线液压支架压力传感器硬件总体结构
Fig.2 Overall hardware structure of wireless pressure sensor of hydraulic support

传感器由锂电池供电,电源电路由低压差(Low Drop Output,LDO)控制外设电路进行功耗管理,核心ARM选用超低功耗处理器STM8L151C8T6,射频芯片使用SX1268。压阻电路将压力值转换成电压信号,经运算放大器放大及阻抗变换处理后进入AD转换器ADS7822。ARM对其采样并处理,通过射频电路将数据发送给网关,同时将采集到的压力值与设定值进行比较,超限时启动声光报警。当有强光照射时,光照检测电路产生电平变化并唤醒ARM,驱动数码管显示。通过遥控红外电路实现传感器地址、报警值等相关参数配置。

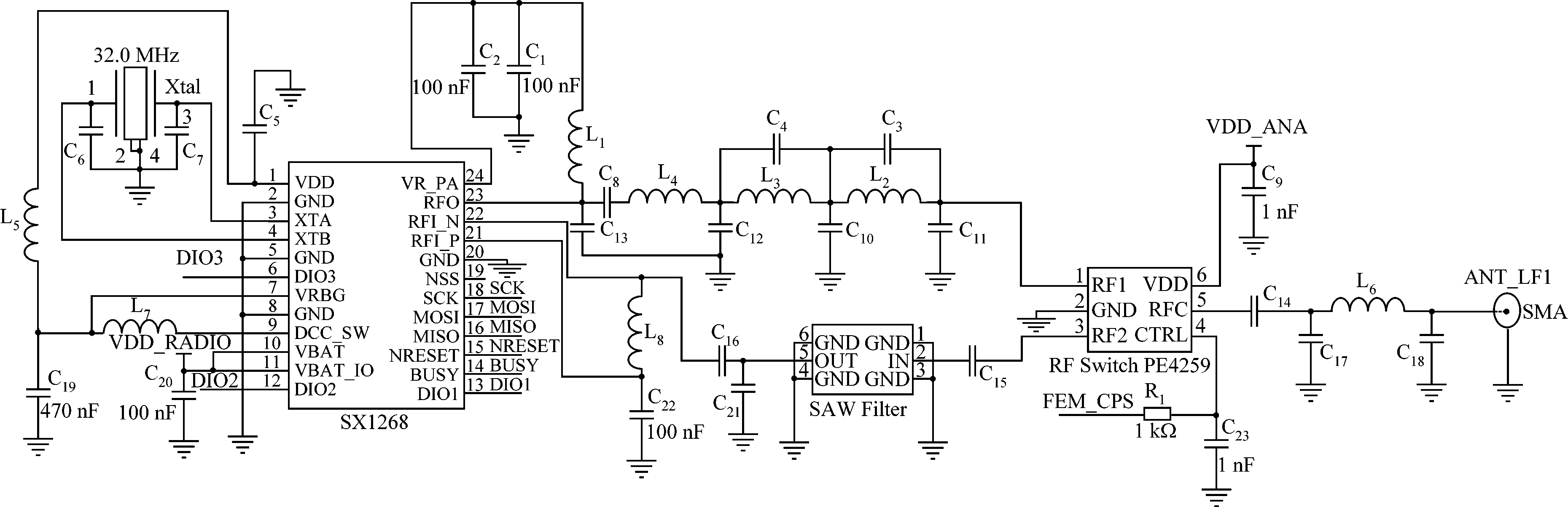
LoRa模块以SX1268为核心,采用SPI方式与ARM通信,SX1268是433 MHz LoRa半双工收发芯片[5],是SX1278的升级版,改进了发射和接收功耗。LoRa模块电路如图3所示。

图3 LoRa模块电路
Fig.3 LoRa module circuit

SX1268的第10引脚VBAT接射频电源,第11引脚VBAT_IO接数字I/O电源,由3.3 V供电,电源入口接电容,以减少电源纹波,保证供电稳定性。采用内部高效率降压DC-DC转换器的配电方式[6],由第9引脚引出电源,经L7接至第1引脚,使接收电流更小,可低至4.2 mA。采用32 MHz无源晶振,因为其工作方式为半双工,所以采用射频开关PE4259控制收发并进行射频电路切换,将收发支路分开[7]。发射支路由第9引脚射频发射输出,经LC椭圆低通滤波器抑制输出杂散后进入射频开关。射频接收差分输入第21引脚RFI_P,第22引脚RFI_N的前段接声表面滤波器,滤除频带外干扰,提升接收质量。射频开关后端经π型滤波器滤除发射的2次谐波、3次谐波和杂散信号,同时滤除接收的干扰信号。根据射频开关PE4259的真值表,由STM8L151C8T6的I/O口控制其第4引脚,实现收发电路切换。

在无线传感器设计中,功耗是极其重要的指标之一,关系到锂电池的续航时间。文献[8]分析得出芯片I/O口处于不同状态时,功耗会有明显不同。因此,本设计中,STM8L151C8T6和SX1268都进入休眠状态并关闭未用的外设,只保留实时时钟,用来做定时唤醒和外部中断主动唤醒,其余所有芯片的管脚都配置成模拟状态,不带上拉电阻和下拉电阻,以减少耗电。

3 传感器软件设计

液压支架的压力值属于缓变数据,因此,可通过程序调度外围电路的使用和工作模式的切换,使传感器间歇性工作[9],以降低其功耗。传感器软件流程如图4所示。

图4 无线液压支架压力传感器软件流程
Fig.4 Software flow of wireless pressure sensor of hydraulic support

传感器上电后,STM8L151C8T6读取EEPROM内的传感器地址、载波频率、灵敏度、信号带宽、扩频因子、工作模式等相关参数值并通过数码管显示[10],通过SPI对SX1268芯片进行初始化,开启中断,进行传感器自检。当有故障时,声光报警并显示故障类型码,没有故障则进入休眠模式。当检测到光照唤醒时,探头采集压力数据,经数据处理后通过数码管显示。网关根据设定时间定时唤醒传感器,传感器监听到网关唤醒命令时,采集压力数据并进行数据处理,然后通过LoRa模块将数据发送给网关。未收到唤醒时,传感器保持休眠状态。在数据处理过程中,若数据超限则发出声光报警。

4 测试分析

通过测量无线传感器电流实现其功耗测试。无线液压支架压力传感器的工作状态包括休眠状态、监听状态、射频接收/发射状态、探头采集显示状态[11]。用万用表测量无线液压支架压力传感器休眠时的静态电流,用示波器和电流探头捕捉其工作时的动态电流,设发送周期为5 min,光照唤醒频率为2次/h,1次数码管显示时间为10 s,测试结果见表1。

折算到1 h,无线液压支架压力传感器平均功耗[12]为142×2×12/3 600+0.03×296.3×12/3 600+38×10×2/3 600=1.18 mA·h。

表1 无线液压支架压力传感器功耗测试结果
Table 1 Power consumption test results of wireless pressure sensor of hydrautic support

模式电流时间/s休眠30 μA296.3 采集显示38 mA1.7(折算)采集发射142 mA2

设锂电池容量为5 000 mA·h,因电池存在自放电,电池电量按标称容量的80%预估,则理论上电池可续航天数为5 000×0.8/(1.18×24)=141。电池续航时间满足煤矿使用要求。

与传统无线通信方式相比,LoRa能够在发射功率相同的情况下实现更远的通信距离,同时拥有更强的抗干扰能力。在小区环境中测试LoRa通信距离与丢包率[13],地形如图5所示。网关放在煤炭科学研究总院1号楼楼顶,周围建筑多为小高层。大型煤矿井下工作面宽度为200~300 m,因此,最大测试距离取300 m,调整传感器LoRa模块扩频因子、带宽等参数,在距离网关200,220,240,250,280,300 m处,传感器各发收1 000包数据,统计通信丢包率[14]

图5 LoRa通信测试地形
Fig.5 LoRa communication test terrain

测试结果显示,在200~260 m内,传感器丢包率为0;在260~300 m内,丢包率小于0.5%。与ZigBee的有效通信距离50~100 m相比[15],LoRa有效通信距离更远,可靠性更高。

5 结语

分析了LoRa通信技术原理及其低功耗、远距离传输特性。以主控芯片STM8L151C8T6和LoRa射频芯片SX1268为核心,设计了一种基于LoRa通信的低功耗无线液压支架压力传感器。测试结果表明,该传感器1 h的平均功耗为1.18 mA·h,容量为5 000 mA·h的锂电池理论续航时间为141 d,满足煤矿使用要求;与ZigBee技术相比,LoRa有效通信距离更远,可靠性更高。该传感器解决了煤矿顶板压力监测系统中频繁更换传感器电池的问题,实现了压力监测数据的远距离、低功耗、高可靠性传输。LoRa通信技术在无线液压支架压力传感器上的应用有助于提升顶板压力监测系统运维的高效性与智能性,符合智慧矿山建设的发展趋势。

参考文献(References):

[1] 胡亮.无线低功耗液压支架压力监测系统设计[J].工矿自动化,2017,43(6):83-86.

HU Liang. Design of wireless pressure monitoring system of hydraulic support with low power consumption[J].Industry and Mine Automation,2017,43(6):83-86..

[2] 霍振龙.LoRa技术在矿井无线通信中的应用分析[J].工矿自动化,2017,43(10):34-37.

HUO Zhenlong.Application analysis of LoRa technology in mine wireless communication[J]. Industry and Mine Automation,2017,43(10):34-37.

[3] 郝瑞泽.基于LoRa技术的煤矿顶板监测系统的研究与设计[D]. 太原:中北大学,2019.

HAO Ruize. Research and design of coal mine roof monitoring system based on LoRa technology[D]. Taiyuan: North University of China,2019.

[4] 黄增波,叶锦娇,赵华玮.基于LoRa技术的低功耗无线锚杆应力传感器设计[J].煤矿现代化,2017(1):39-42.

HUANG Zengbo, YE Jinjiao, ZHAO Huawei. Design of low power wireless anchor rod stress sensor based on LoRa technology[J].Coal Mine Modernization,2017(1):39-42.

[5] 李时杰.远距离低功耗无线传输网络终端节点的设计与实现[D].合肥:合肥工业大学,2018.

LI Shijie.Design and implementation of long-distance and low-power wireless sensor network terminal node[D].Hefei:Hefei University of Technology,2018.

[6] 赵文举.低功耗广覆盖LoRa系统的研究与应用[D].北京:北京邮电大学,2019.

ZHAO Wenju.Research and application of LoRa system with low power and wide area[D].Beijing: Beijing University of Posts and Telecommunications, 2019.

[7] 赵全,徐光,郝龙,等.基于LoRa的无线多参数环境监测节点设计[J].电子测量技术,2019,42(5): 119-122.

ZHAO Quan,XU Guang,HAO Long, et al. Design of wireless mulli-parameter environment monitoring node based on LoRa[J].Electronic Measurement Technology,2019,42(5):119-122.

[8] 蔡文郁,张鹏鹏,张美燕.基于LoRa通信的无线传感网低功耗节点设计[J].杭州电子科技大学学报(自然科学版),2018,38(2):10-14.

CAI Wenyu,ZHANG Pengpeng,ZHANG Meiyan. Design of low-power WSN node based on LoRa [J].Journal of Hangzhou Dianzi University(Natural Sciences),2018,38(2):10-14.

[9] 薛光辉,赵贺,孙宗正.基于LoRa技术的矿用无线复合传感器设计与实现[J].煤炭工程,2020,52(4):166-170.

XUE Guanghui,ZHAO He,SUN Zongzheng.Design and implementation of mine wireless composite sensor based on LoRa[J].Coal Engineering,2020,52(4):166-170.

[10] 李继云,谢俊生.基于LoRa通信的矿用低功耗无线传感器设计[J].煤矿机电,2018(4):41-43.

LI Jiyun,XIE Junsheng.Design of mine low power comsumption wireless sensor based on LoRa communication[J].Colliery Mechanical and Electrical Technology,2018(4):41-43.

[11] 龚天平.LoRa技术实现远距离、低功耗无线数据传输[J].电子世界,2016(10):115-117.

GONG Tianping.LoRa technology achieves long distance,low power wireless data transmission[J]. Electronics World,2016(10):115-117.

[12] 楼亮亮,金彦亮,周苗,等.物联网节点功耗测量及电池寿命分析[J].自动化仪表,2015,36(12):52-55.

LOU Liangliang, JIN Yanliang, ZHOU Miao, et al. Measurement of the power consumption for IoT nodes and the analysis of the life cycle of battery[J]. Process Automation Instrumentation,2015,36(12): 52-55.

[13] 黄丹群.井下液压支架压力在线监测系统设计[J].工矿自动化,2015,41(12):9-11.

HUANG Danqun.Design of online pressure monitoring system of underground hydraulic support[J].Industry and Mine Automation,2015,41(12):9-11.

[14] 袁超.基于LoRa的远距离无线通信系统的设计与实现[D].武汉:华中科技大学,2017.

YUAN Chao.The design and implementation of Long-distance wireless communication system based on LoRa technology[D].Wuhan:Huazhong University of Science and Technology,2017.

[15] 冒志益.基于LoRa的智能监测系统的研究与实现[D].南京:南京理工大学,2018.

MAO Zhiyi.Research and implementation of intelligent monitoring system based on LoRa[D]. Nanjing: Nanjing University of Science and Technology,2018.

Design of wireless pressure sensor of hydraulic support based on LoRa technology

LI Qiwei1,2,3

(1.China Coal Research Institute, Beijing 100013, China; 2.State Key Laboratory of High Efficiency Mining and Clean Utilization of Coal Resources, Beijing 100013, China;3.Beijing Mine Safety Engineering Technology Research Center, Beijing 100013, China)

AbstractIn coal mine roof pressure monitoring system, the issues of wireless ZigBee sensors are not being long-lasting as designed and requiring frequent battery replacement. Hence, a wireless pressure sensor of hydraulic support based on LoRa technology is designed to address these problems. The wireless pressure sensor embedded LoRa module is installed on the hydraulic support to collect the pressure values of the front pillar, the rear pillar and the forepole. The measured liquid medium is pressurized to the piezoresistive element of the sensor through the pressure hole. The deformation of the piezoresistive element under pressure produces resistance change which is linearly related to pressure. The micro-control unit of the sensor measures the voltage which applied to the resistance and converts the voltage to the actual pressure value. The sensor achieves wireless long-range, low-power and high-reliability transmission of the coal mine roof pressure monitoring signal by using three methods: the direct sequence spread spectrum technology with high spread spectrum improves the sensitivity of the receiving end, achieves high signal gain and increases the communication distance; the forward error correction coding technology improves the transmission reliability; the sensor enters sleep mode to reduce the power consumption after collecting the pressure value of the hydraulic support and sending the data successfully. The test results show that the average power consumption of the sensor is 1.18 mA·h for 1 h and the theoretical endurance of the 5,000 mA·h lithium battery is 141 days. The sensor performance meets the need of coal mining. Comparing with ZigBee technology, LoRa shows better performance for long-range transmission and higher reliability.

Key words:roof pressure monitoring; hydraulic support; wireless pressure sensor; LoRa technology

中图分类号:TD355.4

文献标志码:A

文章编号1671-251X(2020)12-0111-05

DOI:10.13272/j.issn.1671-251x.2020040021

收稿日期:2020-04-07;修回日期:2020-11-23;责任编辑:胡娴。

基金项目:煤炭科学技术研究院技术创新基金资助项目(2019CX-I-08)。

作者简介:李起伟(1983-),男,河北邯郸人,副研究员,硕士,现主要从事煤矿安全装备研究工作,E-mail:liqiwei@ccrise.cn。

引用格式:李起伟.基于LoRa通信的无线液压支架压力传感器设计[J].工矿自动化,2020,46(12):111-115.

LI Qiwei.Design of wireless pressure sensor of hydraulic support based on LoRa technology[J].Industry and Mine Automation,2020,46(12):111-115.