矿山电力变压器与普通电力变压器绝缘纸老化特性对比分析

周一恒1,严家明2,吴新忠1,任子晖1

(1.中国矿业大学 信息与控制工程学院, 江苏 徐州 221116; 2.中国矿业大学 电气与动力工程学院, 江苏 徐州 221116)

摘要采集实际寿命周期中矿山电力变压器及普通电力变压器的围屏纸板制作绝缘试品,利用黏度测试仪、扫描电镜测试手段,并根据电力标准,对比分析了矿山电力变压器与普通电力变压器绝缘纸的聚合度、表面形貌等微观结构及局部放电、电气强度等电气性能,探讨了老化过程中微观结构变化对电气性能的影响。分析结果表明:老化过程中绝缘缺陷在绝缘纸中逐渐形成并扩大,相较普通电力变压器绝缘纸,矿山电力变压器绝缘纸的表面形貌变化更加明显,形成的缺陷也更加显著;在老化过程中,普通电力变压器和矿山电力变压器绝缘纸的聚合度均呈现逐渐下降趋势,但矿山电力变压器绝缘纸聚合度的下降速度更快;矿区运行环境是造成矿山电力变压器绝缘纸较普通电力变压器老化严重的主要原因。在运行过程中,矿山电力变压器绝缘纸较普通电力变压器将产生更大的放电量及更多的放电次数,放电相位也更宽;在老化过程中,普通电力变压器和矿山电力变压器绝缘纸的电气强度均呈现逐渐下降趋势,但矿山电力变压器绝缘纸的电气强度低于普通电力变压器;矿山电力变压器绝缘纸微观结构缺陷是导致其电气性能变化更加显著的直接原因。在电力设备状态监测维修过程中,对矿山电力变压器绝缘状态的监测建议从严执行电力标准,电气特征参数更适合用于矿山电力变压器绝缘状态监测及故障诊断。

关键词矿山电力变压器; 普通电力变压器; 绝缘纸老化; 微观结构; 电气性能

0 引言

矿山电力变压器是现代矿山能量转换和传输的核心,主要完成对地面及井下机电设备的供电,矿山电力变压器故障将导致矿区停电,造成经济损失甚至安全事故。矿山电力变压器故障主要是绝缘故障,其绝缘是由绝缘油和绝缘纸构成的二相复合结构,运行过程中在电、热等因素作用下逐渐老化。绝缘油老化后可通过滤油或换油来更新,但绝缘纸老化将造成不可逆损伤,因此,矿山电力变压器寿命主要取决于绝缘纸[1-2]。研究矿山变电所中矿山电力变压器绝缘纸的老化特性,对于丰富矿山电力变压器状态监测技术理论、保障矿山电力变压器的安全运行,具有重要的理论意义及实际应用价值。

目前,国内外对普通变电所中普通电力变压器绝缘纸的老化特性进行了较广泛的研究,并取得了一些研究成果。文献[3-5]研究了电力变压器绝缘纸老化的影响因素,指出绝缘纸老化的主要因素为热应力、电应力、机械应力及环境应力等,且热老化是绝缘纸劣化的主要形式。文献[6-8]研究了绝缘纸老化过程中的物理化学性能,得到了老化过程中绝缘纸的基本结构变化及产物生成规律,并分析了产物变化对加速老化过程的影响。文献[9-11]研究了绝缘纸老化过程中的电气性能,得到了老化过程中绝缘纸的介电响应、空间电荷及局部放电等特征,并分析了老化过程中电气性能的变化规律。文献[12-14]分析了利用物理化学性能及电气特性对电力设备绝缘状态进行诊断及寿命评估的方法。文献[15-16]应用新技术从微观角度对绝缘纸的老化机理进行了分析。这些研究主要集中于普通电力变压器的绝缘材料方面。由于矿山电力变压器运行环境复杂,在老化过程中其绝缘将表现出与普通电力变压器不同的特性,目前已受到专家学者和现场运维工程师的关注[17-18],但矿山电力变压器绝缘的老化特性研究还鲜见深入报道。

鉴此,本文分别采集了实际寿命周期中矿山电力变压器及普通电力变压器的围屏纸板制作绝缘材料,利用黏度测试仪、扫描电镜对比分析了老化过程中绝缘纸的聚合度、表面形貌等微观结构;根据电力标准,制作测量模型,对比分析了老化过程中绝缘纸的局部放电、电气强度等电气性能,探讨了老化过程中微观结构变化对电气性能的影响。

1 试验材料及测试

1.1 试验材料

选择某型号110 kV电力变压器在矿山变电所运行13 a大修期间和运行25 a退役后的绝缘系统为研究对象,采集其围屏纸板(厚1.5 mm)制作矿山电力变压器绝缘纸类型试品;选择同型号矿山电力变压器在普通变电所运行15 a大修期间和运行28 a退役后的绝缘系统为研究对象,采集其围屏纸板制作普通电力变压器绝缘纸类型试品;同时,采集由厂家提供的该型号变压器用绝缘纸板制作未老化绝缘纸类型试品。

根据电力变压器老化运行规律,本文将绝缘纸试品分为3个典型寿命阶段:未老化为寿命初期、运行13 a或15 a为寿命中期、运行25 a或28 a为寿命末期。

1.2 绝缘性能测试

1.2.1 微观结构测试

根据IEC 60450—2004标准[19],利用黏度测试仪(型号为NCY-2)测试不同寿命阶段绝缘纸的聚合度。

利用扫描电子显微镜(型号为JSM-6460)对不同寿命阶段绝缘纸的表面形貌进行测试。

1.2.2 电气性能测试

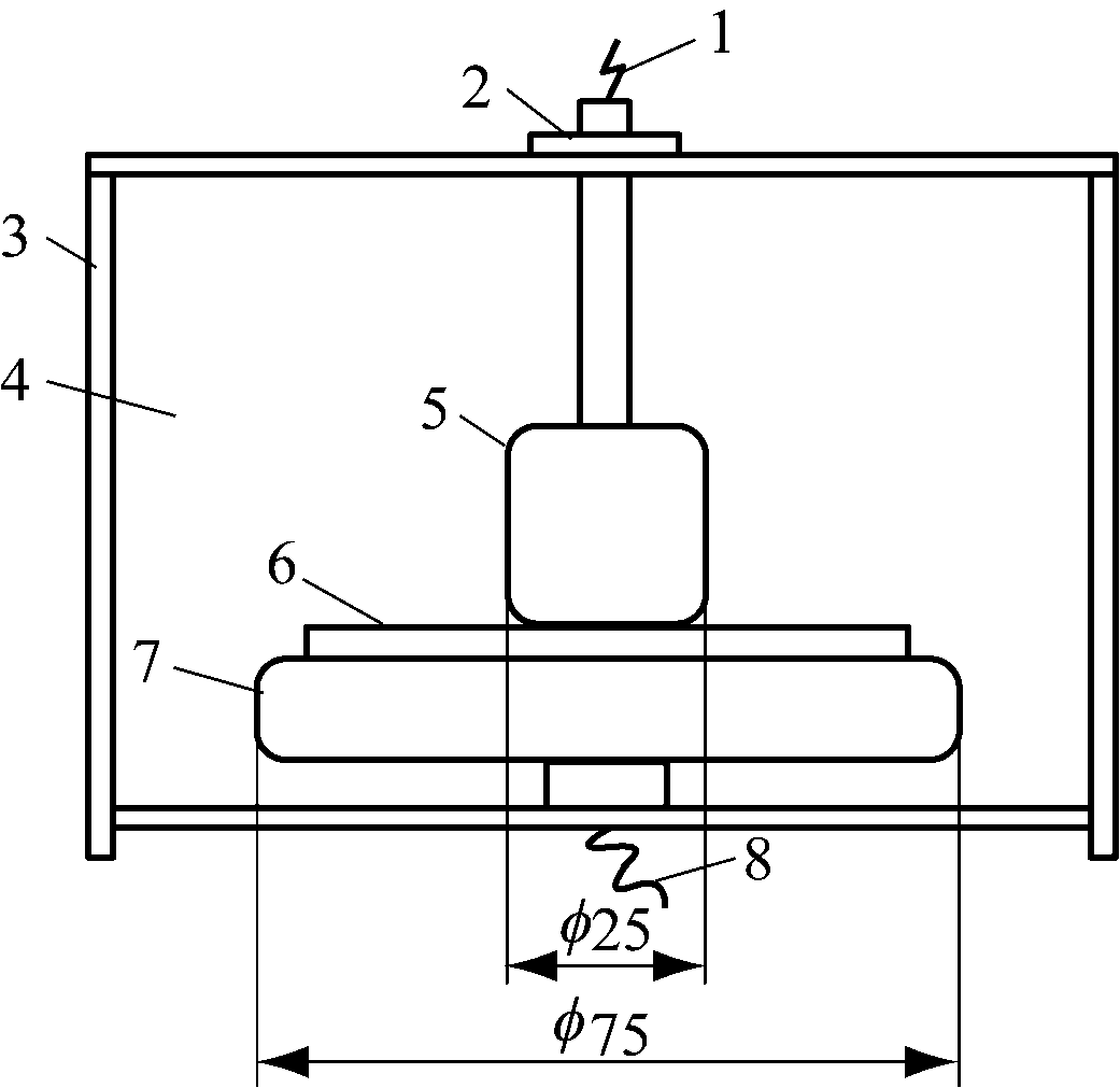
(1) 局部放电。局部放电测试模型如图1所示。试验电极根据CIGRE Method II标准制作;试品由采集的围屏纸板制作成直径为60 mm的圆片,平放于不锈钢地电极表面,高压铜柱电极紧贴于试品上方;整个柱-板电极系统置于装有25号矿物油的有机玻璃容器中。

1-高压引出端;2-铜螺母;3-有机玻璃容器;4-矿物油;5-高压铜柱电极;6-绝缘纸试品;7-不锈钢地电极;8-地线。
图1 局部放电测试模型
Fig.1 Test model of partial discharge

根据GB/T 7354—2018《局部放电测量》[20],利用柱-板电极模型测试在工频电压下试品的放电起始电压,每个寿命阶段、每种类型试品测试5个,取其平均值作为该阶段、该类型绝缘的放电起始电压;同时,对于每个寿命阶段,以普通电力变压器绝缘纸工频放电起始电压的1.3倍为施加电压,利用Agilent 54810A示波器,分别采集由RC检测阻抗感应的由普通电力变压器和矿山电力变压器绝缘纸试品在柱-板电极模型中产生的局部放电信号。

(2) 电气强度。根据GB/T 1048.1—2016《绝缘材料 电气强度试验方法 第1部分:工频下试验》[21],利用柱-柱电极系统测试工频电压下绝缘的电气强度,其中柱电极直径和高度均为25 mm,每个寿命阶段、每种类型试品测量5个,取其平均值作为该阶段、该类型绝缘的电气强度。

2 试验结果及分析

2.1 绝缘材料微观结构

2.1.1 表面形貌变化

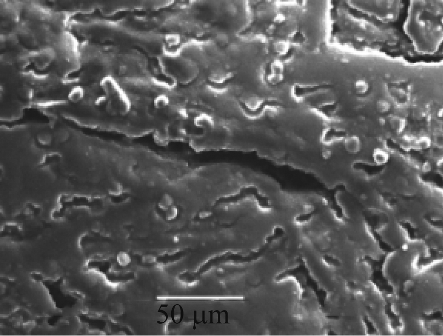
整个寿命周期绝缘纸扫描电镜的测试结果如图2—图4所示。从图2可看出,在寿命初期,未老化绝缘纸表面平整、光滑,纤维纹路致密、清晰。从图3可看出,在寿命中期,普通电力变压器绝缘纸纤维表面出现了皱痕,粗糙度增加;矿山电力变压器绝缘纸纤维除在表面起痕之外,还伴有分丝现象,且有孔隙生成。从图4可看出,在寿命末期,普通电力变压器绝缘纸纤维表面龟裂起皮,伴有微隙生成;矿山电力变压器绝缘纸纤维除在表面龟裂起皮外,纤维变细,且纤维之间有空洞形成。

图2 寿命初期绝缘纸扫描电镜图
Fig.2 Scanning electron microscope image of insulation paper at initial lifetime

(a) 普通电力变压器

(b) 矿山电力变压器
图3 寿命中期绝缘纸扫描电镜图
Fig.3 Scanning electron microscope images of insulation paper at mid lifetime

(a) 普通电力变压器

(b) 矿山电力变压器
图4 寿命末期绝缘纸扫描电镜图
Fig.4 Scanning electron microscope images of insulation paper at end of lifetime

由上述分析可知,老化过程中绝缘缺陷在绝缘纸中逐渐形成,并逐渐扩大;但相较普通电力变压器绝缘纸,矿山电力变压器绝缘纸的表面形貌变化更加明显,形成的缺陷也更加显著,表明其老化程度更高。

2.1.2 聚合度变化

直接反映绝缘纸老化程度的聚合度测试结果如图5所示。从图5可看出:在老化过程中,普通电力变压器和矿山电力变压器绝缘纸的聚合度均呈现逐渐下降趋势;但不论在寿命中期还是寿命末期,矿山电力变压器绝缘纸的聚合度均低于普通电力变压器,即其聚合度在老化过程中下降速度更快。

图5 绝缘纸聚合度
Fig.5 Polymerization degree of insulation paper

通过绝缘纸表面形貌和聚合度的分析可知,矿山电力变压器绝缘纸老化速度较普通电力变压器更快,其在老化过程中的微观结构变化较普通电力变压器更加明显。所以,在电力设备监测维修体制中,对矿山电力变压器绝缘的状态监测及故障诊断建议从严执行电力标准。

2.2 绝缘材料电气性能

2.2.1 局部放电变化

局部放电是绝缘劣化的主要表现形式,已经成为确定绝缘质量、进行绝缘预防性试验及绝缘状态判断的重要手段,局部放电检测指标主要包括放电起始电压、放电量及放电次数等[22]

(1) 放电起始电压。每个寿命阶段绝缘纸工频放电起始电压如图6所示。

图6 绝缘纸工频放电起始电压
Fig.6 Partial discharge inception voltage of insulation paper under power-frequency voltage

从图6可看出:在老化过程中,普通电力变压器和矿山电力变压器绝缘纸的放电起始电压均呈现逐渐下降趋势,但不论在寿命中期还是寿命末期,矿山电力变压器绝缘纸的放电起始电压均低于普通电力变压器,即在运行过程中,矿山电力变压器绝缘纸相较普通电力变压器更容易发生放电性故障。

(2) 局部放电信号。每个寿命阶段绝缘纸工频周期内的局部放电信号如图7—图9所示,其有效反映了老化过程中绝缘纸局部放电的放电量、放电次数及放电相位的变化。

图7 绝缘纸寿命初期单工频周期内的局部放电信号
Fig.7 Partial discharge signals in single power-frequency cycle at initial lifetime of insulation paper

(a) 普通电力变压器

(b) 矿山电力变压器
图8 绝缘纸寿命中期单工频周期内的局部放电信号
Fig.8 Partial discharge signals in single power-frequency cycle at mid lifetime of insulation paper

(a) 普通电力变压器

(b) 矿山电力变压器
图9 绝缘纸寿命末期单工频周期内的局部放电信号
Fig.9 Partial discharge signals in single power-frequency cycle at end of lifetime of insulation paper

从图7可看出,寿命初期,在工频周期的正、负半周均出现局部放电信号,但最大放电量较小,约为500 pC。从图8、图9可看出,在寿命中期和寿命末期,普通电力变压器和矿山电力变压器绝缘纸的最大放电量、放电相位均呈逐渐增长的趋势,且寿命中期,普通电力变压器和矿山电力变压器绝缘最大放电量分别约为2 200 pC和3 000 pC;寿命末期,最大放电量分别约为6 000 pC和7 000 pC。

显然,运行过程中矿山电力变压器绝缘纸的最大放电量、放电相位增长幅度均大于普通电力变压器,特别在寿命末期,矿山电力变压器绝缘纸的放电相位甚至增大至超越半周期(图9(b)中虚线椭圆处)。

每个寿命阶段、每种类型绝缘纸试品在200工频周期内的放电次数统计结果如图10所示。从图10可看出:在运行过程中,不论是普通电力变压器还是矿山电力变压器绝缘纸,单工频周期内的放电次数也均呈增加趋势,但矿山电力变压器绝缘纸放电次数增加更加显著。

图10 绝缘纸多工频周期内的放电次数统计
Fig.10 Statistic of insulation paper discharge numbers in multiple power-frequency cycles

由上述分析可知,运行过程中,矿山电力变压器绝缘纸较普通电力变压器将产生更大的放电量及更多的放电次数,放电相位也更宽,即在老化过程中,矿山电力变压器绝缘纸的放电现象相较普通电力变压器更加激烈。

2.2.2 电气强度变化

绝缘材料需具有较高的电气强度,这是其作为绝缘介质的内在要求。测得的每个寿命阶段绝缘纸在工频电压下的电气强度如图11所示。

图11 绝缘纸电气强度
Fig.11 Electrical strength of insulation paper

从图11可看出:在老化过程中,普通电力变压器和矿山电力变压器绝缘纸的电气强度均呈现逐渐下降趋势,但不论在寿命中期还是寿命末期,矿山电力变压器绝缘纸的电气强度均低于普通电力变压器,即在老化过程中,矿山电力变压器相较普通电力变压器更容易发生击穿事故。

根据绝缘纸局部放电及电气强度的分析可知:在老化过程中,矿山电力变压器绝缘纸电气特性的变化较普通电力变压器更显著;电气特征参数更适合用于矿山电力变压器绝缘状态监测及故障诊断。

3 微观结构变化对电气性能的影响分析

矿山电力变压器运行在矿区附近,主要完成对地面及井下机电设备的供电,由于矿山机电设备种类繁多,负荷量大,启停频繁,特别是现代矿山中,提升机、带式输送机、通风机、压风机及采煤机等大容量设备大多采用变频控制,造成矿山电力变压器面临恶劣的电磁环境[23-24],谐波严重,发热量大,温升偏高,导致其绝缘的热老化压力较普通电力变压器严峻。同时,矿区污染较普通地区严重,也造成矿山电力变压器面临更大的环境老化压力。因此,在运行过程中,矿山电力变压器绝缘纸比普通电力变压器老化严重,矿区运行环境是造成矿山电力变压器绝缘纸老化更快的主要原因。

老化过程中,随着矿山电力变压器绝缘纸微观结构的变化,纤维间逐渐形成微隙、孔隙甚至空洞等绝缘缺陷,从而造成放电起始电压降低、电气强度下降;随着老化持续,绝缘材料中的微观结构缺陷越来越大,必将造成最大放电量逐渐增加。同时,老化形成的缺陷为分布式缺陷,老化时间越长,绝缘材料中分布的绝缘缺陷就越多,从而导致其放电次数逐渐增加。因此,由材料微观结构变化而形成的微观结构缺陷是造成矿山电力变压器绝缘电气性能变化的直接原因。同时,由于矿山电力变压器绝缘纸老化较普通电力变压器严重、微观结构缺陷变化更加明显,故其电气特性也显示出较普通电力变压器更加显著的变化。

4 结论

(1) 在整个寿命周期中,矿山电力变压器绝缘纸老化速度较普通电力变压器更快,微观结构变化较普通电力变压器更加明显,电气性能变化也较普通电力变压器更加显著。

(2) 矿区运行环境是造成矿山电力变压器绝缘纸较普通电力变压器老化严重的主要原因。矿山电力变压器绝缘纸微观结构缺陷变化更加明显是导致其电气性能变化更加显著的直接原因。

(3) 在电力设备状态监测维修过程中,对矿山电力变压器绝缘状态的监测建议从严执行电力标准;电气特征参数更适合用于矿山电力变压器绝缘状态诊断。

参考文献(References):

[1] 邓世建,张宽,胡继普,等.油浸式电力变压器故障与其本体外表面温度关系分析[J].工矿自动化,2017,43(6):25-31.

DENG Shijian,ZHANG Kuan,HU Jipu,et al.Analysis of relationship between faults and outer surface temperature of oil-immersed power transformer[J].Industry and Mine Automation,2017,43(6):25-31.

[2] 廖瑞金,王季宇,袁媛,等.换流变压器下新型纤维素绝缘纸特性综述[J].电工技术学报,2016,31(10):1-15.

LIAO Ruijin,WANG Jiyu,YUAN Yuan,et al.Review on the characteristic of new cellulose insulation paper used in the converter transformer[J].Transactions of China Electrotechnical Society,2016,31(10):1-15.

[3] 刘睿,张宗喜,聂鸿宇,等.矿物油与植物油对绝缘纸热老化特性的影响研究[J].绝缘材料,2020,53(6):65-69.

LIU Rui,ZHANG Zongxi,NIE Hongyu,et al.Effect of mineral oil and vegetable oil on thermal ageing characteristics of insulating paper[J].Insulating Materials,2020,53(6):65-69.

[4] 李长云,孙孟玉,张迎春.基于油中水分含量的变压器绝缘纸寿命评估[J].高电压技术,2018,44(8):2541-2547.

LI Changyun,SUN Mengyu,ZHANG Yingchun.Life expectancy evaluation of transformer insulation paper based on moisture content in oils[J].High Voltage Engineering,2018,44(8):2541-2547.

[5] 韦雅.纤维素绝缘纸加速热老化聚合度下降规律研究[J].合成材料老化与应用,2019,48(6):52-55.

WEI Ya.Study on decreasing law of degree of polymerization of cellulose insulating paper with accelerated thermal aging[J].Synthetic Materials Aging and Application,2019,48(6):52-55.

[6] 刘雨霜.变压器绝缘纸老化分解产物检测技术与老化特性研究[D].武汉:华中科技大学,2018.

LIU Yushuang.Research on detection technologies and characteristics of transformer insulation paper aging products[D].Wuhan:Huazhong University of Science and Technology,2018.

[7] 刘克成,李振海,成立,等.油纸绝缘系统老化过程中油中甲醇的生成规律研究[J].绝缘材料,2019,52(5):81-85.

LIU Kecheng,LI Zhenhai,CHENG Li,et al.Formation rule of methanol in oil during aging process of oil-paper insulation system[J].Insulating Materials,2019,52(5):81-85.

[8] OLENA S,BOGDAN P,BORIS Z.Copper release kinetics and ageing of insulation paper in oil-immersed transformers[J].Engineering,2015,7(8):514-529.

[9] 李长云,冀章,闫宏伟.绝缘纸特性和极性反转对油纸绝缘空间电荷效应的影响[J].中国电机工程学报,2020,40(14):4708-4718.

LI Changyun,JI Zhang,YAN Hongwei.Influence of insulation paper characteristics and polarity reversal on space charge effect of oil-paper insulation[J].Proceedings of the Chinese Society for Electrical Engineering,2020,40(14):4708-4718.

[10] 黄若栋,邓云坤,吴建东,等.交直流叠加电场下油浸绝缘纸的空间电荷特性研究[J].中国电机工程学报,2018,38(4):1232-1238.

HUANG Ruodong,DENG Yunkun,WU Jiandong,et al.Investigation of space charge behavior under AC-DC combined stress for oil-paper insulation[J].Proceedings of the Chinese Society for Electrical Engineering,2018,38(4):1232-1238.

[11] WANG Yongqiang,ZHANG Xia,JIANG Xiaolei,et al.Effect of the oil-paper insulation aging on partial discharge characteristics in a hemispherical surface model[J].IET Science, Measurement & Technology,2019,13(5):729-736.

[12] ZHANG Mingze,LIU Ji,LIAO Lilin,et al.Method for predicting the remaining life of oil-paper insulation system based on stochastic degradation process[J].IET Science, Measurement & Technology,2019,13(4):478-485.

[13] JANVIER S N,ISSOUF F,YAZID H,et al.Review of physicochemical-based diagnostic techniques for assessing insulation condition in aged transformers[J].Energies,2016,9(5):367.

[14] RICARDO D M,ANDRÉS A R,ENRIQUE E M,et al.Assessing degradation of power transformer solid insulation considering thermal stress and moisture variation[J].Electric Power Systems Research,2017,151:1-11.

[15] 赵彤,石雷,张远涛,等.基于分子模拟的绝缘纸高温裂解过程水分产生及其破坏作用研究[J].中国电机工程学报,2017,37(15):4548-4556.

ZHAO Tong,SHI Lei,ZHANG Yuantao,et al.Study on H2O formation during the pyrolysis of insulating paper and its destructive effect based on molecular simulation[J].Proceedings of the Chinese Society for Electrical Engineering,2017,37(15):4548-4556.

[16] 殷飞.水分及酸对PMIA绝缘纸微观特性影响的分子模拟研究[D].重庆:西南大学,2019.

YIN Fei.Molecular simulation study on the effect of moisture and acids on microscopic properties of PMIA insulating paper[D].Chongqing:Southwest University,2019.

[17] 李艳文,李媛媛,田慕琴,等.矿用典型绝缘材料击穿特性及寿命模型的研究[J].高压电器,2019,55(2):104-109.

LI Yanwen,LI Yuanyuan,TIAN Muqin,et al.Study on breakdown characteristic and life model of typical insulation materials used in coal mine[J].High Voltage Apparatus,2019,55(2):104-109.

[18] 靳西婵,魏幼平.局部放电检测技术在矿用变压器故障诊断中的应用[J].煤矿机械,2013,34(12):254-256.

JIN Xichan,WEI Youping.Partial discharge detection technology in mine transformer fault diagnosis[J].Coal Mine Machinery,2013,34(12):254-256.

[19] IEC 60450-2004 Measurement of the average viscometric degree of polymerization of new and aged cellulosic electrically insulating materials[S].

[20] GB/T 7354—2018 局部放电测量[S].

GB/T 7354-2018 Partial discharge measurements[S].

[21] GB/T 1048.1—2016 绝缘材料 电气强度试验方法 第1部分:工频下试验[S].

GB/T 1048.1-2016 Insulating materials-test methods for electric strength-Part 1:test at power frequencies [S].

[22] 赵智大.高电压技术[M].北京:中国电力出版社,2014.

ZHAO Zhida.High voltage technique[M].Beijing:China Electric Power Press,2014.

[23] 李莉娜,胡新颜,刘春峰.煤矿电网谐波分析与治理研究[J].煤矿机械,2011,32(6):235-237.

LI Lina,HU Xinyan,LIU Chunfeng.Analysis and research on harmonic wave control of electric power supply system in mine enterprise[J].Coal Mine Machinery,2011,32(6):235-237.

[24] 朱晶晶,田慕琴,宋建成,等.谐波对矿用干式变压器损耗及温升的影响[J].工矿自动化,2016,42(3):24-30.

ZHU Jingjing,TIAN Muqin,SONG Jiancheng,et al.Influence of harmonic on loss and temperature rise of mine-used dry-type transformer[J].Industry and Mine Automation,2016,42(3):24-30.

Comparison and analysis of aging characteristics of insulation paper between mine power transformer and ordinary power transformer

ZHOU Yiheng1,YAN Jiaming2,WU Xinzhong1,REN Zihui1

(1.School of Information and Control Engineering, China University of Mining and Technology, Xuzhou 221116, China; 2.School of Electrical and Power Engineering, China University of Mining and Technology, Xuzhou 221116, China)

Abstract:Collect screen paperboard of mine power transformer and ordinary power transformer in practical lifetime cycle to make insulation test samples, and according to the standard of power, use test means such as viscosity tester, scanning electron microscopy to compare and analyze microstructures of insulation paper such as polymerization degree, surface morphology of mine power transformer and ordinary power transformer, as well as electrical properties such as partial discharge and electrical strength; at the same time, effect of microstructure changes on electrical performances during aging was discussed. The analysis results show that the insulation defects gradually form and expand in the insulation paper during the aging process; compared with the insulation paper of ordinary power transformers, the surface morphology changes of the insulation paper of mine power transformers are more obvious, and the formed defects are more significant.In the aging process, the polymerization degree of insulation paper of ordinary power transformer and mine power transformer presents a gradual decline trend, but the decline speed of polymerization degree of mine power transformer insulation paper is faster.The operating environment of mining area is the main reason that the aging of insulation paper of mine power transformer is more serious than that of ordinary power transformer.In the process of operation, the insulation paper of mine power transformer will produce more discharge quantity, more discharge times and wider discharge phase than ordinary power transformer.In the aging process, the electrical strength of insulation paper of both ordinary power transformer and mine power transformer decreases gradually, but the electrical strength of insulation paper of mine power transformer is lower than that of ordinary power transformer.The microstructural defects of insulation paper of mine power transformers are the direct causes of the more significant changes in their electrical properties.In the process of state monitoring and maintenance of power equipment, it is suggested that the insulation state monitoring of mine power transformers should be carried out strictly according to the power standards,electrical property parameters are more suitable for insulation status monitoring and fault diagnosis of mine power transformer.

Key words:mine power transformer; ordinary power transformers;aging of insulation paper; microstructure; electrical property

中图分类号:TD605

文献标志码:A

文章编号1671-251X(2020)11-0034-07

DOI:10.13272/j.issn.1671-251x.2020080095

收稿日期:2020-08-31; 修回日期:2020-10-21; 责任编辑:张强。

基金项目:国家重点研发计划项目(2017YFF0210600);中国矿业大学“十三五”品牌专业建设自主项目(电子信息工程)。

作者简介:周一恒(1981-),女,江苏徐州人,实验师,博士研究生,研究方向为电子电气设备状态监测及故障诊断,E-mail:zhouyiheng55@163.com。

引用格式:周一恒,严家明,吴新忠,等.矿山电力变压器与普通电力变压器绝缘纸老化特性对比分析[J].工矿自动化,2020,46(11):34-40.

ZHOU Yiheng,YAN Jiaming,WU Xinzhong,et al.Comparison and analysis of aging characteristics of insulation paper between mine power transformer and ordinary power transformer[J].Industry and Mine Automation,2020,46(11):34-40.