单辉亚1,肖冬明2
(1.湖南科技大学 机电工程学院,湖南 湘潭 411201;2.湖南科技大学 先进矿山装备教育部工程研究中心,湖南 湘潭 411201)
摘要:针对圆管带式输送机头部双电动机驱动、尾部单电动机驱动的工况,考虑输送带黏弹性力学特征,以 Kelvin-Voigt模型为基础,在AMESim软件中建立了圆管带式输送机输送带-驱动滚筒部分离散模型;在三相异步电动机直接转矩控制基础上,研究了三电动机驱动系统功率平衡控制原理,提出了一种主电动机速度给定、2台从电动机转矩给定的圆管带式输送机启动控制方法;通过Matlab/Simulink仿真及圆管带式输送机综合试验台测试研究了基于该方法的圆管带式输送机启动过程,结果表明该方法可实现圆管带式输送机平稳启动,启动过程中头部主电动机与头尾部从电动机输出转矩基本相等,启动4 s后负载差值几乎为0。
关键词:带式输送机;圆管带式输送机;三电动机驱动;启动控制;功率平衡控制;负载均衡控制
圆管带式输送机是一种新型环保高效的散料运输装备,广泛应用于矿山、冶金、港口等行业。圆管带式输送机启动过程中,输送带因具有黏弹性力学特征而产生较大张力,导致驱动电动机间功率不平衡,各电动机负载分配不均衡,严重时甚至烧毁电动机。为了保证圆管带式输送机启动过程中各电动机功率和负载均衡,合理的启动控制方法成为关键[1-2]。
带式输送机启动和稳定运行控制方式需要考虑其自身的动态特性。Cheng Xiaohan等[3]构建了一种垂直弯曲带式输送机连续动力学模型,并通过仿真验证了该模型的可行性,推导了带式输送机头部双电动机驱动和控制系统的功率不平衡公式;Yang Gao[4]基于输送带独特的黏弹性力学特性,构建了带式输送机离散模型,并推导了该模型的动力学方程,通过仿真研究了带式输送机在启动过程中的非线性黏弹性力学特性机理,为带式输送机动态性能的提高奠定了理论基础;A.J.G.Nuttall等[5]通过动态模拟速度控制启动过程,对带式输送机无负荷单驱动和多驱动布局的启动性能进行了比较,认为多驱动带式输送机与单驱动带式输送机动态特性之间可以建立联系;李光布等[6]建立了基于输送带悬垂度的带式输送机非线性运动方程和三电动机驱动的带式输送机动力学模型,以此开发了一种带式输送机动态仿真软件。在带式输送机多电动机驱动功率平衡控制方面,欧阳名三等[7]通过模糊控制实现了多电动机功率平衡控制,采用电动机电流预测方法来提高响应速度;Wang Xinhua等[8]以电流和速度信号同时采集为控制基础,提出了一种新的带式输送机功率平衡解决方案,分析了该方案的正确性与可行性,并给出了控制系统软硬件设计;N.A.Raji等[9]提出了一种高效实用的响应面优化技术来实现多电动机功率平衡输出,采用该技术对带式输送机多电动机驱动系统进行优化;席平原等[10]建立了带式输送机动态力学仿真模型,通过PID控制器控制带式输送机启动过程。上述研究没有充分考虑带式输送机驱动系统和输送带动态力学特性之间的联系。笔者所在项目组前期针对双电动机分别在头尾部驱动圆管带式输送机的工况,建立了圆管带式输送机动力学模型,分析了双电动机功率平衡控制原理,采用主电动机速度给定控制、从电动机转矩跟随的主从控制方案,建立了头尾部双电动机功率平衡控制系统[11]。
本文在分析输送带动态力学特性和驱动系统控制原理的基础上,提出一种头部主电动机速度给定、头部和尾部2台从电动机转矩给定的圆管带式输送机启动控制方法。研究思路:针对头部双电动机、尾部单电动机驱动工况,以 Kelvin-Voigt模型为基础,在AMESim软件中建立圆管带式输送机输送带-驱动滚筒部分离散模型;在电动机直接转矩控制基础上,研究三电动机驱动系统功率平衡控制原理,提出一种主电动机速度给定、2台从电动机转矩给定的圆管带式输送机启动控制方法;对圆管带式输送机启动过程进行Matlab/Simulink仿真研究,根据仿真结果分析该控制方法的理论可行性;在满载工况下,对圆管带式输送机启动过程进行转矩测试,并对测试结果进行分析,以验证该控制方法的性能。
圆管带式输送机主要由机架、输送带、驱动滚筒、托辊、传动系统、拉紧装置等组成。头部双电动机、尾部单电动机驱动的圆管带式输送机部件如图1所示。

图1 圆管带式输送机部件
Fig.1 Parts of pipe belt conveyor
输送带通常由橡胶覆盖层与织物或钢丝绳芯组合而成,在外力作用下表现出复杂的黏弹性力学特性[12-13]。采用Kelvin-Voigt模型建立输送带动力学模型。Kelvin-Voigt模型为1个弹簧和1个阻尼并联,再和1个质量块串联的结构,能够较好地反映输送带对应力的响应[14]。
假设:输送机启动和正常运转时,输送带看作可发生几何变形的杆;物料、托辊等效质量和运行阻力沿输送带均匀分布;驱动滚筒和拉紧装置是刚性的,并忽略该部分输送带质量;只考虑输送带纵向运动。以Kelvin-Voigt模型为基础,在AMESim软件中建立圆管带式输送机输送带-驱动滚筒部分离散模型,如图2所示。该模型为头部双电动机和尾部单电动机驱动、中部重锤张紧、向上运输的布置方式。参数设置:输送带长度为20 m,单元长度为2 m(上下各有10个离散单元),倾角为5°,带宽为650 mm,管径为150 mm,单位长度质量为5 kg/m;上下托辊单位长度质量分别为12.797,6.562 kg/m;物料单元长度质量为16.67 kg/m;物料与输送带之间的摩擦阻力因数为0.041;输送带弹性模量为6 787 kPa,成圆阻力为318 N;重锤质量为500 kg。

图2 输送带-驱动滚筒部分离散模型
Fig.2 Discrete model of belt and driving drum
直接转矩控制以定子磁链和转矩作为控制变量,无需电动机磁场定向、矢量变换等步骤,进一步提高了电动机控制系统的动态响应能力[15-16]。三相异步电动机直接转矩控制的电磁转矩方程为
Te=![]()
(1)
式中:Te为电动机电磁转矩;np为电动机极对数;Lm为定子绕组与转子绕组的等效互感;
为定子瞬态自感;Lr为转子等效自感;ψr为转子磁链矢量;ψs为定子磁链矢量;ρs,ρr分别为定子磁链矢量和转子磁链矢量相对于A轴空间电角度;δsr为负载角,即ρs与ρr的空间相位差。
Te取决于ψr和ψs的矢量积。实际运行中,|ψr|和|ψs|可认为不变,Te仅与δsr有关。通常δsr较小,对Te的调节和控制作用明显,因此通过调节δsr即可有效控制Te。
对于三电动机驱动的圆管带式输送机,其输出功率为
P=P1+P2+P3=Te1ω1+Te2ω2+Te3ω3=
(Te1+Te2+Te3)ωs
(2)
式中:P1,P2,P3为3台电动机的输出功率;Te1,Te2,Te3为3台电动机的电磁转矩;ω1,ω2,ω3为3台电动机的轴角速度;ωs为3台电动机的同步角速度。
根据式(1)、式(2),电动机i(i=1,2,3)的输出功率为
(3)
式中δsri为电动机i的负载角。
则有

(4)
由式(3)、式(4)可知,圆管带式输送机3台电动机的功率平衡控制可通过调节其负载角δsr1,δsr2,δsr3实现。
圆管带式输送机三电动机驱动系统功率平衡控制原理如图3所示。头部主电动机给定转速信号
和反馈转速信号ωr进行比较,二者差值经速度调节器处理后得到的转矩给定值
分别输入头部主电动机、头部从电动机和尾部从电动机控制模块。
与转矩计算模块输出信号经控制模块处理后得到空间电压矢量,生成PWM波,经电压源逆变器输出后为各电动机供电,从而达到控制各电动机电磁转矩的目的。

图3 圆管带式输送机三电动机驱动系统功率平衡控制原理
Fig.3 Power balance control principle of three-motor driving system for pipe belt conveyor
目前常用的带式输送机启动速度曲线有Harrison曲线、Nordell曲线、抛物线曲线等[17]。其中Harrison曲线加速度变化率较小,在带式输送机启动过程中产生的动张力较小,减小了启动过程中对各部件的影响,可确保电动机能够平稳输出驱动力及输送带平缓加速。因此,采用Harrison曲线作为圆管带式输送机启动速度曲线,如图4所示。启动速度为

(5)
式中t为时间。
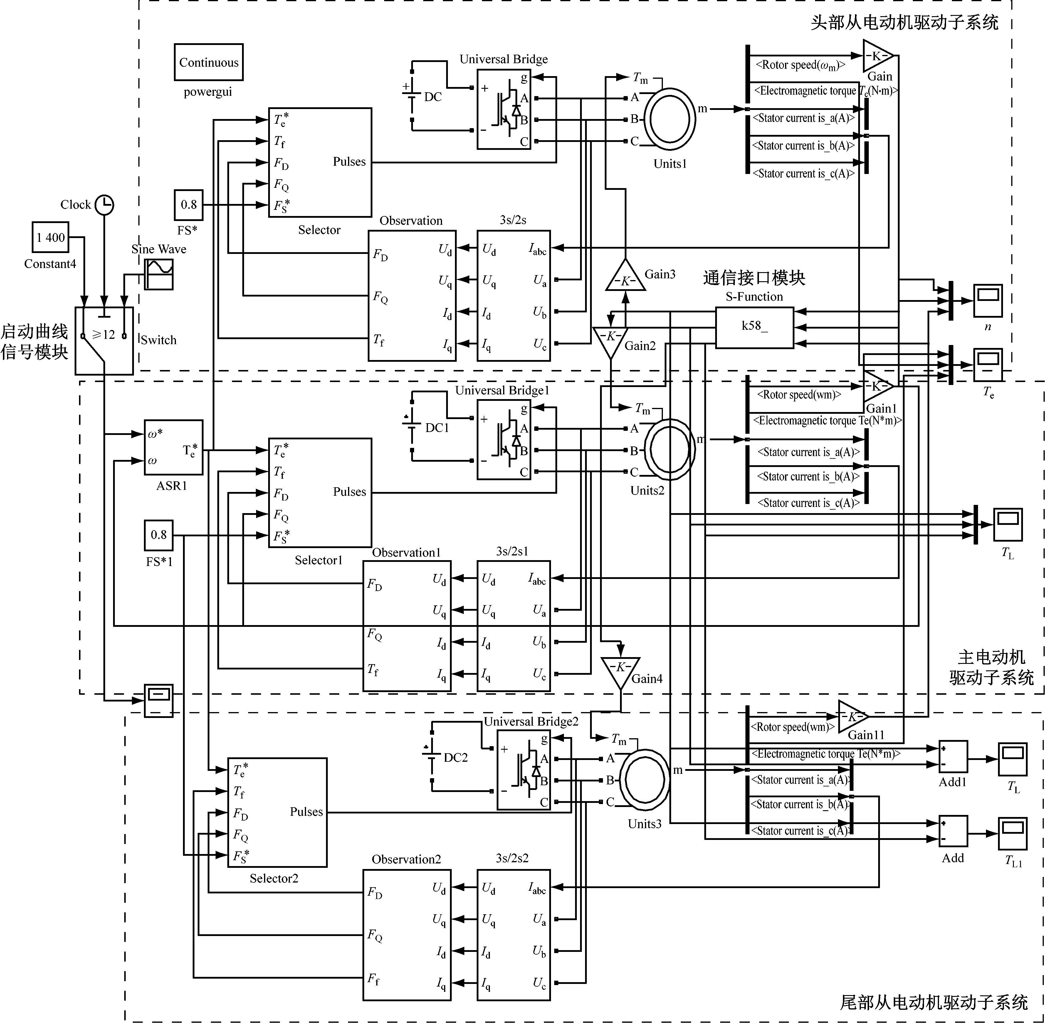
根据图3,在Matlab/Simulink中建立圆管带式输送机三电动机驱动系统仿真模型,如图5所示。该模型主要包括主电动机驱动子系统、从电动机驱动子系统、启动曲线信号模块和通信接口模块。三相异步电动机模型Units1、Units2、Units3分别为头部从电机、头部主电动机、尾部从电动机。三相异步电动机参数设置:额定功率为5.5 kW,额定电压为380 V,额定频率为50 Hz,定子绕组、转子绕组电阻分别为0.087,0.228 Ω,定子绕组、转子绕组等效自感均为0.8 mH,极对数为2,转动惯量为0.662 kg·m2。

图4 圆管带式输送机启动速度曲线
Fig.4 Starting speed curve of pipe belt conveyor

图5 三电动机驱动系统仿真模型
Fig.5 Simulation model of three-motor driving system
在满载工况下对圆管带式输送机三电动机驱动系统启动控制方法进行仿真。三电动机输出转矩曲线和负载曲线分别如图6、图7所示。可看出0~12 s为圆管带式输送机启动阶段,主电动机和2台从电动机输出转矩和负载逐渐增大,约11 s时达到最大,12 s后趋于平稳,输出转矩和负载均保持在32.5 N·m左右,主电动机和2台从电动机输出转矩比接近1∶1∶1,负载比接近1∶1∶1,说明电动机输出转矩较好地跟随了负载分配,可见圆管带式输送机启动过程中,3台电动机输出功率能够较好地保持平衡。
主从电动机负载差值曲线如图8所示。可看出圆管带式输送机启动时各电动机负载突变,头尾部从电动机与头部主电动机的负载差值达到最大,约为3.4 N·m,这是由于圆管带式输送机启动前输送带处于未完全张紧状态,启动后输送带产生较大的弹性形变,张力突变,头部主电动机以给定速度启动,2台从电动机因受到的张力较大,其输出转矩突变的程度要比主电动机大;0.5~1 s时,输送带张紧程度逐渐增加,主电动机负载逐渐增大,从电动机负载逐渐减小,且从电动机负载小于主电动机负载,因此二者差值减小,直至为负;1~4 s时,输送带逐渐被拉紧,主从电动机负载差值逐渐减小并趋于0;4 s后,主从电动机负载保持平衡,负载差值保持在0上下轻微波动。可见主电动机速度给定、2台从电动机转矩给定的圆管带式输送机启动控制方法能够较好地实现输送机平稳启动。

图6 电动机输出转矩曲线
Fig.6 Output torque curves of motors

图7 电动机负载曲线
Fig.7 Load curves of motors

(a)头部从电动机与头部主电动机负载差值

(b)尾部从电动机与头部主电动机负载差值
图8 主从电动机负载差值曲线
Fig.8 Load difference curves between master motor and slave motors
圆管带式输送机综合试验台如图9所示。3台电动机均为YVF2EJ 132S-4型三相异步电动机,额定功率为5.5 kW,额定转矩为35 N·m。试验台相关参数与仿真设置一致。




图9 圆管带式输送机综合试验台
Fig.9 Comprehensive test bed of pipe belt conveyor
采用主电动机速度给定、2台从电动机转矩给定的圆管带式输送机启动控制方法,在控制器中设置Harrison曲线为启动速度曲线,在满载工况下启动圆管带式输送机。设定采样时间为0.1 s,上位机从变频器实时获取各电动机转矩,得到主从电动机输出转矩曲线,如图10所示。可看出0~11 s时3台电动机输出转矩逐渐增加,11 s左右达最大值,这是由于11 s左右时输送带张力达最大值;11~12 s时输送带张力逐渐减小,3台电动机输出转矩逐渐减小;12 s时启动完成,输送带张力达到正常值,输送带处于完全张紧状态,3台电动机输出转矩趋于稳定,主电动机和2台从电动机输出转矩比约为1∶1.01∶1.01。可见本文提出的控制方法能够较好地实现圆管带式输送机平稳启动。

图10 满载工况下电动机输出转矩曲线
Fig.10 Output torque curves of motors under full-load condition
(1)考虑圆管带式输送机输送带黏弹性力学特性,建立了圆管带式输送机启动过程AMESim和Matlab/Simulink联合仿真模型。
(2)提出了一种主电动机速度给定、2台从电动机转矩给定的圆管带式输送机启动控制方法,通过仿真和测试验证了该方法可实现圆管带式输送机平稳启动,启动过程中头部主电动机与头尾部从电动机输出转矩基本相等,启动4 s后负载差值几乎为0。
(3)下一步将研究圆管带式输送机制动过程中各电动机之间的负载变化和功率平衡性。
参考文献:(References)
[1] 宋伟刚,于野,战悦晖.圆管带式输送机的发展及其关键技术[J].水泥工程,2005(4):42-47.
SONG Weigang,YU Ye,HAN Yuehui.The development and critical techniques of the pipe belt conveyor[J].Cement Engineering,2005(4):42-47.
[2] 王鹰,杜群贵,韩刚,等.环保型连续输送设备——圆管状带式输送机[J].机械工程学报,2003,39(1):149-158.
WANG Ying,DU Qungui,HAN Gang,et al.Environment-protecting continual conveyor-pipe belt conveyor[J].Chinese Journal of Mechanical Engineering,2003,39(1):149-158.
[3] CHENG Xiaohan,MENG Guoying,HE Xiao,et al.The consecutive dynamic modeling of vertically bending belt conveyor under irregularly distributed load[C]//IEEE International Symposium on Information Engineering and Electronic Commerce,Ternopil,2010:1-5.
[4] YANG Gao.Dynamics analysis and modeling of rubber belt in large mine belt conveyors[J].Sensors &Transducers,2014,181(10):210-218.
[5] NUTTALL A J G,LODEWIJKS G.Dynamics of multiple drive belt conveyor systems[J].Particle &Particle Systems Characterization,2010,24(4/5):365-369.
[6] 李光布,李儒琼,韦家增.基于几何非线性大型带式输送机动力学仿真[J].中国机械工程,2007,18(1):23-25.
LI Guangbu,LI Ruqiong,WEI Jiazeng.Simulation of belt conveyor dynamics based on geometry nonlinearity[J].China Mechanical Engineering,2007,18(1):23-25.
[7] 欧阳名三,莫丽红.采用参数预测及模糊控制的胶带多机驱动功率平衡的研究[J].煤炭学报,2015,34(1):320-322.
OUYANG Mingsan,MO Lihong.Research on power-balance of multi-motors in belt system based parameter forecast and fuzzy control [J].Journal of China Coal Society,2015,34(1):320-322.
[8] WANG Xinhua,ZHANG Hongwei,FU Ziyi.Research on power balance control of multi-motor driving belt conveyor system based on controlled transmission device[J].Applied Mechanics &Materials,2015,719/720:400-404.
[9] RAJI N A,ERAMEH A,YUSSOUFF A,et al.Linear motor for drive of belt conveyor[J].Modern Mechanical Engineering,2016,6(1):32-43.
[10] 席平原,朱江,申屠留芳.带式输送机闭环特性动态分析与PID控制[J].农业机械学报,2010,41(12):210-214.
XI Pingyuan,ZHU Jiang,SHENTU Liufang.Analysis and PID control on dynamical performance of conveyor possessing closed-loop[J].Transactions of the Chinese Society for Agricultural,2010,41(12):210-214.
[11] XIAO Dongming,LI Xuejun,HE Kuangfang.Power balance of starting process for pipe belt conveyor based on master-slave control[J].IEEE Access,2018,6:16924-16931.
[12] 张海平.输送带摩擦学行为及动力学特性研究[D].太原:太原理工大学,2016.
[13] 董大仟.大型带式输送机动态特性研究及其应用[D].北京:华北电力大学,2008.
B.Identification of the parameters of the Kelvin-Voigt and the Maxwell fractional models,used to modeling of viscoelastic dampers[J].Computers &Structures,2010,88(1):1-17.
[15] 王成元,夏加宽,孙宜标.现代电机控制技术[M].北京:机械工业出版社,2014:45-46.
[16] 孙连云.三相异步电动机直接转矩控制系统的建模与仿真[J].中国科技信息,2009(11):180-181.
SUN Lianyun.The modeling and simulation of three-phase asynchronous motor DTC system[J].China Science and Technology Information,2009(11):180-181.
[17] OUBOUBKER L,LAMCHICH M T.Direct torque control of three phase asynchronous motor supplied by static converters[C]//IEEE International Conference on Multimedia Computing and Systems,Ouarzazata,2009:334-340.
SHAN Huiya1,XIAO Dongming2
(1.School of Mechanical Engineering,Hunan University of Science and Technology,Xiangtan 411201,China;2.Engineering Research Center of Advanced Mine Equipment,Ministry of Education,Hunan University of Science and Technology,Xiangtan 411201,China)
Abstract:For working status of pipe belt conveyor driven by two motors at head and one motor at tail,considering viscoelastic mechanics characteristics of conveyor belt,a discrete model for belt and driving drum of pipe belt conveyor was built in AMESim software based on Kelvin-Voigt model.Power balance control principle of three-motor driving system was researched on basis of direct torque control for three-phase asynchronous motor,and a starting control method of pipe belt conveyor was proposed which was based on speed given of master motor and torque given of two slave motors.Starting process of pipe belt conveyor based on the method was researched through Matlab/Simulink simulation and comprehensive test bed of pipe belt conveyor.The research results show that the method can realize stable starting of pipe belt conveyor,output torques of master motor at head and slave motors at head and tail are basically equal during staring process,and load differences are almost zero after starting for 4 s.
Key words:belt conveyor;pipe belt conveyor;three-motors driving;starting control;power balance control;load balance control
文章编号:1671-251X(2019)09-0086-06
DOI:10.13272/j.issn.1671-251x.2018120069
收稿日期:2018-12-26;修回日期:2019-06-06;责任编辑:李明。
基金项目:湖南省科技重大专项项目(2015GK1003)。
作者简介:单辉亚(1993-),男,江苏盐城人,硕士研究生,研究方向为机电系统过程监测与控制,E-mail:shanhy123@126.com。
通信作者:肖冬明(1980-),男,湖南宁乡人,副教授,博士,研究方向为增材制造过程监控、机电设备监测与控制,E-mail:dmxiao@hnust.edu.cn。
引用格式:单辉亚,肖冬明.三电动机驱动圆管带式输送机启动控制方法[J].工矿自动化,2019,45(9):86-91.
SHAN Huiya,XIAO Dongming.Starting control method of pipe belt conveyor driven by three motors[J].Industry and Mine Automation,2019,45(9):86-91.
中图分类号:TD634
文献标志码:A