“煤矿机器人智能化技术”专题
【编者按】煤矿生产系统庞大而复杂,作业环境恶劣,灾害重、风险大、下井人员多、危险岗位多,在煤矿生产的部分环节中引入机器人技术对减少井下作业人数、降低安全风险、提高生产效率、减轻矿工劳动强度具有重要意义。2019年1月,国家煤矿安全监察局制定并发布了《煤矿机器人重点研发目录》,目录列出了针对采煤、掘进、运输、安控、救援等5类共38种煤矿井下机器人,对每种机器人的功能提出了具体要求,并要求大力研发应用煤矿机器人。煤矿机器人的研发,是实现煤炭高质量发展的必由之路。煤矿机器人的应用,是煤炭开采技术革命的重要标志,是推动煤炭工业高质量发展的强大动力。为探索机器人替代人工,加快机械化换人、自动化减人向智能化无人化迈进,交流探讨先进经验和技术,促进产学研用深度融合,推进煤矿机器人研发应用的高质量发展,本刊组织策划了“煤矿机器人智能化技术”专题,本专题报道的煤矿机器人技术涉及救援、掘进、巡检、选矸、防爆等煤矿生产的各个方面。特别感谢西安科技大学马宏伟教授和郑学召副教授对本专题组稿工作的支持!衷心感谢各位专家学者在百忙中为本专题撰稿。
马宏伟1,2,姚阳1,2,赵昊1,2,梁林1,2,马琨1,2,田海波1,2
(1.西安科技大学 机械工程学院,陕西 西安 710054;2.陕西省矿山机电装备智能监测重点实验室,陕西 西安 710054)
摘要:基于矿山钻孔救援探测需求,针对现有探测机器人信息探测范围窄、探测距离较短、功能单一、无越障能力等问题,设计了一种矿山钻孔救援探测机器人。该机器人能够通过φ225 mm救援钻孔到达煤矿井下,利用携带的传感器和摄像头获取灾变区域的环境信息和被困人员信息,并将信息实时传到地面;以NI myRIO作为控制核心,采用LabVIEW图形化编程构建控制系统,利用有线通信方式实现机器人在灾变区域内的数据远程控制。试验结果表明:该机器人运动性能良好,具有体积小、质量轻、越障能力强等特点,可顺利通过救援孔,能够对井下环境信息进行实时检测和传输,为地面救援指挥中心决策提供了第一手资料。
关键词:矿山钻孔救援探测机器人;救援钻孔;小管径有线式小型履带式机器人;绳索牵引;自主行走;越障能力
煤炭资源在我国能源结构中占据很大的比重。在煤炭开采时瓦斯爆炸、透水、塌方等事故时有发生,常常导致人员伤亡[1-3]。不仅如此,煤矿井下环境复杂,在煤矿事故发生后将会变得极不稳定,也容易发生二次灾害事故,如何快速开展救援直接关系到被困人员的生命安全[4-5]。因此,研制矿山救援探测机器人具有重要意义[6]。
从20世纪80年代开始,欧美发达国家就开始了煤矿救援机器人的研究和应用。RATLER矿井探索机器人可通过一些传感器来采集井下信息[7],用于灾后现场侦查工作。Gemini Scout机器人利用无线远程控制方式,同时搭载气体传感器和红外相机来对环境进行探测[8-9]。近些年,国内的一些高等院校和科研机构对煤矿救援机器人的研究和应用做了深入的研究。中国矿业大学研制了CUMT-IIIB[10]等型号的煤矿救援机器人,采用多传感器信息融合技术进行井下环境检测。西安科技大学研发的六履带四摆臂煤矿救援探测机器人[11],在机器人自主导航与智能控制等方面取得了一系列研究成果。
上述煤矿救援机器人虽然能够从正常巷道或竖井进入井下实施探测任务,但是由于体积大,无法适应从地面钻孔救援探测的需求。因此,为提高机器人适应能力以及在井下的探测救援能力,让机器人通过救援钻孔的方式顺利到达矿井内部探测灾变环境及生命信息已成为煤矿救援机器人研究必须解决的重要课题。
在西弗吉尼亚Sago矿难救援中,救援人员从地面钻了3个深孔,通过深孔向井下派出了救援机器人以确定井下情况。新西兰国防部提供的管道机器人经过防火花改装,可以进入矿井内部并对其内部环境进行探测[12]。唐山开诚电器有限责任公司研制了一种钻孔探测机器人(图1),该机器人可沿钻孔到达下口,利用摄像头采集孔口附近的环境信息,并将这些信息实时传输到上位机[13]。西安科技大学研制的生命信息钻孔探测系统(图2)可通过救援钻孔的下口对周围环境和被困人员信息进行探测,为救援提供决策信息。

图1 钻孔探测机器人
Fig.1 Drilling detection robot

图2 生命信息钻孔探测系统
Fig.2 Drilling detection system for life information
然而,此类探测型机器人只能探测到机器人周围的一些环境信息,且探测距离较短,容易被障碍物遮挡视角,探测设备功能单一,无越障能力,因此,不能很好地满足人们对钻孔救援探测的需求。
针对上述问题,本文设计了一种矿山钻孔救援探测机器人,该机器人能够通过钻孔到达井下,并探测井下事故现场较大范围的环境信息和人员信息,为地面救援指挥中心决策提供了第一手资料。
基于矿山钻孔救援探测的需求,本文设计了一款适应于小管径的有线式小型履带式机器人。通过设计本体结构使其适应探测孔道,顺利到达井下,并具有一定的越障能力;测控系统使机器人能够满足行走及探测的需要;采用有线通信方式实现数据传输。机器人总体架构如图3所示。

图3 机器人总体架构
Fig.3 Overall architecture of robot
机器人工作原理如图4所示。在地面救援钻孔施工完成后,救援人员先通过救援钻孔以绳索牵引的方式将机器人送入井下灾变区域;机器人通过自主行走和远程人工控制相结合的方式,逐步扩大探测范围;利用自身携带的传感器获取灾变区域的环境信息和人员信息,并实时传到地面,救援人员根据灾区情况采取相应的救援措施。

图4 机器人工作原理
Fig.4 Working principle of robots
本文所研究的矿山钻孔救援探测机器人为双履带结构,机器人顶部和前部安装有导向轮和保护轮,下落时导向轮和履带起到导向和支撑作用,保证机器人在沿钻孔下落过程中的稳定性和减缓到达巷道地面时的冲击。机器人本体结构如图5所示。
考虑到机器人在下落到井下时可能会出现倾覆现象,利用摄像机实时传输的图像监测并控制机器人位姿,确保机器人落地时位姿正确。

图5 机器人本体结构
Fig.5 Robot body structure
机器人测控系统由电动机驱动模块、红外测距模块、气体和温度检测模块及图像采集模块组成,如图6所示。

图6 机器人测控系统结构
Fig.6 Structure of measurement and control system of robot
测控系统采用NI myRIO-1900作为主控制器[14],由12 V直流电源为整个系统供电,选用型号为600GSX-4468的2个涡轮蜗杆式无刷直流电动机,搭配2个12 V单通道直流电动机驱动器实现电动机的正反转、差速转弯和制动。驱动轮、支撑轮、引导轮和支撑架构成机器人行驶系统。气体、温度、红外传感器和摄像头构成机器人探测系统。此外,控制器内部携带1个三轴加速度传感器,可以实时监测机器人位姿。最后,由控制器和上位机有线连接构成机器人通信系统。
测控系统是矿山钻孔救援探测机器人系统的核心,主要实现对机器人驱动模块、传感模块和通信模块的控制。传感模块与通信模块是测控系统的主要组成部分。
驱动模块由运动控制芯片实现机器人灵活运动;传感模块通过摄像头和气体、温度、红外、三轴加速度传感器采集井下灾变环境信息以及机器人位置信息;通信模块将信号传导至上位机,由控制人员分析后完成各种操作。
上位机对采集处理的数据进行实时分析,判断机器人位置、地形情况,并根据灾变环境采取相应的对策。
机器人软件系统基于LabVIEW软件平台,采用模块化设计理念和图形化编程方式设计,主要包括电动机控制模块、各种传感器模块和图像采集模块等。
2.2.1 电动机驱动模块
电动机驱动模块是完成机器人行走的关键,由电动机和WSDC2416S驱动器组成。机器人由外部12 V直流电源供电,分别输入到驱动器和控制器。控制器可以分别输出3.3,5 V等检测模块所需电压,并且驱动器有自带的稳压芯片,可实现过热保护和限流保护功能。整个驱动模块的原理如图7所示。配合H桥电路,通过控制INA、INB端口的通断实现电动机的正反转,采用PWM调速方式对电动机的转速进行精确控制,从而完成机器人的驱动及转向功能。

图7 驱动模块原理
Fig.7 Principle of drive module
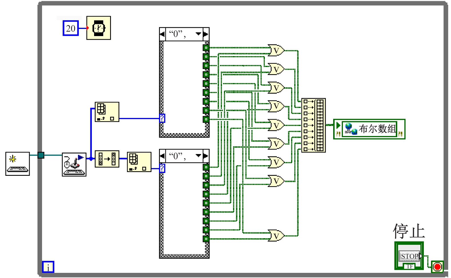
电动机控制上位机程序框图如图8所示,主要由互联接口、功能初始化输入、数组索引、条件结构等控件组成。通过采集键盘上的按键变化信息以及设定所需要的动作执行方式来激活条件结构中不同的按键组合输入,结合逻辑门和捆绑控件将数据打包并以共享变量的方式发送到下位机,驱动电动机来执行相应的动作。

图8 电动机驱动上位机程序框图
Fig.8 Program block diagram of motor driven upper computer
2.2.2 红外测距模块
为实现机器人与后方障碍物距离的探测,本文选用GP2Y0A21红外测距传感器进行机器人的避障功能开发,由于距离在0~10 cm时,该传感器电压值与距离呈非线性正比关系,所以,机器人与后方距离小于10 cm时需人工远程干预机器人紧急停止,避免机器人发生碰撞。此外,该传感器还具有响应时间短、不受温度及背景光线影响的特点,为机器人的实时控制提供保障。
红外测距程序如图9所示。成功获取到机器人与后方障碍物的距离信息后,通过上位机远程操控实现避障功能。程序框图中选择控制器模拟输入端口,通过AC&DC Estimator PtByPt.vi读取其输出的直流分量,最终将距离信息实时发送到上位机,并且每隔50 ms更新一次距离信息。

图9 红外测距程序框图
Fig.9 Program block diagram of infrared ranging
2.2.3 温度检测模块
温度检测模块采用PmodTMP3,PmodTMP3是一款基于Microchip®TCN75A芯片所构建的环境温度传感器,可以通过I2C协议配置高达12位分辨率的输出,并且可以通过编程设定温度阈值,当检测到温度超过阈值时报警。
2.2.4 气体检测模块
(1)甲烷检测。MQ-5甲烷气体传感器适用于家庭用气体泄漏报警、工业用可燃气体报警以及气体检测。在较宽的浓度范围内对甲烷等可燃气体有良好的灵敏度,并且可将电压变化值转换为与甲烷气体浓度相对应的信号值输出,是一款适合多应用的低成本传感器,MQ-5甲烷气体传感器的测试电路如图10所示。

图10 MQ-5甲烷气体传感器测试电路
Fig.10 Test circuit of MQ-5 methane gas sensor
该传感器需要施加2个电压:加热器电压VH(AC/DC 5 V±0.1 V)和测试电压VC(DC 5 V±0.1 V)。其中VH用于为传感器提供特定的工作温度。VC为负载电阻RL提供测试的电压,须用直流电源。VRL是传感器串联的负载电阻RL上的电压。将传感器模拟输出端口与控制器连接后,读取输出电压值,根据气体浓度与输出值图表,实现甲烷浓度的读取。
(2)氧气检测。氧气传感器作为探测井下环境必不可少的传感器之一,对救援工作人员下井救援有着重要的意义。采用ME2-O2-Ф20型氧气传感器采集灾变环境氧气浓度信息。该传感器是原电池型传感器,利用氧气在工作电极上发生的还原反应和负极材料发生相应氧化反应产生电流,电流的大小和氧气的浓度成正比,通过控制器模拟输入端口测量电流的大小即可判定氧气浓度的大小。
2.2.5 图像采集模块
图像采集系统选用具有红外夜视功能的S320摄像头,通过USB数据线与控制器连接。当机器人处于光线较暗的环境时,依然可以通过摄像头传递回夜视效果图像,并且可以通过程序设定,提高图像质量,实时获取灾变现场图像信息。图像采集程序如图11所示。

图11 图像采集程序
Fig.11 Image acquisition program
摄像头采样分为Snap和Grab两种,根据不同的需求可以选择2种不同的采样方式。图12为在光线充足和光线较暗的情况下,摄像头采集的画面情况,采集画面清晰,夜视功能使机器人在光线较暗的环境也能完成巡检功能。此外,还可以通过MAX工具对当前画面进行拍照,为救援人员提供灾后区域图像资料。

(a)光线充足

(b)光线较暗
图12 摄像头采集的图像效果
Fig.12 Image capturing effect by camera
机器人本体实物如图13所示。通过救援机器人零件加工以及相关硬件的装配,完成了钻孔救援机器人本体,利用履带和顶部支撑轮结构使得机器人在下落已成形孔时稳定且不产生打滑或者转动现象,并且能够顺利通过φ225 mm的常用救援探测孔对灾变区域进行实时探测,具有体积小、质量轻、越障能力强等特点。

图13 机器人本体实物
Fig.13 Robot body material object
矿山钻孔救援机器人测控界面如图14所示,主要包括电动机运行状态、视频传输、温度、气体等传感器数据和机器人行驶速度监测等。监测结果表明:机器人正在以0.2 m/s的速度前进,同时检测到氧气体积分数为21%,温度为28.1 ℃,并且图像传输清晰。该机器人测控系统功能完善,性能可靠,检测精度高,实时性好。

图14 机器人测控界面
Fig.14 Measurement and control interface of robot
机器人运动性能测试如图15所示。性能测试分为爬坡、越障和通过φ225 mm已成形孔3种方式。测试结果表明:本文所设计的机器人最大爬坡角度可达35°,并且具有较强的越障能力、适应能力,可以顺利通过φ225 mm的测试孔道,为机器人实际应用奠定了基础。

(a)爬坡

(b)越障

(c)通过已成形的孔道
图15 机器人运动性能测试
Fig.15 Motion performance test of robot
(1)基于矿山救援的需求,设计了矿山钻孔救援探测机器人,能够从φ225 mm救援钻孔顺利抵达矿井内部,具有体积小、质量轻、方便携带等特点,解决了当前灾变发生后救援机器人因体积过大无法进入矿井内部和探测距离较短等问题。
(2)利用LabVIEW软件搭建了机器人测控系统界面,通过多传感器融合技术检测灾变区域温度、气体、图像等信息以及机器人运动控制的灵活性,满足了井下救援的探测需求。
(3)机器人通过已成形探测孔及爬坡和越障等试验,结果表明:机器人具有较好的运动性能,较强的越障能力和适应能力,能够适应灾变发生后井下复杂的路面情况,为井下探测救援提供了第一手资料。
参考文献:(References)
[1] 何凯.基于双目视觉的煤矿井下救援机器人避障策略的研究[D].西安:西安科技大学,2018.
[2] 闫小军.煤矿救援机器人移动系统研究[D].石家庄:河北工程大学,2018.
[3] 高志军.煤矿救援机器人环境探测与运动控制研究[D].徐州:中国矿业大学,2015.
[4] 孙继平,钱晓红.2004—2015年全国煤矿事故分析[J].工矿自动化,2016,42(11):1-5.
SUN Jiping,QIAN Xiaohong.Analysis of coal mine accident in China during 2004—2015[J].Industry and Mine Automation,2016,42(11):1-5.
[5] 马宏伟,马琨,田海波.矿山钻孔救援探测机器人研究进展[J].工矿自动化,2019,45(2):24-29.
MA Hongwei,MA Kun,TIAN Haibo.Research progress of mine drilling rescue detection robots[J].Industry and Mine Automation,2019,45(2):24-29.
[6] 钱晓红,孙继平.煤矿事故与应急救援技术装备[J].工矿自动化,2016,42(10):1-5.
QIAN Xiaohong,SUN Jiping.Coal mine accident and emergency rescue technology and equipment[J].Industry and Mine Automation,2016,42(10):1-5.
[7] 陈小静,李智国,张高峰.矿井灾害信息探测机器人的设计与运动学分析[J].煤矿机械,2015,36(8):13-15.
CHEN Xiaojing,LI Zhiguo,ZHANG Gaofeng.Design and kinematics analysis of information detection manipulator in coal mine[J].Coal Mine Machinery,2015,36(8):13-15.
[8] 孙功勋.基于视觉的自主移动机器人目标识别与操作技术研究[D].南京:南京航空航天大学,2016.
[9] 李浩.移动机器人的无线控制与目标检测研究[D].哈尔滨:哈尔滨工业大学,2016.
[10] 孙继平.煤矿信息化与自动化发展趋势[J].工矿自动化,2015,41(4):1-5.
SUN Jiping.Development trend of coal mine informatization and automation[J].Industry and Mine Automation,2015,41(4):1-5.
[11] WANG Chuanwei,MA Hongwei.Lightweight design for coal mine rescue robot's swing arm brackets[J].Applied Mechanics and Materials,2014,496-500:657-661.
[12] 由韶泽,朱华,赵勇.煤矿救灾机器人研究现状及发展方向[J].工矿自动化,2017,43(4):14-18.
YOU Shaoze,ZHU Hua,ZHAO Yong.Research status of coal mine rescue robot and its development direction[J].Industry and Mine Automation,2017,43(4):14-18.
[13] 张树生,陆文涛,裴文良,等.管道探测机器人的设计与实现[J].煤矿机械,2015,36(10):35-36.
ZHANG Shusheng,LU Wentao,PEI Wenliang,et al.Design and realization of pipeline robot[J].Coal Mine Machinery,2015,36(10):35-36.
[14] 杨林,马宏伟,王川伟.校园巡检机器人智能导航与控制[J].西安科技大学学报,2018,38(6):1013-1020.
YANG Lin,MA Hongwei,WANG Chuanwei.Intelligent navigation and control of campus inspection robot[J].Journal of Xi'an University of Science and Technology,2018,38(6):1013-1020.
MA Hongwei1,2,YAO Yang1,2,ZHAO Hao1,2,LIANG Lin1,2,MA Kun1,2,TIAN Haibo1,2
(1.College of Mechanical Engineering,Xi'an University of Science and Technology,Xi'an 710054,China;2.Shaanxi Key Laboratory of Mine Electromechanical Equipment Intelligent Monitoring,Xi'an 710054,China)
Abstract:Based on requirements of mine drilling rescue and detection,a mine drilling rescue and detection robot was designed to solve the problems of narrow information detection range,short detection distance,single function and no obstacle crossing ability of existing detection robots.The robot can reach underground coal mine through φ225 mm rescue boreholes,and use sensors and cameras to obtain environmental information and trapped people information in disaster areas,and transmit the information to ground in real time.Taking NI myRIO as the control core,the control system is constructed by using LabVIEW graphical programming,the robot can realize data remote control in the disaster area by means of wired communication.The test results show that the robot has good motion performance,small volume,light weight,strong obstacle capability,can smoothly pass the relief hole,and can carry on the real-time detection and transmission of mine environment information,which provides the first-hand information for decision in the ground rescue command center.
Key words:mine drilling rescue and detection robot;rescue borehole;small diameter wired crawler robot;cable traction;autonomous walking;obstacle capability
文章编号:1671-251X(2019)09-0001-06
DOI:10.13272/j.issn.1671-251x.17443
收稿日期:2019-05-21;修回日期:2019-08-12;责任编辑:张强。
基金项目:国家自然科学基金项目(50674075);陕西省科技统筹创新工程计划项目(2013KTCL01-02);陕西省教育厅专项科研计划项目(18JK0504)。
作者简介:马宏伟(1957-),男,陕西兴平人,教授,博士,博士研究生导师,主要研究方向为智能检测与控制、机器人技术、现代无损检测与评价、煤矿机电设备及其智能化、矿山机电设备故障诊断与健康维护等,E-mail:mahw@xust.edu.cn。
引用格式:马宏伟,姚阳,赵昊,等.矿山钻孔救援探测机器人设计[J].工矿自动化,2019,45(9):1-6.
MA Hongwei,YAO Yang,ZHAO Hao,et al.Design of mine drilling rescue and detection robot[J].Industry and Mine Automation,2019,45(9):1-6.
中图分类号:TD77
文献标志码:A