朱剑飞1,2,雷志鹏1,2,任锡义3,田慕琴1,2,宋建成1,2,门汝佳1,2,许春雨1,2
(1.太原理工大学 矿用智能电器技术国家地方联合工程实验室, 山西 太原 030024;2.太原理工大学 煤矿电气设备与智能控制山西省重点实验室,山西 太原 030024; 3.山西煤矿机械制造股份有限公司, 山西 太原 030031)
摘要:针对现有破碎机监控系统存在监测量有限、控制功能单一、无法联动等问题,开发了一套综采工作面双齿辊破碎机监控系统,重点介绍了该系统中双齿辊破碎机自动监控装置的设计方案。该装置以STM32F103微处理器为控制核心,具有集控、就地、检修3种控制模式,可实现双齿辊破碎机与刮板输送机、转载机等运输设备的联锁启停控制,以及电动机常规保护和状态监测数据显示功能。现场测试结果表明,该装置运行稳定,监测数据准确,能实现双齿辊破碎机与其他运输设备自动联锁启停控制,提高了综采工作面运输设备自动化水平。
关键词:综采工作面; 运输设备; 运输设备联锁控制; 破碎机; 双齿辊破碎机; 破碎机监控
双齿辊破碎机是一种适用于中等硬度以下脆性物料的破碎装置,广泛应用于矿山生产中[1]。与常用的鄂式破碎机相比,双齿辊破碎机的最大优势在于采用双电动机驱动,极大提高了现场破碎能力,且具有制造简单、能耗低、过粉碎低、可靠性高等特点[2]。
目前煤矿双齿辊破碎机自动化水平较低[3-4],针对破碎机监控系统的研究中,李建华等[5]设计了基于LabVIEW的刮板输送机、转载机、破碎机状态监测及故障诊断系统,于平等[6]设计了基于双PLC的双齿辊破碎机监控系统。随着信息融合技术在矿井安全监测系统中的大量应用[7]及井下物联网技术[8-9]的发展,煤矿安全、高效生产要求现场监控系统能快速、全面、更深层次地采集和挖掘数据[10-11],同时上位机故障诊断系统需要多参数信号、高频率采样来支持。但现有的破碎机监控系统存在监测量有限、控制功能单一、无法联动等问题,无法满足破碎机机电一体化的发展要求[12]。
笔者所在团队开发了一套综采工作面双齿辊破碎机监控系统。该系统可实现双齿辊破碎机状态监测,以及破碎机与工作面其他运输设备(刮板输送机、转载机等)的联锁控制功能,并能将监控数据传送给巷道集控站和井上集控中心。本文重点介绍该系统中双齿辊破碎机自动监控装置的设计方案。
双齿辊破碎机监控系统主要由组合开关、磁力启动器和双齿辊破碎机自动监控装置组成,如图1所示。双齿辊破碎机自动监控装置按照Modbus协议格式发送命令至组合开关和磁力启动器,控制其驱动电动机和润滑泵工作,并实时采集电动机和润滑泵运行参数。

图1 双齿辊破碎机监控系统组成
Fig.1 Composition of monitoring and control system of double-gear roller crusher
双齿辊破碎机自动监控装置是双齿辊破碎机监控系统的核心部分。该装置通过控制组合开关实现双齿辊破碎机2台电动机启停控制及与工作面其他运输设备的联锁启停控制,通过控制磁力启动器实现润滑泵自动启停控制[13]。
该装置可实现对破碎机配套减速器高低速轴承温度、减速器油温、电动机绕组温度、冷却水流量、冷却水压力、润滑泵泵压的实时监测功能。
该装置可实现电动机常规保护功能,如润滑泵电动机过流、过压、欠压、漏电闭锁等保护。装置设有自动和手动转换开关,以及自动联锁启停、破碎机启停、润滑泵启停、故障复位和急停按键;具有RS485和RJ45接口,可通过Modbus或TCP/IP方式与综采工作面其他系统站交换数据,实现数据共享和远程控制。
双齿辊破碎机自动监控装置硬件结构如图2所示。传感器/变送器采集的数据经信号调理电路调理后输入微处理器,经处理后传送至触摸屏人机界面显示,并进行超限报警和预警。微处理器数字量输出接口与组合开关、磁力启动器等执行机构连接,对电动机、润滑泵等进行自动控制。

图2 双齿辊破碎机自动监控装置硬件结构
Fig.2 Hardware structure of automatic monitoring and control device of double-gear roller crusher
微处理器采用基于Cortex-M3内核的STM32F103系列芯片。其通用I/O丰富,片内集成ADC、UART等功能[14],可直接将采集数据进行A/D转换,并通过串口与触摸屏进行快速通信,一定程度上降低了硬件开发难度。
根据检测信号类型,信号调理电路分为4~20 mA电流信号调理电路和温度信号调理电路。前者用于调理电流、电压、速度、流量、压力、油位等传感器输出信号;后者用于调理温度传感器输出信号。
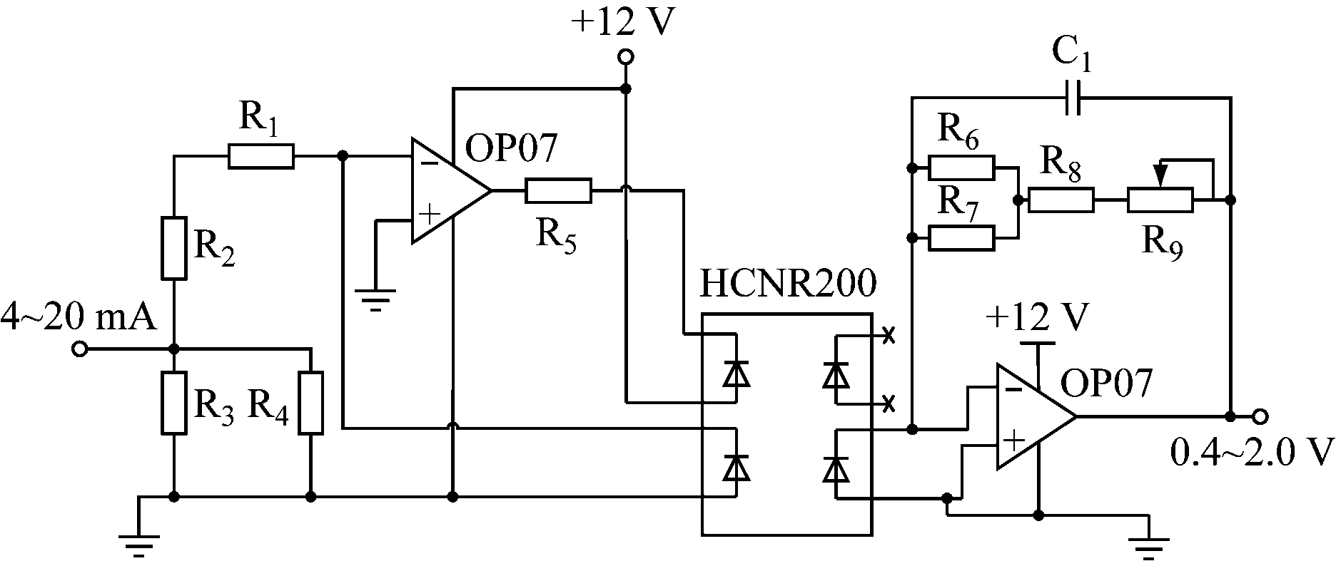
3.2.1 4~20 mA电流信号调理电路
4~20 mA电流信号调理电路如图3所示。电流信号经精密采样电阻和线性光耦HCNR200转换为STM32F103可接收的模拟电压信号,通过调节R1与R6,R7,R8,R9的比值,将4~20 mA电流信号线性转换为0.4~2.0 V电压信号。4~20 mA电流信号调理电路可识别传感器连接状态。传感器出现故障时,相应电路输出电流大于20 mA;传感器未连接时,电路输出电流小于4 mA。

图3 4~20 mA电流信号调理电路
Fig.3 4-20 mA current signal processing circuit
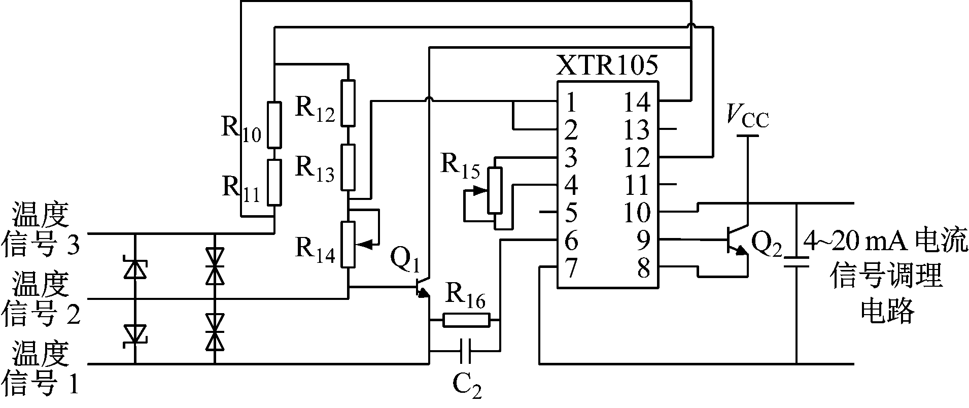
3.2.2 温度信号调理电路
温度信号调理电路如图4所示。采用热电阻PT100采集温度信号,采用电流发送器XTR105将温度信号转换为4~20 mA电流信号。该电路中热电阻为三线制接法。R10,R11,R12,R13用于对热电阻的连接线进行非线性补偿,其阻值由测温范围决定;R14用于调零;R15用于调节量程。

图4 温度信号调理电路
Fig.4 Temperature signal processing circuit
双齿辊破碎机自动监控装置软件包括控制、显示、按键操作、参数修改等程序。
控制程序主要实现集控、就地和检修3种控制模式,通过Keil μVision5软件编写至微处理器。
集控模式实现双齿辊破碎机与工作面其他运输设备的联动自动顺序启停控制,程序流程如图5所示。当工作面运输设备逆煤流启动时,双齿辊破碎机自动监控装置接收到上游设备启动完成命令,启动双齿辊破碎机。经一定延时后,装置控制磁力启动器启动润滑泵,使润滑泵按循环注油时间对减速器进行循环注油,保证其润滑性。润滑泵启动完成后,装置发出指令使组合开关动作,控制1号、2号电动机同时启动,直至检测到2台电动机稳定运行。工作面运输设备顺煤流停机时,装置接收到上游设备停机完成命令,开始延时停止双齿辊破碎机。装置发出指令使组合开关动作,控制2台电动机停止运行。经一定延时后,装置控制磁力启动器停止润滑泵。需要注意的是,集控模式下润滑泵处于延时停机等待状态时,若重新启动润滑泵,则停机中断,顺序启动破碎机。当破碎机因故障停机时,发出故障信号,告知工作面运输设备及时停机,以满足煤矿安全生产要求。

(a) 启动流程

(b) 停机流程
图5 集控模式程序流程
Fig.5 Process flows of centralized control mode
就地模式通过手动方式控制润滑泵和电动机启停。润滑泵和1号、2号电动机之间存在联锁控制关系,可防止操作人员误操作,提高现场操作的快速性和安全性。
检修模式实现对润滑泵和电动机单独控制。该模式下润滑泵和1号、2号电动机之间无联锁控制关系,工作人员可分别控制各设备启停,进行单独检修。
在实际运行中,触摸屏需显示双齿辊破碎机状态监测、电动机保护等参数及控制模式,数据量大,数据更新存在较长延时,影响人机交互实时性。考虑到微处理器处理速度较快,延时较短,因此显示程序中数据处理部分在微处理器中编写,数据实时显示部分采用DOPSoft软件编写至触摸屏[15]。触摸屏人机界面如图6所示,可显示电动机常规保护功能,如过流、过压、欠压、漏电闭锁;可监测减速器高低速轴承温度、减速器油温、电动机绕组温度、冷却水流量、冷却水压力及润滑泵泵压等;可切换控制模式及破碎机执行动作。

图6 触摸屏人机界面
Fig.6 Human-machine interface of touch screen
双齿辊破碎机自动监控装置已于陕西德林煤业集团有限公司红岩煤矿进行现场测试,如图7所示。首先安装电流、电压、流量、压力、温度等传感器,以及磁力启动器、组合开关等执行机构;然后对双齿辊破碎机自动监控装置进行调试,确定所有传感器和执行机构能正常工作;最后调试集控、就地、检修3种控制模式的功能。测试结果表明,该装置运行稳定,监测数据准确,且能够与工作面其他运输设备自动联锁启停,实现了综采工作面破碎过程自动化控制,达到了预期效果。

图7 装置现场测试
Fig.7 Field test of device
双齿辊破碎机自动监控装置以STM32F103微处理器为控制核心,可实现集控、就地、检修3种控制模式和人机界面显示。现场测试结果表明,该装置运行稳定,监测数据准确,能够实现双齿辊破碎机与其他运输设备联锁启停控制,提高了综采工作面运输设备自动化水平。
参考文献( References):
[1] 王文州,赵玉倩.2PGL系列双齿辊破碎机的应用[J].煤矿机电,2012(5):124-125.
[2] 李朋,潘永泰,李永志,等.双齿辊破碎机技术特点及其用于循环流化床锅炉碎煤的应用前景[J].选煤技术,2009(6):78-80.
[3] 王国法.综采自动化智能化无人化成套技术与装备发展方向[J].煤炭科学技术,2014,42(9):30-34.
WANG Guofa.Development orientation of complete fully-mechanized automation, intelligent and unmanned mining technology and equipment[J].Coal Science and Technology,2014,42(9):30-34.
[4] 李擘.煤矿综采自动化成套技术与装备创新和发展趋势探析[J].化工管理,2018(5):172.
[5] 李建华,雷志鹏,李艳伟.综采工作面“三机”状态监测及故障诊断系统开发[J].中国煤炭,2012,38(9):67-71.
LI Jianhua,LEI Zhipeng,LI Yanwei.Development of the condition monitoring and fault diagnostic system for conveyors in the coal mining face[J].China Coal,2012,38(9):67-71.
[6] 于平,文小云.基于PLC的双齿辊破碎机监控系统的设计[J].矿山机械,2018,46(7):40-42.
YU Ping,WEN Xiaoyun.Design of monitoring and control system for double toothed-roll crusher based on PLC[J].Mining & Processing Equipment,2018,46(7):40-42.
[7] 杨帆,姜勇,杨元君.信息融合技术在矿井安全监测系统中的应用[J].武汉工程大学学报,2014,36(5):64-67.
YANG Fan,JIANG Yong,YANG Yuanjun. Information fusion technology in application of mine safety monitoring system[J].Journal of Wuhan Institute of Technology,2014,36(5):64-67.
[8] 李贤功,路娟,王浩佳.煤矿物联网应用水平评估[J].工矿自动化,2015,41(1):36-40.
LI Xiangong,LU Juan,WANG Haojia.Evaluation of application level of Internet of things for coal mine[J].Industry and Mine Automation,2015,41(1):36-40.
[9] 丁恩杰,赵志凯.煤矿物联网研究现状及发展趋势[J].工矿自动化,2015,41(5):1-5.
DING Enjie,ZHAO Zhikai.Research advances and prospects of mine Internet of things[J].Industry and Mine Automation,2015,41(5):1-5.
[10] 朱本春,赵云,丁笑迎.基于数据挖掘技术的煤矿远程监控系统研究[J].科技创新与应用,2014(30):46.
[11] 董建新.计算机数据挖掘技术在煤矿行业的应用[J].煤炭技术,2012,31(4):87-89.
DONG Jianxin.Application of computer data mining techniques in coal industry[J].Coal Technology,2012,31(4):87-89.
[12] 高澜庆,王文霞,马飞.破碎机的发展现状与趋势[J].冶金设备,2001(4):13-16.
GAO Lanqing,WANG Wenxia,MA Fei.Current development & trend of crusher[J].Metallurgical Equipment,2001(4):13-16.
[13] 付国军,杨明亮,许太山.综采无人工作面的整体设计与实现方法的构想[J].工矿自动化,2013,39(1):39-42.
FU Guojun,YANG Mingliang,XU Taishan.Idea of whole design of unmanned fully-mechanized coal mining face and its implementation method[J].Industry and Mine Automation,2013,39(1):39-42.
[14] 孙书鹰,陈志佳,寇超.新一代嵌入式微处理器STM32F103开发与应用[J].微计算机应用,2010,31(12):59-63.
SUN Shuying,CHEN Zhijia,KOU Chao.The developing and application of the new generation of embedded MPU-STM32F103[J]. Microcomputer Applications,2010,31(12):59-63.
[15] 吕品.PLC和触摸屏组合控制系统的应用[J].自动化仪表,2010,31(8):45-47.
LYU Pin.Application of control system composed of PLC and touch screen[J].Process Automation Instrumentation,2010,31(8):45-47.
ZHU Jianfei1,2, LEI Zhipeng1,2, REN Xiyi3, TIAN Muqin1,2,SONG Jiancheng1,2, MEN Rujia1,2, XU Chunyu1,2
(1.National & Provincial Joint Engineering Laboratory of Mining Intelligent Electrical Apparatus Technology, Taiyuan University of Technology, Taiyuan 030024, China; 2.Shanxi Key Laboratory of Mining Electrical Equipment and Intelligent Control, Taiyuan University of Technology,Taiyuan 030024, China; 3.Shanxi Coal Mining Machinery Manufacturing Co., Ltd.,Taiyuan 030031, China)
Abstract:For problems of limited monitoring parameters, single control function and inability to linkage in existing crusher monitoring and control systems, a double-gear roller crusher monitoring and control system in fully mechanized working face was developed, and a design scheme of automatic monitoring and control device for double-gear roller crusher in the system was emphatically introduced. The device, which adopts STM32F103 microprocessor as control core, has three control modes namely centralized control, on-site control and overhaul, and can realize functions of interlocked start-stop control among conveyers of double-gear roller crusher, scraper conveyor, stage loader and so on, normal protections of motor and status monitoring data display. The field test result shows that the device has stable operation and accurate monitoring data, and can realize automatic interlocked start-stop control among double-gear roller crusher and other conveyors, which improves automation level of conveyors in fully mechanized working face.
Key words:fully mechanized working face; conveyor; interlocked control of conveyor; crusher; double-gear roller crusher; crusher monitoring and control
中图分类号:TD421
文献标志码:A
文章编号:1671-251X(2019)07-0017-05
DOI:10.13272/j.issn.1671-251x.2019020007
收稿日期:2019-02-14;修回日期:2019-06-10;
责任编辑:李明。
基金项目:国家自然科学基金资助项目(U1510112)。
作者简介:朱剑飞(1995-),男,山西高平人,硕士研究生,主要研究方向为矿用智能电器技术,E-mail:845846968@qq.com。
引用格式:朱剑飞,雷志鹏,任锡义,等.综采工作面双齿辊破碎机自动监控装置设计[J].工矿自动化,2019,45(7):17-20.
ZHU Jianfei, LEI Zhipeng, REN Xiyi,et al.Design of automatic monitoring and control device for double-gear roller crusher in fully mechanized working face[J].Industry and Mine Automation,2019,45(7):17-20.