经验交流
彭跃金1, 李青锋2, 邓弘哲1, 谷洪飞1, 黄启云1
(1.湖南科技大学 资源环境与安全工程学院, 湖南 湘潭 411201;2.湖南科技大学 矿业工程研究院, 湖南 湘潭 411201)
摘要:针对现有锚杆受力监测方法存在的结构复杂、测点单一、安装不便等问题,设计了基于同步监测的锚杆受力监测系统。该系统选用扩散硅压力传感器采集巷道某一断面的锚杆轴向力,可同时获取8根锚杆的受力数据;将采集的数据进行分压滤波、AD转换后,存储并传输。实验结果表明,该系统实现了对巷道某一断面多根锚杆、锚索的高采样率同步监测,测量精度可以满足断面锚杆受力同步监测的要求。
关键词:锚杆支护; 锚杆受力监测; 同步监测; 扩散硅压力传感器; 分压滤波
锚杆受力监测是锚杆支护技术中的重要组成部分[1-2]。建立完善巷道锚杆受力监测系统, 不仅可以使煤矿井下工作人员更好地掌握巷道围岩变形数据, 还可以分析围岩运动变形规律和巷道支护效果, 为巷道支护参数的选取提供参考依据[3-4]。目前锚杆受力监测主要通过测力锚杆、液压枕等实现,很难实现大规模的受力监测[5-6]。
朱纬亚等[7]利用光学膜应力与应变之间的线性关系,根据干涉条纹数目的变化判断锚杆的安全状态,但该方法存在偶然性及不准确性。邵凤莹等[8]通过对普通锚杆进行改造设计,达到了检测锚杆自身应力变化的目的,但改造后的锚杆结构复杂。张钦喜等[9]提出用原位测试分析方法测定锚杆轴力的时空变化规律,这种方法施工及安装不便。王国立等[10]提出了基于锚杆(索)支护力监测的巷道冒顶预测方法,但对于如何针对不同矿井的地质条件确定预警标准,未进行阐述。程秀芝等[11]提出了基于弹性波技术的锚杆支护质量监测方法,由于波形处理难度较高,后期处理相当繁琐。针对现有方法存在的结构复杂、测点单一、安装不便等问题,本文设计了一种基于同步监测的锚杆受力监测系统,该系统可对某一断面关键位置的多根锚杆、锚索进行高采样率的同步监测,且读取的指标简单,易于测取与分析。
锚杆轴向应力变化反映了围岩压力的改变。当锚杆轴向应力增大到一定值时,锚杆会发生锚固破坏,并引起锚杆轴向应力下降。因此,可根据锚杆轴向应力的变化趋势判断锚杆是否失效,达到监测预警的目的。
锚杆受力监测系统硬件结构如图1所示。该系统采用高性能ARM内核的STM32F103ZET6芯片[12]作为智能控制与数据处理的核心;采用高精度压力传感器对巷道某一断面的锚杆受力情况进行数据采集,可同时获取8根锚杆的受力数据;将采集的数据进行分压滤波、AD转换后,存储到芯片中,并通过RS485总线进行传输。

图1 锚杆受力监测系统结构
Fig.1 Structure of monitoring system of bolt force
考虑到巷道的长度,数据需要满足远距离传输的条件,RS485通信很好地满足了远距离“多站”传输需求。将采集的数字信号进行信源编码、信道编码,然后通过调制将其转换为基带信号;将基带信号调制到中频无线电信号并作中频放大,再将中频信号调制到射频频段并放大后通过天线发射出去,将数据传输到现场控制室的计算机上。
电路板上P1口为电源输入接口,为整个系统供电;P2口为矩阵键盘输入接口,负责采集按键信息;P3—P10口为传感器数据采集接口,负责采集和存储数据;P11口为串口连接口,由UART1(PA9UART1_TX PA10 UART1_RX)引出,负责向计算机、手持客户端发送实时数据;P12口为系统程序启动方式选择端口。
由于矿井开采条件的复杂性,需对整个系统进行防爆处理。
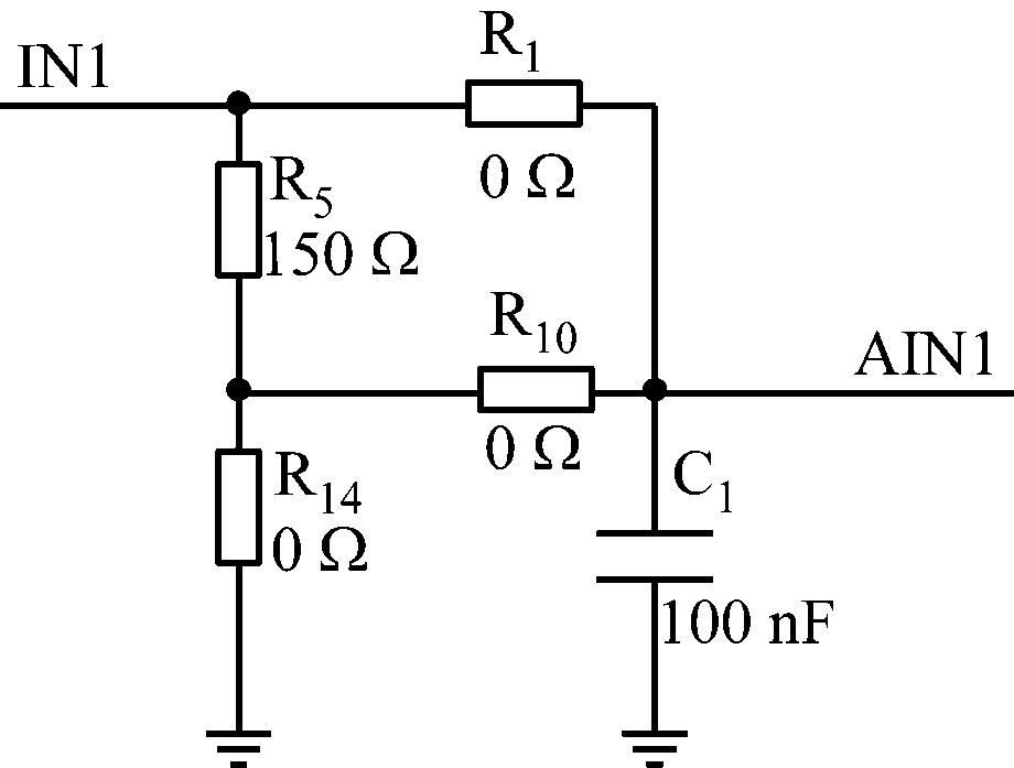
电阻电容分压滤波电路如图2所示。通过150 Ω分压电阻及0 Ω普通电阻对电流进行分配转换,方便数据监测与校验。

图2 电阻电容分压滤波电路
Fig.2 Voltage dividing and filtering circuit of resistance and capacitance
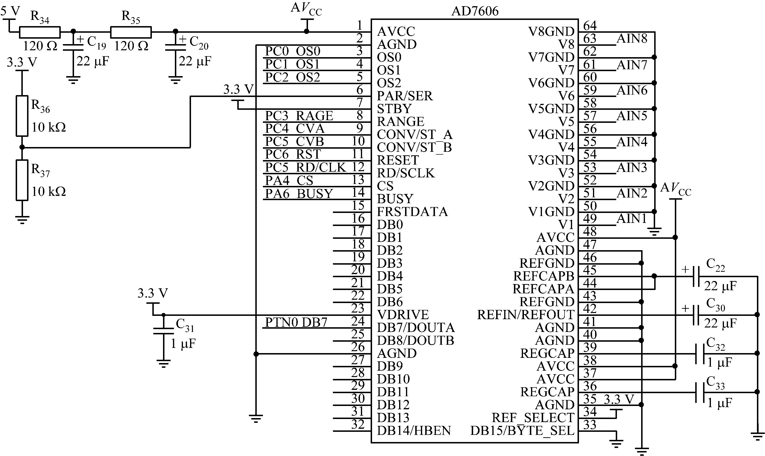
采用高速A/D采集模块AD7606实现AD转换。AD7606是逐次逼近型8通道16位ADC,8路同时采样,精度为14~18 bit,双极性模拟输入范围为-10~+10 V。A/D模块电路如图3所示。
通过IC芯片进行电压转换,将井下127 V的电压转换为系统需要的12,5,3.3 V电压。其中,12 V双向稳压使用的IC芯片为LM2577,用于压力传感器供电;5,3.3 V电压用于其他各模块供电,5 V稳压采用的IC芯片为LM2596,3.3 V稳压采用的IC芯片为AMS1117。
经过对比,考虑到所需传感器的精度等相关条件,选用了扩散硅压力传感器,其量程为0~25 MPa,可将压力信号转换为4~20 mA电流信号。电流经150 Ω精密电阻串联分压,转换为0.6~3 V电压信号,再经过A/D模块转换为数字量后进行存储和传输。
在计算机中进行数据处理时,需将数字量A转换为电流值I:

图3 A/D模块电路
Fig.3 A/D module circuit
I|mA=A×10/32 767×1 000/150
(1)
通过电流I可得到压力F:
F|MPa=(I-4)×1.562 5
(2)
利用岩石力学实验系统 RMT进行加压实验,如图4所示。将压力传感器与液压枕相连,液压枕置于实验仪器上进行加压,系统每100 ms读取一次数据,对1 s内读取的10个数据求取平均值并写入存储芯片中。


图4 加压实验
Fig.4 Pressurization experiment
选取3组传感器进行实验,经存储芯片导出数据并从中每隔10 s选用一组数据进行分析,实验数据见表1。
将采集的数据按照式(1)和式(2)计算,得出电流和压力值,从而得到一条关于电流和压力的直线。
表1 加压实验数据
Table 1 Data of pressurization experimental

同时通过RMT的数据也可得到一组压力与电流值,根据这组数据绘制的直线认为是理想情况下的直线。在没有误差的情况下,这2条直线之间不存在斜率偏差。实验得出的电流值与压力值的关系与理想情况的对比如图5所示。
由图5可知,传感器1、传感器2及传感器3采集的离散点基本在理想的直线上,说明所设计的锚杆受力监测系统的测量精度满足断面锚杆受力同步监测的要求。由于井下开采环境复杂,实际应用时应进行精度调试和标定。

图5 电流与压力的关系
Fig.5 Relationship between current and pressure
设计了基于同步监测的锚杆受力监测系统,详细介绍了系统总体设计和硬件电路设计。该系统利用传感器采集锚杆轴向力,实现了对某一断面关键位置的多根锚杆、锚索的高采样率同步监测。实验结果表明,该系统的测量精度可以满足断面锚杆受力同步监测的要求。
参考文献:
[1] 翟路锁.潞安矿区锚杆支护监测方法与软件开发[J].煤炭科学技术,2004,32(6):36-38.
ZHAI Lusuo.Monitoring and measuring method and software development for the bolt support in Lu'an Mining Area[J]. Coal Science and Technology,2004,32(6):36-38.
[2] 鞠文君.煤巷锚杆支护监测仪器的开发与应用[J].煤矿开采,2004,9(3):52-54.
JU Wenjun. Development and application of bolting monitoring instrument in coal roadway[J]. Coal Mining Technology,2004,9(3):52-54.
[3] 李学哲,胡兴志,封孝辉,等.基于ZigBee的煤矿巷道压力监测系统设计[J].工矿自动化,2014,40(4):19-22.
LI Xuezhe,HU Xingzhi,FENG Xiaohui,et al.Design of tunnel pressure monitoring system of coal mine based on ZigBee[J]. Industry and Mine Automation,2014,40(4):19-22.
[4] 王鹤.无线通信技术在设备状态监测中的研究与应用[J].现代电子技术,2012,35(17):16-18.
WANG He. Study and application of wireless communication technology in equipment state monitoring[J]. Modern Electronics Technique,2012,35(17):16-18.
[5] 李青锋,缪协兴.基于应力波理论的锚杆支护无损检测机理与应用实践[M].南京:东南大学出版社,2015.
[6] 郑传行,陈建.矿山动态轻轨衡数据采集器的设计[J].电脑知识与技术,2018,14(22):250-251.
ZHENG Chuanxing,CHEN Jian. Data acquisition unit design for dynamic weighing bridge[J]. Computer Knowledge and Technology,2018,14(22):250-251.
[7] 朱纬亚,赵利平,梁义维.条纹法锚杆力监测装置[J].煤矿安全,2017,48(12):123-126.
ZHU Weiya,ZHAO Liping,LIANG Yiwei. Bolt force monitoring device by fringes method[J]. Safety in Coal Mines,2017,48(12):123-126.
[8] 邵凤莹,程永强.矿用锚杆应力监测系统的设计[J].煤炭技术,2017,36(6):266-268.
SHAO Fengying, CHENG Yongqiang. Design of mine-used-bolt stress monitoring system[J]. Coal Technology,2017,36(6):266-268.
[9] 张钦喜,刘新. 望京A1-C-4#地基坑工程锚杆拉力监测研究[J]. 岩土工程技术,2014,28(5):227-231.
ZHANG Qinxi,LIU Xin. Monitoring study on anchor tension of deep excavation engineering of Wangjing A1-C-4# project[J]. Geotechnical Engineering Technique,2014,28(5):227-231.
[10] 王国立,贾后省,鱼琪伟,等.基于锚杆(索)支护力监测的巷道冒顶隐患预警技术[J]. 煤炭科学技术,2016,44(7):153-157.
WANG Guoli,JIA Housheng,YU Qiwei,et al.Early warning technology of roof falling hidden danger in mine roadway based on monitoring and measuring of rock bolt (anchor) support force[J]. Coal Science and Technology,2016,44(7):153-157.
[11] 程秀芝,李大平.锚杆支护质量监测方法的分析与探讨[J]. 煤矿安全,2007,38(8):67-68.
CHENG Xiuzhi, LI Daping. Analysis and discussion on monitoring technique of bolt supporting quality[J]. Safety in Coal Mines,2007,38(8):67-68.
[12] 赵志鹏,李青,王燕杰,等.基于STM32的矿山钻机智能监测保护系统设计[J].计算机测量与控制,2016,24(11):41-44.
ZHAO Zhipeng,LI Qing,WANG Yanjie,et al.Design of mine drill intelligent monitoring and protection system based on STM32[J].Computer Measurement & Control,2016,24(11):41-44.
PENG Yuejin1, LI Qingfeng2, DENG Hongzhe1, GU Hongfei1, HUANG Qiyun1
(1.School of Resources & Environment and Safety Engineering, Hunan University of Science and Technology, Xiangtan 411201,China; 2.Institute of Mineral Engineering, Hunan University of Science and Technology, Xiangtan 411201, China)
Abstract:In view of problems of complex structure, single measuring point and inconvenient installation of existing bolt force monitoring method, a bolt force monitoring system based on synchronous monitoring was designed. The system selects the diffusion silicon pressure sensor to collect the axial force of the bolt in a certain section of the roadway, and the force data of 8 bolts can be obtained simultaneously; the collected data are stored and transmitted after partial voltage filtering and AD conversion. The experimental results show that the system realizes synchronous monitoring of multiple bolts and anchor cables in a certain section of the roadway with high sampling rate, and its measurement accuracy can meet requirements of synchronous section bolts monitoring.
Key words:bolt support; bolt force monitoring; synchronous monitoring; diffusion silicon pressure sensor; partial voltage filtering
中图分类号:TD353
文献标志码:A
文章编号:1671-251X(2019)05-0092-04 DOI:10.13272/j.issn.1671-251x.2018100040
收稿日期:2018-10-18;修回日期:2019-03-06;
责任编辑:胡娴。
基金项目:湖南省自然科学基金面上资助项目( 2018JJ2130)。
作者简介:彭跃金(1993-),男,山西朔州人,硕士研究生,主要研究方向为岩石力学与岩层控制,E-mail:1820943728@qq.com。
引用格式:彭跃金,李青锋,邓弘哲,等.基于同步监测的锚杆受力监测系统设计[J].工矿自动化,2019,45(5):92-95.
PENG Yuejin,LI Qingfeng,DENG Hongzhe,et al.Design of bolt force monitoring system based on synchronous monitoring[J].Industry and Mine Automation,2019,45(5):92-95.