王坤,赵澜
(太原理工大学 机械与运载工程学院,山西 太原 030024)
摘要:针对现有煤矿锚杆预紧扭矩控制装置存在结构复杂、可操作性较差及控制精度较低的问题,设计了一种机械式锚杆预紧扭矩闭环控制装置。该装置通过充液波纹管液体压力的变化来测量齿圈扭矩,并将该压力作用于滑阀,当扭矩达到控制值时滑阀动作,使锚杆预紧回路断开,一个锚杆预紧过程结束。仿真与井下试验结果表明,该装置能有效控制扭矩在480~510 N·m内,响应速度快,可靠性高,控制精度达90%以上;温度、角度对测量结果不产生影响;扭矩倍增器传动效率、减磨垫摩擦因数分别导致控制结果误差为6.2%、10%,应使用摩擦因数较小的减磨垫并定期对扭矩倍增器进行维护。
关键词:锚杆支护;锚杆钻机;预紧扭矩;预紧力;扭矩倍增器;减磨垫;传动效率;摩擦因数
目前锚杆支护技术已得到广泛应用,关于锚杆支护已形成了成套的支护理论[1-2]。预紧扭矩作为锚杆支护的重要参数,其大小直接影响锚杆支护质量,因此,锚杆支护规范要求其预紧扭矩不能超过相应范围。研究表明,锚杆扭矩过大,会使锚杆杆体受损甚至发生破断,过小不足以达到预紧效果,影响巷道支护质量[3-5]。由于单个气动锚杆钻机输出扭矩不超过210 N·m,所以,通常在锚杆钻机输出轴连接有一定放大倍数的扭矩倍增器,以放大锚杆钻机输出扭矩。气动锚杆钻机输出扭矩与压缩空气压力呈线性关系,理论上,一定压力下锚杆钻机输出固定的扭矩值,即通过控制压缩空气压力即可实现对扭矩的控制。但事实表明,通过控制气压不能实现对扭矩的控制,导致扭矩不可控制的主要原因在于扭矩倍增器传动效率问题:由于扭矩倍增器齿轮由煤面进入,使得齿轮严重磨损,导致传动效率大大降低;根据扭矩倍增器使用时间的不同,其磨损程度会有差异,即扭矩倍增器传动效率不一致,导致锚杆预紧扭矩的不同,因此,锚杆扭矩未能得到有效控制。
目前,常用的扭矩控制装置主要有扭矩限矩器及基于各种扭矩测量方法的装置。扭矩限矩器有气动式、摩擦式、滚珠式,由于其存在使用环境要求高、寿命较短等问题,不适合井下施工。扭矩测量方法大体分为应变片式、非接触式。应变片式扭矩测量方法主要通过测量旋转轴的应力、应变值,得到相应的扭矩[6-8];非接触式扭矩测量方法是基于光学的方法,利用特殊扭矩敏感材料,将扭矩变化通过电、磁场等变化量表现并最终以电信号输出[9],但是,扭矩测量需要电源,且测量装置体积较大、结构复杂、不易安装,因此,非接触式扭矩测量方法亦不能用于对锚杆扭矩进行控制。针对目前扭矩控制装置存在的问题,本文研究了一种机械式锚杆预紧扭矩闭环控制装置,具有结构简单、无需电源、控制精度高、便于施工及成本低等优点。
锚杆预紧扭矩闭环控制装置包括锚杆钻机、扭矩倍增器、波纹管、二位三通滑阀等,如图1所示。锚杆钻机作为锚杆扭矩施加机具,在预紧锚杆过程中输出一定扭矩值。扭矩倍增器的作用是将锚杆钻机输出扭矩值进行一定倍数的放大,一端连接锚杆钻机输出端,另一端连接锚杆螺母。波纹管固定在扭矩倍增器把手上,用于测量扭矩倍增器输出扭矩。当波纹管压力升高到设定值后,滑阀阀芯运动,断开锚杆预紧气体回路,一个锚杆预紧过程结束,滑阀两端口连接气体回路,另一端口接波纹管压力输出端。
锚杆预紧扭矩闭环控制装置基本原理:波纹管固定于扭矩倍增器轴心L把手位置,链条勾于锚网,滑阀连接于气体回路,阀口A、T方向同气体流动方向相同,阀口B连接波纹管压力口一端。在进行锚杆预紧时,扭矩倍增器输出扭矩,同时其把手会受反向力矩,此时把手上链条受拉力,充液波纹管通过杠杆机构受压,随着扭矩的增大,拉链拉力增大,即波纹管液体压力升高,当扭矩达到设定值,亦即波纹管液体压力升高到一定值,该压力达到阀芯开启压力,此时阀芯迅速动作,致使阀口A与T断开,即气体回路断开,锚杆钻机停止工作,同时阀芯回到初始位置,完成一个锚杆预紧过程。

1-锚杆钻机气动马达;2-扭矩倍增器; 3-螺母;4-二位三通滑阀; 5-压缩空气; 6-波纹管
图1 锚杆预紧扭矩闭环控制装置结构
Fig.1 Structure of bolt pretension torque closed-loop control device
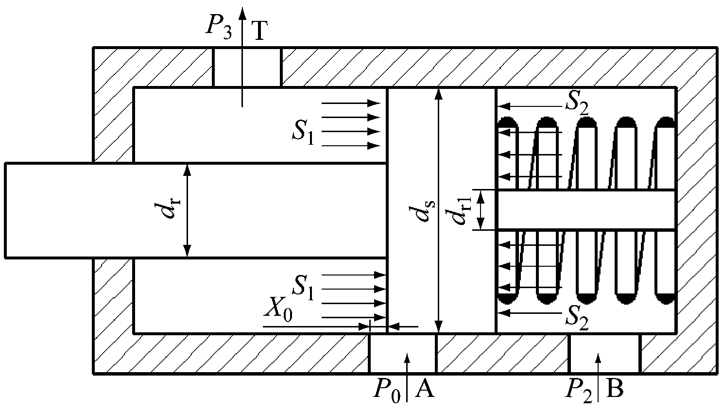
滑阀是锚杆预紧扭矩闭环控制装置的主要部分,当扭矩未达到预定值,阀芯不动作,反之,扭矩达到预定值,即波纹管液体压力升高至对应值,达到滑阀阀芯开启压力,阀芯动作,滑阀关闭,锚杆预紧气体回路断开,同时阀芯回到初始位置。为实现滑阀功能并保证其可靠性,滑阀参数设定尤为重要,滑阀结构如图2所示。

P0-气源压力,MPa;P2-波纹管压力,MPa;P3-阀口T的压力,MPa;X0-阀口开度,mm;dr-阀芯颈部直径,mm;ds-阀芯直径,mm;dr1-限位块直径,mm;S1-P0作用面积,mm2;S2-P2作用面积,mm2
图2 滑阀结构
Fig.2 Structure of slide valve
滑阀参数主要有阀芯大小、阀口大小、弹簧刚度及摩擦因数等,见表1。一般情况下,风压管供给锚杆钻机气体压力P0=0.5 MPa,因此,为确保阀芯有足够的刚度,应使dr>0.5ds。滑阀的阀口参数是指滑阀阀芯相对于阀套的开启程度,根据滑阀的结构可知,弹簧刚度与压力P0、P2及阀口开度有关,根据力平衡可得
ΔX=X2-X1
(1)
![]()
(2)
F=F0-F2-f
(3)
式中:ΔX为弹簧在力F2作用下的变形量,mm;F2为压力P2在S2面上产生的力,N;X2为弹簧在力F2作用下的总长,mm;X1为弹簧原始长度,mm;K为弹簧刚度系数,N·mm-1;F为阀腔内的压差,N;F0为压力P0在S1面所产生的力,N;f为阀芯与阀体腔内摩擦力,N。
表1 滑阀结构参数
Table 1 Structure parameters of slide valve

波纹管作为该装置的主要部分之一,由于其作用是测量齿圈扭矩,并通过液压力表现,且该液压力作用于滑阀,因此,充液波纹管性能关系到整个锚杆扭矩闭环控制装置的可靠性,波纹管参数的确定尤为重要,波纹管主要参数包括内、外直径、壁厚、单波高度等。由于其功能的实现主要靠其自身结构的柔性,但其柔性受到强度与稳定性限制,所以,必须在满足强度的基础上,保证其可靠性[10-11]。波纹管参数见表2。
表2 波纹管参数
Table 2 Parameters of bellows

波纹管压力值主要取决于内部液体刚度与管壁刚度值,液体压缩特性对压力值影响较大,线胀系数随温度的变化导致未充液波纹管与充液纹波管液体体积压缩量不同,因此,要考虑温度变化对测量结果的影响。另外,根据施工的实际情况,链条悬挂角度也是该装置控制结果的影响因素,有必要验证链条悬挂角度对测量结果的影响。温度、角度对充液波纹管灵敏度影响的试验结果见表3。
由表3可得,温度变化对波纹管测量结果误差小于0.01 MPa,相较于整体可忽略不计,波纹管压力、扭矩与砝码质量基本呈线性关系,在倾斜角度为30°,45°时,理论与试验值基本吻合,且误差均不大于0.02 MPa,相较于整体测量结果,此误差也可以忽略不计。由此可得,链条悬挂角度对波纹管测量灵敏度亦不产生影响。
表3 温度、角度对充液波纹管灵敏度影响的试验结果
Table 3 Experiment results of influence of temperature and angle on sensitivity of liquid-filled bellows

根据锚杆预紧扭矩控制原理建立其AMESim模型[12-13],如图3所示,其中锚杆钻机型号为MQT130/3.2,扭矩倍增器型号为ZN-4。
图3中,大小齿轮构成锚杆钻机二级减速器,其中,压缩气体带动锚杆钻机齿轮马达产生的扭矩经齿轮轴传输至小齿轮Ⅰ,再经大齿轮Ⅰ变速传至小齿轮Ⅱ,最后经大齿轮Ⅱ进行二级减速后直接输出给扭矩倍增器,实现扭矩的4倍放大。
通过对锚杆预紧扭矩闭环控制装置AMESim模型的建立,对该装置控制回路进行仿真,其中滑阀、锚杆预紧扭矩响应曲线如图4所示。
从图4可看出,在锚杆预紧过程中,随着负载的增大,螺母扭矩增大,当螺母扭矩达500 N·m时,波纹管压力为0.38 MPa,达到阀芯开启压力,阀芯开始动作,阀口A逐渐关闭,钻机工作气压逐渐减小,波纹管压力亦减小,当阀口完全关闭,即波纹管压力、阀口T压力为0时,阀芯回到初始位置,锚杆预紧工作结束。螺母扭矩控制在500 N·m,响应时间小于0.5 s。

1-小齿轮Ⅰ;2-大齿轮Ⅰ;3-小齿轮Ⅱ;4-大齿轮Ⅱ;5-扭矩倍增器
图3 锚杆扭矩闭环控制装置AMESim模型
Fig.3 AMESim model of bolt torque closed-loop control device

(a) 滑阀响应曲线

(b) 锚杆预紧扭矩响应曲线
图4 锚杆预紧扭矩闭环控制装置控制回路仿真结果
Fig.4 Simulation results of control circuit of bolt pretension torque closed-loop control device
由于矿井施工环境恶劣,扭矩倍增器齿轮间经常有煤粉进入,使齿轮产生磨损,影响传动效率,所以,有必要分析在不同传动效率下,扭矩控制装置理论控制扭矩与实际扭矩的关系。经试验测得,煤矿井下使用的扭矩倍增器传动效率为80%~95%。传动效率分别为95%,90%,85%,80%时,扭矩倍增器行星架实际输出扭矩如图5所示。

(a) 传动效率为95%

(b) 传动效率为90%

(c) 传动效率为85%

(d) 传动效率为80%
图5 传动效率分别为95%,90%,85%,80%时的扭矩倍增器行星架实际输出扭矩曲线
Fig.5 Actual output torque curves of planet carrier of torque multipliers under conditions of transmission efficiency is 95%,90%,85% and 80% respectively
在扭矩倍增器无传动效率损失下,锚杆扭矩闭环控制装置控制锚杆扭矩为500 N·m。从图5可看出,不同传动效率下,扭矩倍增器实际输出扭矩均大于500 N·m。其中,传动效率分别为95%,90%,85%,80%时,对应行星架实际输出扭矩507,514,522,531 N·m,因此可得,扭矩倍增器有传动效率损失下,通过扭矩控制装置控制扭矩会产生误差,最大误差为6.2%,虽然该误差不会对锚杆预紧效果产生影响,但考虑到装置的可靠性,应定期对扭矩倍增器进行维护,以达到最理想的控制结果。
为增大施工机具提供的预紧扭矩,通常在锚杆螺母与球垫之间加入减磨垫,但是,随着锚杆预紧过程的进行,减磨垫表面摩擦状态发生改变,即摩擦因数增大,产生了摩擦扭矩,使得施工机具施加在锚杆螺母上的实际扭矩减小,因此,有必要分析不同摩擦因数的减磨垫与螺母的扭矩关系,减磨垫摩擦因数分别为0.1,0.2,0.3时螺母扭矩如图6所示。

图6 减磨垫摩擦因数分别为0.1,0.2,0.3时的螺母扭矩
Fig.6 Torque of nut under conditions of friction coefficient of friction pad is 0.1,0.2 and 0.3 respectively
由图6可看出,随着摩擦因数增大,曲线越来越偏离500 N·m,且摩擦因数分别为0.1,0.2,0.3时,对应螺母扭矩分别为495,476,450 N·m,而扭矩控制装置理论控制扭矩为500 N·m,因此,减磨垫摩擦因数对控制结果产生了一定的影响,造成控制结果误差,且当摩擦因数为0.1,0.2,0.3时,产生的误差分别为1%,4.8%,10%,因此,应使用摩擦因数较小的减磨垫。
为验证锚杆预紧扭矩闭环控制装置的可靠性,在某煤矿25专用回风巷进行了井下现场试验,并通过扭矩扳手(精度为10 N·m)对预紧扭矩进行检验,测得减磨垫摩擦因数为0.1,扭矩倍增器传动效率为90%,试验数据见表4。
由表4可看出,该装置控制扭矩在480~510 N·m内,虽较理论值500 N·m稍有偏差,但相对于整体结果影响甚小。造成此误差的原因有扭矩倍增器传动效率、减磨垫摩擦因数及扭矩扳手的测量精度。
表4 锚杆预紧试验数据
Table 4 Bolt pretension test data N·m

综上可看出,该锚杆预紧扭矩闭环控制装置能有效控制锚杆扭矩,响应时间快、精度高,对整个锚杆支护具有重要意义。
(1) 通过温度、角度试验表明,锚杆预紧扭矩闭环控制装置环境适应性强,温度、角度对波纹管灵敏度均不产生影响。
(2) 通过某煤矿井下现场试验结果表明,锚杆预紧扭矩闭环控制装置能有效控制扭矩在480~510 N·m内。
(3) 锚杆预紧扭矩闭环控制装置可靠性高、响应快,控制精度达90%以上。
(4) 扭矩倍增器传动效率、减磨垫摩擦因数对控制结果产生了影响,控制结果误差分别为6.2%、10%左右。
参考文献:
[1] 康红普,王金华.煤巷锚杆支护理论与成套技术[M].北京:煤炭工业出版社,2007.
[2] 康红普.我国煤矿巷道锚杆支护技术发展60年及展望[J].中国矿业大学学报,2016,45(6):1071-1081.
KANG Hongpu.Sixty years development and prospects of rock bolting technology for underground coal mine roadways in China[J].Journal of China University of Mining &Technology,2016,45(6):1071-1081.
[3] 王颂华.锚杆索支护性能关键影响因素井下试验研究[J].能源与环保,2017,39(2):129-132.
WANG Songhua.Experimental study on key influencing factors of bolt and cable supporting performance in coal mine[J].China Energy and Environmental Protection,2017,39(2):129-132.
[4] 王强,吴拥政.煤矿井下锚杆预紧力控制研究[J].煤炭科学技术,2011,39(1):29-32.
WANG Qiang,WU Yongzheng.Study on bolt pre-tension control in underground mine[J].Coal Science and Technology,2011,39(1):29-32.
[5] 吴拥政.锚杆杆体的受力状态及支护作用研究[D].北京:煤炭科学研究总院,2009.
[6] 王岩,储江伟.扭矩测量方法现状及发展趋势[J].林业机械与木工设备,2010,38(11):14-18.
WANG Yan,CHU Jiangwei. Current status and development trend of torque measuring methods[J].Forestry Machinery &Woodworking Equipment,2010,38(11):14-18.
[7] 胡德福.应变式扭矩传感器的设计技术[J].船舶工程,2011,33(4):96-99.
HU Defu. Design of the strain torque sensor[J].Ship Engineering,2011,33(4):96-99.
[8] 孟宗,刘彬.回转机械扭矩实时监测系统的研究[J].仪器仪表学报,2005,26(增刊1):38-39.
MENG Zong,LIU Bin. Research on torque real time monitoring system of rotary machine[J].Chinese Journal of Scientific Instrument,2005,26(S1):38-39.
[9] 王登泉,杨明,叶林,等.非接触式旋转轴扭矩测量现状[J].电子测量技术,2010,33(6):8-12.
WANG Dengquan,YANG Ming,YE Lin,et al. Study of non-contact torque measurement of rotating shaft[J]. Electronic Measurement Technology,2010,33(6):8-12.
[10] 万宏强,汪亮,刘扬,等.基于ANSYS的U型波纹管参数计算与分析[J].西安工业大学学报,2008,28(2):123-128.
WAN Hongqiang,WANG Liang,LIU Yang,et al. Geometric parameter calculation of the U-shaped bellows based on ANSYS[J].Journal of Xi'an Technological University,2008,28(2):123-128.
[11] 万宏强,汪亮.低温环境下波纹管的轴向刚度计算[J].机械强度,2009,31(5):787-790.
WAN Hongqiang,WANG Liang. Finite element calculation to bellows' axial stiffness on cryogenic environment[J].Journal of Mechanical Strength,2009,31(5):787-790.
[12] 刘昕晖,陈晋市.AMESim仿真技术在液压系统设计分析中的应用[J].液压与气动,2015(11):1-6.
LIU Xinhui,CHEN Jinshi. Application of AMESim in the design and analysis of hydraulic system[J].Chinese Hydraulics &Pneumatics,2015(11):1-6.
[13] 张宪宇,陈小虎,何庆飞,等.基于AMESim液压元件设计库的液压系统建模与仿真研究[J].机床与液压,2012,40(13):172-174.
ZHANG Xianyu,CHEN Xiaohu,HE Qingfei,et al.Modeling and simulation research of hydraulic system based on hydraulic component design library of AMESim[J].Machine Tool &Hydraulics,2012,40(13):172-174.
WANG Kun,ZHAO Lan
(College of Mechanical and Vehicle Engineering,Taiyuan University of Technology,Taiyuan 030024,China)
Abstract:In view of problems of complex structure,poor operability and low control precision of existing bolt pretension torque control device of coal mine,a mechanical bolt pretension torque closed-loop control device was designed. The device measures torque of gear ring by change of liquid pressure of the liquid-filled bellows and acts the pressure on slide valve. When the torque reaches control value,the slide valve can be action and makes the bolt pretension circuit cut off,so as to complete a bolt pretension process. The simulation and underground test results show that the device can effectively control torque within 480-510 N·m with fast response,high reliability and control accuracy of more than 90%. Temperature and angle have no influence on the measurement results. The torque multiplier's transmission efficiency and the friction factor of friction pad lead to the control result error of 6.2% and 10% respectively. The friction pad with smaller friction factor should be used and the torque multiplier should be maintained regularly.
Key words:bolt support;roof bolter;pretension torque;pretension force;torque multiplier;friction pad;transmission efficiency;friction factor
文章编号:1671-251X(2019)04-0089-06
DOI:10.13272/j.issn.1671-251x.2018100080
收稿日期:2018-10-31;
修回日期:2019-02-29;
责任编辑:张强。
基金项目:山西省重点研发计划项目(201603D121003)。
作者简介:王坤(1993-),男,陕西咸阳人,硕士研究生,研究方向为煤矿巷道支护,E-mail:992843651@qq.com。
作者简介:王坤,赵澜.锚杆预紧扭矩闭环控制装置研究[J].工矿自动化,2019,45(4):89-94.
WANG Kun,ZHAO Lan.Research on bolt pretension torque closed-loop control device[J].Industry and Mine Automation,2019,45(4):89-94.
中图分类号:TD353.6
文献标志码:A