李朋朋1,张丹2,孟祥强1,曹连民1,孙宝海3
(1.山东科技大学 机械电子工程学院,山东 青岛 266590;2.山东交通技师学院 交通工程学院,山东 临沂 276017; 3.益和电气集团股份有限公司,山东 青岛 266590)
摘要:针对电缆卷放速度与连续采煤机行进速度不能同步的问题,在分析卷缆装置三级调速液压系统原理的基础上,建立了三级调速液压系统仿真模型。该系统利用节流阀与压力补偿阀组合设计降低了设计复杂性,避免了压力补偿阀不工作时带来的能量损耗;实现了液压马达110,80,50 r/min三级转速变化,从而实现了卷缆装置变速调节功能,保证了电缆卷放速度与连续采煤机行进速度的同步性。仿真和测试结果表明,节流阀控制较灵敏,回路流量变化较稳定;虽然在节流阀导通和截止瞬间管道流量存在轻微波动,但不影响整体控制效果;在压力补偿阀的作用下,系统管道压力基本稳定在14 MPa,达到了较好的稳压、控压效果;测试得到的液压马达转速和转矩变化趋势与仿真结果基本吻合,三级调速效果较为明显。
关键词:连续采煤机; 矿用卷缆装置; 三级调速液压系统; 变速调节; 液压马达; 节流阀; 压力补偿阀
目前,国内外电缆卷放装置逐步升级,不断向智能化、自动化方向发展,较为常见的是液压泵与液压马达配套式电缆卷放装置[1-2]。与传统的电动机控制电缆卷放方式相比,采用液压系统控制电缆卷筒旋转的方式具有以下优点:优化了电缆卷放装置整体结构,简化了液压系统回路设计,提高了装置运行稳定性和可靠性;采用液压马达传动,有效提高了传动功率,适用于井下矿用电缆卷放;液压系统防爆性能好,可更好地避免电火花现象,提高了人员和生产的安全性[3-6]。液压泵是液压系统的动力元件,按排量是否可调分为定量泵和变量泵。定量泵只能为电缆卷筒提供恒定转矩和转速,虽然整体较为稳定,但无法实现变速收缆功能[7-9]。而变量泵控制回路复杂,精度要求高,难以推广。本文以12CM15型连续采煤机卷缆装置为例,在分析卷缆装置三级调速液压系统原理的基础上,结合采煤机速度变化特点,建立了三级调速液压系统模型,并通过仿真和测试分析验证了其可行性。该系统通过增加节流阀与压力补偿阀实现三级调速功能,设计简单、控制方便,可实现变速卷缆,达到了电缆卷放速度与采煤机行进速度同步的效果。
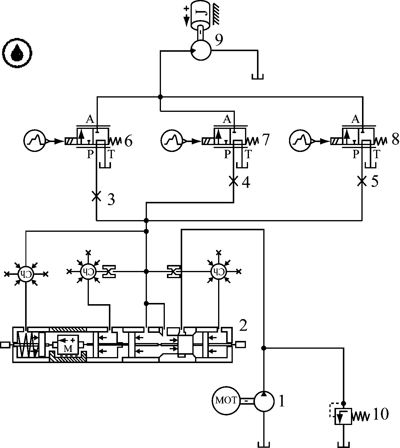
矿用卷缆装置三级调速液压系统原理如图1所示。该系统主要通过液压马达带动电缆卷筒旋转实现电缆卷放功能。在实际工作中,采煤机前进速度多为三档控制,因此,需设置电缆卷筒转速为三档,以保证卷缆状态与采煤机行进状态的同步性[10-11]。

图1 矿用卷缆装置三级调速液压系统原理
Fig.1 Principle of hydraulic system with three-stage speed regulation of mine-used cable winding device
系统根据采煤机行进速度变化改变调速阀开口大小,调节整体回路流量,以控制液压马达转速变化,进而改变电缆卷筒转速,使电缆卷缆速度与采煤机行进速度保持一致。为保证调速阀控制精度,降低整体设计复杂性,在系统中并联3个调速阀,根据转速和流量变化要求,分别设定3个阀芯开口大小,当采煤机行进速度变化时,通过控制3个调速阀的通断状态,实现液压系统变速调节功能。
根据矿用卷缆装置三级调速液压系统原理,利用AMESim仿真软件建立系统模型,如图2所示。

1-液压泵;2-压力补偿阀;3-节流阀1;4-节流阀2;5-节流阀3;6-电磁换向阀1;7-电磁换向阀2;8-电磁换向阀3;9-液压马达;10-溢流阀
图2 矿用卷缆装置三级调速液压系统模型
Fig.2 Model of hydraulic system with three-stage speed regulation of mine-used cable winding device
由于调速阀模型的基础模块较多,为简化回路设计,建模时采用3个节流阀与1个压力补偿阀组合的方式代替3个调速阀并联连接方式,这样既大大简化了模型,又避免了压力补偿阀不工作时带来的能量损耗,减小了其对分析结果的影响[12-13]。
模型参数:液压泵额定转速为1 000 r/min,排量为50 mL/r;节流阀1、2、3的调定流量分别为11,8,5 L/min;调速阀额定压降为0.3 MPa;液压马达额定转速为1 000 r/min,额定转矩为1 000 N·m;溢流阀调定压力为7 MPa。
仿真时3个节流阀的通断分别由电磁换向阀控制:0~3 s,电磁换向阀1接收电信号,节流阀1导通;3~6 s,电磁换向阀2接收电信号,节流阀2导通;6 s之后,电磁换向阀3接收电信号,节流阀3导通。在Run模式下运行仿真模型,得到3个节流阀流量变化曲线和液压马达转速变化曲线,分别如图3和图4所示。

(a) 节流阀1

(b) 节流阀2

(c) 节流阀3
图3 节流阀流量变化曲线
Fig.3 Flow curves of throttle valves

图4 液压马达转速变化曲线
Fig.4 Speed curve of hydraulic motor
由图3可知,0~3 s时,采煤机向液压系统传递快速前进信号,节流阀1导通,达到设定流量值11 L/min,节流阀2、3截止,流量均为0;同理,在3~6 s和6 s之后这2个时间段,分别是节流阀2、3导通并达到设定流量值8 L/min和5 L/min。由图4可知,在三级调速控制下,液压马达分别实现了110,80,50 r/min三级转速变化;由转速变化曲线的趋势可知,节流阀控制较为灵敏,回路流量变化较为稳定;虽然在节流阀导通和截止瞬间管道流量存在轻微波动,但不影响整体控制效果,实现了液压马达三级调速功能[14]。
液压系统管道压力变化曲线如图5所示。在压力补偿阀的作用下,系统管道压力基本稳定在14 MPa,达到了较好的稳压、控压效果,体现了系统设计的优越性。

图5 液压系统管道压力变化曲线
Fig.5 Pipeline pressure change curve of hydraulic system
为进一步验证矿用卷缆装置三级调速液压系统的可行性,搭建试验台进行测试,测试装置包括电动机、YB1-100液压泵、Q-F6D-P调速阀、BM2-250液压马达、速度传感器、力矩传感器。通过手动开关调速阀实现液压系统变速调节,利用速度传感器和力矩传感器检测液压马达转速和转矩,并将测试结果与仿真结果进行对比,结果如图6和图7所示。考虑实际应用中流量波动变化大,稳定时间长,将测试时间改为100 s。

图6 液压马达转速仿真和测试结果对比
Fig.6 Comparison of simulation and test results of speed of hydraulic motor

图7 液压马达转矩仿真和测试结果对比
Fig.7 Comparison of simulation and test results of torque of hydraulic motor
由图6和图7可知,虽然测试得到的转速和转矩数值偏大,仿真测得的转速和转矩偏小,但二者变化趋势基本吻合,且转速差值稳定在30 r/min,转矩差值稳定在30 N·m,三级调速效果较为明显,符合设计要求,验证了三级调速液压系统的可行性。
(1) 针对卷缆装置电缆卷放速度与连续采煤机行进速度不能同步的问题,对卷缆装置液压系统进行优化设计,通过并联3个调速阀并改变每个调速阀开口大小来调节回路流量,实现了三级调速功能,保证了电缆卷放速度与采煤机行进速度的同步性。
(2) 节流阀与压力补偿阀组合设计降低了设计复杂性,提高了系统稳定性;通过AMESim建模仿真和测试分析验证了三级调速液压系统的可行性,为卷缆装置液压调速系统优化设计提供了理论依据。
(3) 由于仿真条件与实际工况存在一定差异,为提高重型连续采煤机卷缆装置三级调速液压系统的可行性和现场应用价值,下一步考虑进行现场试验验证,以提高卷缆装置的适应性及实用性。
参考文献:
[1] 王家臣,刘峰,王蕾.煤炭科学开采与开采科学[J].煤炭学报,2016,41(11):2651-2660.
WANG Jiachen,LIU Feng,WANG Lei.Sustainable coal mining and mining sciences[J].Journal of China Coal Society,2016,41(11):2651-2660.
[2] 柏艳红,陈聪,孙志毅,等.基于AMESim的电液阀控缸系统线性化分析[J].系统仿真学报,2014,26(7):1430-1434.
BAI Yanhong,CHEN Cong,SUN Zhiyi,et al.Linear analysis of electro-hydraulic valve-controlled cylinder system based on AMESim[J].Journal of System Simulation,2014,26(7):1430-1434.
[3] 周能文,王亚锋,王凯峰.基于AMESim的液压位置控制系统动态特性研究[J].机械工程与自动化,2010(4):82-84.
ZHOU Nengwen,WANG Yafeng,WANG Kaifeng.Dynamic characteristics of hydraulic position control system based on AMESim[J].Mechanical Engineering &Automation,2010(4):82-84.
[4] 杨春晖,王建国,李京山,等.基于液压仿真和有限元的试验设备关键零件优化设计[J].机床与液压,2012,40(10):84-86.
YANG Chunhui,WANG Jianguo,LI Jingshan,et al.Optimization design for key part of experimental equipment based on hydraulic simulation and FEM[J].Machine Tool &Hydraulics,2012,40(10):84-86.
[5] 钟声宇.一种电缆卷筒排缆装置的设计[J].机械制造,2013,51(4):59-60.
[6] LI H N,DENG D A. Research on influence factors of hydraulic support moving velocity in coal mining based on AMESim[J].Advanced Materials Research,2014,1014:180-184.
[7] 陈庆贺.煤矿设备自动卷缆与行走的逻辑探讨[J].机床与液压,2015,43(20):121-122.
CHEN Qinghe. The logic of automatic rolling cable and walking of coal mine equipment[J].Machine Tool &Hydraulics,2015,43(20):121-122.
[8] 唐倩,柳溢沛,杜雪松.拉丝机卷筒应力应变的有限元数值模拟[J].机械研究与应用,2017,30(2):25-27.
TANG Qian,LIU Yipei,DU Xuesong. Finite element numerical simulation to stress and strain of drawing reel[J].Mechanical Research &Application,2017,30(2):25-27.
[9] 高海涛,许志沛,申士林.基于ANSYS Workbench的多层缠绕卷筒的结构优化设计[J].机械设计与制造,2013(6):15-17.
GAO Haitao,XU Zhipei,SHEN Shilin.Optimization design of multilayer drum based on ANSYS Workbench[J].Machinery Design &Manufacture,2013(6):15-17.
[10] 高立龙,马士友,阮宜武,等.基于AMESim的负载敏感液压系统的仿真研究[J].起重运输机械,2015(12):64-68.
GAO Lilong,MA Shiyou,RUAN Yiwu,et al.AMESim-based simulation study on load sensitive hydraulic system[J].Hoisting and Conveying Machinery,2015(12):64-68.
[11] ANTONELLI M,BACCIOLI A,FRANCESCONI M,et al. Small scale ORC plant modeling with the AMESim simulation tool: analysis of working fluid and thermodynamic cycle parameters influence[J].Energy Procedia,2015,81:440-449.
[12] 刘昕晖,陈晋市.AMESim仿真技术在液压系统设计分析中的应用[J].液压与气动,2015(11):1-6.
LIU Xinhui,CHEN Jinshi.Application of AMESim in the design and analysis of hydraulic system[J].Chinese Hydraulics &Pneumatics,2015(11):1-6.
[13] 郑德帅,谷立臣,贾永峰,等.基于AMESim的电液负载模拟系统[J].机械设计与研究,2013,29(2):97-100.
ZHENG Deshuai,GU Lichen,JIA Yongfeng,et al.Research on the electro-hydraulic load simulation based on AMESim software[J].Machine Design &Research,2013,29(2):97-100.
[14] 陶柳,何奇,彭松华,等.基于AMESim和MATLAB的隧道多功能台车联动调平回路仿真分析[J].机床与液压,2016,44(4):85-86.
TAO Liu,HE Qi,PENG Songhua,et al.Simulation of linkage leveling loop of tunnel multi-function operations trolley based on AMESim and MATLAB[J].Machine Tool &Hydraulics,2016,44(4):85-86.
LI Pengpeng1,ZHANG Dan2,MENG Xiangqiang1,CAO Lianmin1,SUN Baohai3
(1.College of Mechanical and Electronic Engineering,Shandong University of Science and Technology,Qingdao 266590,China;2.School of Traffic Engineering,Shandong Traffic Technician College,Linyi 276017,China;3.Yihe Electric Group Co.,Ltd.,Qingdao 266590,China)
Abstract:In view of the problem that cable winding speed cannot be synchronized with speed of continuous shearer,based on analysis of principle of hydraulic system with three-stage speed regulation of the cable winding device,simulation model of hydraulic system with three-stage speed regulation was established. The system uses combination design of throttle valve and pressure compensation valve to reduce design complexity and avoid energy loss when pressure compensation valve does not work. The three-stage speed regulation of 110,80,50 r/min of hydraulic motor is achieved,and so speed adjustment function of the cable winding device is realized,and synchronization of the cable winding speed and the continuous shearer traveling speed is ensured. The simulation and test results show that the throttle control is sensitive and the change of loop flow is stable;although there is slight fluctuation of pipeline flow at the opening and closing moments of the throttle valve,it does not affect the overall control effect;under the action of pressure compensation valve,the pipeline pressure of the system is basically stable at 14 MPa,which achieves good regulation and control effect of pressure;the test results of speed and torque trend of hydraulic motor are basically consistent with the simulation results,and the three-stage speed regulation effect is obvious.
Key words:continuous shearer;mine-used cable winding device;hydraulic system with three-stage speed regulation;variable speed adjustment;hydraulic motor;throttle valve;pressure compensation valve
文章编号:1671-251X(2019)04-0059-04
DOI:10.13272/j.issn.1671-251x.2018120003
收稿日期:2018-12-04;
修回日期:2019-03-10;
责任编辑:胡娴。
基金项目:首批国家虚拟仿真实验教学项目(201806022);矿业工程国家级实验教学示范中心(山东科技大学)开放基金项目(KYSF20180206);山东科技大学教育教学研究“群星计划”项目(QX2018Z05)。
作者简介:李朋朋(1993-),男,山东巨野人,硕士研究生,研究方向为机电液一体化,E-mail:532060225@qq.com。
作者简介:李朋朋,张丹,孟祥强,等.矿用卷缆装置三级调速液压系统研究[J].工矿自动化,2019,45(4):59-62.
LI Pengpeng,ZHANG Dan,MENG Xiangqiang,et al.Research on hydraulic system with three-stage speed regulation of mine-used cable winding device[J].Industry and Mine Automation,2019,45(4):59-62.
中图分类号:TD632
文献标志码:A