田旭,马越
(中国矿业大学(北京) 机电与信息工程学院,北京 100083)
摘要:针对弱电网条件下静止同步补偿器与电网间存在较强的相互影响,电网电压前馈控制策略因存在延时导致抗电网电压畸变效果不佳的问题,提出了一种考虑控制延时的矿井链式静止同步补偿器电流跟踪控制策略。该控制策略以传统的比例谐振控制策略为基础,在电网电压前馈环节中加入补偿环节,该补偿环节等于采样延时传递函数与控制延时传递函数乘积的倒数,采用麦克劳林展开式对补偿环节进行化简,可得到满足要求的补偿环节的近似表达式。加入补偿环节后的控制策略可以消除控制延时及电网电压畸变所造成的影响,使静止同步补偿器在电网电压谐波较大时仍可正常工作。仿真结果表明,该控制策略具有较强的抗电网电压扰动能力和良好的电流跟踪控制效果。
关键词:矿井链式静止同步补偿器; 电流跟踪; 控制延时; 电网电压补偿; 分相独立控制;STATCOM
矿井生产中广泛使用的提升设备和采掘设备中含有大量电动机,与地面电力系统相比,井下电力系统具有更多的感性负载[1]。静止同步补偿器(Static Synchronous Compensator,STATCOM)作为柔性交流输电系统的重要组成部分,通过与电网交换无功功率的方式实现调控功率因数、稳定系统电压、维持系统稳定、增强负荷能力、改善电能质量等功能[2-3]。链式STATCOM具有较高的等效开关频率和优良的谐波特性[4],因此,在矿井无功补偿领域得到了广泛应用[5]。
电力电子装置的大量存在使得电网特别是配电网的弱电网特性日益突出[6]。除去不可忽略的等效电网阻抗对系统稳定性造成的影响之外,弱电网造成的并网点处电网电压中包含的背景谐波[7]也成为设计相关电力电子装置控制器时必须予以考虑的问题[8]。针对这一问题主要有2种解决方法:一种方法是通过增加比例谐振控制器以抑制电压谐波对并网电流的影响[9],但当需要抑制的谐波频率大于控制器截止频率时,该方法会产生稳定性问题[10]。另一种方法是直接将电网电压比例前馈[11],该方法简单方便,可较好地抑制谐波,得到了广泛应用,但是,由于实际装置的控制器均采用数字化实现,所以,该控制方法存在控制延时问题,影响了其抑制电网电压扰动的能力。此外,控制延时还会恶化链式STATCOM的电流跟踪控制效果,极端条件下还可能引发STATCOM与接入点电网之间的振荡[12],特别是当系统电压中包含谐波时,由于谐波电压的周期小,控制延时对电流跟踪效果的影响将更加显著[13]。
针对以上问题,本文提出了一种考虑控制延时的矿井链式静止同步补偿器电流跟踪控制策略,通过在电网电压前馈环节中添加补偿环节消除控制延时及电网电压畸变所造成的影响。
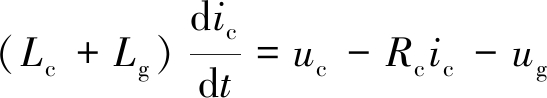
链式STATCOM的电路拓扑如图1所示,每相换流链均由H桥子模块串联而成,通过电感Lc与线路等效电阻Rc接入电网,电网由理想电源与短路电抗Lg组成。图中,uca,ucb,ucc为三相换流链的输出电压,ica,icb,icc为STATCOM输出电流,usa,usb,usc为STATCOM接入点的电压,uga,ugb,ugc为理想电源的电压。

图1 链式STATCOM的电路拓扑
Fig.1 Circuit topology of chain STATCOM
由于直流电压外环的时间常数较大,所以,假定直流总电压恒定,并且各个链节电压均衡。此时,可以将各个链节合并,等效为一个链节,单相等效电路如图2所示,其中,ug为电网电压,us为STATCOM接入点的电压,uc为换流链输出电压,ic为STATCOM输出电流。

图2 链式STATCOM单相等效电路
Fig.2 Single-phase equivalent circuit of chain STATCOM
由图2可知,STATCOM输出电流可表示为
(1)
由于链式STATCOM的三相直流母线独立,若采用dq坐标系解耦控制,必须包括d轴、q轴、0轴3条控制通道,计算量大。此外,由于需要对STATCOM的三相输出电流进行dq变换后才能进行电流跟踪控制,所以,解耦控制在本质上是电流间接控制,其控制效果较直接电流控制有所欠缺,故本文采用分相独立控制策略。
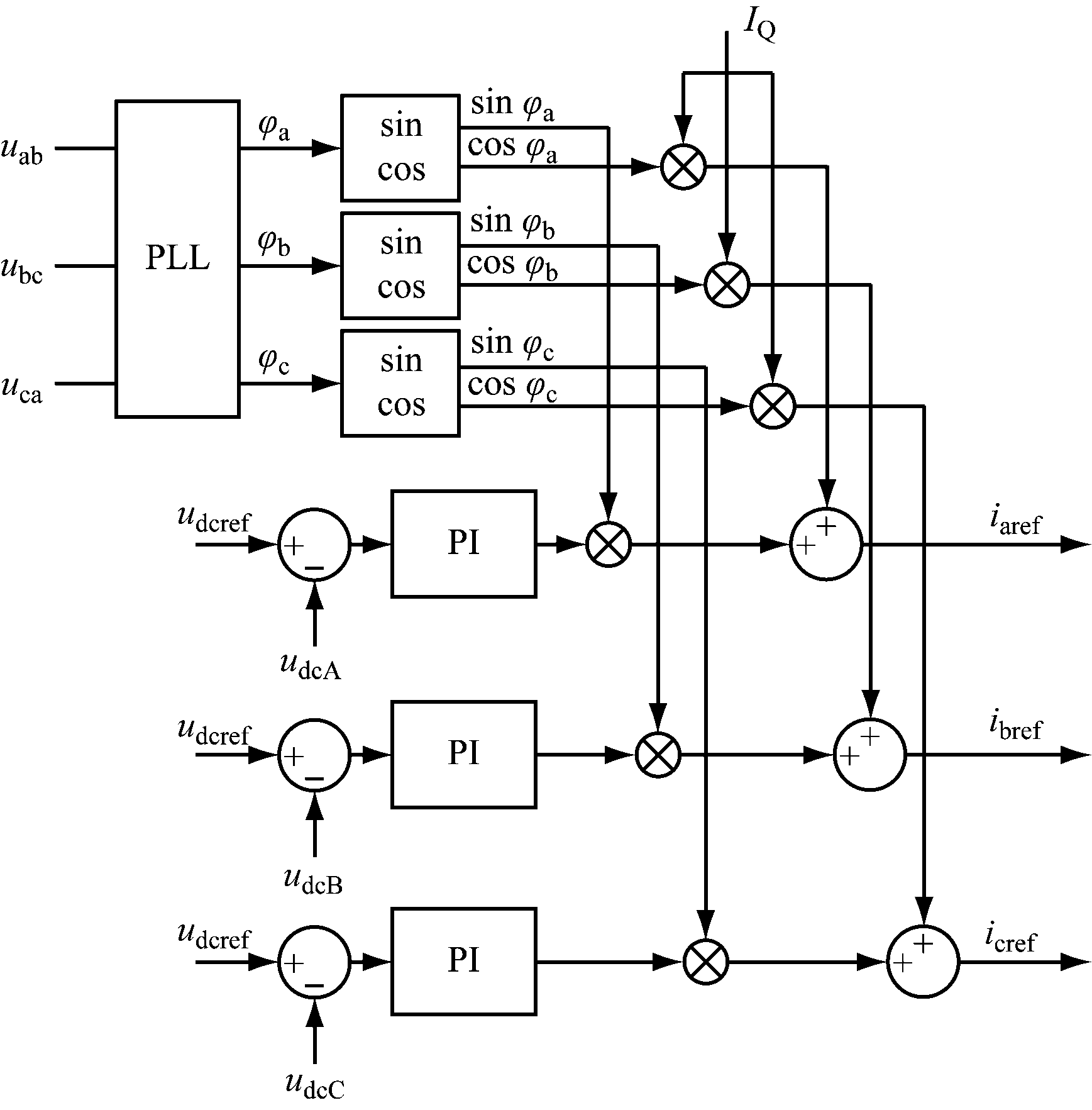
采用分相独立控制时的链式STATCOM的控制策略仍采用双闭环结构,电压外环如图3所示,负责稳定直流侧电压并确定交流电流参考值,其控制器结构可分为电压相位检测与直流母线总电压控制2个部分。电压相位检测根据系统线电压uab,ubc,uca计算得到三相电压的相位φa,φb,φc;直流母线总电压控制分别对三相直流电压进行反馈调节,由3个比例积分(Proportional Integral,PI)调节器组成,直流电压给定值udcref减去各相直流电压实际值udcA,udcB,udcC作为PI调节器的输入,其输出经过低通滤波器后乘以由系统电压相位生成的正弦量作为参考电流中的有功电流部分,再加上给定的参考电流中无功电流部分IQ,共同作为参考电流iaref,ibref,icref。

图3 电压外环控制策略
Fig.3 Control strategy of outer voltage loop
电流内环控制策略如图4所示,主要包含电流跟踪控制和各链节直流电容均压控制2个部分。电流跟踪控制部分将每相参考电流iref与实际电流i相减后经过比例谐振(Proportional Resonant,PR)控制器,再加入接入点电压前馈us后作为各链节参考电压中的共同部分。均压控制即用各个链节电压与该相直流母线总电压之差经过一个比例环节后再乘以该相参考电流。各链节参考电压除以该链节直流电压后进入载波移相PWM控制环节,与该链节所对应的载波进行比较,生成该链节的PWM脉冲信号。

图4 电流内环控制策略
Fig.4 Control strategy of inner current loop
采用分相独立控制后,各相电流控制环的输入信号均为正弦交流量,若采用PI控制,则无法保证稳态时的无静差。PR控制在特定频率处的增益为无穷大,若采用PR控制器,并且将控制器的谐振频率设定为工频(50 Hz),则电流控制环在该频率处的开环增益为无穷大,闭环增益为1,则可实现稳态无静差跟踪。
理想的PR控制器由比例环节和谐振环节构成,其传递函数为
(2)
式中:Kp为比例系数;Kr为谐振增益;ωr为谐振频率。
但是理想PR控制器在实现的过程中也存在着一些问题,主要表现如下:① 虽然在理论上PR控制器在谐振频率处的增益为无穷大,但受到DSP、FPGA精度的限制,PR控制器难以实现; ② 由于理想PR控制器的带宽很窄,当系统电压的频率不能严格等于谐振频率时,控制效果就会大打折扣。
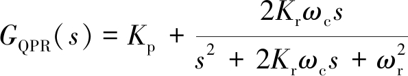
基于以上2点原因,在实际工程中,通常采用一种近似PR(Quasi-PR,QPR)控制器。其传递函数为
(3)
式中ωc为截止频率。
电流内环单相等效数学模型如图5所示。

(a) 传统数学模型

(b) 加入接入点电压前馈后的数学模型

(c) 考虑控制时延后的数学模型

(d) 加入延时补偿环节后的数学模型
图5 电流内环单相等效数学模型
Fig.5 Mathematic model of single-phase equivalent of inner current loop
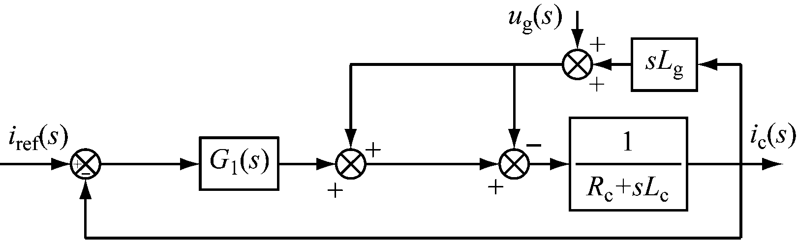
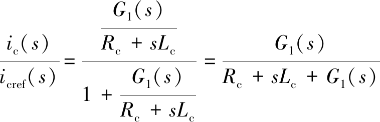
由式(1)可知,传统的链式STATCOM内环控制系统的单相等效数学模型如图5(a)所示,图中G1(s)为内环控制器,在本文中G1(s)=GQPR(s)。可以看出,STATCOM接入点电压ug(s)与输出电流之间将产生相互作用。
加入接入点电压前馈后的数学模型如图5(b)所示,此时其开环传递函数为

(4)
从式(4)可以看出,通过电网电压前馈,电网电压中包含的谐波分量及扰动得以正负抵消,此时装置输出电流只与参考电流有关,而与系统电压和短路容量无关,STATCOM输出电流也不会受到系统电压的影响。
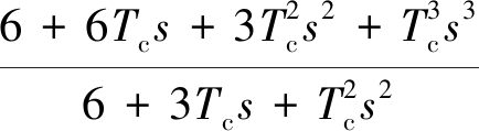
但在实际应用中,STATCOM的控制策略都在DSP中按照定时执行的方式完成,此时控制周期等于定时周期。在这种情况下,考虑控制时延后的数学模型如图5(c)所示,由于DSP控制中包括采样环节和定时控制环节,设控制周期为Tc,则其传递函数可分别表示为
和
故采用
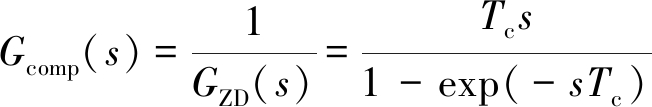
来模拟零阶保持器和控制系统的延时,由于延时环节的存在,前馈环节无法完全消除电网电压对输出电流所造成的影响。此时可以考虑加入补偿环节,如图5(d)所示,若补偿环节
则系统时延可以得到补偿,即
(5)
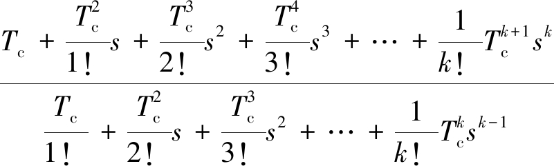
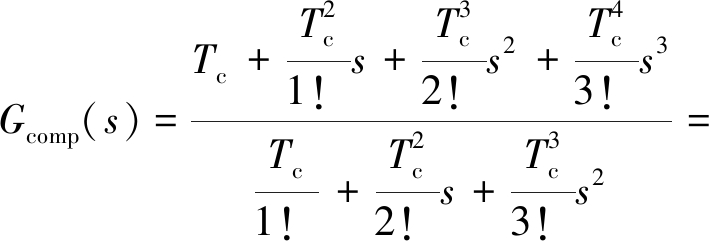
将exp(-sTc)写成
并采用麦克劳林展开式进行变形处理,可得
Gcomp(s)≈


(6)
当阶数k取不同值时,麦克劳林展开式与原传递函数的频率响应如图6所示,从图6可以看出,三阶麦克劳林展开式与Gcomp(s) 的频率响应基本重合,所以,本文取补偿环节的传递函数为

(7)

(a) 幅值增益拟合效果

(b) 相位增益的拟合效果
图6 不同阶数下麦克劳林展开式的拟合效果
Fig.6 Fitting effect of Maclaurin expansion under different orders
为了验证本文所提出的考虑控制延时的电流跟踪控制策略的有效性,采用Matlab/Simulink软件搭建了链式STATCOM电路的仿真模型,其主要参数见表1。
表1 STATCOM电路仿真模型参数
Table 1 Parameters of STATCOM circuit simulation model

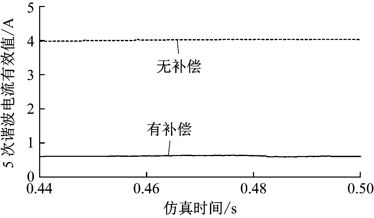
仿真中设定电网短路容量为装置短路容量的5倍,并在电网电压中加入500 V的5次谐波分量。设定基波无功参考电流的有效值为100 A。有补偿与无补偿环节时STATCOM的输出电流波形如图7所示,其基波和5次谐波分量的幅值和相位分别如图8、图9所示。从图8、图9可以看出,无补偿环节时,基波电流约为97.9 A,STATCOM输出电流有明显的畸变,5次谐波分量约为4 A。加入补偿环节后,基波电流变化不大,但5次谐波电流得到显著的抑制,降低至0.7 A。上述仿真结果证明了本文所提出的补偿环节的有效性。

图7 有补偿与无补偿环节时STATCOM的输出电流波形
Fig.7 Output current waveforms of STATCOM with or without compensation link

图8 输出电流中基波分量的有效值
Fig.8 Effective values of fundamental component in output current

图9 输出电流中5次谐波分量的有效值
Fig.9 Effective values of 5th harmonic component in output current
考虑控制延时的矿井链式STATCOM电流跟踪控制策略通过设置补偿环节抵消了控制器产生的时延,改善了STATCOM 弱电网条件下的电流跟踪控制效果。Matlab/Simulink仿真结果表明,加入补偿环节后,电网电压的基波电流变化不大,当电网电压存在畸变时,该策略可有效抑制谐波电流,使输出电流能保持较低的谐波含量,STATCOM具有较好的电流跟踪效果。
参考文献:
[1] 朱剑锋,陈立东,刘磊.基于STATCOM矿井电力系统无功补偿技术[J].新型工业化,2016,6(11):64-67.
ZHU Jianfeng,CHEN Lidong,LIU Lei.Reactive compensation technology of mine power system based on STATCOM[J].The Journal of New Industrialization,2016,6(11):64-67.
[2] 李书珍,耿华,杨耕.链式静止无功补偿器分布式控制系统[J].电工技术学报,2017,32(20):153-159.
LI Shuzhen,GENG Hua,YANG Geng.A distributed control system of cascade static synchronous compensator[J].Transactions of China Electrotechnical Society,2017,32(20):153-159.
[3] 刘畅,蔡旭,陈强.具有储能功能的链式STATCOM研究[J].电源学报,2018,16(4):21-27.
LIU Chang,CAI Xu,CHEN Qiang.Research on cascaded STATCOM with battery energy storage system[J].Journal of Power Supply,2018,16(4):21-27.
[4] 程江洲,方烜,魏业文,等.基于H桥STATCOM协调控制的电能质量多目标优化评估方法[J].电力电容器与无功补偿,2018,39(1):38-43.
CHENG Jiangzhou,FANG Xuan,WEI Yewen,et al.Multi-objective optimization evaluation method on power quality based on coordination control of H bridge STATCOM[J].Power Capacitor &Reactive Power Compensation,2018,39(1):38-43.
[5] 张恩锋,张浩.高压STATCOM无功补偿与谐波治理装置在矿井变电所的应用[J].中国煤炭,2012,38(5):84-86.
ZHANG Enfeng,ZHANG Hao.Application of high voltage STATCOM reactive power compensation and harmonic control device in coal mine substation [J].China Coal,2012,38(5):84-86.
[6] 杨波,赵汉卿,曾光,等.链式STATCOM直流电容电压平衡控制[J].电源学报,2016,14(5):128-136.
YANG Bo,ZHAO Hanqing,ZENG Guang,et al.DC capacitors voltage balancing strategy for cascaded STATCOM [J].Journal of Power Supply,2016,14(5):128-136.
[7] ABEYASEKERA T,JOHNSON C,ATKINSON D J,et al.Suppression of line voltage related distortion in current controlled grid connected inverters[J].IEEE Transactions on Power Electronics,2005,20(6):1393-1401.
[8] 杨东升,阮新波,吴恒.提高LCL型并网逆变器对弱电网适应能力的虚拟阻抗方法[J].中国电机工程学报,2014,34(15):2327-2335.
YANG Dongsheng,RUAN Xinbo,WU Heng.A virtual impedance method to improve the performance of LCL-type grid-connected inverters under weak grid conditions [J].Proceedings of the CSEE,2014,34(15):2327-2335.
[9] JALILI K,BERNET S.Design of LCL filters of active-front-end two-level voltage-source converters [J].IEEE Transactions on Industrial Electronics,2009,56(5):1674-1689.
[10] ZMOOD D N,HOLMES D G.Stationary frame current regulation of PWM inverters with zero steady-state error [J].IEEE Transactions on Power Systems,2003,30(1):814-822.
[11] 王学华,阮新波,刘尚伟.抑制电网背景谐波影响的并网逆变器控制策略[J].中国电机工程学报,2011,31(6):7-14.
WANG Xuehua,RUAN Xinbo,LIU Shangwei.Control strategy for grid-connected inverter to suppress current distortion effected by background harmonics in grid voltage [J].Proceedings of the CSEE,2011,31(6):7-14.
[12] NAZARIPOUYA H,MEHRAEEN S.Modeling and nonlinear optimal control of weak/islanded grids using FACTS device in a game theoretic approach [J].IEEE Transactions on Control Systems Technology,2016,24(1):158-171.
[13] WANG J,YAN J D,JIANG L,et al.Delay-dependent stability of single-loop controlled grid-connected inverters with LCL filters[J].IEEE Transactions on Power Electronics,2016,31(1):743-757.
TIAN Xu, MA Yue
(School of Mechanical Electronic and Information Engineering,China University of Mining and Technology (Beijing),Beijing 100083,China)
Abstract:In view of problems of strong interaction effect between STATCOM and power grid under weak power,the power voltage feed-forward control strategy is not effective in resisting power grid voltage distortion due to the delay,a current tracking control strategy for mine chain STATCOM considering control delay was proposed. The control strategy is based on the traditional proportional resonance control strategy,and compensation link is added in power grid voltage feed-forward link. The compensation link is equal to reciprocal of product of sample delay and control delay transfer function. The approximation expression of compensation link available to meet the requirements is derived through McLaughlin expansion. The compensation strategy added compensation link can eliminate control delay and avoid influence of grid voltage distortion,so that the STATCOM can still work normally when power grid voltage harmonics are large. The simulation results show that the control strategy has strong ability to resist power grid voltage disturbance and good control effect of current tracking.
Key words:mine chain static synchronous compensator;current tracking;control delay;power grid voltage compensation;phase independent control;STATCOM
文章编号:1671-251X(2019)04-0049-06
DOI:10.13272/j.issn.1671-251x.2018110002
收稿日期:2018-11-01;
修回日期:2019-01-26;
责任编辑:张强。
基金项目:国家自然科学基金项目(51707194);国家重点研发计划项目(2017YFB120080);北京市优秀人才培养资助项目(2016000020124G114)。
作者简介:田旭(1984-),男,河南郑州人,讲师,博士,主要从事柔性交流输电系统建模与控制、电能质量分析与控制方面的研究工作,E-mail:tianxu516@163.com。
通信作者:马越(1995-),男,山西晋城人,硕士研究生,主要研究方向为电力电子系统建模与控制,E-mail:mayue@acgtrip.com。
作者简介:田旭,马越.矿井链式静止同步补偿器电流跟踪控制策略[J].工矿自动化,2019,45(4):49-53.
TIAN Xu,MA Yue.Current tracking control strategy for mine chain STATCOM[J].Industry and Mine Automation,2019,45(4):49-53.
中图分类号:TD611
文献标志码:A