杨新顺1, 杨志强2
(1.重庆化工职业学院 机械与自动化工程学院, 重庆401220;2.中煤平朔集团有限公司 井工一矿, 山西 朔州038500)
摘要:针对目前主要采用估计顶板载荷或采用薄板理论模型对超前支架的力学特性进行研究存在计算载荷与真实载荷相差甚远的问题,设计了一种新型巷道超前支架,并根据巷道开挖的空间效应对超前支架的力学特性进行了研究。基于空间效应研究了超前支架与巷道围岩耦合作用机理,构建了超前支架与围岩耦合力学模型。研究结果表明,沿着巷道掘进方向,巷道超前支架承受的顶板载荷逐渐降低,越靠近工作面顶板载荷越大,超前支架的前端强度要高于后端;超前支架支护时机对于巷道顶板的稳定性很重要,超前支架布置得越靠近工作面顶板,巷道顶板变形越小,而超前支架承受顶板的载荷越大,需要的强度越高。
关键词:巷道超前支架; 巷道支护; 支护位置; 支护时机; 顶板载荷; 顶板变形; 围岩耦合力学模型
中图分类号:TD353
文献标志码:A
文章编号:1671-251X(2019)03-0035-06
DOI:10.13272/j.issn.1671-251x.2018090020
收稿日期:2018-09-07;
修回日期:2018-12-12;
责任编辑:张强。
基金项目:重庆市科委技术创新与应用示范项目(cstc2018jscx-msybX0312)。
作者简介:杨新顺(1979-),男,河南南阳人,副教授,硕士,主要研究方向为机电产品研发及设计,E-mail:yangxinshunpaper@126.com。
引用格式:杨新顺,杨志强.巷道超前支架设计与力学特性研究[J].工矿自动化,2019,45(3):35-40.
YANG Xinshun,YANG Zhiqiang.Design of roadway advanced support and study on its mechanical characteristics[J].Industry and Mine Automation,2019,45(3):35-40.
YANG Xinshun1, YANG Zhiqiang2
(1.Department of Mechanical and Automation Engineering, Chongqing Chemical Industry Vocational College, Chongqing 401220, China;2.No.1 Underground Mine, China Coal Pingshuo Group Co., Ltd.,Shuozhou 038500, China)
Abstract:In view of problem that there is a big difference between calculated load and real load when roof load is estimated or thin plate theory model is used to study mechanical characteristics of advanced support at present, a new type of roadway advanced support was designed, and the mechanical characteristics of the advanced support were studied according to spatial effect of roadway excavation. Based on spatial effect, the coupling mechanism between advanced support and surrounding rock of roadway was studied, and coupled mechanical model of the advanced support and surrounding rock was built. The research results show that along the direction of roadway excavation, the roof load borne by the roadway advanced support decreases gradually, the closer to the working face, the greater the roof load is, and the front end strength of the advanced support is higher than that of the back end. The support timing of the advanced support is very important for the stability of roadway roof, the closer the advanced support is arranged to the roof of working face, the smaller deformation of the roadway roof will be; while the larger the load borne by the advanced support is, the higher the strength required will be.
Key words:roadway advanced support; roadway support; supporting position; support timing; roof load; roof deformation; coupled mechanical model of surrounding rock
目前,我国煤矿巷道综掘工作面主要存在单机成巷速度慢、支护时间过长、劳动强度大以及工作效率低等问题,巷道超前支护系统的应用在一定程度上能够解决该问题,它在进行打眼安装锚杆以及支护顶板、侧帮作业的同时,不影响掘进机工作,实现了掘进与支护的平行作业,使掘进机利用率低的问题得到了根本解决[1-3]。
目前,专家学者们对超前支护的力学特性进行了深入研究。文献[4]建立了自移式超前支架的顶梁三维模型,通过静力学分析、模拟计算等方法对巷道围岩载荷下顶板的受力和变形情况进行了分析,并对顶梁进行了结构优化。文献[5]分析了巷道掘进工作面顶板的力学特性和超前支护装备的工作原理,建立了超前支护顶板系统的力学模型,利用结构力学和材料力学相关理论建立顶板的挠度方程,借助计算机辅助软件求解顶板的变形规律,使用ANSYS仿真软件对顶板及支护设备的变形量进行了仿真。文献[6]建立了基于薄板理论的顶板动力学模型,简化了超前支护装备,通过各部件的运动微分方程建立整机动力学模型,最后建立了考虑多点支护条件下的超前支护-顶板体系耦合动力学模型,用多体系统动力学仿真软件RecurDyn研究了多种工况下耦合动力模型的动态响应过程。
以上研究主要采用估计顶板载荷或采用薄板理论模型等对超前支架的力学特性进行研究,但事实上三边固支一边简支的简化模型通常应用于煤矿综采工作中,并不符合巷道的工况,因此,采用估计顶板载荷或采用薄板理论模型得出的超前支架顶板载荷会与超前支架顶板真实载荷相差较远,所得到的结论不能为超前支架的设计提供有意义的依据。鉴此,本文设计了一种新型巷道超前支架,并根据巷道开挖的空间效应对超前支架的力学特性进行研究,使得超前支架顶板载荷更加符合真实的工况条件,为巷道超前支架的结构设计和优化提供依据。
传统的巷道围岩锚固工作较为繁琐,需要将掘进机撤出,然后由人工将锚杆钻机搬入完成锚固,而超前支架是将铺锚网装置安放于支护机构的前端位置处,在机组上安装有锚杆钻机,这样一来就可以实现随掘随支随铺随锚,提高了巷道掘进效率以及施工安全性。巷道超前支架结构如图1所示。支护机构在掘进机处于工作状态时保持全支撑,即主支撑架和副支撑架均处于支撑状态,当掘进机停止工作需向前移动时,支护机构需迈步向前推移,此时支护机构的一组支撑架处于支撑状态,另一组支撑架经过下降-前移-上升的过程进而实现迈步前进,支撑组的支撑力随着另一组支撑力的变化而按照一定的曲线函数进行反向变化,从而保证顶板的支撑力稳定,避免顶板出现空顶状态,保证了掘进工作的安全、高效与自动化。

1-主支撑组立柱;2-副支撑组立柱;3-主支撑组底座;4-副支撑组底座;5-主支撑拱形梁;6-副支撑拱形梁;7-主支撑纵梁;8-副支撑纵梁
图1 巷道超前支架结构
Fig.1 Structure of roadway advanced support
支护设备支护强度即为设备对顶板的支护能力,它是设备最主要的技术参数之一。顶板的煤层厚度和等级将决定顶板所需要的支护强度,我国对不同顶板等级的支护强度标准已经确定,支护强度可根据顶板等级规定,采用倍数岩重法公式计算:
P=kxρ hc
(1)
式中:P为支护设备的支护强度,MPa;kx为顶板岩重系数,一般取5~8;ρ为顶板岩层密度,一般取25 kN/m3;hc为采煤高度,取5.2 m。
支护设备的支护强度和支护面积乘积定义为设备的工作阻力,其计算公式为
F=PLH
(2)
式中:F为支护设备额定工作阻力,kN;L为支护设备支护长度,取3 m;H为支护设备支护宽度,取4 m。
支护设备主要的支撑和承载部件是立柱。在设备正常工作时,立柱一直处于高受力状态,因此,整个设备的工作状态将直接受到立柱工作性能的影响,如何对立柱进行选型设计是非常重要的。立柱必须具备如下特性:足够的抗弯和抗压强度、密封性能良好、结构简单和工作阻力合理等。同时,为了能满足支护工作的要求,并使其工作压力大于泵站压力,必须对其安装安全阀,用以控制最高工作压力,保护设备安全。
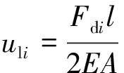
根据支护设备的架型及设计要求,立柱选择单伸缩活塞式液压缸,因为它与双伸缩液压缸相比,具有结构简单、成本较低、使用方便、通过液压力实现升降柱等特点。支护设备立柱结构如图2所示。为了能够适应井下的工作环境,进一步满足支撑高度变化的要求,可以将机械加长杆安装在立柱活柱上。支护设备的工作阻力由立柱的缸体内径、乳化液泵站的工作压力、立柱数量和立柱支撑的角度所决定,计算公式为
(3)
式中:D为立柱缸体内径,mm;Pa为立柱内部乳化液的压强,泵站额定压力为31.5 MPa,考虑到压力损失,这里取28.4 MPa;n为设备的立柱数;γ,β分别为前后两立柱的倾角,由于本设备立柱与顶梁是垂直布置,所以,角度都为0。

1-缸体;2-活塞杆;3-机械加长杆
图2 支护设备立柱结构
Fig.2 Structure of post of support equipment
巷道超前支架是与掘进机配套使用的,它以大的龙门跨“骑”在掘进机上方对掘进机进行临时支护。根据掘进机的技术参数和巷道支护条件确定支护设备的基本参数,巷道超前支架总体参数见表1。
表1 巷道超前支架总体参数
Table 1 Overall parameters of roadway dvanced support

煤矿井下巷道在掘进过程中,巷道围岩弹塑性变形的释放及其弹塑性应力分布因为掘进工作面的作用而不能得到完全实现,随着巷道掘进工作面的推进,巷道围岩断面与巷道掘进工作面距离增大,该巷道围岩断面逐渐实现弹塑性变形的释放。本文对巷道掘进过程的空间效应和围岩-支护相互作用机理进行分析,为超前支架力学特性研究提供依据。
2.1.1 围岩-支护相互作用机理分析
在掘进过程中,巷道围岩主要受到原岩应力、人工支护结构的支护力以及掘进工作面的空间效应这3个力场的作用。根据掘进工作面的空间效应作用理论,对掘进过程中巷道围岩力场进行等效简化,如图3所示。

图3 掘进过程中的巷道围岩力场等效简化
Fig.3 Equivalent simplification of roadway surrounding rock force field during tunnelling
假设巷道掘进工作面周围的围岩作用力为p*,随着巷道掘进过程的推进,p*有不同的意义和表示方法[7]:

(4)
式中:p0为原岩应力,
为虚拟的支护力,kN;p1为支护结构的支护反力,kN。
2.1.2 围岩-支护相互作用解析过程
拱形巷道的等价圆半径计算公式为
R=B/(2sin(α/2))
(5)
式中:B为巷道宽度,m;α为拱形巷道的圆弧角,(°)。
采用E.Hoek拟合得到的基于空间效应的巷道径向位移沿巷道纵向剖面的分布曲线,用于研究巷道围岩与支护结构相互作用的解析方程。使用D-P(Drucker-Prager)屈服准则判断巷道掘进过程中围岩径向位移是发生径向弹性变形还是塑性变形:
(6)
式中k为采用D-P屈服准则时相关的试验常数。
如果满足式(6)所示的判断准则,则判断巷道掘进过程中围岩径向位移只发生弹性变化,反之则判断巷道掘进过程中围岩径向位移发生塑性变形[8-9]。
如果通过D-P屈服准则判断巷道掘进过程中围岩径向位移只发生弹性变化,则巷道掘进过程中顶板产生的径向位移的具体解析形式,即为需要的巷道掘进过程中围岩-支护相互作用的解析形式:

(7)
式中:Kc为支架支护结构的刚度,N/m;xB为支护结构架设时距离掘进工作面的距离,m;uR0(∞)为在距离巷道掘进工作面后方无穷远处断面的巷道围岩径向变形,mm;x为某计算面至开挖面的距离,m;G为剪切模量,MPa。
超前支架与围岩耦合力学模型如图4所示。

图4 超前支架与围岩耦合力学模型
Fig.4 Coupled mechanical model of advanced support and surrounding rock
在分析超前支架与围岩耦合力学模型时,认为巷道开挖过程中围岩变形与巷道超前支架承载变形是符合变形协调原理的[9-10]。巷道超前支架的变形主要由拱形梁承载变形和立柱轴向变形组成:
ui=ugi+uli
(8)
式中:ui为第i个拱形梁处超前支架的竖向变形量,mm;ugi为第i个拱形梁的竖向变形量,mm;uli为第i个立柱轴向变形量,mm,表达式如式(9)所示。
(9)
式中:Fdi为第i个顶部拱形梁承受的顶板载荷,kN;l为立柱长度,m;E为立柱弹性模量,MPa;A为立柱截面积,m2。
综上可以得到基于弹性薄板理论和巷道开挖空间效应的超前支架与巷道围岩耦合力学模型:

(10)
式中xci为第i个立柱到巷道工作面顶板的距离,m。
根据西山煤电某煤矿掘进工作面的地质条件参数和工况参数对超前支架力学特性进行分析。采用Matlab设定不同的工况环境对超前支架顶梁的载荷和位移进行求解,研究不同支护条件下超前支架顶梁的变形变化情况。设定支护时机分别为0.1R,0.2R,0.5R和1.0R(R为巷道半径)。不同支护时机下超前支架顶梁的载荷分布曲线如图5所示。
由图5可知,支护时机越晚,支护结构承受的顶板载荷越小。支护结构沿着巷道方向越远离巷道工作面顶板,承受的顶板载荷越小。
不同支护时机下超前支架顶梁的变形情况如图6所示。

图5 不同支护时机下超前支架顶梁载荷分布曲线
Fig.5 Load distribution curves of top beam ofadvanced support at different support time
仿真结果表明,在0.2R,0.5R和1.0R进行支护时,在x=1 m处,顶板变形量分别比在0.1R进行支护时增加了61.5%、159.2%和243.5%;在x=2 m处,顶板变形量分别比在0.1R进行支护时增加了24.6%、32.5%和56.3%;在x=3 m处,顶板变形量分别比在0.1R进行支护时增加了6.45%、23.2%和38.7%;x=4 m处,顶板变形量分别比在0.1R进行支护时增加了5.44%、13.5%和24.3%;x=5 m处,顶板变形量分别比在0.1R进行支护时增加了4.54%、6.85%和11.3%。由超前支架力学特性分析可知,支护位置(支护时机)对于支护效果和支护结构承载是十分重要的。支护位置越靠近工作面,即支护时机越早,对巷道围岩的支护作用越大,但是,支护结构需要提供的支护反力就越大,需要的抗变形能力就要越强,否则,支护结构会因产生较大塑性变形而失效。

(a) 0.1R

(b) 0.2R

(c) 0.5R

(d) 1.0R
图6 不同支护时机下超前支架顶梁的变形情况
Fig.6 Deformation of top beam of advanced support at different support time
提高支护刚度与提早进行支护相比,较早进行支护具有更现实的意义。但是,要确保较早进行支护时,支护结构具有可伸缩性而不被巷道围岩径向变形压坏。根据目前巷道掘进工艺可知,如果较早进行锚杆支护,首先会降低掘进效率,因为巷道空间有限,需要掘进机工作一步后退出,从而给锚固装置让出作业空间,另外,锚杆支护结构伸缩能力不足,因此,不宜较早进行锚杆支护。锚杆支护结构能够提供的支护反力以及其可伸缩量比U型钢架差[11],本文设计的超前支架将锚固作业装置设置在机组后半部分,即在距离巷道掘进工作面x≥5R的位置设置锚杆,使其在由于巷道开挖产生的空间效应作用下仍能够提供支护作用。如果在x<5R的位置设置锚杆,锚杆容易在由于巷道开挖产生的空间效应作用下失效。新型巷道超前支架对巷道支护结构主要有液压立柱驱动的拱形梁和锚杆支护装置。拱形梁由于其下部支撑为液压立柱,可通过设计溢流阀工作特性曲线改变拱形梁支护结构的应力-应变模型,如图7所示。

图7 超前支架拱形梁的应力-应变模型
Fig.7 Stress-strain model for arch beam of advanced support
随着支护结构被压缩变形的不断增大,支护结构的支护反力也逐渐增大,至点C1时,支护反力达到极限值p1,线性位移亦达到其极限值uC1。超过点C1后,如果支护结构具有可缩性,不妨假定其收缩变形的极限可达点C2(塑性极限变形值为uC2)。超过点C1后,如果支护结构不具有可缩性,则支护结构将被压坏[11]。
设计了一种新型巷道超前支架,并根据巷道开挖的空间效应对超前支架的力学特性进行研究,使超前支架顶板载荷更加符合真实的工况条件,为巷道超前支架的结构设计和优化提供依据。
(1) 沿着巷道掘进方向,巷道超前支架承受的顶板载荷逐渐降低,越靠近工作面顶板载荷越大,巷道超前支架的前端强度要高于后端。
(2) 巷道超前支架支护时机对于巷道顶板的稳定性很重要,巷道超前支架布置得越靠近工作面顶板,巷道顶板变形越小,而巷道超前支架承受顶板的载荷越大,需要的强度越高。
(3) 锚固作业装置应该设置在支架后半部分,使其能够在由于巷道开挖产生的空间效应作用下仍能够提供支护作用。
参考文献
[1] 翟明华,姜福兴,齐庆新,等.冲击地压分类防治体系研究与应用[J].煤炭学报,2017,42(12):3116-3124.
ZHAI Minghua,JIANG Fuxing,QI Qingxin,et al.Study and application of classification control system of rock burst [J].Journal of China Coal Society,2017,42(12):3116-3124.
[2] 陈鑫,韩正铜,郝敬宾,等.井下超前支护用悬浮式单体液压支柱监测系统[J].工矿自动化,2015,41(8):13-16.
CHEN Xin,HAN Zhengtong,HAO Jingbin,et al.Monitoring system of suspension type single hydraulic prop for underground forepoling [J].Industry and Mine Automation,2015,41(8):13-16.
[3] 洪开荣,杨朝帅,李建华.超前支护对软岩隧道空间变形的影响分析[J].地下空间与工程学报,2014,10(2):429-433.
HONG Kairong,YANG Chaoshuai,LI Jianhua.Analysis on impact of advanced support on space deformation of tunnel in soft rock mass [J].Chinese Journal of Underground Space and Engineering,2014,10(2):429-433.
[4] 谢苗,刘治翔,毛君,等.迈步式超前支护系统设计与支护特性研究[J].机械强度,2016,38(2):302-310.
XIE Miao,LIU Zhixiang,MAO Jun,et al.Design on step-type advanced supporting system and research on
the supporting characteristics [J].Journal of Mechanical Strength,2016,38(2):302-310.
[5] 卢进南,谢苗,毛君.一种综掘巷道临时支护力学特性及振动特性研究[J].机械强度,2016,38(3):435-441.
LU Jinnan,XIE Miao,MAO Jun.Study on mechanical characteristics and vibration characteristics of temporary support equipment in fully mechanized mining tunnel [J].Journal of Mechanical Strength,2016,38(3):435-441.
[6] 赵慧萌,栾丽君,谢苗,等.超前支护与巷道围岩耦合动力学研究[J].中国安全科学学报,2016,26(11):49-53.
ZHAO Huimeng,LUAN Lijun,XIE Miao,et al.Study on coupling dynamics of advanced support and tunnel surrounding rock [J].China Safety Science Journal,2016,26(11):49-53.
[7] 侯公羽,李晶晶,杨悦,等.围岩弹塑性变形条件下锚杆、喷混凝土和U型钢的支护效果研究[J].岩土力学,2014,35(5):1357-1366.
HOU Gongyu,LI Jingjing,YANG Yue,et al.Support effects of anchor bolt,shotcrete and U-steel in elastoplastic stage of surrounding rock [J].Rock and Soil Mechanics,2014,35(5):1357-1366.
[8] 侯公羽,李晶晶,杨悦,等.支护反力变化条件下轴对称圆巷围岩蠕变变形计算方法[J].岩石力学与工程学报,2014,33(增刊1):3355-3360.
HOU Gongyu,LI Jingjing,YANG Yue,et al.Calculation method for creep deformation of axisymmetric round well with changing support force [J].Chinese Journal of Rock Mechanics and Engineering,2014,33(S1):3355-3360.
[9] 卢进南.综掘巷道迈步式超前支护系统力学特性研究[D].阜新:辽宁工程技术大学,2014.
[10] 倪继勇.自移式掘进机辅助支护设备液压控制系统的研究[D].阜新:辽宁工程技术大学,2012.
[11] 侯公羽.基于开挖面空间效应的围岩-支护相互作用机制[J].岩石力学与工程学报,2011,30(增刊1):2871-2877.
HOU Gongyu.Interaction mechanism between surrounding rock and support based on spatial effect of excavation face [J].Chinese Journal of Rock Mechanics and Engineering,2011,30(S1):2871-2877.