朱奇先1,齐刚2,魏永武1,王兴贵2
(1.大型电气传动系统与装备技术国家重点实验室,甘肃 天水 741020;2.兰州理工大学 电气工程与信息工程学院,甘肃 兰州 730050)
摘要:针对矿井提升机运行特点,采用由模块化多电平整流器和模块化多电平逆变器构成的背靠背模块化多电平变流器用于矿井提升机控制;针对目前通过直流侧对模块化多电平逆变器进行预充电的控制研究较少的问题,提出了一种模块化多电平逆变器预充电控制策略。该控制策略通过控制充电电流来控制子模块充电状态,使子模块电容充电至模块化多电平变流器稳定运行时的电压要求,同时将充电电流和充电过程中产生的过电压限定在安全范围内,使充电时间最短。仿真结果验证了该控制策略的有效性。
关键词:矿井提升机; 模块化多电平逆变器; 预充电控制; 充电电流; 直流侧; 电容电压
中图分类号:TD633
文献标志码:A
网络出版地址:http://kns.cnki.net/kcms/detail/32.1627.TP.20190124.1454.005.html
文章编号:1671-251X(2019)02-0060-05 DOI:10.13272/j.issn.1671-251x.2018080031
收稿日期:2018-08-17;
修回日期:2019-01-20;
责任编辑:盛男。
基金项目:大型电气传动系统与装备技术国家重点实验室资助项目(SKLLDJ042016017)。
作者简介:朱奇先(1963-),男,陕西眉县人,高级工程师,主要研究方向为电力电子与电力传动,E-mail:zhuqixiananling@sina.com。
引用格式:朱奇先,齐刚,魏永武,等.模块化多电平逆变器预充电控制策略[J].工矿自动化,2019,45(2):60-64.ZHU Qixian,QI Gang,WEI Yongwu,et al.Pre-charging control strategy of modular multilevel inverter[J].Industry and Mine Automation,2019,45(2):60-64.
ZHU Qixian1, QI Gang2, WEI Yongwu1, WANG Xinggui2
(1.State Key Laboratory of Large Electric Drive System and Equipment Technology, Tianshui 741020, China; 2.College of Electrical and Information Engineering, Lanzhou University of Technology, Lanzhou 730050, China)
Abstract:According to operation characteristics of mine hoist, a back-to-back modular multilevel converter composed of modular multilevel rectifier and modular multilevel inverter was used for control of mine hoist. In view of current research on pre-charging control for modular multi-level inverter through DC side was less, a pre-charging control strategy of modular multilevel inverter was proposed. Charging state of sub-module is controlled by controlling charging current, so that capacitor of the sub-module can be charged to meet voltage requirement of the modular multilevel converter in stable operation. Meanwhile, charging current and overvoltage generated in charging process are limited to safe range and charging time is the shortest. The simulation results verify effectiveness of the control strategy.
Key words:mine hoist; modular multilevel inverter; pre-charging control; charging current; DC side; capacitance voltage
矿井提升机作为联系井上与井下的运输设备,其运行性能不仅影响矿山生产任务,而且影响矿井工作人员人身安全。矿井提升机在运行过程中频繁正反转,要求变流器能够四象限运行[1-2]。
模块化多电平变流器(Modular Multilevel Converter,MMC)具有开关损耗小、输出波形质量高、故障处理能力强等特点,在直流输电领域得到了广泛应用[3-6]。将MMC应用于矿井提升机控制中,采用由模块化多电平整流器和模块化多电平逆变器构成的背靠背MMC,可实现四象限运行和能量回馈[7-8]。MMC包含大量悬浮的子模块电容,在启动前必须采取相应的控制策略对子模块电容进行预充电。已有许多文献详细介绍了通过交流侧对模块化多电平整流器进行预充电的控制策略[9-12],但关于通过直流侧对模块化多电平逆变器进行预充电的控制研究较少。本文提出了通过控制充电电流对模块化多电平逆变器预充电的控制策略,可实现全程可控的预充电过程。
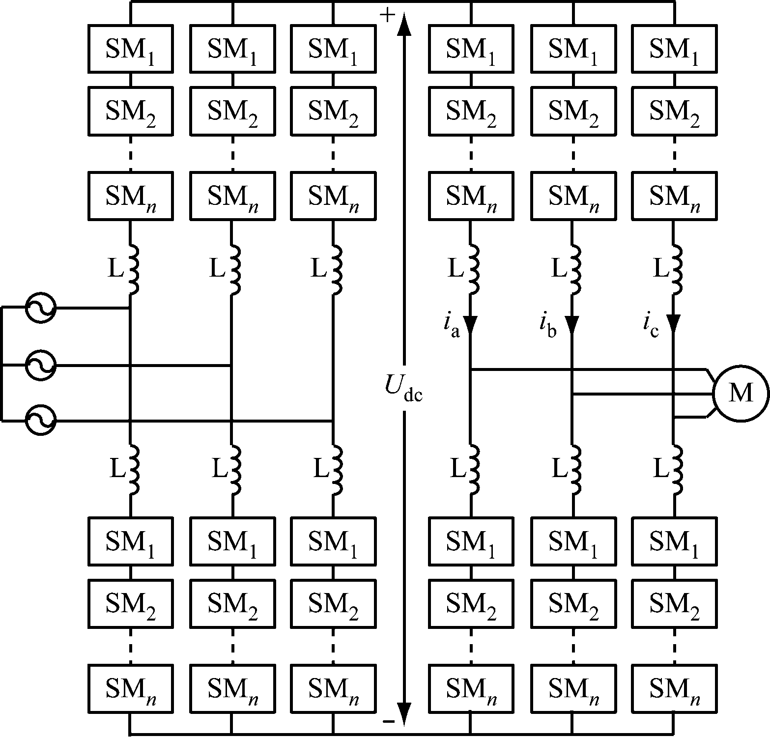
用于矿井提升机控制的背靠背MMC由模块化多电平整流器和模块化多电平逆变器构成,如图1所示。MMC每相单元由上下桥臂各n个子模块SM1,SM2,…,SMn和桥臂电感L串联构成,每相单元工作状态相同[13-15]。Udc为直流母线电压;ia,ib,ic分别为模块化多电平逆变器a,b,c三相桥臂电流。

图1 背靠背MMC拓扑结构
Fig.1 Back-to-back MMC topology
MMC子模块拓扑结构如图2所示。UC为子模块电容C两端电压,
通过合理选择开关器件V1,V2的通断状态,可实现子模块输出0,UC2种不同电压。

图2 MMC子模块拓扑结构
Fig.2 MMC sub-module topology
模块化多电平逆变器预充电的电能来自模块化多电平整流器。将模块化多电平整流器等效为可控电流源,输出电流(即充电电流)为Id。由MMC基本结构可知,桥臂必然存在杂散电感,若充电过程中电流发生突变,则产生尖峰电压:
(1)
式中:Ls为各相桥臂杂散电感(包括桥臂电感);t为充电时间。
由式(1)可知,较高的瞬时电流变化率会在回路杂散电感上感应出尖峰电压,从而在回路中产生过电压,较大的短时过电压可能会造成器件损坏。在充电过程中为了保证开关器件安全,可将ΔU控制在10%Udc以内,且Id不能超过开关器件所能承受的最大电流Im,即Id≤Im。
根据开关器件V2是否导通,将模块化多电平逆变器预充电过程分为第一充电阶段和第二充电阶段。
在第一充电阶段,模块化多电平逆变器所有子模块的开关器件均处于关断状态,电流仅通过每个子模块中反并联二极管向电容充电。第一充电阶段电流路径如图3所示。

图3 第一充电阶段电流路径
Fig.3 Current path of the first charging stage
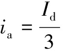
模块化多电平逆变器各相单元结构相同,可认为流过各相单元的电流相同。以a相为例,流过a相桥臂的电流为
(2)
MMC各相单元由2n个子模块串联构成,充电过程中流经各子模块的电流均相同。在第一充电阶段,子模块电容电压为
(3)
由式(3)可知,要控制充电时间,必须控制充电电流。在第一充电阶段,充电电流变化趋势如图4所示。

图4 第一充电阶段充电电流变化趋势
Fig.4 Variation trend of charging current in the first charging stage
在0—t1时间段内,充电电流为
Id1=kt0≤t≤t1
(4)
式中k为充电电流变化速率。
由式(4)可知,Id1随着充电时间的增加而增大。
为确保安全充电的同时使充电时间最短,令
(5)
将式(4)代入式(1),可得
(6)
在t2—t3时间段内,充电电流为
Id3=-k(t3-t)t2≤t≤t3
(7)
在t3时刻,子模块电容电压为
(8)
在第一充电阶段,子模块电容电压为
(9)
将式(4)—式(8)代入式(9),可得
(10)
(11)
在第二充电阶段,通过控制模块化多电平逆变器子模块中开关器件V2通断状态,对子模块电容进一步充电。先投入n个子模块进行充电,充电子模块的V2处于关断状态,当投入的n个子模块电容电压达到UC,通过控制V2开通,切除先投入充电的子模块,将剩余n个子模块投入充电,当剩余子模块电容电压达到UC时,预充电结束。模块化多电平逆变器第二充电阶段电流路径如图5所示。
在第二充电阶段,为保证开关器件彻底关断和开通,当电流变为0时,在延迟Δtd后开始控制充电电流变化。第二充电阶段充电电流变化趋势如图6所示。图中t4—t7为首先投入的n个子模块电容充电时间;t8—t11为剩余n个子模块电容充电时间。
在t4—t5时间段内,充电电流为
Id4=k(t-t4)t4≤t≤t5
(12)
由式(11)可知:

图5 第二充电阶段电流路径
Fig.5 Current path of the second charging stage

图6 第二充电阶段充电电流变化趋势
Fig.6 Variation trend of charging current in the second charging stage
(13)
在t5时刻Id4上升至Im,并由式(12)、式(13)可得
(14)
在t6—t7时间段内,充电电流为
Id6=-k(t7-t)t6≤t≤t7
(15)
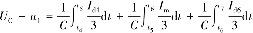
在t7时刻,首先投入充电的n个子模块电容电压达到UC,子模块电容电压变化为
(16)
将式(12)—式(15)代入式(16),可得
(17)
(18)
在t7时刻,首先投入充电的子模块充电结束,延迟Δtd后对剩余子模块电容充电,可得
(19)
在t8—t9时间段内,充电电流为
Id7=k(t-t8)t8≤t≤t9
(20)
在t9时刻,Id7上升至Im,由式(19)、式(20)可得
(21)
在t10—t11时间段内,充电电流为
Id9=-k(t11-t)t10≤t≤t11
(22)
在t11时刻,剩余的n个子模块电容电压达到UC,子模块电容电压变化为
(23)
将式(19)—式(22)代入式(23),可得
(24)
(25)
预充电过程中,充电电流与子模块电容电压对应变化趋势如图7所示。

图7 充电电流和子模块电容电压变化趋势
Fig.7 Variation trend of charging current and capacitance voltage of sub-module
对模块化多电平整流器提供的充电电流进行闭环控制,如图8所示,实现对充电电流的实时调节,从而控制子模块电容电压
为期望电流,其变化趋势同图7所示电流变化趋势。
图8 充电电流闭环控制
Fig.8 Closed loop control of charging current
为验证本文所提预充电控制策略,在Matlab/Simulink中搭建模块化多电平逆变器预充电仿真模型,仿真参数见表1。
充电过程中所有子模块中V1均处于关断状态,按照本文充电策略,在相应时间控制V2开通与关断。以a相为例,桥臂电流、子模块电容电压仿真结果分别如图9—图11所示。
从图9—图11可看出,0~0.028 1 s为第一充电阶段,所有子模块电容电压稳定上升至291.68 V。在0.029 s时,对首先投入充电的子模块进行充电,剩余8个子模块电容电压稳定在291.68 V。在0.0291 s时,充电电流开始上升,对首先投入充电的8个子模块电容充电。在0.057 2 s 时,首先投入充电的子模块电容电压达到583.36 V。在0.058 0 s时,将首先投入充电的子模块切除。在0.058 2 s时,充电电流开始上升,对剩余8个子模块电容充电。在0.086 4 s时,所有子模块电容电压均达到MMC稳定运行时的电压要求。
表1 仿真参数
Table 1 Simulation parameters


图9 a相桥臂电流
Fig.9 Bridge arm current of a-phase

图10 a相首先投入充电子模块电容电压
Fig.10 Capacitance voltage of sub-module that first puts into charging of a-phase

图11 a相剩余投入充电子模块电容电压
Fig.11 Capacitance voltage of sub-module that later puts into charging of a-phase
模块化多电平逆变器预充电控制策略通过控制充电电流来控制子模块充电状态,使子模块电容充电至MMC稳定运行时的电压要求,同时将充电电流和充电过程中产生的过电压控制在安全范围内。该控制策略在充电过程无需模块化多电平逆变器子模块电容电压检测装置,节约了成本。
参考文献:
[1] 张立.大型交直交变频器在矿井提升机中的应用[D].上海:上海海洋大学,2013.
[2] 李荣生,宋平.基于变频器控制的矿井提升机系统[J].工矿自动化,2008,34(6):128-131.
LI Rongsheng,SONG Ping.Mine hoist system based on frequency converter control[J].Industry and Mine Automation,2008,34(6):128-131.
[3] 刘钟淇,宋强,刘文华.新型模块化多电平变流器的控制策略研究[J].电力电子技术,2009,43(10):5-7.
LIU Zhongqi,SONG Qiang,LIU Wenhua.Research on control of the novel modular multilevel converters[J].Power Electronics,2009,43(10):5-7.
[4] 管敏渊,徐政,屠卿瑞,等.模块化多电平换流器型直流输电的调制策略[J].电力系统自动化,2010,34(2):48-51.
GUAN Minyuan,XU Zheng,TU Qingrui,et al.Nearest level modulation for modular multilevel converters in HVDC transmission[J].Automation of Electric Power Systems,2010,34(2):48-51.
[5] 王晓鹏,杨晓峰,范文宝,等.模块组合多电平变换器的脉冲调制方案对比[J].电工技术学报,2011,26(5):28-33.
WANG Xiaopeng,YANG Xiaofeng,FAN Wenbao,et al. A comparative study of multi-pulse modulation schemes for modular multilevel converters[J].Transactions of China Electrotechnical Society,2011,26(5):28-33.
[6] 宁凌云.应用于电厂鼓风机变频运行的MMC控制技术研究[J].电气传动自动化,2016,38(1):16-20.
NING Lingyun.Research on MMC control technology applied to power plant blower frequency conversion operation[J].Electrical Drive Automation,2016,38(1):16-20.
[7] 石珩.适用于矿井提升机控制的模块化多电平变流器研究[D].兰州:兰州理工大学,2017.
[8] 王兴贵,石珩,魏永武.多电平变流器在大功率矿井提升机中的应用[J].矿山机械,2017,45(7):1-6.
WANG Xinggui,SHI Heng,WEI Yongwu.Application of multi-level converter in high-power mine hoist[J].Mining & Processing Equipment,2017,45(7):1-6.
[9] 姜燕,黄禹,胡敬伟,等.模块化多电平换流器预充电的控制策略[J].控制工程,2015,22(6):1069-1075.
JIANG Yan,HUANG Yu,HU Jingwei,et al.Pre-charging control strategies of modular multilevel converter[J].Control Engineering of China,2015,22(6):1069-1075.
[10] 孔明,邱宇峰,贺之渊,等.模块化多电平式柔性直流输电换流器的预充电控制策略[J].电网技术,2011,35(11):67-73.
KONG Ming,QIU Yufeng,HE Zhiyuan,et al.Pre-charging control strategies of modular multilevel converter for VSC-HVDC[J].Power System Technology,2011,35(11):67-73.
[11] 冯明,李兴源,李宽,等.多端柔性直流输电系统启动控制及其仿真[J].电力系统保护与控制,2013,41(14):60-65.
FENG Ming,LI Xingyuan,LI Kuan,et al.Control and simulation of VSC-MTDC start-up procedure[J].Power System Protection and Control,2013,41(14):60-65.
[12] 郭全军.模块化多电平变换器控制策略研究[D].徐州:中国矿业大学,2014.
[13] LESNICAR A,MARQUARDT R.An innovative modular multilevel converter topology suitable for a wide power range[C]//Proceedings of IEEE Power Tech Conference,Bologna,2003:1-6.
[14] 丁冠军,汤广福,丁明,等.新型多电平电压源换流器模块的拓扑机制与调制策略[J].中国电机工程学报,2009,29(36):1-8.
DING Guanjun,TANG Guangfu,DING Ming,et al.Topology mechanism and modulation scheme of a new multilevel voltage source converter modular[J].Proceedings of the CSEE,2009,29(36):1-8.
[15] 管敏渊,徐政.模块化多电平换流器型直流输电的建模与控制[J].电力系统自动化,2010,34(19):64-68.
GUAN Minyuan,XU Zheng.Modeling and control of modular multilevel converter in HVDC transmission[J].Automation of Electric Power Systems,2010,34(19):64-68.