王谦, 曹娜
(山东科技大学 电气与自动化工程学院, 山东 青岛 266590)
摘要:针对矿用高压变频器远距离供电时变频器功率器件IGBT频报故障、电动机有啸叫声等问题,分析认为主要原因是高压变频器工作特性导致输出波形含有高次谐波及远距离供电传输。根据变频器输出波形特征,提出了一种矿用远距离供电高压变频器输出滤波装置的设计方案,介绍了该滤波装置电抗器、电容等参数的计算方法。仿真结果表明,矿用远距离供电高压变频器侧加装该滤波装置后,电动机端电压波形较平滑,无毛刺和尖峰。样机测试结果表明,加装该滤波装置后,电动机端高次谐波被消除,总谐波失真小于5%。
关键词:矿用高压变频器; 远距离供电; 长电缆输电; 变频器输出滤波; du/dt滤波器
如何降低煤矿开采运输过程中的能源消耗是煤矿节能减排工作亟待解决的问题。采用变频驱动技术是有效的节能降耗方法。随着变频驱动技术的进步,高压变频器在煤矿中的应用逐渐成熟[1-2],其中远距离供电是矿用高压变频器应用的难题。
针对长电缆对高压变频器输出影响的研究,文献[3]提出了一种对24脉波整流器、3电平逆变器串联RLC du/dt(u为电压,t为时间)滤波器的拓扑结构,并通过Matlab仿真实验分析了电缆长度、电缆特性参数、电压反射系数等对滤波器参数的影响,但该拓扑需要24脉移相变压器,对于矿用变频器来说较复杂,且实际应用中电阻容易发热烧毁;文献[4]从变频器和电缆等角度定性分析了导致变频器输出距离受限的原因,并提出了相应解决方案,但并未验证其实际应用效果;文献[5-6]分析了变频器输出无源滤波器结构及LC选取原则,并进行了仿真实验,但未考虑输出电缆长度对参数选取的影响。
在实际生产中,为防止矿用变频器远距离供电时因长电缆传输而降低输出性能,一般要求煤矿企业使用变频电动机,但会造成原有设备闲置而浪费;或在变频器输出端加装滤波装置,一般采用L电抗器、RL滤波器、RLC滤波器,实际应用效果不好。
本文通过分析长距离供电对变频器、电动机造成的危害及原因,结合煤矿生产实际工况,根据变频器输出波形特征,提出了一种简单、实用的矿用高压变频器输出滤波装置设计方案,并通过仿真和试验验证了该装置能有效滤除高次谐波,减少长电缆传输对矿用高压变频器输出的影响。
某煤矿井下应用3 300 V变频器,驱动电动机额定电压为3 300 V,额定功率为525 kW。变频器距离电动机1 500 m。运行过程中高压变频器功率器件IGBT频报故障,电动机有啸叫声,振动严重。经分析,导致上述问题的原因主要包括以下两方面。
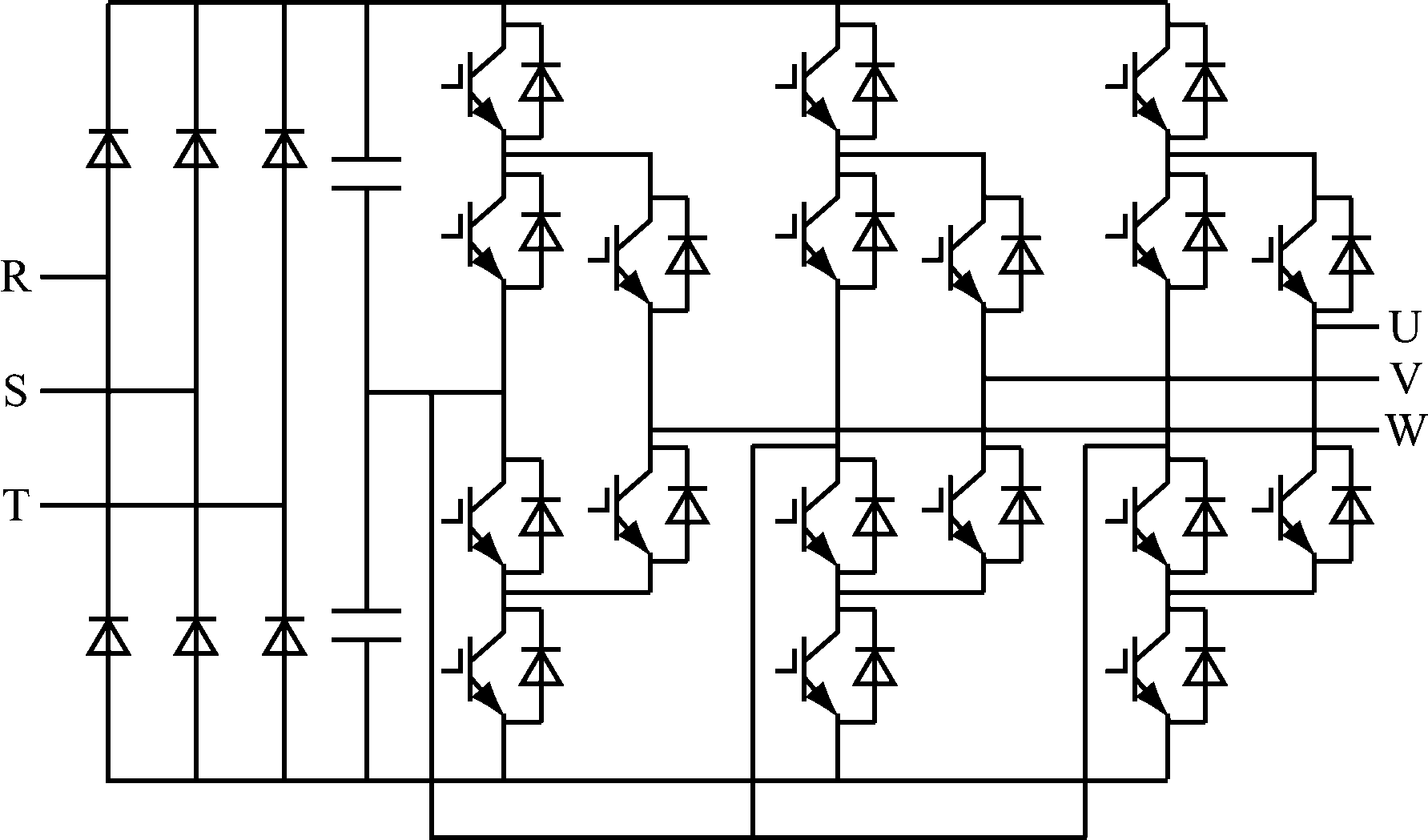
(1) 高压变频器工作特性导致输出波形含有高次谐波。该高压变频器拓扑结构如图1所示。逆变器采用二极管钳位式三电平拓扑。交-直-交6脉波整流器采用SPWM(Sinusoidal Pulse Width Modulation,正弦脉宽调制)技术,功率器件IGBT主要工作在开关状态,开关频率远高于基波频率,导致变频器输出电压和电流中不可避免地含有幅值、频率较高的谐波。

图1 高压变频器拓扑结构
Fig.1 Topology structure of high-voltage inverter
对变频器输出波形进行傅里叶变换后可知,其主要谐波成分h=km±1,k为正整数,m为整流器整流脉冲数。二极管钳位式三电平逆变器输出波形中没有偶数次谐波,也少有3的倍数次谐波,主要考虑5,7,11,13,17,19,23,25次谐波,5次谐波最显著。
(2) 远距离供电传输影响。该方面主要体现在:① 远距离供电中,电缆中电压波形存在反射叠加,当电缆长度超过一定值时,电压可能达到变频器内直流母线电压的2倍,导致电动机端线电压及对地电压大幅上升[7]。② 电缆中相对相及相对地之间存在分布电容,空气为传输介质,导电线芯和地构成电容两极。随着电缆长度增加,电缆总分布电容增大,导致谐波电流成倍增长。③ 谐波电流在线路传输中存在叠加现象。存在2个以上谐波电流时,2个谐波电流叠加后再依次与第3,4,…个谐波电流叠加,因此电动机端的谐波电流是多个谐波电流叠加的结果。④ 电缆承受高频过电压、过电流,发热严重,易出现绝缘老化、击穿等问题[8]。另外,含有大量高次谐波的电流输入电动机,导致定转子电动势进一步增大,相电动势畸变严重,电动机长时间工作在该状态下会加剧发热,加速绝缘老化。高次谐波产生的磁场产生涡流损耗,由此产生附加转矩,导致电动机振动和啸叫,缩短电动机使用寿命。⑤ 远距离供电中,随着电缆长度增加,分布电容增大,导致变频器输出容性尖峰电流过大,引起变频器IGBT保护。逆变器向电动机输出的高频脉冲反射后产生反向行波,向逆变器方向传输,也会引起变频器IGBT保护。
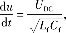
IGBT开关时电压变化率
为直流母线电压,TIGBT为IGBT开关时间),约为每微秒几千伏,通过电缆加载到电动机上,易导致电动机绝缘损坏。为减小du/dt对电动机的影响,在逆变器输出端加装低通滤波器(du/dt滤波器),如图2所示。

图2 du/dt滤波器原理
Fig.2 du/dtfilter principle
由图2可知,在IGBT开通瞬间,电流流入电容Cf,全部电压由电感Lf承受,Cf充电,其两端电压开始增大,此时负载(电动机)Lload承受的电压不只由IGBT决定,而是由Lf,Cf共同决定,此时
从而达到降低du/dt目的。此外,该滤波器还具有抗电磁干扰作用,衰减13次及以下谐波,使得电动机具有更好的驱动性能。
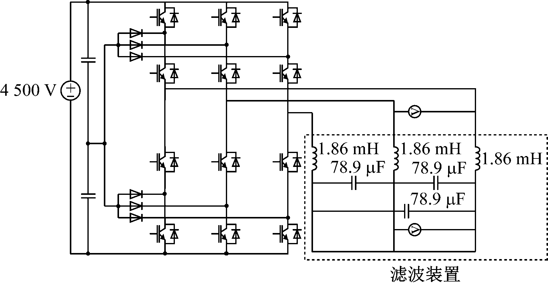
采用按电缆长度分段确定变频器输出滤波装置参数的原则,对于不同电缆无需进行较多参数改动,适用于长度为1~2 km的电缆,满足绝大多数煤矿生产需要。因煤矿井下供电系统大多采用中性点不接地方式,采用三角形结构的交流三相LC滤波器结构,如图3中虚线框内所示。该滤波装置参数设计时只需考虑电动机等效阻抗,不需要考虑衰减电阻,损耗较小。

图3 矿用高压变频器远距离供电结构
Fig.3 Long-distance power supply structure of mine-used high-voltage inverter
采用电压电流法(系统电压降法)计算电抗器参数L。
![]()
(1)
![]()
(2)
ΔU=IRl/Un
(3)
式中:ΔU为电压降;Un为额定电压;f为电压频率;I为电动机额定电流;P为电动机功率;cosφ为功率因数;η为效率;R为电缆单位长度电阻;l为供电距离。
将P=855 kW,cosφ=0.86,η=0.92,R=0.56 Ω/km,Un=3 300 V代入式(1)—式(3),得供电距离为1 500 m时L=1.38 mH。
电抗器几乎没有过负荷能力,因此按回路最大工作电流选择,不能按正常持续工作电流选择。电抗器额定电流要满足电动机最大工作电流要求,因此根据式(2)计算出的额定电流需乘以1.5(变频器瞬时最高过载能力)。因变频器防爆外壳散热慢,通常海拔大于1 000 m时,每增加1 000 m,则额定电流增大15%。本文研究的高压变频器用于海拔3 600 m处,额定电流取380 A,额定电压为3 300 V。
电容基本参数包括电容值和额定电压。电容值C根据高压变频器逆变单元截止频率公式(式(4))来计算。
![]()
(4)
式中fc为截止频率。
变频器输出滤波装置的截止频率需远大于基波频率[9-10],同时小于要滤除的主要谐波频率。对于5次谐波,其频率为250 Hz,所以截止频率应小于250 Hz,又因偏差率至少为2.5%,所以设置截止频率为240 Hz,代入式(4)后得输电距离为1 500 m时C=319 μF。相间电容取总电容值的1/3。
电容除承受基波电压和电流外,还要承受谐波电压和电流,且需要有一定裕量,因此电容额定电压取3 600 V。
采用PSIM仿真软件搭建远距离供电高压变频器输出滤波装置仿真电路,如图4所示。电动机端输入电压仿真波形如图5所示。可看出电动机端输入电压波形平滑,消除了电压尖峰,有效降低了长电缆传输的影响。

图4 远距离供电高压变频器输出滤波装置仿真电路
Fig.4 Simulation circuit of output filter of high-voltage inverter for long-distance power supply

图5 电动机端输入电压波形
Fig.5 Input voltage waveform at motor side
高压变频器输出滤波装置样机如图6所示。装置防爆外壳根据GB 3836.2—2010《爆炸性环境第2部分:由隔爆外壳“d”保护的设备》设计。为避免热量难以散发导致温升过高而烧毁电抗器,在电抗器上部及防爆外壳侧壁加装2台220 V、65 W风扇,在防爆外壳后部增加铜材质水冷散热器,将热量向外散热。

(a) 防爆外壳

(b) 内部结构
图6 高压变频器输出滤波装置样机
Fig.6 Prototype of output filter of high-voltage inverter
对样机进行试验。试验工况:电动机额定电压为3 300 V,额定功率为1 000 kW,额定电流为206 A;高压变频器额定电压为3 300 V,输出功率为1 250 kW;电缆型号为 MYP-6/10 kV 3×95+1×70。分别在变频器距电动机1 000,1 500,2 000 m情况下进行温升测试(防爆箱内风扇不工作)。高压变频器输出滤波装置靠近变频器一侧安装电动机,电动机带载运行,输出频率为50 Hz。供电距离为2 000 m时测试结果见表1(各数据测量时间间隔为15 min)。可看出防爆壳体内电抗器(线包+铁芯)温升快,但壳体温度变化不大,说明防爆壳体内空气不流通,不利于散热。2台风扇运转后,热量很快通过水冷散热器散发出去,使得电抗器和电容温度稳定。
表1 供电距离为2 000 m时测试结果
Table 1 Test results when power supply distance is 2 000 m ℃

电动机端电压、电流波形如图7所示,其中图7(a)、图7(b)为DPO3014数字示波器捕捉的电压和电流波形,图7(c)为ETCR5000电能质量分析仪测量的谐波。可看出未加装高压变频器输出滤波装置时电动机端电压、电流谐波较多,加装滤波装置后高次谐波被消除,总谐波失真小于5%,满足GB/T 24337—2009《电能质量公用电网间谐波》要求[11]。

(a) 未加装高压变频器输出滤波装置时电压、电流波形

(b) 加装高压变频器输出滤波装置后电压、电流波形

(c) 加装高压变频器输出滤波装置后谐波波形
图7 电动机端电压、电流波形
Fig.7 Voltage and current waveforms at motor side
针对远距离供电对矿用高压变频器、电动机、电缆的危害,从实际案例出发,提出一种高压变频器输出滤波装置,通过仿真和样机测试验证了该装置可有效消除谐波、提高供电质量,解决了矿用高压变频器远距离驱动电动机时存在的IGBT故障、电动机啸叫等问题。
参考文献(References):
[1] 刘保龙.煤矿通风与运输设备的节能措施探究[J].机电工程技术,2018,47(7):203-205.
LIU Baolong.Exploration of energy saving measures for ventilation and transportation equipment in coal mines[J].Mechanical & Electrical Engineering Technology,2018,47(7):203-205.
[2] 李兆平,张红娟,靳宝全,等.矿用高压变频器开关调制优化策略[J].工矿自动化,2018,44(11):91-95.
LI Zhaoping,ZHANG Hongjuan,JIN Baoquan,et al. Optimization strategy of switching modulation of mine-used high-voltage frequency converter[J].Industry and Mine Automation,2018,44(11):91-95.
[3] 刘晓蕾,毛承雄.长电缆对高压变频器输出影响的研究[J].船电技术,2003,23(5):29-33.
LIU Xiaolei,MAO Chengxiong.Study of the effect about long cables to the filter at the motor terminals in the high-voltage inverter drive system[J].Marine Electric & Electronic Engineering,2003,23(5):29-33.
[4] 金太远.关于变频器的输出与电缆长度关系的研究[J].变频器世界,2009(10):88-90.
JIN Taiyuan.Research of the output of inverter and cable length[J].The World of Inverters,2009(10):88-90.
[5] 王云河.中压变频器输出滤波器的研究[J].船电技术,2012,32(5):15-17.
WANG Yunhe.Research on output filters of medium voltage inverter[J].Marine Electric & Electronic Engineering,2012,32(5):15-17.
[6] 孙宏伟,李梅,寇晓括,等.基于PSCAD/EMTDC的谐波仿真分析[J].电力电子技术,2004(3):22-24.
SUN Hongwei,LI Mei,KOU Xiaokuo,et al.Harmonic simulation analysis based on PSCAD/EMTDC[J].Power Electronics,2004(3):22-24.
[7] 王家校.基于Matlab的变频器输出RLC dv/dt滤波器仿真[J].机电工程,2014,31(2):249-252.
WANG Jiaxiao.Simulation and design of inverter output RLC dv/dtfilter based on Matlab[J].Journal of Mechanical & Electrical Engineering,2014,31(2):249-252.
[8] 杨楠.变频器输出谐波对电缆绝缘影响的实例分析及对策[J].电气技术,2016(10):104-107.
YANG Nan.The affection of insulation for power cable by harmonic of transducer output analysis and solutions[J]. Electrical Engineering,2016(10):104-107.
[9] 刘向昕,谭国俊,胡子豪,等.大功率防爆变频器EMI滤波器设计[J].工矿自动化,2017,43(4):64-67.
LIU Xiangxin,TAN Guojun,HU Zihao,et al. Design of EMI filter for high-power explosion-proof inverter[J].Industry and Mine Automation,2017,43(4):64-67.
[10] 姜艳姝,于晓洋,齐路路.基于PWM长线驱动系统模型的变频器输出端RLC滤波器设计[J].中国电机工程学报,2010,30(36):93-97.
JIANG Yanshu,YU Xiaoyang,QI Lulu.Design of inverter output RLC filter based on the model of PWM long drive system[J].Proceedings of the CSEE,2010,30(36):93-97.
[11] GB/T 24337—2009 电能质量公用电网间谐波[S].
WANG Qian, CAO Na
(College of Electrical Engineering and Automation, Shandong University of Science and Technology, Qingdao 266590, China)
Abstract:For problems of frequent IGBT faults of inverter and motor whistling when mine-used high-voltage inverter supplies power for a long distance, causes were analyzed which were high-voltage inverter's working characteristic causing output waveform to contain high order harmonics and long-distance power supply transmission. A design scheme of output filter of mine-used high-voltage inverter for long-distance power supply was proposed according to output waveform characteristics of inverter. Parameter calculation methods of electric reactor and capacitance in the filter were introduced. The simulation result show that voltage waveform at motor side is smooth without voltage spikes and peaks when the filter is installed at side of mine-used high-voltage inverter for long-distance power supply. Prototype test results show that higher harmonics at motor side are eliminated when the filter is installed, and total harmonics distortion is less than 5%.
Key words:mine-used high-voltage inverter; long-distance power supply; power transmission through high cable; output filter of inverter; du/dtfilter
文章编号:1671-251X(2019)12-0097-05
DOI:10.13272/j.issn.1671-251x.17487
收稿日期:2019-08-08;修回日期:2019-12-02;责任编辑:李明。
作者简介:王谦(1995-),男,山东聊城人,硕士研究生,研究方向为电力电子及电力传动,E-mail:2974170695@qq.com。
引用格式:王谦,曹娜.矿用远距离供电高压变频器输出滤波装置设计[J].工矿自动化,2019,45(12):97-100.
WANG Qian,CAO Na.Design of output filter of mine-used high-voltage inverter for long-distance power supply[J].Industry and Mine Automation,2019,45(12):97-100.
中图分类号:TD60
文献标志码:A