卓敏敏1,2,赵立厂1,2,李继云1,2
(1.中煤科工集团常州研究院有限公司,江苏 常州 213015;2.天地(常州)自动化股份有限公司,江苏 常州 213015)
摘要:煤矿电气设备可通过集成低功耗蓝牙模块,实现低功耗蓝牙通信功能,但在集成设计过程中,需要根据低功耗蓝牙模块的能耗特征设计电源保护电路、计算电池容量。针对该问题,在不同供电电压和射频功率下,采用高端电流监测芯片ZXCT1010对低功耗蓝牙模块在复位、初始化、广播、连接等不同工作状态下的能耗特征进行了分析。结果表明:低功耗蓝牙模块在射频收发时的能耗较大,且射频收发持续时间短,在射频静态时的能耗小,且射频静态持续时间长;低功耗蓝牙模块能耗受射频功率变化影响小,但受供电电压变化影响较大,供电电压越高,低功耗蓝牙模块各运行状态下的工作电流越大、能耗越大。因此,低功耗蓝牙模块集成应用时,应提供合适的供电电压,但无需限制射频功率。
关键词:煤矿电气设备;低功耗蓝牙;能耗特征;高端电流监测;供电电压;射频功率
低功耗蓝牙(Bluetooth Low Energy,BLE)作为一种短距离无线数据传输技术,具有技术先进、标准开放、协议完备、功耗低等优点[1-3],逐渐应用于煤矿通信领域,可为煤矿安全生产提供可靠数据保障[4]。
煤矿电气设备可通过集成BLE模块,实现BLE通信功能[5]。但在集成设计过程中,需要根据BLE模块的能耗特征设计电源保护电路、计算电池容量,因此研究BLE模块能耗特征至关重要[6-7]。供电电源输出电压恒定时,BLE模块的工作电流可直接反映其能耗。因此,一般采用测量工作电流的方法获得BLE模块能耗特征。邹向阳等[8]使用直流电源分析仪测量基于BLE技术的无线传感器节点设备的工作电流,测量精度较高,但测量仪器成本高。在缺少专用测量仪器的条件下,通常采用回路电阻测试方法[9-11],即在BLE模块的供电回路中串联采样电阻,利用示波器测量采样电阻两端的电压,并根据欧姆定律将电压换算为回路电流,即BLE模块工作电流。但该方法中若采样电阻过小,则电压峰值小,不利于测量;若采样电阻过大,对供电回路整体特性影响较大,且电压信号纹波较大,无法准确获得BLE模块能耗。因此,本文基于高端电流监测芯片ZXCT1010对BLE模块工作电流进行测量,所需采样电阻小,对供电回路影响程度低,测量较准确,可为BLE模块的集成应用提供有效的参考依据。
本文测量的BLE模块是采用Kinetis KW31Z无线MCU设计的BLE4.2制式的从机节点模块,其间歇工作模式中的广播周期设定为100 ms、连接周期设定为50 ms。KW31Z是集成2.4 GHz射频(Radio Frequency,RF)收发器、支持FSK/GFSK和O-QPSK调制的ARM Cortex-M0+处理器。BLE模块引出输入电源、UART和I/O等信号接口,易于集成到电气设备中[12-13],如图1所示。电气设备的MCU通过UART接口与BLE模块通信,使用AT指令控制BLE模块复位、初始化、广播和收发无线数据,实现BLE从机节点功能。智能手机等蓝牙主机设备扫描BLE从机节点,发起连接,配对成功后可与其进行无线数据交互。
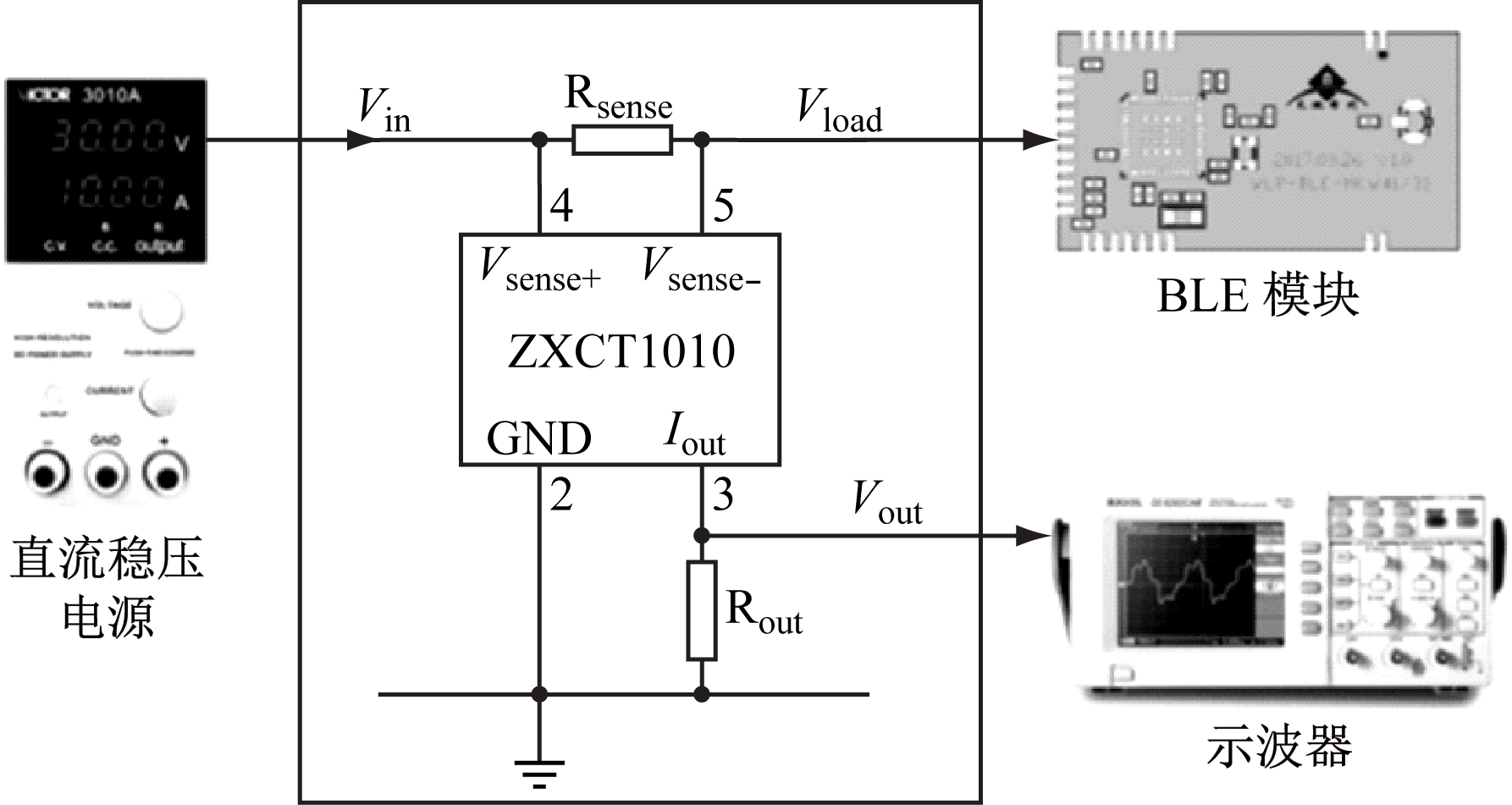
ZXCT1010是低成本、高精度高端电流监测芯片,工作电压为2.5~20 V,最小工作电流为4 μA。基于ZXCT1010的测量电路结构如图2所示。

图1 BLE模块集成原理
Fig.1 Principle of BLE module integration

图2 基于ZXCT1010的测量电路结构
Fig.2 Measurement circuit structure based on ZXCT1010
通过直流稳压电源获得可调的供电电压Vin,采样电阻Rsense上通过的电流为BLE模块工作电流I,Rsense上形成的压差经ZXCT1010放大后由输出电阻Rout转换为示波器检测电压:
Vout=0.01IRsenseRout
(1)
由式(1)可知,Vout与I呈线性关系,当供电电压恒定时,Vout波形可反映BLE模块工作电流的变化。
选择较大的Rsense可获得更高的小电流测量精度,但Rsense过大会引起供电电压降低[14-15]。为减少电压损耗并保持较高测量精度,Rsense取值为0.5 Ω,Rout取值为10 kΩ,并代入式(1),可得
(2)
利用示波器采集BLE模块工作在复位、初始化、广播、连接等状态时的Vout波形,如图3所示。从图3可看出,BLE模块进入广播状态后,每100 ms出现1组尖峰,与BLE4.2协议规定的BLE模块间歇工作模式和设定的广播周期相符。因此,尖峰波形可对应BLE模块在RF收发时产生的工作电流,尖峰之间的波形可对应BLE模块在RF静态时产生的工作电流。

图3 不同状态下Vout波形
Fig.3Voutwaveform under different states
BLE模块的复位状态和初始化状态仅在启动时出现1次,BLE模块启动后仅工作在广播和连接2种状态,因此本文重点分析BLE模块在广播和连接状态下的能耗特征。
BLE模块初始化完成后定时向外广播,每次广播时会在3个独立的广播信道上发送相同的报文,以待被蓝牙主机设备扫描发现。广播状态下Vout波形如图4所示,按广播周期出现的3个尖峰反映了BLE模块的1个广播事件所对应的工作电流变化。

图4 广播状态下Vout波形
Fig.4Voutwaveform under broadcasting state
将3个广播信道的广播过程放大,如图5所示,每个广播信道上的广播过程也反映了工作电流存在变化,这是由BLE模块的RF收发器从RF发送状态(发送广播信号)切换到RF接收状态(等待连接信号)造成的。根据图5可得每个广播事件的Vout峰值和在每个信道上的持续时间(约1 ms)。

图5 单个广播事件的Vout波形
Fig.5Voutwaveform of single broadcasting event
蓝牙主机设备连接BLE模块成功后,BLE模块由广播状态进入连接状态,对应的Vout变化如图6所示。可看出BLE模块在广播状态和连接状态下的Vout信号峰值无显著变化,而间歇工作周期由100 ms变为50 ms,与设定的连接周期相符。

图6 从广播状态到连接状态时Vout波形
Fig.6Voutwaveform from broadcasting state to connection state
BLE模块在连接状态下,所有数据交互均通过定时的连接事件完成。连接状态下,BLE模块有/无数据传输时Vout波形如图7所示。从图7可看出:每个连接周期内都会发生1次连接事件,这是由于即使BLE模块与蓝牙主机设备之间无数据传输,主从机之间也需要进行1次通信,以确保连接有效;无数据传输时,单个连接事件的RF收发持续时间大约需1 ms;有数据传输时,按照BLE4.2协议规定,BLE模块每帧最多发送251字节,发送速率为1 Mbit/s,单个连接事件的RF收发持续时间约增加2 ms;在连接事件之间的RF静态时间段内,Vout信号纹波增大,这是由BLE模块的UART通信、I/O输出高电平信号造成的,信号纹波增大的持续时间由UART通信数据长度、I/O输出持续时间决定。

图7 连接状态下Vout波形
Fig.7Voutwaveform under connection state
通过测量RF收发和RF静态时的Vout信号峰值,按式(2)计算可得BLE模块工作电流,见表1。从表1可看出:RF收发时工作电流较大,RF静态时工作电流较小;RF收发时工作电流和RF静态时工作电流受RF功率变化影响小,但受供电电压变化影响较大,即供电电压越高,工作电流越大。
(1)BLE模块在RF收发时的能耗较大,且RF收发持续时间短,在RF静态时的能耗小,且RF静态持续时间长;BLE模块能耗受RF功率变化影响小;供电电压越高,BLE模块各运行状态下的工作电流越大、能耗越大。因此,BLE模块集成应用时,应提供合适的供电电压,但无需限制RF功率。
(2)根据BLE模块能耗特征,可从以下方面进一步优化BLE模块能耗:① 通过增大BLE模块的广播周期和连接周期,可减少广播事件和连接事件的发生频次,从而降低BLE模块能耗。② 通过使无线MCU的ARM内核休眠,关闭无线MCU的UART和I/O等外设,可大幅降低BLE模块能耗。
表1 BLE模块工作电流
Table 1 Working current of BLE module

参考文献(References):
[1] 镇咸舜.蓝牙低功耗技术的研究与实现[D].上海:华东师范大学,2013.
[2] 王小敏,庄非.智能低功耗蓝牙BLE在无线系统的应用[J].集成电路应用,2018,35(9):63-65.
WANG Xiaomin,ZHUANG Fei.Application of intelligent low power bluetooth BLE in wireless system[J].Application of IC,2018,35(9):63-65.
[3] GOMEZ C,OLLER J,PARADELLS J.Overview and evaluation of bluetooth low energy:an emerging low-power wireless technology[J].Sensors,2012,12(12):11734-11753.
[4] 张丽.基于蓝牙4.0的低功耗井下人员定位跟踪系统研究[J].矿业研究与开发,2017,37(6):74-77.
ZHANG Li.Research on a low-power underground personnel positioning and tracking system based on bluetooth 4.0[J].Mining Research and Development,2017,37(6):74-77.
[5] 宋柏,朱华,薛永刚.蓝牙技术在煤矿数据传输中的应用研究[J].工矿自动化,2007,33(3):1-5.
SONG Bai,ZHU Hua,XUE Yonggang.Study of application of bluetooth technology in data transmission of coal mine[J].Industry and Mine Automation,2007,33(3):1-5.
[6] 金纯,贾珍梅,刘鲁云,等.基于CC2540的超低功耗蓝牙模块的设计[J].电视技术,2015,39(1):60-64.
JIN Chun,JIA Zhenmei,LIU Luyun,et al.Design of ultra low power bluetooth module based on CC2540[J].Video Engineering,2015,39(1):60-64.
[7] 高键.ZigBee无线传感器网络节点的能耗研究[J].电子测试,2008(2):1-4.
GAO Jian.Study of energy consumption of ZigBee wireless sensor networks node[J].Electronic Test,2008(2):1-4.
[8] 邹向阳,谭彬,何青云.无线传感器节点中的BLE蓝牙低功耗研究[J].现代电子技术,2016,39(20):67-71.
ZOU Xiangyang,TAN Bin,HE Qingyun.Research on BLE low-power consumption in wireless sensor nodes[J].Modern Electronics Technique,2016,39(20):67-71.
[9] MEHTA A.低边与高边电流检测[J].今日电子,2009(5):33-35.
MEHTA A.Low side and high side current detection[J].Electronic Products,2009(5):33-35.
[10] 刘满雀,姚若河.一种高精度电流检测电路的设计[J].中国集成电路,2009,18(3):53-57.
LIU Manque,YAO Ruohe.A high-accuracy current sense circuit design[J].China Integrated Circuit,2009,18(3):53-57.
[11] 刘颖杰,冯全源.用于Buck型电源芯片的电流检测电路[J].电子技术应用,2009,35(4):76-78.
LIU Yingjie,FENG Quanyuan.Novel current sensing circuit for monolithic Buck power management[J].Application of Electronic Technique,2009,35(4):76-78.
[12] 张群,杨絮,张正言,等.蓝牙模块串口通信的设计与实现[J].实验室研究与探索,2012,31(3):79-82.
ZHANG Qun,YANG Xu,ZHANG Zhengyan,et al.Design and realization of serial communication in bluetooth module[J].Research and Exploration in Laboratory,2012,31(3):79-82.
[13] GENTILI M,SANNINO R,PETRACCA M.基于低能耗蓝牙的半双工语音通信[J].中国集成电路,2016,25(8):70-77.
[14] HELLES G N.高端电流检测的原理和电路[J].电子产品世界,2001(9):19-20.
HELLES G N.Circuits and principles of high-side current measurement[J].Electronic Engineering Product World,2001(9):19-20.
[15] 杨旸,吴晓波.一种用于高端电流检测的高精度放大器的设计[J].电路与系统学报,2011,16(2):1-6.
YANG Yang,WU Xiaobo.High precision amplifier used for high-side current sensing[J].Journal of Circuits and Systems,2011,16(2):1-6.
ZHUO Minmin1,2,ZHAO Lichang1,2,LI Jiyun1,2
(1.CCTEG Changzhou Research Institute,Changzhou 213015,China; 2.Tiandi(Changzhou)Automation Co.,Ltd.,Changzhou 213015,China)
Abstract:Coal mine electrical equipments can realize bluetooth communication function of low power consumption by integrating bluetooth low energy module(BLE).However,in the process of integrated design,power protection circuit and battery capacity should be designed according to energy consumption characteristics of BLE module.For the problem,under different power supply voltage and radio frequency power,high-side current monitoring chip ZXCT1010 was adopted to analyze energy consumption characteristics of BLE module under different working states such as reset,initialization,broadcasting and connection.The results indicate that energy consumption of BLE module in radio frequency(RF)transceiving is high,and RF transceiving duration is short,while energy consumption of BLE module in RF static state is low,and RF static state duration is long.Energy consumption of BLE module is less affected by change of RF power,but is greatly affected by change of power supply voltage.The higher the power supply voltage is,the higher the working current and energy consumption of BLE module in each running state will be.Therefore,suitable power supply voltage should be provided and RF power should not be limited in integration application of BLE module.
Key words:coal mine electrical equipment;bluetooth low energy;energy consumption characteristics;high-side current monitoring;power supply voltage;radio frequency power
文章编号:1671-251X(2019)10-0091-05
DOI:10.13272/j.issn.1671-251x.2019080056
收稿日期:2019-08-19;修回日期:2019-08-30;
责任编辑:盛男。
基金项目:天地科技股份有限公司科技创新创业资金专项项目(2019-TD-ZD007)。
作者简介:卓敏敏(1992-),女,江苏徐州人,工程师,硕士,主要从事煤矿监测监控产品研发工作,E-mail:1003347883@qq.com。
引用格式:卓敏敏,赵立厂,李继云.低功耗蓝牙模块能耗特征分析[J].工矿自动化,2019,45(9):91-94.
ZHUO Minmin,ZHAO Lichang,LI Jiyun.Analysis of energy consumption characteristics of bluetooth low energy module[J].Industry and Mine Automation,2019,45(9):91-94.
中图分类号:TD67
文献标志码:A