胡文彬1,王玉娟1,张传金2
(1.唐山科技职业技术学院 智能制造系,河北 唐山 063000;2.江苏建筑职业技术学院 智能制造学院,江苏 徐州 221116)
摘要:传统转子磁链观测器受直流扰动和谐波扰动的影响无法准确估计转子磁链,进而基于转子磁链的永磁同步电动机无位置传感器控制方法无法准确估计转子位置。针对该问题,提出了一种基于三阶广义积分磁链观测器的刮板输送机永磁同步电动机无位置传感器控制策略。通过引入三阶广义积分磁链观测器,能有效抑制高次谐波分量,稳态时可完全消除转子磁链中的直流分量,且对基波的幅值和相位没有任何影响,从而准确估计转子磁链,提高转子位置估计精度。仿真结果验证了该控制策略的正确性和有效性。
关键词:刮板输送机;永磁同步电动机;无位置传感器控制;三阶广义积分磁链观测器;转子磁链
刮板输送机是煤矿井下运输煤炭的重要设备。机头、机尾电动机作为刮板输送机的动力源,其可靠性、稳定性是刮板输送机高效运行的关键[1-3]。永磁同步电动机(Permanent Magnet Synchronous Machine,PMSM)凭借其高转矩密度、高效率等优势,在刮板输送机上得到越来越广泛的应用。为获得良好的调速性能,通常利用位置传感器来获取转子位置信息。然而,刮板输送机工作环境复杂、恶劣,为保障刮板输送机可靠性,采用PMSM无位置传感器控制策略[4-5]。常见的PMSM无位置传感器控制方法有高频信号注入法[6-7]和反电动势法[8-11]。当刮板输送机运行在中高速区域时,一般采用反电动势法,如利用滑模观测器[8]、扩展卡尔曼滤波器[9]、龙伯格观测器[10]和基于智能算法的观测器[11]来估计转子位置。当刮板输送机运行在零低速区域时,由于电动机反电动势幅值与转速呈正比,反电动势信噪比较低,反电动势法估计的转子位置精度较低,所以采用高频信号注入法来可靠估计转子位置,然而注入的高频信号会产生额外的谐波损耗和转矩脉动。
近年来,有学者提出了基于转子磁链观测的PMSM无位置传感器控制方法[12-14]。由于PMSM中转子磁链方向与永磁体磁极方向一致,可利用转子磁链观测器估计转子磁链,然后直接从转子磁链中获取位置信息,不需要额外的信号注入,且转子磁链的幅值与转速无关,即使刮板输送机运行在低速区域,该方法也能准确估计转子位置。然而,刮板输送机运行状态受链轮多边形效应、链道弯曲、落煤量不确定等因素影响[15],造成刮板输送机负载转矩特性复杂。此外,电动机电阻和电感参数不准、测量误差、逆变器非线性等因素的存在,导致转子磁链观测器不可避免地受到直流扰动和谐波扰动的影响而降低转子磁链估计精度。当采用一阶积分器观测转子磁链时,直流扰动引起的误差会随时间线性累计,最终产生饱和效应。当采用低通滤波器(Low-Pass Filter,LPF)观测转子磁链时,可有效降低估计转子磁链中的直流分量和谐波分量,但同时会造成估计转子磁链基波分量的相位延时和幅值衰减。基于二阶广义积分器(Second-Order Generalized Integrator,SOGI)的二阶广义积分磁链观测器(Second-Order Generalized Integral Flux Observer,SOGIFO)可进一步抑制估计转子磁链中的直流分量和高次谐波分量,且对估计转子磁链基波分量没有任何影响,仍无法完全消除直流扰动引起的误差[16]。因此,本文在三阶广义积分器(Third-Order Generalized Integrator,TOGI)[17]的基础上,设计了三阶广义积分磁链观测器(Third-Order Generalized Integral Flux Observer,TOGIFO),提出了一种基于TOGIFO的刮板输送机PMSM无位置传感器控制策略,可有效抑制直流扰动和谐波扰动引起的误差,精确估计转子磁链、转子位置和转速,从而提高刮板输送机运行可靠性。
刮板输送机的链条由许多刚性链节组成,绕经链轮时呈多边形围绕,链条速度为
vt=rtωmcosφt
(1)
式中:rt为链轮节圆半径;ωm为机械角速度;φt为啮合点的切线与刮板输送机铺设线的夹角。
链轮转动过程中,φt经历从大变小至零再变大的过程,同时vt经历从小变大再变小的过程,当φt为零时,vt最大[18]。链条运动的不均匀性会反作用于PMSM,相当于附加了一个周期变化的动载荷,对转子位置观测产生干扰。
当刮板输送机链道产生垂直或水平的弯曲时,链条要围绕弯曲角运行,产生附加的摩擦力,该摩擦力与弯曲角的角度和链条中存在的拉力有关。为便于分析,链道弯曲可等效为给PMSM附加了一个额外的恒定负载转矩[19],落煤量不确定可等效为对PMSM施加了一个随机负载转矩。
静止坐标系下PMSM磁链方程为
pΨs=us-Rsis
(2)
(3)
p θe=ωe
(4)
式中:p为微分算子;Ψs,Ψr分别为定子磁链矢量和转子磁链矢量;us,is分别为定子电压和电流矢量;Rs,L分别为定子电阻和电感;Ψf为永磁体磁链;θe,ωe分别为转子位置电角度和电角速度。
将式(2)代入式(3),可得
(5)
式中er为反电动势矢量。
由式(5)可知,通过对反电动势积分即可求得转子磁链。然而,反电动势中存在的直流扰动和谐波扰动会对转子磁链观测造成影响。考虑到电动机电阻和电感参数不准、测量误差、逆变器非线性等因素,以α轴分量为例(β轴同理),反电动势α轴分量eα可用直流分量、基波分量和高次谐波分量的形式表示:
eα=A0+A1sin(ω1t+φ1)+
(6)
式中:A0为直流偏置;A1,Ah分别为基波分量和h次谐波分量的幅值;ω1,ωh分别为基波分量和h次谐波分量的初始角速度;φ1,φh分别为基波分量和h次谐波分量的初始角度。
基于TOGIFO的刮板输送机PMSM无位置传感器控制策略如图1所示。采用经典的电流、转速双闭环结构,转速控制器和电流控制器均为比例积分(Proportion Integral,PI)调节器,采用空间矢量调制(Space Vector Modulation,SVM)控制电压源型逆变器(Voltage Source Inverter,VSI)。通过机械角速度的给定值
与估计值
得到机械角速度估计误差Δωm,Δωm经PI调节得到dq轴定子电流给定值
三相定子电流iabc经坐标系变换后得到αβ轴定子电流iαβ和dq轴定子电流
和idq之差经PI调节和坐标系变换后得到αβ轴定子电压uαβ。转子磁链观测器TOGIFO根据uαβ和iαβ获得转子磁链估计值
再通过锁相环(Phase Locked Loop,PLL)即可求得估计转子位置电角度
实现刮板输送机PMSM无位置传感器控制。

图1 基于TOGIFO的刮板输送机PMSM无位置传感器控制策略
Fig.1 Sensorless control strategy for PMSM of scraper conveyor based on TOGIFO
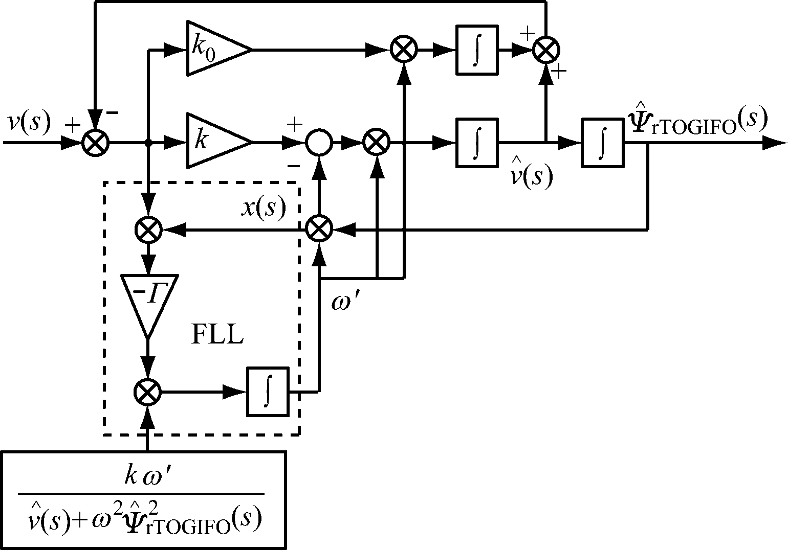
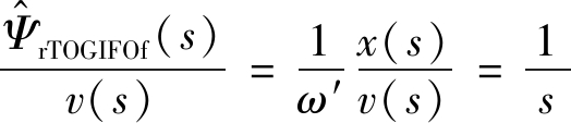
TOGIFO结构如图2所示,其中
(s为拉普拉斯算子)为输入信号v(s)的估计值,采用锁频环(Frequency Locked Loop,FLL)进行频率自适应(Γ为FLL系数)[16]。

图2 TOGIFO结构
Fig.2 Structure of TOGIFO
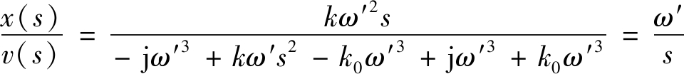
输出信号x(s)对于输入信号v(s)的传递函数为
(7)
式中:k,k0为系数;ω′为FLL估计的输入信号v(s)的角速度。
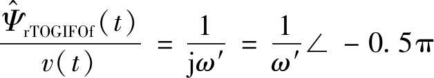
将s=jω′代入式(7),可得
(8)
TOGIFO的输入输出分别为反电动势和转子磁链,考虑到两者为积分关系,因此设计TOGIFO的传递函数为
(9)
(1)TOGIFO对直流分量的作用。当k=1.414时,极点位于复频域的左半平面,稳定性得以保证。结合式(9)和TOGIFO输入反电动势的直流分量,根据拉普拉斯终值定理可得
(10)
(2)TOGIFO对基波分量的作用。将s=jω′代入式(9),可得
(11)
式中:
为TOGIFO估计的转子磁链基波分量。
将式(11)转换到时域,可得
(12)
结合式(6)中反电动势基波分量,可得
![]()
(13)
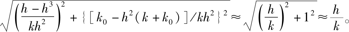
(3)TOGIFO对谐波分量的作用。将s=jωh=jhω′代入式(9),可得
(14)
式中:
为TOGIFO估计的转子磁链h次谐波分量;γh=arctan{[h2(k+k0)-k0]/(h3-h)}。
结合式(6)中反电动势谐波分量,可得

sin(ωht+φh+γh)
(15)
式中![]()
根据式(10)、式(13)和式(15),可得
(16)
由式(16)可知,TOGIFO无论对直流分量还是高次谐波分量都有很强的抑制能力,达到稳态时,可完全消除转子磁链中的直流分量,且对基波的幅值和相位没有任何影响,从而可准确估计转子磁链。
为验证基于TOGIFO的刮板输送机PMSM无位置传感器控制策略的有效性,在Matlab/Simulink中搭建如图1所示的仿真模型,其中PMSM参数见表1。
表1 PMSM参数
Table 1 Parameters of PMSM

PMSM运行在600 r/min时,分别采用一阶积分器、LPF、SOGIFO和TOGIFO估计的转子磁链如图3所示
和
分别为一阶积分器估计的αβ轴转子磁链;
和
分别为LPF估计的αβ轴转子磁链;
和
分别为SOGIFO估计的αβ轴转子磁链;
和
分别为TOGIFO观测的αβ轴转子磁链)。从图3可看出,由于一阶积分器会累积直流扰动引起的误差,其观测的转子磁链中会有随时间递增的直流分量,对应的转子磁链圆位置发生偏离;由于LPF的引入会衰减转子磁链的基波幅值,对应的转子磁链圆半径小于真实值;SOGIFO和TOGIFO均可准确估计转子磁链,且不会对基波幅值有影响,因此对应的转子磁链圆均没有发生位置偏移和半径缩小,此外,相比于SOGIFO,TOGIFO估计的转子磁链颤振更小。
PMSM运行在900 r/min时,分别采用一阶积分器、LPF、SOGIFO和TOGIFO估计的转子位置电角度及误差波形如图4所示(Δθe为转子位置电角度估计误差)。可看出由于直流偏置的存在,一阶积分器估计的转子位置发生畸变,转子位置电角度估计误差较大且有严重振荡;LPF估计的转子位置超前于实际转子位置,因此造成约0.92 rad的转子位置电角度估计误差;SOGIFO和TOGIFO估计的转子位置均能较好地跟踪实际转子位置,转子位置电角度估计误差分别约为0.01,0.005 rad,其中TOGIFO估计的转子位置与实际转子位置最为接近。

(a)一阶积分器

(b)LPF

(c)SOGIFO

(d)TOGIFO
图3 不同磁链观测器估计转子磁链
Fig.3 Rotor flux estimated by different flux observers


(a)一阶积分器


(b)LPF


(c)SOGIFO


(d)TOGIFO
图4 不同磁链观测器估计转子位置电角度及误差波形
Fig.4 Electrical angle of rotor position and error waveforms estimated by different flux observers
刮板输送机工作环境中存在许多不确定的外界扰动,其中直流扰动对转子磁链估计影响最大。为验证本文控制策略抗直流扰动的能力,当PMSM稳定运行在600 r/min工况下,0.5 s时在α轴电压上突加10 V直流扰动,仿真结果如图5所示。可看出突加直流扰动对TOGIFO几乎没有影响,在0.5 s后,TOGIFO估计的转子磁链正弦度仍然很高,转子位置电角度估计误差几乎没有波动,维持在0.1 rad左右,机械角速度估计误差在0附近小幅度波动。



图5 抗直流扰动仿真波形
Fig.5 Simulation waveforms under DC disturbance
针对刮板输送机落煤量不确定的工况,在0.3 s时突加0~20 N·m随机负载,仿真结果如图6所示(T1,Te分别为负载转矩、电磁转矩)。可看出在给定随机负载下,电磁转矩能快速响应负载转矩,估计机械角速度能准确跟踪实际值,转子位置电角度估计误差保持在0.1 rad以内,即使有较大转矩阶跃时,转子位置电角度估计误差波动也不超过0.05 rad。




图6 抗随机负载扰动仿真波形
Fig.6 Simulation waveforms under random load disturbance
考虑到刮板输送机链轮多边形效应,负载转矩周期变化时仿真波形如图7所示。可看出由于负载转矩周期变化导致实际机械角速度出现周期波动,但估计机械角速度仍能准确跟踪实际值;转子位置电角度估计误差受周期变化的负载转矩影响产生周期波动,但波动较小;机械角速度估计误差控制在1.5 rad/s以内。




图7 抗周期负载扰动仿真波形
Fig.7 Simulation waveforms under periodic load disturbance
PMSM稳定运行在200 r/min工况下,在0.3 s时升速到1 500 r/min,在0.9 s时减速到700 r/min,仿真结果如图8所示。可看出在升降速过程中,估计机械角速度能很好地跟踪实际值,机械角速度估计误差控制在3 rad/s以内,转子位置电角度估计误差在0.3 rad以内。



图8 升降速工况下仿真波形
Fig.8 Simulation waveforms under variable speed operation
在考虑刮板输送机链轮多边形效应、链道弯曲和落煤量不确定的运行特性情况下,针对传统转子磁链观测器受反电动势中直流扰动和谐波扰动影响而无法准确估计转子磁链的问题,提出了一种基于TOGIFO的刮板输送机PMSM无位置传感器控制策略。通过引入TOGIFO,能有效抑制高次谐波分量,稳态时可完全消除转子磁链中的直流分量,且对基波的幅值和相位没有任何影响。仿真结果表明:TOGIFO能有效抑制直流扰动和谐波扰动引起的误差,提高转子磁链估计精度;基于TOGIFO的刮板输送机PMSM无位置传感器控制策略能准确估计转子位置和转速。
参考文献(References):
[1] 赵巧芝.我国煤矿无轨及输送机运输设备现状及发展趋势[J].煤炭工程,2012,44(1):120-122.
ZHAO Qiaozhi.Present status and development tendency of mine trackless and conveyer transportation equipment in China[J].Coal Engineering,2012,44(1):120-122.
[2] 李世旭,姚立权,鞠鹏.刮板输送机用变频电动机研究[J].工矿自动化,2015,41(2):90-93.
LI Shixu,YAO Liquan,JU Peng.Research of frequency conversion motor for scraper conveyor[J].Industry and Mine Automation,2015,41(2):90-93.
[3] 王腾,夏护国.重型刮板输送机驱动方式比较分析[J].煤炭科学技术,2013,41(9):154-158.
WANG Teng,XIA Huguo.Comparison and analysis of drive modes used to heavy duty scraper conveyor[J].Coal Science and Technology,2013,41(9):154-158.
[4] NI Ronggang,XU Dianguo,BLAABJERG F,et al.Square-wave voltage injection algorithm for PMSM position sensorless control with high robustness to voltage errors[J].IEEE Transactions on Power Electronics,2017,32(7):5425-5437.
[5] 薄英强.基于永磁同步电机的矿用电机车驱动系统研究[D].淮南:安徽理工大学,2015.
[6] 叶生文,谷善茂,李广超,等.基于高频注入法的永磁同步电动机无传感器矢量控制[J].工矿自动化,2010,36(1):44-47.
YE Shengwen,GU Shanmao,LI Guangchao,et al.Sensorless vector control of permanent magnet synchronous motor based on method of high-frequency injection method[J].Industry and Mine Automation,2010,36(1):44-47.
[7] ALMARHOON A H,ZHU Z Q,XU P.Improved pulsating signal injection using zero-sequence carrier voltage for sensorless control of dual three-phase PMSM[J].IEEE Transactions on Energy Conversion,2017,32(2):436-446.
[8] 张刚,陈波.PMSM滑模观测器无位置传感器控制研究[J].微特电机,2016,44(2):54-57.
ZHANG Gang,CHEN Bo.Research on PMSM position sensorless control based on sliding mode observer[J].Small &Special Electrical Machines,2016,44(2):54-57.
[9] QUANG N K,HIEU N T,HA Q P.FPGA-based sensorless PMSM speed control using reduced-order extended Kalman filters[J].IEEE Transactions on Industrial Electronics,2014,61(12):6574-6582.
[10] 祝龙记,黄琦.矿用电机车永磁同步电动机无位置传感器低速稳定控制[J].工矿自动化,2018,44(4):80-85.
ZHU Longji,HUANG Qi.Stable sensorless control for permanent magnet synchronous motor of mine-used electric locomotive at low speed stage[J].Industry and Mine Automation,2018,44(4):80-85.
[11] 吴先豹.基于柯西变异粒子群算法优化永磁同步电机的PID参数[D].长沙:湘潭大学,2016.
[12] 慎翔,李红梅.基于改进磁链观测法的PMSM无位置传感器控制[J].微电机,2012,45(7):55-59.
SHEN Xiang,LI Hongmei.Position sensorless control of PMSM based on modified rotor flux-linkage observation[J].Micromotors,2012,45(7):55-59.
[13] PARK Y,SUL S K.Sensorless control method for PMSM based on frequency-adaptive disturbance observer[J].IEEE Journal of Emerging and Selected Topics in Power Electronics,2014,2(2):143-151.
[14] 张锦,於锋,张蔚.基于磁链观测器的永磁同步直线电机无位置传感器控制[J].微特电机,2016,44(10):54-57.
ZHANG Jin,YU Feng,ZHANG Wei.Position sensorless control of permanent magnet synchronous linear motor based on flux observer[J].Small &Special Electrical Machines,2016,44(10):54-57.
[15] 翟永刚.煤矿刮板输送机刮板链故障种类和维护[J].煤炭科学技术,2015,43(增刊2):128-129.
ZHAI Yonggang.Type and maintenance of scraper chain for coal mine scraper[J].Coal Science and Technology,2015,43(S2):128-129.
[16] ZHAO Rende,XIN Zhen,LOH P C,et al.A novel flux estimator based on multiple second-order generalized integrators and frequency-locked loop for induction motor drives[J].IEEE Transactions on Power Electronics,2017,32(8):6286-6296.
[17] 郗来迎,王金富,侯川川,等.基于三阶广义积分的锁相环设计[J].电力系统保护与控制,2016,44(23):184-189.
XI Laiying,WANG Jinfu,HOU Chuanchuan,et al.Design of phase locked loop based on third-order general-integrator[J].Power System Protection and Control,2016,44(23):184-189.
[18] 张东升,于海洋,赵西贝,等.刮板输送机链条多边形效应振动特性研究[J].机械强度,2018,40(1):20-26.
ZHANG Dongsheng,YU Haiyang,ZHAO Xibei,et al.Study on vibration characteristics of the polygon effect of scraper conveyor[J].Journal of Mechanical Strength,2018,40(1):20-26.
[19] 焦宏章,杨兆建,王淑平.刮板输送机链轮传动系统接触动力学仿真分析[J].煤炭学报,2012,37(增刊2):494-498.
JIAO Hongzhang,YANG Zhaojian,WANG Shuping.Contact dynamics simulation analysis for sprocket transmission system of scraper conveyor[J].Journal of China Coal Society,2012,37(S2):494-498.
HU Wenbin1,WANG Yujuan1,ZHANG Chuanjin2
(1.Department of Intelligent Manufacturing,Tangshan Vocational College of Science and Technology,Tangshan 063000,China;2.School of Intelligent Manufacturing,Jiangsu Vocational Institute of Architectural Technology,Xuzhou 221116,China)
Abstract:Traditional rotor flux observers cannot accurately estimate rotor flux due to influence of DC disturbance and harmonic disturbance,and then sensorless control method of permanent magnet synchronous motor(PMSM)based on rotor flux cannot accurately estimate rotor position.In order to solve the above problem,a sensorless control strategy for PMSM of scraper conveyor based on third-order generalized integral flux observer(TOGIFO)was proposed.By introducing the TOGIFO,high-order harmonic component can be effectively suppressed,and DC component in rotor flux can be completely eliminated in steady state without amplitude attenuation and phase delay of fundamental wave,so as to accurately estimate rotor flux and improve accuracy of rotor position estimation.The simulation results verify correctness and effectiveness of the control strategy.
Key words:scraper conveyor;permanent magnet synchronous motor;sensorless control;third-order generalized integral flux observer;rotor flux
文章编号:1671-251X(2019)10-0061-07
DOI:10.13272/j.issn.1671-251x.2019030018
收稿日期:2019-03-07;修回日期:2019-09-20;
责任编辑:盛男。
基金项目:江苏省高等学校自然科学研究面上项目(18KJB470009)。
作者简介:胡文彬(1981-),女,河北唐山人,讲师,主要研究方向为电气控制,E-mail:tangshanhuwenbin@sina.com。
引用格式:胡文彬,王玉娟,张传金.刮板输送机永磁同步电动机无位置传感器控制[J].工矿自动化,2019,45(10):61-67.
HU Wenbin,WANG Yujuan,ZHANG Chuanjin.Sensorless control for permanent magnet synchronous motor of scraper conveyor[J].Industry and Mine Automation,2019,45(10):61-67.
中图分类号:TD614
文献标志码:A