程国栋1, 王华平2,3, 夏晶晶1
(1. 中国矿业大学 徐海学院, 江苏 徐州 221008; 2.中煤科工集团常州研究院有限公司,江苏 常州 213015; 3.天地(常州)自动化股份有限公司, 江苏 常州 213015)
摘要:针对目前高压绕线电动机采用定子侧高压变频器进行变频调速存在的技术难度较大、对电力电子器件耐压值要求高、成本较高等问题,提出了一种高压绕线电动机转子变频调速技术。该技术利用转子侧电压等级低的优点,将功率变换由定子侧转移到转子侧,通过通用变频器实现对高压绕线电动机的变频调速。推导了转子变频矢量控制系统数学模型,设计了自适应全阶状态定子磁链观测器,并根据定子磁链观测值实现了转速辨识。Matlab仿真及实验结果验证了转子变频调速技术的正确性及可行性。
关键词:高压绕线电动机; 转子变频调速技术; 定子磁链观测器; 转速辨识
中图分类号:TD61
文献标志码:A
网络出版地址:http://kns.cnki.net/kcms/detail/32.1627.TP.20180724.1616.004.html
CHENG Guodong1, WANG Huaping2,3, XIA Jingjing1
(1.Xuhai College,China University of Mining and Technology,Xuzhou 221008,China; 2.CCTEG Changzhou Research Institute,Changzhou 213015,China; 3.Tiandi(Changzhou) Automation Co., Ltd., Changzhou 213015, China)
Abstract:In view of problems of technical difficulties, high cost and high voltage requirements for power electronic components in current high voltage wound-rotor motor using stator-side high voltage inverter for frequency conversion speed regulation, a rotor-side frequency conversion speed regulation technology for high voltage wound-rotor motor was proposed. The technology transfered power transformation from stator side to rotor side taking advantage of low voltage level on rotor side, frequency conversion speed regulation of high voltage wound-rotor motor was realized through general frequency converter. Mathematical model of vector control system for rotor-side frequency conversion was deduced, and adaptive full-order state stator flux linkage observer was designed. Speed identification was realized according to stator flux linkage observation. Matlab simulation and experimental results verify the correctness and feasibility of rotor-side frequency conversion speed regulation technology.
Key words:high voltage wound-rotor motor; rotor-side frequency conversion speed regulation technology; stator flux linkage observer; speed identification
文章编号:1671-251X(2018)08-0081-06
DOI:10.13272/j.issn.1671-251x.17330
收稿日期:2018-05-02;
修回日期:2018-06-20;
责任编辑:胡娴。
基金项目:2018年江苏省高等学校自然科学研究面上项目(18KJD470007)。
作者简介:程国栋(1986-),男,江苏沛县人,讲师,硕士研究生,研究方向为电力电子与电力传动,E-mail:guodongcheng1206@163.com。
引用格式:程国栋,王华平,夏晶晶.高压绕线电动机转子变频调速技术研究[J].工矿自动化,2018,44(8):81-86.
CHENG Guodong,WANG Huaping,XIA Jingjing.Study on rotor-side frequency conversion speed regulation technology for high voltage wound-rotor motor[J].Industry and Mine Automation,2018,44(8):81-86.
高压绕线电动机作为主副井提升机、带式输送机、通风机及主排水泵等的拖动设备,其控制性能好坏不仅影响煤矿安全生产,还直接影响煤矿的经济效益。早期的高压绕线电动机控制采用工频直驱方式,不但会对电网及电动机等造成启动冲击,还严重浪费了能源。采用定子侧串联晶闸管变换器、转子侧串电阻等软启动方式,虽可以有效减小启动冲击,但这些方式本质上属于降压启动,无法实现调速。目前,高性能绕线电动机控制场合多采用定子侧变频调速技术[1-3],因高压电动机定子电压等级较高,需采用H桥级联式高压变频技术,技术难度较大,同时所需开关管数量多,且对耐压值要求高。
为了解决上述问题,本文研究了一种转子变频调速技术,利用高压绕线电动机转子电压等级低的特点,将功率变换由定子侧转移到转子侧,通过较成熟的中低压变频技术来实现高压绕线电动机的变频调速,可靠性高,且大大降低了变频器的成本[4]。
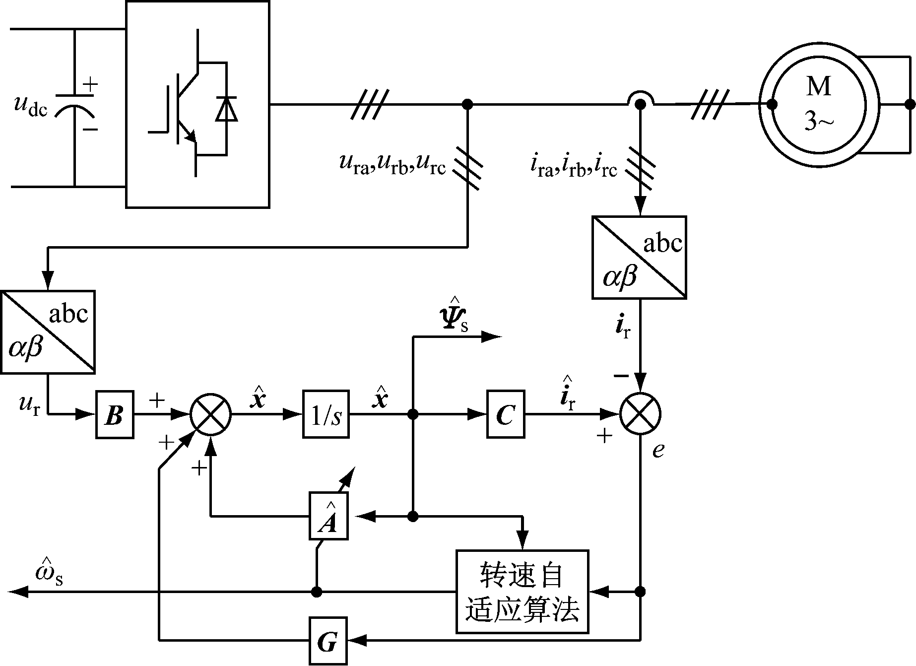
高压绕线电动机转子变频调速系统结构如图1所示。针对煤矿井下轴编码器安装困难、成本高等问题,利用定子磁链观测器对转速进行估计,实现转子变频无速度矢量控制。

图1 高压绕线电动机转子变频调速系统结构
Fig.1 Structure of rotor-side frequency conversion speed regulation system for high voltage wound-rotor motor
采用转子变频技术时,转子绕组进行励磁,应选择转子绕组作为参照物。此时,认为定子绕组以角速度ωs旋转[5-7],磁场旋转速度为与转子电源对应的同步角速度ω1,可得
式中:ωdqr,ωdqs为旋转坐标系相对转子及定子绕组旋转速度;
为转差角速度。
参照传统定子变频技术相关理论,转子变频技术采用定子磁链定向,同时考虑定子绕组短接,此时有

式中:Ls为定子等效自感;isd,isq分别为定子电流d,q轴分量;Lm为定转子互感;ird,irq分别为转子电流d,q轴分量;Ψsd,Ψsq分别为定子磁链d,q轴分量;Ψs为定子磁链;usd,usq分别为定子电压d,q轴分量。
参照定子变频时绕线电动机的数学模型,结合式(1)和式(2),得出转子变频时绕线电动机在d-q坐标系下的数学模型:


式中:urd,urq分别为转子电压d,q轴分量;Rs,Rr分别为定子和转子等效内阻;Lr为转子等效自感;Ψrd,Ψrq分别为转子磁链d,q轴分量;p为微分算子。
结合式(3)和式(4),可得转子变频时基于定子磁场定向的矢量控制方程式:

式中:ts为定子回路电磁时间常数;σ为电动机漏磁系数;frdc,frqc为交叉耦合项。
定子磁链观测器对整个调速系统的性能有重要影响。传统电压型、电流型磁链观测器属于开环观测器,观测性能较差,实际应用时需采用补偿措施。为提高观测精度,本文采用自适应全阶状态定子磁链观测器[8-9],其本质属于闭环观测器。
转子变频时,绕线电动机在α-β两相静止坐标系上的状态方程为

式中:irα,irβ分别为转子电流α,β轴分量;Ψsα,Ψsβ分别为定子磁链α,β轴分量;urα,urβ分别为转子电压α,β轴分量。
根据式(6),同时利用转子电流估算误差加以补偿[10-12],建立定子磁链观测器:
式中:
为状态变量,
为输入变量,
分别为转子电流实际值、观测值,
均为系数矩阵,
为增益矩阵。
为提高磁链观测器的动态性能及稳定性,利用极点配置法确定增益矩阵G:


式中:g1,g2,g3,g4为电动机特征值;k为比例系数;c=σLsLr/Lm。
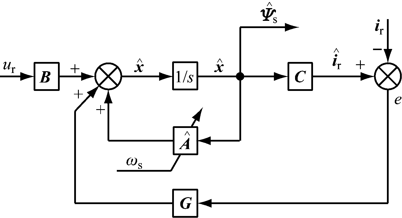
根据式(7)—式(10)可得到自适应全阶状态定子磁链观测器结构,如图2所示。其中,e为转子电流误差;
为积分算法。

图2 自适应全阶状态定子磁链观测器结构
Fig.2 Structure of adaptive full-order state stator flux linkage observer
为解决煤矿井下轴编码器安装困难、成本较高等问题,在定子磁链观测器基础上进行速度估算。基于自适应全阶状态观测器的转速辨识电路如图3所示,其中,ura,urb,urc为转子相电压;ira,irb,irc为转子相电流。
利用李雅普诺夫稳定定理得到转速自适应律:

图3 自适应全阶状态定子磁链观测器的转速辨识电路
Fig.3 Speed identification circuit of adaptive full-order state stator flux observer
![]()
![]()
(11)
式中Kp,Ki分别为比例、积分系数。
将式(11)以标量形式表示,可得基于自适应全阶状态观测器的转速辨识自适应律[13-14]:
从式(12)可以看出,
的自适应规律为一种PI型的自适应率,图3中的转速自适应算法可以用(Kp+Ki/s)来代替。
为研究绕线电动机转子变频调速技术的可行性,验证自适应全阶状态定子磁链观测器及转速辨识的正确性,利用Matlab进行仿真,仿真用参数见表1。其中,PN为额定功率,UrN为额定电压,fN为额定频率,Te为额定转矩,Np为电动机极对数。
表1 转子变频调速技术仿真参数
Table 1 Simulation parameter of rotor-side frequency conversion speed regulation technology

传统电压型定子磁链观测器仿真波形及自适应全阶状态定子磁链观测器仿真波形分别如图4、图5所示。
图4和图5表明,相比于开环磁链观测器,自适应全阶状态观测器更精确,为实现转子电流转矩分量和励磁分量独立控制提供了前提条件。

图4 传统电压型定子磁链观测器仿真波形
Fig.4 Simulation waveform of traditional voltage type stator flux observer

图5 自适应全阶状态定子磁链观测器仿真波形
Fig.5 Simulation waveform of adaptive full-order state stator flux observer
对煤矿提升机实际运行情况进行仿真,仿真条件:0 s时控制器发出启动指令,电动机以额定负载启动;初始给定转速为700 r/min,1 s时刻跃变为1 400 r/min,2 s时刻跃变为0(电动机停止),3 s时刻跃变为-1 400 r/min,即电动机反向运行。实际转速与辨识转速曲线如图6所示。
图6表明,启动后,电动机能够快速响应给定转速变化,加减速过程平稳;此外,辨识转速能很好地跟踪实际转速,稳态时转速辨识误差几乎为零;低速段启动过程转速辨识误差略大。
电磁转矩曲线和全过程A相电流曲线分别如图7、图8所示。
图7和图8表明,启动后,电动机的电磁转矩快速上升至启动转矩(1.5 倍额定转矩),并保持恒定,电动机恒加速启动。

(a) 全过程实际转速与辨识转速曲线

(b) 稳态过程实际转速与辨识转速曲线

(c) 启动过程实际转速与辨识转速曲线
图6 实际转速与辨识转速曲线
Fig.6 Actual speed and identification speed curves

图7 电磁转矩曲线
Fig.7 Electromagnetic torque curve
对绕线电动机转子变频技术的可行性进行实验验证,实验用电动机参数见表1。实验时,转速给定初始值为0.4 pu,稳定运行后阶跃升至0.8 pu。因实验条件有限,电动机处于空载状态。定子磁链观测器波形和转速响应曲线分别如图9、图10所示。

图8 全过程A相电流曲线
Fig.8 Whole process A phase current curve

图9 定子磁链观测器波形
Fig.9 Waveform of stator flux observer

图10 转速响应曲线
Fig.10 Speed response curve
图9和图10表明,电动机实际运行过程中,自适应全阶状态定子磁链观测器的观测效果较好;利用估算转速进行控制时,电动机可快速、精确地加速到给定值,给定转速变化时,电动机亦能快速响应,验证了绕线电动机转子变频技术的可行性。
针对目前高压绕线电动机变频调速系统存在的问题,研究了一种基于定子磁链定向的转子变频调速技术。利用自适应全阶状态观测器对定子磁链进行观测,确保转子电流励磁及转矩分量的解耦控制;利用定子磁链观测器进行转速辨识,解决了煤矿井下轴编码器安装困难的问题。通过仿真验证了自适应全阶状态观测器的精度较好,通过硬件平台验证了高压绕线电动机转子变频调速技术的可行性。
参考文献(References):
[1] 苏长胜.矿井提升机控制技术研究现状与发展[J].工矿自动化,2013,39(2):33-38.
SU Changsheng.Research status and development of control technology for mine hoist[J].Industry and Mine Automation,2013,39(2):33-38.
[2] 李永东.交流电机数字控制系统[M].北京:机械工业出版社,2002.
[3] 陈伯时.电力拖动自动控制系统:运动控制系统[M].3版.北京:机械工业出版社,2006.
[4] 张超,于岩,张义君,等.绕线式异步电机转子变频磁链观测研究[J].煤矿机电,2011(3):20-23.
ZHANG Chao,YU Yan,ZHANG Yijun,et al.Rotor flux observer of wound-rotor asynchronous motor with rotor variable frequency drive[J].Colliery Mechanical & Electrical Technology,2011(3):20-23.
[5] 江友华,龚幼民.基于电流型PWM整流技术的转子变频调速系统[J].电工技术学报,2006,21(7):54-59.
JIANG Youhua,GONG Youmin.Rotor-side variable frequency drive system based on current-type PWM converter[J].Transactions of China Electrotechnical Society,2006,21(7):54-59.
[6] 万赟,王晶鑫,姜建国.基于双PWM控制的转子侧变频调速系统研究[J].电力电子技术,2009,43(12):55-57.
WAN Yun,WANG Jingxin,JIANG Jianguo.Study of rotor-side variable frequency drive system based on dual-PWM technology[J].Power Electronics,2009,43(12):55-57.
[7] VILLANUEVA I,ROSALES A,PONCE P,et al.Stator-flux-oriented sliding mode controller for DFIG with variable hysteresis loop for limiting switch frequency of rotor-side power converter[C]//IEEE International Conference on Industrial Technology,Toronto,2017.
[8] COMANESCU M.A nonlinear full order observer for rotor flux position estimation of induction motors[C]// 36th Annual Conference on IEEE Industrial Electronics Society,Glendale,2010.
[9] 张永昌,赵争鸣.基于自适应观测器的异步电机无速度传感器模糊矢量控制[J].电工技术学报,2010,25(3):40-47.
ZHANG Yongchang,ZHAO Zhengming.Speed sensorless fuzzy vector control of induction motor using an adaptive observer[J].Transactions of China Electrotechnical Society,2010,25(3):40-47.
[10] 郑泽东,李永东,王琛琛.异步电机全阶自适应磁链观测和速度辨识研究[J].电气传动,2006,36(7):8-10.
ZHENG Zedong,LI Yongdong,WANG Chenchen.Study of adaptive flux observer and speed identification method for induction motor[J].Electric Drive,2006,36(7):8-10.
[11] 陈杨裕,王明渝.基于自适应观测器的感应电机转速估计方法研究[J].电气传动,2010,40(9):16-19.
CHEN Yangyu,WANG Mingyu.Study on the speed estimation for induction motor based on adaptive observer[J].Electric Drive,2010,40(9):16-19.
[12] 杨耕,陈伯时.交流感应电动机无速度传感器的高动态性能控制方法综述[J].电气传动,2001,31(3):3-8.
YANG Geng, CHEN Boshi.Review the methods for the speed sensor-less control of induction motor[J].Electric Drive,2001,31(3):3-8.
[13] LUO Y C,LIN C C.Fuzzy MRAS based speed estimation for sensorless stator field oriented controlled induction motor drive[C]//International Symposium on Computer,Communication,Control and Automation,2010.
[14] ZHAO Hong,LUO Peng,WANG Ning .Fuzzy logic control of the fault-tolerant PMSM servo system based on MRAS observer[C]∥Chinese Control and Decision Conference,2018.