蔡建羡, 缪杰, 姚振静, 李亚南, 韩智明
(防灾科技学院 振动精密测量技术与仪器重点实验室, 河北 廊坊 065200)
摘要:针对现有矿山微震信号采集系统存在价格昂贵且通用性不强等问题,设计了一种多通道微震信号采集系统。该系统采用地震计拾取微震信号,利用采集电路实现对微震信号的放大、数模转换及数字滤波,利用STM32将滤波后的信号通过USART实时发送给上位机进行分析处理。测试结果表明,该系统可以准确采集、记录地震计拾取的3个通道的微震信号,稳定性好、可靠性高、成本低。
关键词:矿山微震信号; 地震计; 数据采集; 信号监测; STM32
中图分类号:TD67
文献标志码:A
网络出版地址:http://kns.cnki.net/kcms/detail/32.1627.TP.20180724.1037.002.html
CAI Jianxian, MIAO Jie, YAO Zhenjing, LI Yanan, HAN Zhiming
(Vibration Precision Measurement Technology and Instruments Key Laboratory, Institute of Disaster Prevention Science and Technology, Langfang 065200, China)
Abstract:In view of problems of high cost and low universality existed in current acquisition systems of mine microseismic signal, an acquisition system of multi-channel microseismic signal was designed. The system adopts seismometer to collect microseismic signals, uses acquisition circuit to implement amplification for microseismic signals, analog-to-digital conversion and digital filter, and uses STM32 to real-timely send filtered signals to PC for analysis by USART. The test results show that the system can accurately collect and record 3-channel microseismic signals collected by seismometer with good stability, high reliability and low cost.
Key words:mine microseismic signal; seismometer; data acquisition; signal monitoring; STM32
文章编号:1671-251X(2018)08-0100-05
DOI:10.13272/j.issn.1671-251x.2018010002
收稿日期:2018-01-02;
修回日期:2018-05-05;
责任编辑:张强。
基金项目:中央高校基本科研业务费专项项目(ZY20160104);中国地震局地震科技星火计划项目(XH14072)。
作者简介:蔡建羡(1978-),女,河北衡水人,副教授,博士,主要研究方向为控制理论与工程,E-mail:caijianxian@cidp.edu.cn。通信作者:缪杰(1992-),男,江苏淮安人,硕士研究生,研究方向为灾害监测技术与仪器,E-mail:13231693174@163.com。
引用格式:蔡建羡,缪杰,姚振静,等.多通道微震信号采集系统设计[J].工矿自动化,2018,44(8):100-104.
CAI Jianxian, MIAO Jie, YAO Zhenjing,et al. Design of acquisition system of multi-channel microseismic signal[J].Industry and Mine Automation,2018,44(8):100-104.
微震是指由于岩体的破裂或者流体的扰动引起的微小震动事件,这种微震信号被多个领域广泛应用[1]。微震监测原理:当地下岩体发生应力变化并产生破裂时,会产生一种微弱的地震波信号,向各个方向传播,通过分布在不同方位的地震计同时采集微震信号,得到微震信号的到达时间、传播方向等信息,然后通过上位机分析处理,判断地质灾害发生的可能性及位置[2-3]。微震信号的完整性直接决定着微震监测分析结果的正确性,决定能否及时发现且避开矿井中存在的危险[4]。
20世纪80年代我国才开始着手研究微震监测相关技术[5-6],国内诸多企业开始是到国外采购微震监测系统并且学习国外的先进技术[7]。2003年,国内科研人员和澳大利亚微地震监测系统科研团队合作,共同研制成了我国第1套用于井下监测的微地震监测仪器,可对不同方位采集的微震信号进行处理分析,但当时处理器性能低下,数据处理速度较慢[8]。发展至今,微震监测技术受到越来越多的科研人员的重视,国内诸多的矿山企业、高校和科研单位都在积极研究微震数据采集、处理和传输技术[9],如北京科技大学研发的BMS微地震监测系统等。但现用的监测设备多为数据采集卡与工控机配套组成[10]的设备,在实际应用中存在许多工程问题,如设备昂贵,不适合大量铺设;设备不具备普遍适用性,不能应用于不同的作业现场等[11]。针对这些问题,笔者设计了基于STM32的多通道微震信号采集系统。该系统能够准确采集、记录井下高频地震计拾取的3个通道的微震信号,并通过串口或者以太网将数据实时发送给上位机处理分析。系统能够适应井下不同环境,数据采集模块稳定性好、体积小、存储容量大。
多通道微震信号采集系统整体框架如图1所示,系统以STM32为主控芯片,由CS3301放大电路、CS5372 AD转换电路、CS5376数字滤波电路、SD卡存储电路、GPS电路等组成,其中采集电路有3个输入通道,用于采集地震计拾取的东西向(X方向)、南北向(Y方向)及垂直向(Z方向)的地震信号。地震计采用井下高频地震计FZ-1,其幅频特性为1~200 Hz,灵敏度为1 000 V/(m·s-1),适合监测震级微小的地震。通常情况下,地震计采集到的信号十分微弱,无法直接对其进行处理,需要对信号进行放大,再经过AD转换、数字滤波后通过SPI传输给STM32芯片。STM32再将滤波后的信号通过USART实时发送给上位机分析处理,同时把数据保存到SD卡中。

图1 多通道微震信号采集系统整体框架
Fig.1 Overall framework of acquisition system of multi-channel microseismic signal
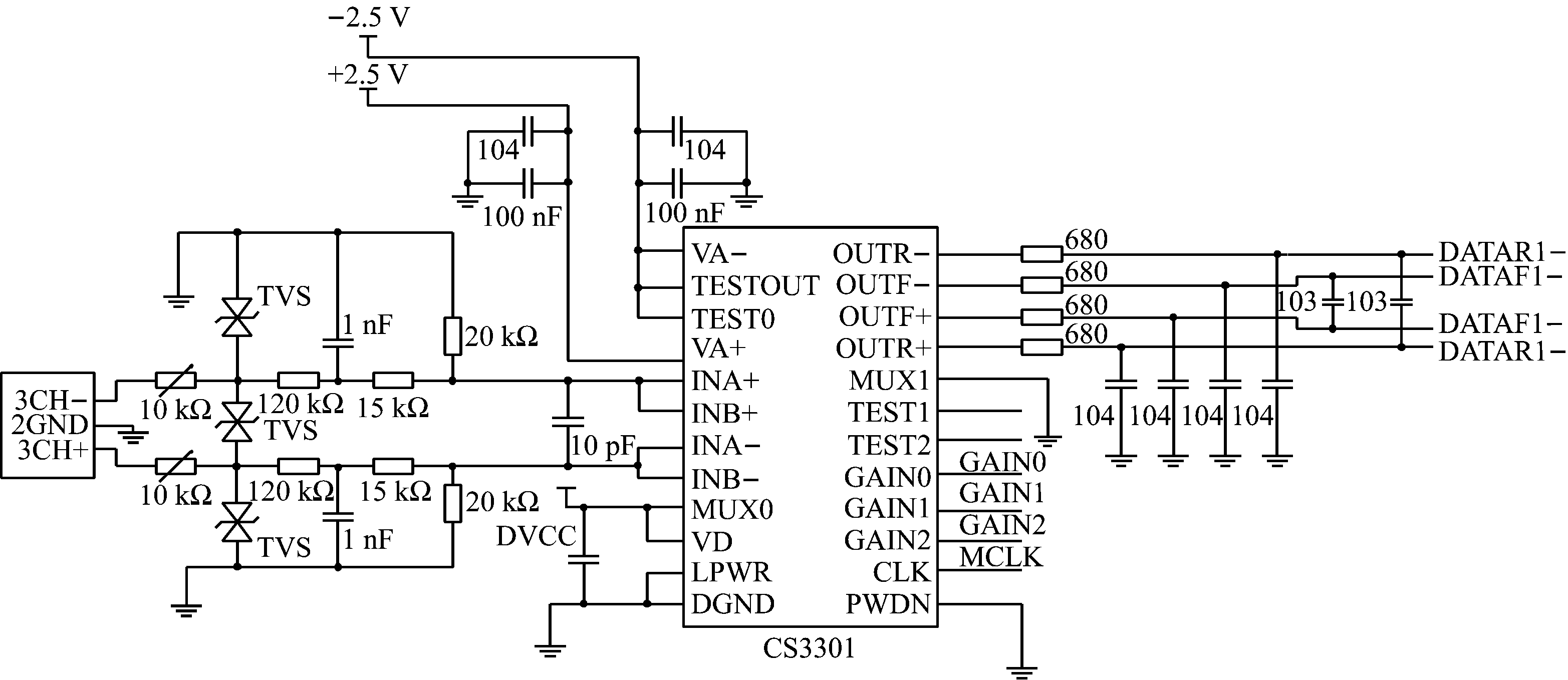
微震信号通过地下岩体层层传播后,地震计拾取到的信号已经变得十分微弱,如果不进行增益放大,就会导致无法获得完整的微震信号,因此,先将采集到的信号进行放大处理,再进行AD转换[12]。对于不同情况的实际监测场地,可以通过软件设置放大增益系数。CS3301芯片是一个低噪声差分输入、差分输出,具有1~64倍放大范围的可编程增益放大器,噪声性能好,且具有极小的总谐波失真,非常适用于微弱信号监测,所以,采用CS3301芯片作为前段放大器,放大电路如图2所示。

图2 放大电路
Fig.2 Amplifier circuit
为了消除高频噪声带来的影响,在CS3301芯片输入信号口设计RC滤波电路进行放大前的预滤波处理。差分信号INA+与INA-之间连接电容,可以进一步消除高频差模噪声。此外,接口处使用TVS二极管组成限压电路,可以抑制外界引起的浪涌电压,保护芯片不被烧毁[13]。CS3301的输出管脚OUTR与OUTF的输出信号还需要进行RC滤波,防止CS5372进行A/D采样时发生频率混叠。增益放大系数由3个管脚GAIN0、GAIN1和GAIN2共同决定。
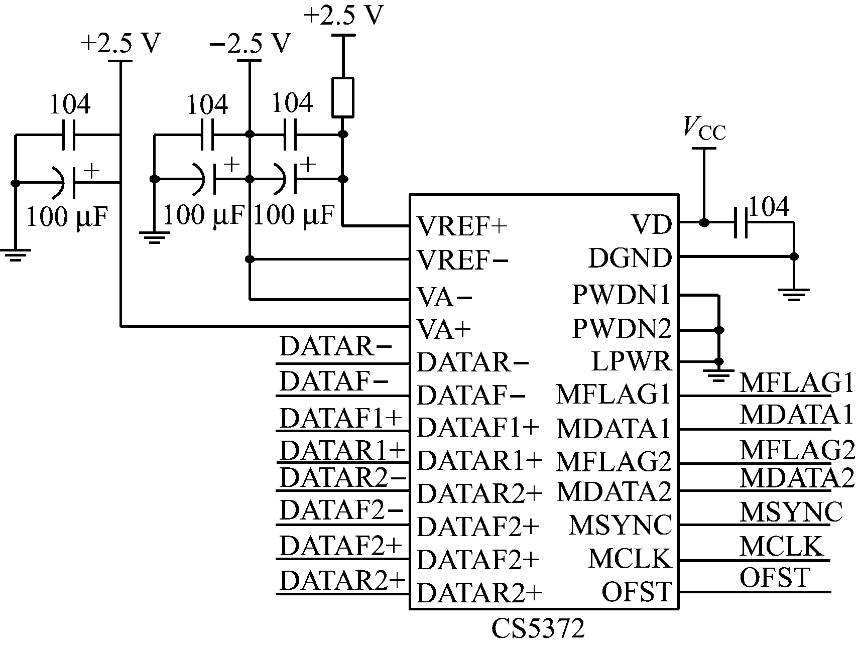
CS3301放大后输出的信号仍然是模拟信号,无法被数字处理器所识别处理,因此,需要设计AD转换电路,在AD转换器中进行模数转换,AD转换电路以CS5372为核心,如图3所示。CS5372芯片为具有高动态范围、低功耗、高性能的模数转换芯片,其动态范围可达121 dB,具有极低的总谐波失真(小于-118 dB)和较强的微弱信号监测能力,模数转换位数为24位。CS5372作为前端采集电路的AD芯片,可与CS5376数字滤波器组合使用,组成具有较高分辨率的AD测量系统。

图3 AD转换电路
Fig.3 AD conversion circuit
CS5372芯片需要±2.5 V的模拟电源、3.3 V数字电源及±2.5 V基准电压驱动,并且VA-管脚必须与VREF-管脚连接。在图3中,MFLAG是超量程标志位,高电平表示调制器由于模拟输入过大而不稳定。MDATA是AD转换的输出信号,其输出采用比特串行数据流的方式,位流的速率为512 kbit/s或者216 kbit/s,输出速率根据MCLK的值进行调整。MSYNC和MCLK都由CS5376产生,MCLK给CS5372提供内部主时钟,MSYNC给CS5372提供同步时钟。
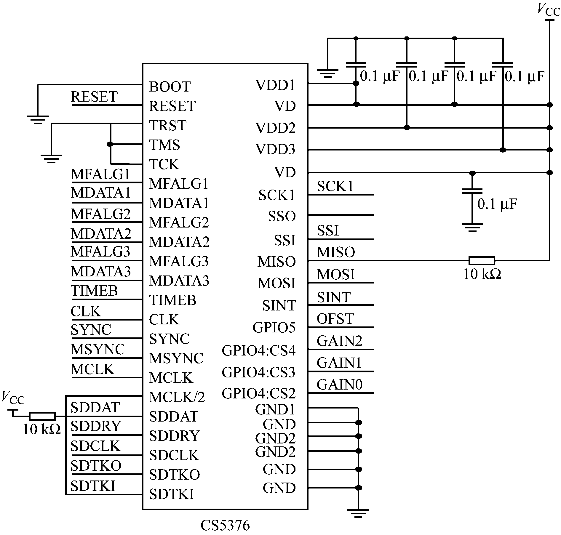
数字滤波电路采用CS5376芯片设计,CS5376芯片是一种低功率、多通道、数字可编程的数字滤波器。CS5376数字滤波器的作用是将CS5372输出的1 bit数据流进行抽取滤波并转换成24 bit数据,同时滤掉通带以外的噪声信号。CS5376主要包括以下模块:抽取滤波模块,用于将1 bit数字流转换成24 bit数据;SPI接口模块,用于和外部控制器通信;SD接口模块,用于传输滤波后的数据;时钟同步模块,用于产生时钟信号MCLK和SYNC,同步外部CS3301与CS5372芯片工作[14]。数字滤波电路如图4所示。

图4 数字滤波电路
Fig.4 Digital filter circuit
CS5376滤波芯片将处理后的数据通过SD接口模块与STM32的SPI口进行数据传输通信。SD接口的管脚及功能[15]见表1。
表1 SD接口管脚及功能
Table 1 SD Interface pin and its functions

CS5376把滤波后的数据存储到其内部的FIFO中, 当FIFO存满数据后,在SDTKI第1个上升沿到来时拉低SDDRY信号,CS5376开始进行数据传输。在串行时钟SDCLK脉冲下,SDDAT不断进行数据发送。当SD端口FIFO中所有的数据被读取后,释放SDDRY信号,并且SDTKO触发100 ns的高脉冲,停止数据传输。
多通道微震信号采集系统软件设计的主要工作是对CS5376滤波芯片进行初始化配置和信号传输控制,使其各项工作参数能够按照不同的实际现场需要进行实时改变。
STM32与CS5376的SPI1端口连接,STM32通过SPI向CS5376的寄存器进行相关配置,不同的寄存器参数可产生不同的控制信号和指令。主要配置的指令:设置主时钟信号MCLK、信号传输通道的个数 、数字滤波器的偏移校正、输出速率大小及滤波阶数等。此外,需要注意的是每条信号之间至少有1 ms的延时时间。针对不同监测环境,设置相应的控制指令。配置指令流程如图5所示。

图5 配置指令流程
Fig.5 Configuration instruction flow chart
为了将采集到的信号实时发送到上位机进行分析处理,STM32与CS5376之间采用外部中断方式、STM32与CS5376之间通过SPI进行数据传输,其中STM32为主机,CS5376为从机,它们之间片选信号为SDDRY。采用外部中断触发进行数据采集,当SDTKI上升沿到来时,拉低SDDRY信号,STM32接收到下降沿信号后,进入外部中断进行数据采集,采集存储一帧数据后,通过USART实时发送给上位机处理分析。外部中断采集流程如图6所示。

图6 外部中断采集流程
Fig.6 External interrupt acquisition flow chart
系统搭建完成并且正常启动后,首先需验证采集系统能否较为完整地拾取不同频率信号的波形数据。使用信号发生器产生10,40 Hz等多种频率正弦信号,并将这些信号连接到系统的采集模块,经测试采集效果良好。
为了进一步验证采集系统采集信号的可靠性,将常用的数据采集器连接到井下高频地震计,再将微震信号采集系统的采集器部分也连接到该地震计上,采样频率都设置为100 Hz。
2个数据采集器都连续记录了同一地震计多天的波形数据,截取两者同一时间段记录的数据进行相关分析比较。为了比较这2组波形数据的相关性,需要借助软件,将2组波形数据按照通道名分别导入软件中,使用mscohere函数对同一通道的2组数据进行相关性分析,得到两者相关系数坐标,相关系数越接近1,表示信号越相似。通道1—通道3相关系数计算结果如图7—图9所示。

图7 通道1相关系数
Fig.7 CH1 correlation coefficient

图8 通道2相关系数
Fig.8 CH2 correlation coefficient

图9 通道3相关系数
Fig.9 CH3 correlation coefficient
采样频率为100 Hz时,只能记录0~40 Hz范围内的波形。结合上述测试结果,在0~40 Hz范围内,2个数据采集器采集到的三通道波形两两之间的相关系数很高,而相关系数越高,表明2组波形越相似,验证了信号采集系统的可靠性,系统可准确地拾取井下高频微破裂地震信号。
基于STM32微处理器与CS5376、CS5372、CS3301芯片搭建的多通道微震信号采集系统,采样速率快,研发成本较低。地震计采集的信号通过放大、AD转换、滤波后发送给STM32处理,STM32将处理后的信号发送给上位机进行分析。利用STM32的SPI、USART、EXIT等外设功能,可实现对信号的实时采集、发送及存储等,时效性高、存储量大,在矿山安全监测领域有很好的应用前景。测试结果表明,该系统稳定可靠,能够较为完整地记录微震波形数据,准确地拾取井下高频微破裂地震信号。
参考文献(References):
[1] 柳云龙,田有,冯晅,等.微震技术与应用研究综述[J].地球物理学进展,2013,28(4):1801-1808.
LIU Yunlong,TIAN You,FENG Xuan,et al.Review of microseism technology and its application[J]. Progress in Geophysics,2013,28(4):1801-1808.
[2] 彭红星,郭威.基于STM32的矿井微震数据采集监测分站[J].仪表技术与传感器,2013(10):67-69.
PENG Hongxing,GUO Wei.Design of mine microseism data acquisition monitoring sub-station based on STM32[J]. Instrument Technique & Sensor,2013(10):67-69.
[3] 张法全,李宗敏,王国富.高动态范围微震信号采集系统设计[J].工矿自动化,2015,41(10):12-15.
ZHANG Faquan,LI Zongmin, WANG Guofu. Design of microseism signal collection system with high dynamic range[J]. Industry and Mine Automation, 2015,41(10):12-15.
[4] 朱超.微震实时在线监测系统的研究与实现[D]. 武汉:武汉科技大学, 2012:1-6.
[5] 李魁.微震监测系统数据采集仪的研究[D].淮南:安徽理工大学,2016:2-5.
[6] 李怀良.复杂山地多波宽频带地震数据采集关键技术研究[D].成都:成都理工大学,2013:1-6.
[7] ZHANG B H, DENG J H. Microseismic monitoring analysis methods for disaster prevention in underground engineering[J]. Disaster Advances, 2012, 5(4):1420-1424.
[8] 姜福兴,XUN Luo.微震监测技术在矿井岩层破裂监测中的应用[J].岩土工程学报,2002,24(2):147-149.
JIANG Fuxing, XUN Luo. Application of microseismic monitoring technology of strata fracturing in underground coal mine[J]. Chinese Jounal of Geotechnical Engineering,2002,24(2):147-149.
[9] 许红杰,夏永学,蓝航,等.微震活动规律及其在煤矿开采中的应用[J].煤矿开采,2012,17(2):93-95.
XU Hongjie,XIA Yongxue,LAN Hang,et al.Application of micro-seismic activity rule in coal mining[J].Coal Mining Technology,2012,17(2):93-95.
[10] 余芳芳,郭来功,李良光.基于STM32F407的微震信息采集系统设计[J].工矿自动化,2014,40(7):9-12.
YU Fangfang, GUO Laigong, LI Liangguang. Design of microseism information collection system based on STM32F407[J]. Industry and Mine Automation,2014,40(7):9-12.
[11] 李兴伟.基于FPGA的微震监测采集站的研究与设计[D].北京:北京建筑大学,2014:11-13.
[12] 郭来功,欧阳名三.一种高精度微震信息采集系统[J].仪表技术与传感器,2013(11):65-69.
GUO Laigong,OUYANG Mingsan. Microseismic acquisition system of high precision[J]. Instrument Technique & Sensor, 2013(11):65-69.
[13] 毛小波,庹先国,李梁,等.一种新型微破裂信号并行采集电路的设计与实现[J].科学技术与工程,2014,14(26):244-248.
MAO Xiaobo,TUO Xianguo,LI Liang,et al.The design and implementation of a new type of micro burst signal acquisition circuit in parallel[J]. Science Technology & Engineering,2014,14(26):244-248.
[14] 董健,马国庆,李守才.基于ARM7与CS5376的三分量采集系统设计[J].测控技术,2016,35(1):53-55.
DONG Jian,MA Guoqing,LI Shoucai.Design of three-component acquisition system based on ARM7 and CS5376[J]. Measurement & Control Technology, 2016,35(1):53-55.
[15] 韦康,邓焱,汪海山.地震勘探数字滤波芯片CS5376与FPGA的接口设计[J].清华大学学报(自然科学版),2009,49(5):692-695.
WEI Kang,DENG Yan,WANG Haishan.Design interface between a seismic exploration digital filter chip CS5376 and an FPGA[J].Journal of Tsinghua University(Science and Technology),2009,49(5):692-695.