分析研究
张子良1,2,3
(1.煤炭科学技术研究院有限公司, 北京 100013;2.煤炭资源高效开采与洁净利用国家重点实验室,北京 100013;3.北京市煤矿安全工程技术研究中心, 北京 100013)
摘要:针对正向浪涌(冲击)抗扰度试验中,本安型传感器直流电源端口电压出现较长时间反向缺口而导致难以实现判据A的问题,以一种典型的矿用本安型甲烷传感器为研究对象,采用ADS仿真软件对组合波发生器、耦合去耦网络和本安型传感器等效电路进行了仿真建模,搭建了本安型传感器直流电源端口浪涌(冲击)抗扰度试验仿真电路,并根据暂态仿真波形分析了试验暂态过程。研究结果表明,本安型传感器直流电源端口电压反向缺口是浪涌保护器件动作引起的二次效应;仿真波形与实际波形一致,验证了暂态分析方法的合理性。
关键词:矿用传感器; 本安型传感器; 甲烷传感器; 本质安全; 电磁兼容; 浪涌(冲击)抗扰度; 暂态分析
矿用传感器作为煤矿安全监测监控系统的终端设备,是煤矿现代化进程中数字矿山和智能矿山的实时数据源头[1]。近几年,矿用传感器在轻量化、数字式、光传感、高精度等方面都得到快速发展,而在抗电磁干扰方面的改进则略显缓慢[2]。随着煤矿井下用电设备功率和工作电压逐渐提高,有限空间内恶劣的电磁环境对传感器的影响变得日益突出[3-4]。
参考文献[5-6]明确要求传感器须进行一系列电磁兼容试验。据统计,在非煤行业产品电磁兼容试验中,通过浪涌(冲击)抗扰度试验并不难[7-8],但在煤矿领域,特别是本质安全(以下简称本安)型设备,以性能判据A通过浪涌(冲击)抗扰度试验是各设备厂家公认的难点,且参考文献[5]对矿用产品抗干扰性能中浪涌(冲击)抗扰度的要求仅为判据B。究其原因,一方面是文献[9-12]中某些安规要求确实不利于浪涌能量的泄放,如浪涌防护的“主通”设计思路与煤矿设备绝缘耐压“主隔”设计要求相冲突等[13];另一方面,各设备厂家技术人员对本安型设备进行浪涌防护设计时,大多直接移植其他领域成熟的防护电路进行试探性测试,对浪涌(冲击)抗扰度试验机理研究很少,对整个试验的暂态过程缺乏了解,往往是低电压等级试验在多次尝试后可通过,但难以提高试验电压等级或达到判据A。
本文以一种典型的矿用本安型甲烷传感器(最高输入电压为DC22.5 V,最大工作电流为70 mA,等效电容为1 μF,等效电感为1 μH)为例,针对传感器浪涌(冲击)抗扰度试验中的整改难点,利用ADS仿真软件对试验暂态过程进行仿真分析,剖析试验现象本质,以便在矿用设备浪涌(冲击)抗扰度试验中能够快速、准确地定位并解决问题。
根据文献[14-15],具体的本安型传感器浪涌(冲击)抗扰度试验如下。
本安型传感器单机浪涌(冲击)抗扰度试验布置如图1所示。传感器为被试设备(Equipment under Test,EUT),稳压源和分站为辅助设备(Auxiliary Equipment,AE),其中稳压源为传感器供电,分站用于验证传感器的通信情况。试验采用发生器直接注入方式进行。

图1 浪涌(冲击)抗扰度试验布置
Fig.1 Arrangement of surge immunity test
通电后,在未施加干扰的情况下,应确保EUT和AE均可正常稳定工作(即传感、传输、显示等功能正常)。本试验中EUT的异常现象通过自身状态及分站与传感器显示值是否相符来判断。
本安型传感器直流电源端口试验和信号端口试验电压均为线-线1 kV(3级),正负各5次,脉冲间隔时间为1 min。EUT布置应符合GB/T 17626.5—2008《电磁兼容 试验和测量技术 浪涌(冲击)抗扰度试验》第7章的规定。
试验方法:① 进行直流电源端口试验时,选取1.2/50 μs组合波发生器,采用发生器直接注入的试验方法,干扰信号施加在传感器直流电源的正负线间,实现线-线耦合;② 进行信号端口试验时,选取1.2/50 μs组合波发生器及非对称信号线的耦合去耦网络,采用避雷器耦合,干扰信号施加在传感器信号线CANH,CANL间,实现线-线耦合。
在试验过程中,EUT未出现死机、复位、掉电、损坏现象;数据通信未见异常;未出现误报警、异常大数、显示乱码现象,同时分站显示值与传感器相符。
评定等级分为4类:① 判据A。试验期间,EUT性能水平无任何异常。② 判据B。EUT性能水平在试验期间出现下降或失效,但试验结束后无需人为干预即可自行恢复正常性能水平。③ 判据C。EUT性能水平在试验期间出现下降或失效,且试验结束后必须接受人为干预才可恢复正常性能水平。④ 判据D。EUT性能水平在试验期间出现下降或失效,试验结束后,即使人为干预也无法恢复正常性能水平。
本安型传感器浪涌(冲击)抗扰度试验结果见表1。可见该传感器信号端口已全部达到判据A,但在直流电源端口试验中,试验电压为+1 kV(正向浪涌)时传感器出现复位重启,只能达到判据B。本文针对传感器直流电源端口试验现象进行剖析,为后续整改提供依据。
表1 本安型传感器浪涌(冲击)抗扰度试验结果
Table 1 Experiment result of surge immunity test for intrinsically safe sensor

启用示波器对传感器直流电源端口电压进行监测,波形如图2所示。可看出在施加+1 kV试验电压时,传感器直流电源端口电压升高,在持续40 μs后突然变成负向电压,且持续了500 μs,拉低了稳压源输出电压。

图2 传感器直流电源端口电压波形
Fig.2 Voltage waveform of sensor DC power port
为了验证示波器波形的正确性并分析试验现象的本质原因,采用ADS仿真软件对整个试验过程进行暂态分析。
首先参照文献[15]中组合波发生器电路原理搭建组合波发生器仿真电路,如图3所示。其中SRC1为高压直流源,SWITCH1和SWTICHV1为开关,SRC2为SWTICHV1的触发控制源,Cc为储能电容,Rm为阻抗匹配电阻,Lr为上升时间形成电感,Rs1,Rs2为脉冲持续时间形成电阻。然后以文献[15]给出的开路电压和短路电流波形参数为设计目标,利用ADS软件对组合波发生器仿真电路中各元件参数进行模拟仿真和验证,以此确定元件参数的最优值。优化后的元件参数:Cc=10 μF,Rm=1.4 Ω,Lr=9 μH,Rs1=9 Ω,Rs2=20 Ω。

图3 组合波发生器仿真电路
Fig.3 Simulation circuit of combination wave generator
组合波发生器仿真波形如图4所示。其中开路电压波形波前时间为1.23 μs、半峰值时间为49.8 μs,短路电流波形波前时间为8.24 μs、半峰值时间为22.8 μs,有效输出阻抗为2.01 Ω,符合文献[15]对组合波发生器波形及阻抗的要求(开路电压波形波前时间为1.2×(1±30%) μs,半峰值时间为50×(1±20%) μs;短路电流波形波前时间为8×(1±20%) μs,半峰值时间为20×(1±20%) μs;有效输出阻抗为2×(1±10%) Ω),可保证后续仿真的正确性。

(a) 开路电压

(b) 短路电流
图4 组合波发生器仿真波形
Fig.4 Simulation waveform of combination wave generator
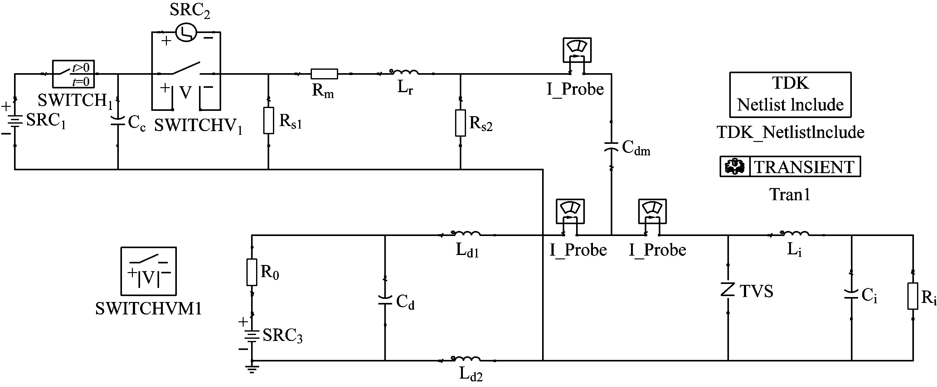
将组合波发生器、耦合去耦网络和传感器等效电路作为一个整体结构,利用ADS软件进行电磁暂态仿真计算。本安型传感器直流电源端口浪涌(冲击)抗扰度试验仿真电路如图5所示。SRC3为稳压源,为传感器供电,其电压Vdc=22 V,内阻R0=2 Ω。去耦电路中Cd=30 μF,Ld1=Ld2=1.5 mH,其对于含有丰富高频成分的浪涌干扰具有较高的阻抗,可使绝大多数能量进入EUT一侧,从而对AE起保护作用。组合波发生器电路与图3一致,线-线耦合电容(差模)Cdm=18 μF。本安型传感器的等效电路为LRC电路,Ci为等效电容,Li为等效电感,其参数分别取自传感器的本安参数;Ri为等效输入电阻,由本安参数最大输入电压/最大工作电流计算得出;TVS为传感器供电端防护器件。通过统计笔者所在企业20余种本安型传感器的本安参数,选择Li=1 μH,Ci=1 μF,Ri=500 Ω作为本安型传感器等效电路的典型值进行仿真计算。

图5 本安型传感器直流电源端口浪涌(冲击)抗扰度试验仿真电路
Fig.5 Simulation circuit of surge immunity test at DC power port of intrinsically safe sensor
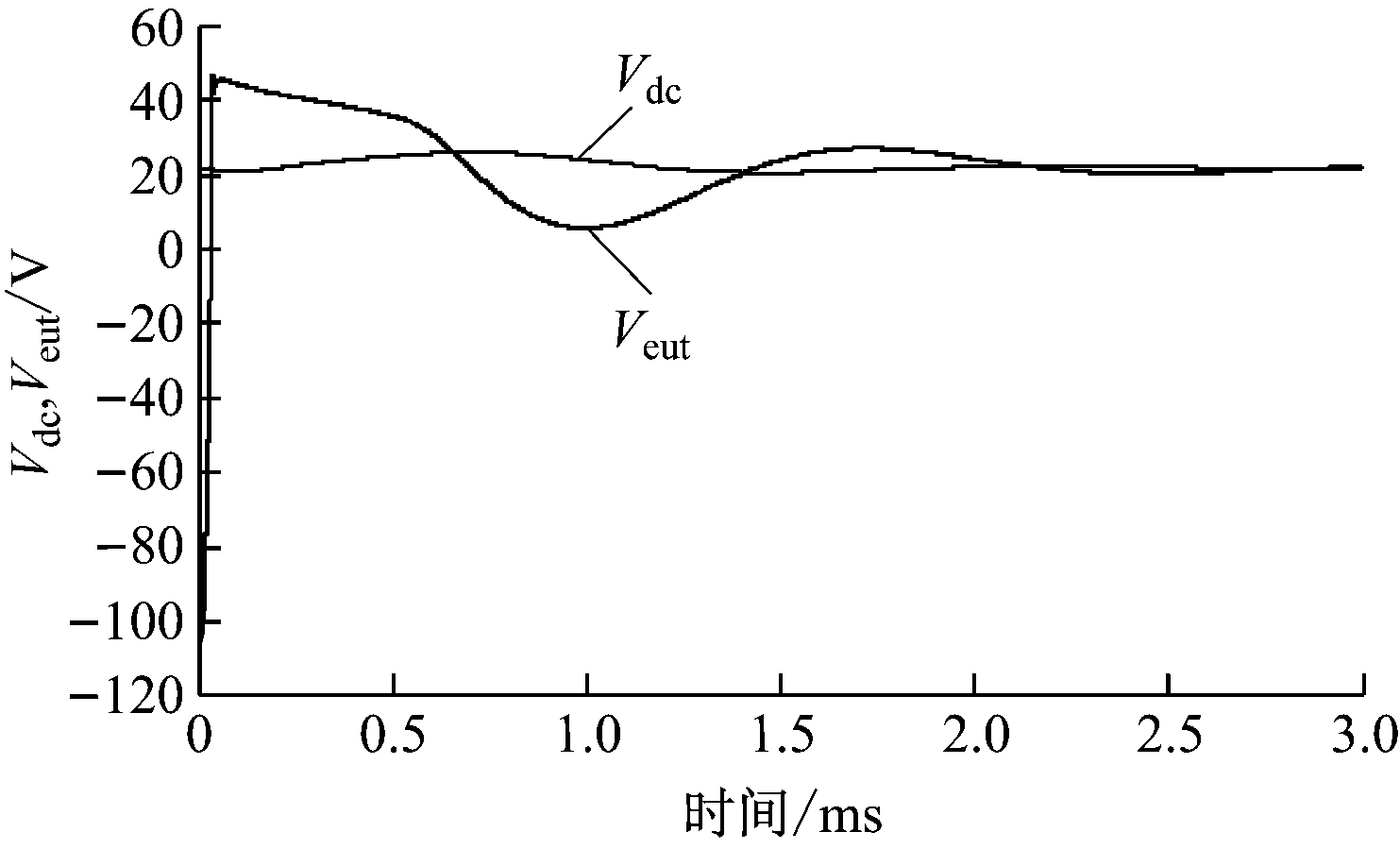
试验电压为+1 kV时本安型传感器浪涌(冲击)抗扰度试验仿真波形如图6所示。传感器直流电源端口电压Veut在31.42 μs时出现了反向,持续近500 μs;稳压源输出电压Vdc在549.8 μs时降至8.549 V。与示波器波形不同的是,仿真波形中传感器直流电源端口电压峰值达107.7 V,而示波器捕捉电压峰值为35 V左右,这是因为ADS仿真软件库中的TVS比实际TVS反应速度慢,导致部分浪涌波头通过,造成仿真峰值偏高,但该峰值并不影响试验的暂态分析。总体来说,仿真波形与示波器波形基本一致,说明实际试验结果正确,传感器直流电源端口电压确实出现了反向缺口,且以LRC电路作为传感器等效电路进行暂态仿真分析是合理的。

图6 试验电压为+1 kV时仿真波形
Fig.6 Simulation waveform at test voltage of +1 kV
为分析电压反向缺口产生的原因,将0~200 μs段仿真波形放大,并添加组合波发生器输出端口电压Vs和TVS电流Itvs参数进行仿真,结果如图7所示。TVS端电压与传感器直流电源端口电压Veut相等,Veut和Itvs在6.362 μs同时达到峰值后开始回落,在28.56 μs时完全关断;耦合电容Cdm的端电压Vc经历了从充电到放电的过程,在28.30 μs时达到峰值。

图7 0~200 μs仿真波形
Fig.7 Simulation waveform in 0~200 μs
当组合波发生器开关闭合后,仿真试验的暂态过程如下。浪涌干扰通过耦合电容Cdm耦合至EUT,该过程中Cdm从初始电压-22 V(直流电源电压)开始充电,因耦合电容电压Vc不能突变,浪涌高压相当于瞬间施加在传感器直流电源两端。此时TVS迅速动作,呈现低阻抗将高压钳位,同时产生瞬态大电流。电流回流经组合波发生器快速给Cdm充电,当Cdm充电达到峰值后开始反向放电,此时传感器端电压迅速下降并反向增大,TVS反向钳位。随着Cdm逐步放电,传感器直流电源端口电压逐步回升,在500 μs左右恢复正向。
从以上暂态分析可看出,在传感器正向浪涌(冲击)抗扰度试验中,示波器捕捉的传感器直流电源端口电压反向缺口是由浪涌保护器件动作引起的二次效应。找到了问题原因,即可有针对性地采取措施解决传感器复位问题,实现判据A。
试验电压为-1 kV时本安型传感器浪涌(冲击)抗扰度试验仿真波形如图8所示。该波形优于+1 kV试验电压时的波形,传感器直流电源端口电压最高约为46 V,且持续时间很短,反向缺口持续时间不到36 μs,比较容易达到判据A。

图8 试验电压为-1 kV时仿真波形
Fig.8 Simulation waveform at test voltage of -1 kV
(1) 耦合去耦网络作为浪涌耦合通道,其18 μF耦合电容产生的负面影响是本安型传感器低容值、低感值无法抗衡的,试验时对EUT的影响非常显著。
(2) 将组合波发生器电路、耦合去耦网络和传感器等效电路作为一个整体结构进行仿真,能更真实地评价传感器性能。经分析,正向浪涌(冲击)抗扰度试验中的电压反向缺口是耦合去耦网络与TVS共同作用产生的。仿真结果与实测结果的一致性验证了试验暂态仿真分析的合理性。
(3) 由于煤矿产品具有特殊性,直接移植其他领域成熟的浪涌防护技术或电路并不可行,仔细分析暂态过程、充分了解影响机理才会使整改更加具有针对性。
参考文献(References):
[1] 陈媛媛.传感器在煤矿中的应用研究[J].煤炭技术,
2014,33(3):113-114.
CHEN Yuanyuan.Application study of sensor in coal mine[J].Coal Technology,2014,33(3):113-114.
[2] 胡晨浩.煤矿井下传感器的研究及应用[J].机械管理开发,2016,31(4):72-74.
HU Chenhao.Analysis and application of sensors under the coal mine[J].Mechanical Management and Development,2016,31(4):72-74.
[3] 孙继平,潘涛,田子建.煤矿井下电磁兼容性探讨[J].煤炭学报,2006,31(3):377-379.
SUN Jiping,PAN Tao,TIAN Zijian.Study on electromagnetic compatibility in coal mine[J].Journal of China Coal Society,2006,31(3):377-379.
[4] 王丹.煤矿井下电力电子设备电磁干扰的研究[D].上海:上海交通大学,2009.
[5] 孙继平.AQ 6201—2017《煤矿安全监控系统通用技术要求》(报批稿)[J].工矿自动化,2017,43(7):1-6.
SUN Jiping.AQ 6201-2017General Technical Requirements of Coal Mine Safety Monitoring System(draft for approval)[J].Industry and Mine Automation,2017,43(7):1-6.
[6] 国家煤矿安监局关于印发《煤矿安全监控系统升级改造技术方案》的通知[J].煤质技术,2017(1):71-72.
[7] 朱文立,陈燕,肖猛,等.电磁兼容设计与整改对策及案例分析[M].北京:电子工业出版社,2012.
[8] 钱振宇.3C认证中的电磁兼容测试与对策[M].北京:电子工业出版社,2004.
[9] GB 3836.4—2010 爆炸性环境 第4部分:由本质安全型“i”保护的设备[S].
[10] MT 209—1990 煤矿通信、检测、控制用电工电子产品通用技术要求[S].
[11] MT 210—1990煤矿通信、检测、控制用电工电子产品基本试验方法[S].
[12] 国家煤矿安全监察局.煤矿安全规程[M].北京:煤炭工业出版社,2005.
[13] 张子良.煤矿安全监控系统浪涌防护技术研究[J].工矿自动化,2018,44(1):40-43.
ZHANG Ziliang. Research on surge protection technology of coal mine safety monitoring system[J].Industry and Mine Automation,2018,44(1):40-43.
[14] IEC 61000-4-5 ed3-2014 Testing and measurement techniques-surge immunity test[S].
[15] GB/T 17626.5—2008 电磁兼容 试验和测量技术 浪涌(冲击)抗扰度试验[S].
ZHANG Ziliang1,2,3
(1.China Coal Research Institute, Beijing 100013, China; 2.State Key Laboratory of High Efficient Mining and Clean Utilization of Coal Resources, Beijing 100013, China; 3.Beijing Mine Safety Engineering Technology Research Center, Beijing 100013, China)
Abstract:For problem that it was difficult to achieve evaluation grade A due to a long time reverse gap in DC power port voltage of intrinsically safe sensor in positive surge immunity test, taking a typical mine-used intrinsically safe methane sensor as research object, simulation models of combination wave generator, coupling-decoupling network and equivalent circuit of the sensor were established in ADS simulation software as well as a simulation circuit of surge immunity test at DC power supply port of the sensor. Transient process of the test was analyzed according to transient simulation waveform. The research results show that the reverse gap in DC power port voltage of the sensor is the secondary effect caused by surge protection component, and simulation waveforms are the same as the actual ones, which verify rationality of the transient analysis method.
Key words:mine-used sensor; intrinsically safe sensor; methane sensor; intrinsic safety; electromagnetic compatibility; surge immunity; transient analysis
中图分类号:TD68
文献标志码:A
网络出版地址:http://kns.cnki.net/kcms/detail/32.1627.TP.20180629.1512.001.html
文章编号:1671-251X(2018)07-0022-05
DOI:10.13272/j.issn.1671-251x.17323
收稿日期:2018-03-19;
修回日期:2018-06-10;
责任编辑:李明。
基金项目:国家重点研发计划资助项目(2016YFC0801405)。
作者简介:张子良(1985-),男,河北邢台人,助理研究员,硕士,主要研究方向为煤矿安全监控技术、电磁兼容等,E-mail:15158414@qq.com。
引用格式:张子良.本安型传感器浪涌(冲击)抗扰度试验暂态分析[J].工矿自动化,2018,44(7):22-26.
ZHANG Ziliang.Transient analysis of surge immunity test for intrinsically safe sensor[J].Industry and Mine Automation,2018,44(7):22-26.