科研成果
刘磊, 姜在炳, 舒建生
(中煤科工集团西安研究院有限公司, 陕西 西安 710077)
摘要:针对现有煤层气无杆排采设备控制精度和工作效率低,以及排采现场人员劳动强度大等问题,设计了一种液压驱动无杆泵,并基于PLC设计了液压驱动无杆排采控制系统。该系统采用井下压力计监测井底流压,通过PLC对流压实测值和给定值进行比较,并根据所得偏差控制变频器来调节电动机转速,从而调节井底流压;井下液压驱动无杆泵由三通道油管内置动力液管加压后提供的动力液驱动,做往复机械运动,可实现阀体之间上下自动切换,无需人工操作。试验结果表明,该系统可快速、准确地调节井底流压跟随给定值,且超调量小。
关键词:煤层气排采; 有杆排采; 有杆泵; 无杆排采; 无杆泵; 液压驱动无杆泵; 三通道油管; 流压调节
中国现有煤层气排采设备以有杆泵为主[1],常见的有抽油机+管式泵、螺杆泵等。有杆泵在工作运动过程中经常出现杆管偏磨现象,严重时会造成间断性修井作业,影响产气效率。为了克服上述问题,无杆排采设备逐渐应用于煤层气排采领域。目前国内采用的煤层气无杆排采设备主要有电潜泵、射流泵、无杆管式泵等。电潜泵应用较多[2],但大多采用大排量离心泵,在排采后期对产液量的控制精度难以满足生产要求;当有大量气体进入离心泵后,会产生气蚀或气锁现象,造成离心泵工作效率低甚至损坏。射流泵喉管与油管之间的环空与地层相连通,地层流体被抽吸上来与动力液混合后,经该环空排至地面,泵压越高则流速越快,所产生的负压越大,对流体的抽吸作用就越大,抽出的液体越多。射流泵在煤层气排采后期存在能耗高、工作效率低等问题,目前应用较少。无杆管式泵由电动机带动齿轮泵将液压油增压后推动液压缸运动,液压缸将动力液增压后,动力液通过中心管注入井筒并推动管式泵上行,中心管与油管形成的环空将液体举升至地面;液控阀换向时动力液通过环空注入井筒,推动管式泵下行排液,液体进入环空并举升至地面[3]。无杆管式泵在工作过程中,泵体内的运动部件存在漏水、漏油等现象,需要提高地面设备运行的稳定性[4]。本文设计了一种液压驱动无杆泵,可满足煤层气排采后期对产液量的控制要求,降低排采作业能耗,提高设备稳定性。
目前大多数煤层气排采现场采用人工值守方式,现场劳动强度大,信息采集周期长,数据精确度低,需要专业的驻井操作人员通过调整排采设备来改变排采制度,对人员素质和经验要求比较高。本文针对液压驱动无杆泵,采用PLC设计了液压驱动无杆排采控制系统,可更好地满足煤层气井平稳生产的需求。
液压驱动无杆排采控制系统包括PLC控制和液压驱动无杆排采两部分,如图1所示。PLC控制部分包括PLC控制柜、压力计、流量计、变频器、电动机等。液压驱动无杆排采部分包括三通道油管、井下液压驱动无杆泵组、往复式加压泵、驱动液池、井底产出液排水池等。

图1 液压驱动无杆排采控制系统组成
Fig.1 Composition of hydraulic pressure driven rodless drainage control system
系统根据PLC控制柜监测到的压力及流量实时调整电动机转速,从而调节往复式加压泵的泵入驱动液排量,最终调节井底流压。井下液压驱动无杆泵组通过三通道油管(内中外3根油管)与地面驱动液池相连。三通道(内)油管和三通道(中)油管分别与井下液压驱动无杆泵组的阀芯两端相连,形成驱动液回路;三通道(外)油管与井下液压驱动无杆泵组的上下排水阀连接,作为井底液排出通道。加压后的驱动液通过三通道(内)油管到达井下液压驱动无杆泵组的阀芯位置,为上下柱塞提供动力,实现柱塞往返运动。在无杆泵组柱塞运动过程中,泵组加压后打开进水阀并吸入井底液,将井底液通过泵体内置通道挤压到与排水阀连接的三通道(外)油管中,最终将井底液举升至地面排水池。
PLC控制部分主要功能是由PLC控制柜实时调节变频器改变电动机转速,进而调节往复式加压泵的驱动液排量。PLC控制部分的核心为PLC控制柜。
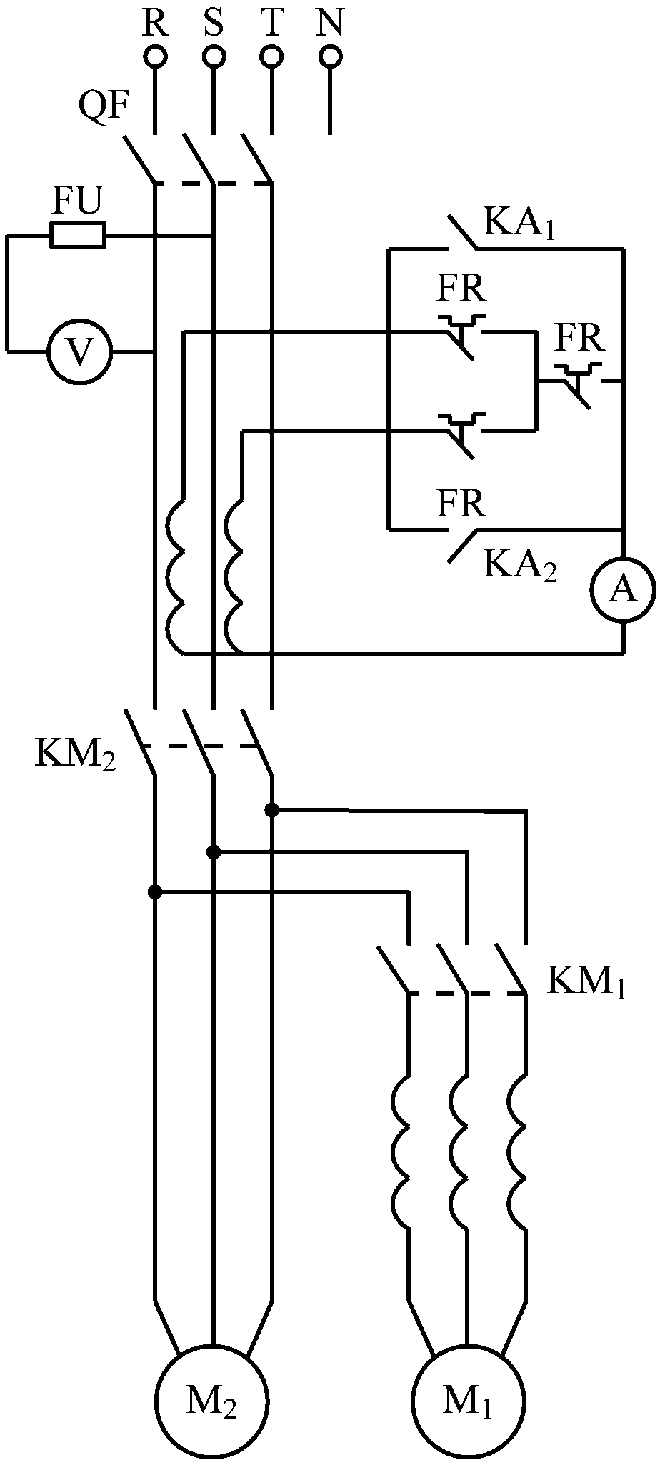
PLC控制柜采用S7-200型PLC设计[5-6],核心电路为PLC控制电路、电动机控制电路,如图2所示。
闭合QF断路器,系统上电。按下触摸显示屏中显示的往复式加压泵启动按钮,PLC接收到信号,触发其程序控制端口0.3,则继电器KA2吸合,使接触器KM2得电,电动机M2启动运转。该过程为电动机热启动,耗时10 s。电动机热启动结束后,PLC程序控制端口0.1触发,带动继电器KA1吸合,使接触器KM1得电,电动机M1启动运转,系统开始工作。

(a) PLC控制电路

(b) 电动机控制电路
图2 PLC柜电路
Fig.2 PLC cabinet circuit
PLC控制部分的软件设计主要以控制变频器频率及泵出口压力为中心展开[7-8]。PLC根据井底流压给定值和实测值的偏差,通过控制变频器频率改变电动机M1转速。PLC运行时,通过触摸显示屏中的自动/手动运行方式选择运行模式。
PLC控制部分主要程序如图3所示。SM0.0表示系统上电;SM0.1表示系统上电初始化;VD304寄存器用于存储PLC接收到的给定值,并将其写入PID模块给定值存储器VD4中。程序利用ATCH中断程序进行响应,通过VD12(增益存储器)、VD20(积分时间存储器)、VD24(微分时间存储器)初始化计算后,由PID模块运算得出VD8(PID输出值)并寄存在VD30中,然后将该PID输出值转换后存入AW0中,作为系统输出值。将测量数据送入PLC 与给定值进行比较得出二者偏差,然后将比较结果送入PID模块进行运算。PLC根据运算结果发出控制指令,控制变频器调节电动机转速。

(a) 系统初始化及中断模块

(b) PID控制模块

(c) 输出模块
图3 PLC控制部分主要程序
Fig.3 Main programs of PLC control unit
液压驱动无杆排采部分的核心设备为液压驱动无杆泵。其主要由泵体、上柱塞、下柱塞、阀体、阀芯、上排水阀、上进水阀、下排水阀和下进水阀组成[9-11],如图4所示。阀芯连接三通道(内)油管,以注入地面驱动液;上下排水阀连接三通道(外)油管,以排除井底产出液。泵体内设有中空通道,由上泵筒和下泵筒组成。上排水阀和上进水阀分别设置于上泵筒顶端,下排水阀和下进水阀分别设置于下泵筒底端。上柱塞设置于上泵筒内,可滑动,能对上泵筒内液体进行泵出和吸入操作[12]。下柱塞设置于下泵筒内,可滑动,能对下泵筒内液体进行泵出和吸入操作[13-14]。阀体设置于上下柱塞之间。

图4 液压驱动无杆泵组成
Fig.4 Composition of hydraulic driven rodless pump
当下柱塞进行半行程运动时,从上进水阀处吸入井底液,并通过泵体中的通道从下排水阀排出,进入三通道(外)油管,从而排出地面;当上柱塞进行半行程运动时,从下进水阀处吸入井底液,并通过泵体中的通道从上排水阀排出,进入三通道(外)油管,从而排出地面。三通道油管内置动力液管加压提供动力液,以支撑上下柱塞反复机械运动,从而实现井下阀体的自动上下切换,无需人工操作。
系统试验装置包括S7-200型PLC、水箱、蓄水池、驱动液水箱、磁力驱动泵、变频器、电动机、压力传感器、三通道油管、液压驱动无杆泵等,如图5所示。水箱采用玻璃材质,水箱和蓄水池之间通过电磁阀补水,水箱通过管路连接传输水流。试验开始时,磁力驱动泵从储水箱中缓慢抽水,压力传感器监测水箱底部压力,并将监测数据传输至PLC,与给定值进行比较,并对得出的偏差进行PID 运算。PLC向变频器发送控制信号,调节电动机转速,实现水箱底部流压按照给定值平稳下降。试验中采用水箱底部流压模拟井底流压。

图5 试验装置
Fig.5 Experiment equipment
经过软硬件调试后,打开全部阀门。共进行2次试验:① 设置流压给定值为1.95 kPa,0 s时启动系统;② 设置流压给定值为1.95 kPa,0 s时启动系统,430 s时将流压给定值改为1.90 kPa。试验结果如图6所示。可看出系统运行后,实测值不断趋近给定值,400 s后2个值趋于相等;改变给定值后,实测值不断趋近给定值,约380 s后2个值趋于相等。可见,系统实测水箱底部流压能够快速、稳定地趋近给定值,且具有较小的超调量。
提出的液压驱动无杆排采控制系统可实现泵组自动往复循环工作,由PLC根据井底流压实测值与给定值的差值及时控制变频器调节电动机转速,平稳控制井底流压达到给定值。系统工作时无需人工操作,可大大降低劳动强度;运行过程中没有运动部件,可消除杆管偏磨现象,降低煤层气井修井作业次数;可控制井底流压快速、准确地趋近给定值,提高排采控制精度和煤层气井生产效率。

(a) 给定值与实测值曲线

(b) 改变给定值后给定值与实测值曲线
图6 试验结果
Fig.6 Experimental test
参考文献(References):
[1] 邢媛媛,李影.高瓦斯矿井瓦斯抽采系统优化研究[J].中州煤炭,2015(5):4-6.
XING Yuanyuan,LI Ying.Study on optimization of gas drainage system of high gassy mine shaft[J].Zhongzhou Coal,2015(5):4-6.
[2] 董振刚,邓辉,王惠先.潜油电泵对煤层气开采的适应性研究[C]//2006年煤层气学术研讨会论文集.北京:地质出版社,2006:182-186.
[3] 谢和平.我国煤炭安全、高效、绿色开采技术与战略[R].北京:中国工程院,2012.
[4] 梅永贵,郭简,苏雷,等.无杆泵排采技术在沁水煤层气田的应用[J].煤炭科学技术,2016,44(5):64-67.
MEI Yonggui,GUO Jian,SU Lei,et al.Application of rodless pump drainage technology to Qinshui coalbed methane field[J].Coal Science and Technology,2016,44(5):64-67.
[5] 袁任光.可编程控制器选用手册[M].北京:机械工业出版社,2002.
[6] 吴爱萍.PLC控制的设计技巧[J].工业控制计算机,2003(2):61-62.
[7] 刘磊,王伟峰.远距离注浆管路超压保护系统设计[J].工矿自动化,2014,40(3):19-21.
LIU Lei,WANG Weifeng.Design of overpressure protection system for long-distance grouting pipeline[J].Industry and Mine Automation,2014,40(3):19-21.
[8] 王建,孙怀荣,杜艳丽.PLC实用技术[M].北京:机械工业出版社,2012.
[9] 智玉杰,王朝霞,习进路,等.一种新型液压动力无杆采油系统[J].石油钻采工艺,2012,34(6):117-118.
ZHI Yujie,WANG Zhaoxia,XI Jinlu,et al.A new hydraulic power assisted rodless oil pumping system[J].Oil Drilling & Production Technology,2012,34(6):117-118.
[10] 赵骞,陈磊,温卫东.无杆管式泵在郑试1平-5水平井组的应用[J].化工管理,2016(17):102-103.
[11] 刘伟.水基液压双作用无杆采油系统[J].中国石油和化工标准与质量,2013,33(8):53.
[12] 席川.基于无杆活塞缸的液压-机械复合传动装置研究[D].苏州:苏州大学,2007.
[13] 姚春东,李淑英.新型液力抽油装置的液压驱动系统[J].液压气动与密封,2007(5):38-40.
YAO Chundong,LI Shuying.Hydraulic driving system of a new type of pumping oil installation[J].Hydraulics Pneumatics & Seals,2007(5):38-40.
[14] 王晓英.新型无杆举升技术[J].中国石油和化工标准与质量,2011,31(8):128.
LIU Lei, JIANG Zaibing, SHU Jiansheng
(CCTEG Xi'an Research Institute, Xi'an 710077, China)
Abstract:For low control precision and work efficiency of existing rodless drainage equipments of coalbed methane and large labor intensity in drainage field, a hydraulic pressure driven rodless pump was designed as well as a hydraulic pressure driven rodless drainage control system based on PLC. The system uses underground pressure transmitter to measure bottom-hole flow pressure and PLC to control inverter to adjust motor speed through comparing measured flow pressure with the set one, so as to adjust bottom-hole flow pressure. The hydraulic pressure driven rodless pump does reciprocating motion, which is driven by power fluid in power fluid pipe of three-channel oil pipe, so as to realize automatic up-down switching between valves without labor operation. The experimental result shows that the system can adjust bottom-hole flow pressure to approach the set one quickly and correctly with small overshoot.
Key words:coalbed methane drainage; rod drainage; rod pump; rodless drainage; rodless pump; hydraulic driven rodless pump; three-channel oil pipe; flow pressure adjustment
收稿日期:2018-01-16;
修回日期:2018-06-05;
责任编辑:李明。
基金项目:“十三五”国家科技重大专项资助项目(2016ZX05045002);中煤科工集团西安研究院有限公司科技创新基金资助项目(2017XAYMS19)。
作者简介:刘磊(1989-),男,陕西榆林人,助理研究员,硕士,从事煤层气开发、安全科学与工程技术研究工作,E-mail:602855299@qq.com。
引用格式:刘磊,姜在炳,舒建生.液压驱动无杆排采控制系统设计[J].工矿自动化,2018,44(7):1-5.
LIU Lei,JIANG Zaibing,SHU Jiansheng.Design of hydraulic pressure driven rodless drainage control system[J].Industry and Mine Automation,2018,44(7):1-5.
中图分类号:TD712
文献标志码:A
网络出版地址:http://kns.cnki.net/kcms/detail/32.1627.TP.20180702.1341.002.html
文章编号:1671-251X(2018)07-0001-05
DOI:10.13272/j.issn.1671-251x.2018010047