李科1,随晓娜1,张俊1,张飞飞1,李鹤2,邹威3
(1.国网昌吉供电公司,新疆 昌吉 831100;2.国网宿州供电公司,安徽 宿州 234000;3.武汉中元华电科技股份有限公司,湖北 武汉 430000)
摘要:针对矿井电网附加直流源系统发生单相接地故障时故障线路暂态零序电流的直流分量大于非故障支路的特征,提出了一种基于最小二乘矩阵束算法和Romanovsky准则的矿井电网故障选线方法。采用最小二乘矩阵束算法提取故障暂态零序电流中的直流分量,将各支路的直流分量组成矩阵;再采用Romanovsky准则进行判别:当绝对离差大于临界差时,判为支路故障,剔除数据支路即是故障支路,否则为母线故障。仿真结果表明,该选线方法准确、可靠,具有较强的适应性。
关键词:矿井供电;附加直流源系统;直流分量; 暂态零序电流;故障选线;最小二乘矩阵束;Romanovsky准则
我国矿井电网低压供电系统一般为中性点不直接接地系统。单相接地故障是矿井电网系统中最常见的故障,约占总故障的80%[1-2]。若系统在发生单相接地故障时,未能快速有效地检测出故障线路,导致故障时间过长,不仅会增加人身触电的危险,可能还会产生电火花,甚至会引起瓦斯、火灾、煤尘爆炸等重大安全事故,严重影响煤矿安全生产。因此,在复杂的低压矿井电网系统中能够快速、有效地判断出故障支路具有重要意义。但矿井环境较为恶劣,电压系统漏电机理复杂,且漏电信号微弱,导致选择故障支路比较困难[3]。
目前,我国的矿井漏电保护方法主要有零序过电流保护、零序功率方向保护、零序电压保护、旁路接地保护、三相半波整流漏电保护、附加直流检测式保护原理等方法[4-5]。对这些漏电保护方法进行深入分析比较发现,附加直流检测式保护方法虽然不具有故障支路的选择性,但它比其他几种方法适应性更强,不仅能够覆盖整个矿井电网系统,而且此方法不受故障类型、初相角及故障时间的影响。所以,针对附加直流源系统进行研究的故障选线将会更加有效。但目前的漏电保护方法包括附加直流检测式保护方法都是基于稳态下的故障选线,很难满足矿井低压系统下对保护30 ms内启动的要求,故研究附加直流源系统下单相故障时的暂态信号具有非常实用的意义。
在附加直流源系统下,暂态过程机理比较复杂,不仅有交流量,而且还有直流量,可变量较多,且状态随机[6-7],所以,找准暂态机理中的目标量,并能够准确提取是关键。通过分析矿井电网附加直流源系统单相接地故障,发现故障线路暂态零序电流的直流分量总是大于非故障支路。针对这一特征,本文提出了一种基于最小二乘矩阵束算法和Romanovsky准则的矿井电网故障选线方法,该方法采用最小二乘矩阵束算法提取附加直流源系统下故障暂态零序电流中的直流分量,以进行故障支路的选择。但利用最小二乘矩阵束算法仅能判别出支路故障,无法判别母线故障,且当系统中零序电流较弱时,更容易造成误判。为此,在基于最小二乘矩阵束算法的基础上,根据异常数据判断准则,建立Romanovsky准则的选线判据:当绝对离差大于临界差时,为支路故障,剔除数据支路即是故障支路,否则为母线故障,从而实现故障支路判别。Matlab仿真结果验证了该方法的正确性。
最小二乘矩阵束算法又叫矩阵束算法,是以拉氏变换为基础的一种算法,主要应用在广域测量系统下的在线测量,并可对振荡模态和故障区域进行实时辨识分析[8]。若用复指数形式将采样数据进行衰减线性拟合,再经过适当扩充,就能够快速、准确地得到故障后的信号频率、衰减因子、相位和幅值[9]。
在数值计算理论中,可将矩阵束定义为
f(t,L)=g(t)+Lh(t)
(1)
式中:f(t,L)为g(t),h(t)的约束函数,g(t)和h(t)为t时间内的采样函数,且g(t)不能是h(t)的纯倍数;L为束参数。
设观测值为y(t),在给出观测值y(t)后,如果选择合适的g(t)、h(t)和λ估计值,就可得到极值点的有关信息[10]。
假设信号可以表示为M个具有任意幅值、相位、频率和衰减因子的指数函数线性组合形式,即
y(kΔt)=x(kΔt)+n(kΔt)=
(2)
式中:k=0,1,…,N-1,其中N为最大采样值;Δt为采样时间间隔;n(kΔt)为真实信号组成;Ai为第i个信号的复幅值;Di为第i个信号的衰减因子;Fi为第i个信号的角频率。
令zi=exp((-Di+jFi)Δt),则式(2)可改写为
(3)
令
φ1=

(4)
φ2=

(5)
适当选取L值可更好地滤除噪声,通常情况下,L取值为N/3~N/2[11]。
根据式(4)和式(5)构成矩阵束φ2-λφ1,假设zi为φ2-λφ1的广义特征值[12],那么求解zi就相当于求解[φ1,φ2]的广义特征值,即
φ2bi=ziφ1bi
(6)
式中bi为对应zi的广义特征量。
将式(6)的等式两边同时乘以
可得
(7)
式中:
为φ1的伪逆矩阵(Moore-Penrose);I为常量。
求解zi的过程就是求解
特征值的过程。根据zi=exp((-Di+jFi)Δt),可以得到第i个信号衰减因子Di及第i个信号角频率Fi:

(8)
式中i=1,2,…,M。
信号的复幅值Ai满足方程:

(9)
利用最小二乘矩阵束算法求解式(9),可得到复幅值Ai,进而可以得到第i个信号的相位Pi,即
(10)
Ai=|Ai|
(11)
根据式(8)、式(10)和式(11)即可算出第i个信号的衰减直流分量的幅值、相位、衰减因子和角频率。
利用最小二乘矩阵束算法提取各支路的直流分量,根据直流分量模值的大小进行故障选线,仅适用于系统支路发生故障的情况,若系统出现母线故障,其中各个支路的直流分量差别不大,很难判别是母线故障还是支路故障,故提出了Romanovsky准则。
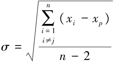
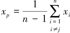
Romanovsky准则又称t分布检验准则[13],它是按t分布的实际误差分布范围来判别粗大误差。设一组检测数据为x1,x2,…,xn,其中任意测量值为xi,假设测量值xj为可疑数据,若剔除可疑数据,则xj需满足|xj-xp|>Kσ。其中,xp为去掉该数据后剩余数据的平均值,Kσ为临界值,K为t分布检验系数[14-15],σ为剩余测量数据实验标准差。
(12)

(13)
若把各支路提取的直流分量组成一个矩阵X=[x1,x2,…,xn],把故障支路对应的直流分量作为可疑数据,利用Romanovsky准则进行判别,选线判据:当|xj-xp|>Kσ时,为线路故障,xj为故障支路,否则为母线故障。
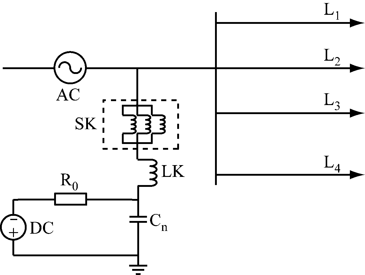
附加直流源系统不仅漏电保护范围极广,而且增加了故障支路的直流量,更容易找到Romanovsky准则中的可疑数据,使Romanovsky准则更加有效。设Uz为附加的直流电压源,SK为三相电抗器,LK为零序电抗器,Cn为隔直电容,R和C分别为系统对地绝缘电阻和对地电容,则传统的附加直流源矿井供电系统如图1所示。
在附加直流源系统的基础上,提取各支路故障状态下零序电流的混合信号,利用最小二乘矩阵束算法提取混合信号中的直流分量,将各支路的直流分量组成矩阵,再利用Romanovsky准则进行判别,实现附加直流源选择性漏电保护。
矿井电网故障选线方法流程如图2所示。

图1 传统的附加直流源矿井供电系统
Fig.1 Traditional mine power supply system with additional DC source

图2 矿井电网故障选线方法流程
Fig.2 Flow of fault line selection method of mine power network
在矿井低压电网系统中主要有3种电压,分别为380,660,1 140V。其中660 V是目前最常用的电压等级[16],故此次仿真选择模拟660 V的矿井供电系统,如图3所示。R0为限流电阻,相对于对地电阻来讲,R0在此可忽略不计。在仿真验证中DC给出的是36 V直流电压,采样频率为2 000 Hz。

图3 矿井供电系统仿真模型
Fig.3 Simulation model of mine power supply system
在660 V矿井电网系统下,为了更好地验证本文提出的新选线方法的可靠性,设线路L1中各相的对地电容与对地绝缘电阻均相等,且分别为0.4 μF和60 kΩ;同样设线路L2中各相的对地电容与对地绝缘电阻均相等,且分别为0.3 μF和60 kΩ;设线路L3中各相的对地电容与对地绝缘电阻均相等,分别为0.3 μF和60 kΩ;设线路L4中各相的对地电容与对地绝缘电阻均相等,分别为0.2 μF和75 kΩ。
算例1:在仿真模型中,假设L3发生单相漏电故障,且A相接地(其中系统过补偿20%,电感为2.345 4 H,初相角为0°,接地电阻为600 Ω)。
设故障发生在0.01 s,各支路零序电流波形如图4所示。

图4 线路故障及过补偿时各支路零序电流仿真波形
Fig.4 Simulation waveform of each branch zero sequence current under condition of line fault with overcompensation
取系统故障后暂态数据即故障后的0.01 s数据,利用最小二乘矩阵束算法得到各支路暂态时的直流分量:IL1=0.031 2 A;IL2=0.024 A;IL3=0.137 3 A;IL4=0.016 3 A,再利用Romanovsky准则计算绝对离差为|xj-xp|=0.113 5;选取置信度为0.005,查询t分布的检验系数K=5.841,可得Kσ=0.043 5<0.113 5,故障为支路故障,则故障支路暂态时直流分量最大的支路为L3。
算例2:在仿真模型中,假设L3发生单相漏电故障,且A相接地(系统欠补偿20%,电感为3.518 1 H,初相角为0°,接地电阻为400 Ω)。
设故障发生在0.01 s,各支路零序电流波形如图5所示。
同理可求得:IL1=0.019 1 A;IL2=0.015 8 A;IL3=0.247 2 A;IL4=0.011 5 A;绝对离差|xj-xp|=0.231 7;Kσ=0.022 3<0.231 7,则故障为支路故障,故障支路为L3。

图5 线路故障及欠补偿时各支路零序电流仿真波形
Fig.5 Simulation waveform of each branch zero sequence current under condition of line fault with under-compensation
算例3:在仿真模型中,假设母线发生单相漏电故障,且A相接地(系统过补偿20%,电感为2.345 4 H,初相角为0°,接地电阻为400 Ω)。
设故障发生在0.01 s,各支路零序电流波形如图6所示。

图6 母线故障及过补偿时各支路零序电流仿真波形
Fig.6 Simulation waveform of each branch zero sequence current under condition of busbar fault with overcompensation
同理可求得:IL1=0.021 5 A;IL2=0.017 7 A;IL3=0.017 7 A;IL4=0.011 5 A;绝对离差|xj-xp|=0.005 9;Kσ=0.020 9<0.005 9,则故障为母线故障。
在复杂的矿井低压电网系统中,每次发生单相接地故障时可能有不同的补偿状态、不同的接地过渡电阻及不同的故障角[17],所以,针对不同的补偿状态、接地过渡电阻及不同的故障角进行仿真验证,以验证该方法在不同情况下的适应性。在过补偿20%状态下的选线结果见表1。 在欠补偿20%状态下的选线结果见表2。Rg为接地电阻,θ为初相角。
从表1和表2可以看出,不管系统处于哪种状态下,其选线结果都准确、可靠,且具有很强的自适应性。
在建立矿井电网附加直流源系统的基础上,提出了基于最小二乘矩阵束算法及Romanovsky准则的矿井电网故障选线方法。该方法利用最小二乘矩阵束算法提取零序电流中的直流分量,并构建基于Romanovsky准则的选线判据。理论分析和大量的仿真实验结果表明,该方法具有较高的适应性和可靠性。
表1 过补偿20%状态下的选线结果
Table 1 Selection line results in condition of 20 percent overcompensation

表2 欠补偿20%状态下的选线结果
Table 2 Selection line results in condition of 20 percent undercompensation

参考文献(References):
[1] 陈忠仁,张波.基于小世界网络模型的补偿电网单相接地故障识别与选线[J].电力系统保护与控制,2013,41(3):86-90.
CHEN Zhongren,ZHANG Bo.Single-phase grounding fault identification and line selection of compensation grid based on small-world network model[J]. Power System Protection and Control,2013,41(3):86-90.
[2] 赵建文,李科,随晓娜,等.多级数据模糊融合选线新方法[J].电力系统及其自动化学报,2016,28(2): 56-60.
ZHAO Jianwen,LI Ke,SUI Xiaona,et al. New fault line selection method of multilevel fuzzy data fusion[J]. Proceedings of the CSU-EPSA,2016,28(2):56-60.
[3] THOMAS N,JEFFREY L K.Technological innovations in deep coal mine power systems[J].IEEE Transactions on Industry Application,1998,34(1):196-204.
[4] 李科.矿井电网新型漏电保护研究 [D].西安:西安科技大学,2016.
[5] 赵建文,侯媛彬.工矿电网漏电保护[M].西安:西安电子科技大学出版社,2013.
[6] 赵建文,尹项根.最小二乘参数识别的矿井电网选漏[J].电气应用,2011,30(8):54-57.
ZHAO Jianwen,YIN Xianggen. Least squares parameter identification of mine leakage[J]. Electrotechnical Application,2011,30(8):54-57.
[7] ZHONG Peisi,SONG Jiandong,LIU Mei.DSM based process analysis for concurrent product development and its implementation[C]// 12th IEEE International Conference on Computer Supported Cooperative Work in Design(CSCWD),2008,Xi'an,2008:619-624.
[8] 赵建文,李科,随晓娜,等.矿井电网漏电保护新方法[J].工矿自动化,2016,42(2):47-50.
ZHAO Jianwen,LI Ke,SUI Xiaona,et al. A new method of leakage protection on mine power system [J]. Industry and Mine Automation,2016,42(2): 47-50.
[9] 康小宁,刘鑫,索南加乐,等.基于矩阵束算法的经消弧线圈接地系统故障选线新方法[J]. 电力系统自动化,2012,36(12):88-92.
KANG Xiaoning,LIU Xin,SUONAN Jiale,et al. New method for fault line selection in non-solidly grounded system based on matrix pencil method[J]. Automation of Electric Power Systems,2012,36(12):88-92.
[10] 索南加乐,王晨清,康小宁,等.基于分布参数频域模型识别的纵联保护原理[J]. 中国电机工程学报,2013,33(10):145-153.
SUONAN Jiale,WANG Chenqing,KANG Xiaoning,et al.Transmission line pilot protection based on frequency-domain model identification of distributed parameter[J]. Proceedings of the CSEE,2013,33(10):145-153.
[11] 康小宁,屈亚军,焦在滨,等.基于最小二乘矩阵束算法的工频分量提取方法[J].电力系统自动化,2014,38(21):66-70.
KANG Xiaoning,QU Yajun,JIAO Zaibin,et al. Power-frequency phasor extraction based on least-square matrix pencil algorithm[J]. Automation of Electric Power Systems,2014,38(21):66-70.
[12] 张亮,张新燕,王维庆.基于改进多信号矩阵束算法的电力系统低频振荡识别 [J].电力系统保护与控制,2013,41(13):26-30.
ZHANG Liang,ZHANG Xinyan,WANG Weiqing. Identification of low-frequency oscillations based on improved multi-signal matrix pencil algorithm[J]. Power System Protection and Control,2013,41(13): 26-30.
[13] 赵建文,刘永佳,梁静,等. 基于改进FastICA及Romanovsky准则的故障选线[J]. 中国电机工程学报,2016,36(19):5209-5217.
ZHAO Jianwen,LIU Yongjia,LIANG Jing,et al. Fault line selection based on improved FastICA and Romanovsky guidelines[J]. Proceedings of the CSEE,2016,36(19):5209-5217.
[14] 隋文涛,张丹.测试数据中粗大误差的判定技术及其软件实现[J]. 电测与仪表,2006,43(11):60-62.
SUI Wentao,ZHANG Dan. Gross error judging technology in test system[J]. Electrical Measurement & Instrumentation,2006,43(11):60-62.
[15] 方薇,杨果林.三轴抗剪强度参数的粗差剔除与指标确定[J].地下空间与工程学报,2015,11(4):879-883.
FANG Wei,YANG Guolin. Gross error elimination and index determination of shearing strength parameters in triaxial test[J]. Chinese Journal of Underground Space and Engineering,2015,11(4):879-883.
[16] 邹有明,张根现,刘士栋,等. 工矿企业漏电保护技术[M].北京:煤炭工业出版社,2004.
[17] 陈志亮,范春菊.基于5次谐波突变量的小电流接地系统选线[J].电力系统及其自动化学报,2006,18(5):37-41.
CHEN Zhiliang,FAN Chunju. Fault line selection for small current neutral grounding system based on the fifth harmonic current mutation in distribution system[J]. Proceedings of the CSU-EPSA,2006,18(5):37-41.
LI Ke1, SUI Xiaona1, ZHANG Jun1, ZHANG Feifei1, LI He2, ZOU Wei3
(1.State Grid Changji Power Supply Company,Changji 831100,China; 2.State Grid Suzhou Power Supply Company,Suzhou 234000,China; 3.Wuhan Zhongyuan Huadian Science & Technology Co.,Ltd.,Wuhan 430000,China)
Abstract:In view of characteristics of DC component of transient zero-sequence current in fault lines is larger than that of normal lines when additional DC source system of mine power network occurrs single-phase earth fault,a fault line selection method of mine power network based on least-square matrix pencil algorithm and Romanovsky criterion was presented. The method uses least-square matrix pencil algorithm to extract DC component of transient zero-sequence current,and the DC component of each line is formed matrix. Then,it uses Romanovsky criterion to judge fault. If the absolute dispersion is larger than the critical dispersion,it is the line fault,the rejected data branch is the fault line,otherwise it is the buses fault. Simulation results show that the method is accurate,reliable with high adaptability.
Key words:mine power supply; additional DC system;DC component; transient zero-sequence current; fault line selection; least-square matrix pencil;Romanovsky criterion
收稿日期:2018-01-09;
修回日期:2018-03-29;
责任编辑:张强。
作者简介:李科(1987-),男,河南商丘人,工程师,硕士,研究方向为电力系统故障检测、电能质量,E-mail:likefrp@126.com。
引用格式:李科,随晓娜,张俊,等.矿井电网故障选线方法研究[J].工矿自动化,2018,44(5):70-75.
LI Ke,SUI Xiaona,ZHANG Jun,et al. Research on fault line selection method of mine power network[J].Industry and Mine Automation,2018,44(5):70-75.
文章编号:1671-251X(2018)05-0070-06
DOI:10.13272/j.issn.1671-251x.2018010024
中图分类号:TD611
文献标志码:A
网络出版地址:http://kns.cnki.net/kcms/detail/32.1627.TP.20180420.1544.001.html