林引1,2
(1.中煤科工集团重庆研究院有限公司,重庆 400039; 2.瓦斯灾害监控与应急技术国家重点实验室,重庆 400037)
摘要:针对煤矿瓦斯抽放监控系统中瓦斯管道设备及其相关联的电源和通信接口必须满足“ia”安全防爆等级要求,在现有“ib”防爆等级的煤矿瓦斯抽放监控系统基础上,通过增加一种安全等级转换接口对瓦斯管道设备进行了升级改造。详细介绍了具有梯形输出特性的阻性限流的电源转换原理和具有线性输出特性的阻性限流的信号转换原理,并对关键元件的相关参数进行了分析及计算。测试结果表明,该转换接口具有转换效率较高、频率失真小等特点,输出特性满足“ia”安全防爆等级要求。
关键词:瓦斯抽放;瓦斯管道设备;转换接口;“ia”安全防爆等级;梯形输出;阻性限流
2012年之前的瓦斯抽放监控系统中,电气设备的防爆等级一般为“ib”等级[1-3]。瓦斯抽放监控系统中的瓦斯管道设备内部属于爆炸性气体环境连续出现或长时间存在的场所,电气设备采用 “ib”防爆等级已不能满足安全生产需要。因此,2012年,国家矿用产品安全标志中心明确了置于瓦斯管道内的设备及其相关联的电源和通信接口必须满足“ia”安全防爆等级要求[4-5]。然而现阶段针对“ia”安全防爆等级的电源及信号接口电路设计的文献相对较少[6-7]。为解决瓦斯抽放监控系统中电气设备的安全防爆等级与新规定不匹配的问题,本文结合现场实际情况设计了一种适用于现有矿用瓦斯管道设备且满足“ia”安全防爆等级的转换接口,从而完成对现有系统的升级改造。
国内大部分瓦斯抽放监控系统生产厂家的传感器设备采取了从监控分站处取电的供电方式,其供电电压一般为18,21,24 V,本安电源的输出功率在10 W左右[8]。而传感器设备的工作电压范围为9~24 V,功率一般在2 W以内[9]。由于传感器后续电路中的电容值会超过本安电源的输出电容值,需在转换接口输入端串联3个二极管并对电源部分进行整体浇封安全处理。因此,综合考虑上述因素,将转换接口的电源输出电压设定为12 V,电流设定为0.2 A。传感器设备的通信方式有频率通信和RS485通信2种,其输出电压峰值不会超过9 V,峰值电流不会超过50 mA。
转换接口主要包括电源转换电路和信号转换电路,如图1所示。电源转换电路包括限流电路、储能电路、反激及限能电路3个部分,信号转换电路主要为限能电路。电源转换电路中由于储能电路的存在,容易导致电路启动电流过大,从而引起输入本安电源保护。因此,在转换接口的输入端需增加限流电路。电源转换电路的主拓扑采用反激拓扑结构,可实现升压、降压变换,从而保证输出稳定的直流电压。

图1 转换接口结构
Fig.1 Structure of conversion interface
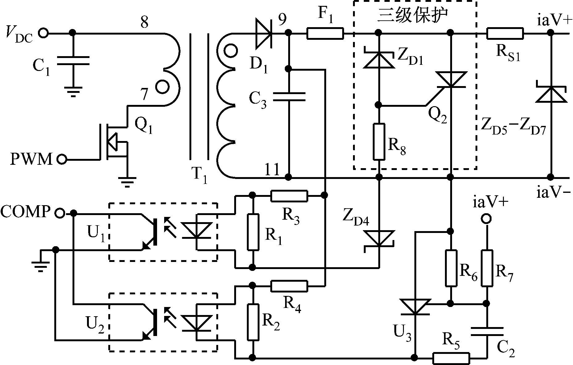
反激及限能电路采用两级电压反馈的反激拓扑与输出前后两级限压的方式,如图2所示。限流电路采用阻性电阻限流,因此,电路设计满足“ia”安全防爆等级设计要求。其工作原理:当输出电源所带负载的电流值小于0.2 A时,输出额定电压值PWM调制的占空比主要由稳压比较器U3、电阻R6、R7决定,输出电压稳定在设定值12 V,其最高输出电压值由ZD5—ZD7的稳压值决定;当负载电流大于0.2 A时,限流电阻RS1上的压降增大,此时PWM调制的占空比由稳压二极管ZD4、电阻R3决定,其输出的最高电压值Vmax为ZD1的稳压值和Q2的触发电压值之和,最大输出电流值为Vmax/RS1。

图2 反激及限能电路
Fig.2 Flyback and energy limiting circuits
由于信号能量相对较小,所以,限能电路中采用具有线性输出特性的保护电路,具体电路如图3所示,由保险丝F2与稳压二极管ZD8—ZD13组成三级限压电路,由电阻RS2对输出电流进行限制,电路满足“ia”等级安全设计要求。信号转换电路保护原理:一旦本安输出端出现过压,限压稳压管将迅速导通,其最高电压将限制在VZ+0.8 V,VZ为限压稳压管击穿电压;若本安输出端发生短路,由于RS2的限流作用,输出的最大电流为(VZ+0.8 V)/RS2。

图3 限能电路
Fig.3 Energy limiting circuits
在电路中,输出能量的限制主要由保险丝、可控硅、稳压二极管、限流电路等关键元件决定,这些元件的性能和功耗必须满足GB 3836.4—2010标准中的要求[10]。因此,下面对这些关键元件的相关参数进行分析和计算。
电源额定输出电压为12 V,电源转换电路中稳压二极管ZD5的限压值应至少高出额定电压值2 V,考虑5%的偏差,则限压值范围为13.3~14.7 V。因此,电源最高输出电压为14.7 V。为提高电源效率,限流电阻RS1应尽可能小且满足式(1)和式(2):
V1max≥V0max+RS1I0
(1)
(2)
式中:V1max为前级最大电压值;V0max为输出最大电压值;I0为输出额定电流值;Iia为输出14.7 V时的本安限流值,本设计中限制在0.8 A。
根据式(1)、式(2)计算出限流电阻值为24.5 Ω。V1max至少为19.6 V,因此,ZD1选用18 V稳压二极管,考虑5%的偏差及可控硅1 V的最高电压值,则实际V1max为19.9 V。由式(2)重新计算得限流电阻值为24.9 Ω,考虑偏差,实际选用27 Ω电阻。因此,电源输出电流的最大值为19.9/(27×0.98)=0.75 A。
流过稳压二极管ZD5的最大功率为(19.9-13.3)×13.3/27=3.25 W,考虑1.5倍安全系数,稳压二极管的最大功耗应该为4.9 W,实际选用5 W稳压二极管。
限流电阻的最大功耗为19.9×19.9/27=14.7 W,考虑1.5倍安全系数,则限流电阻的最大功耗应该为22 W。如此大功率的电阻不仅会增加产品的成本,而且会使产品的体积增大。因此,为了解决上述问题,采用串联保险丝限流方式。由于电源额定输出电流为0.2 A,电路中采用0.2 A的快速保险丝进行限流,保险丝安全系数为1.7,则限流电阻的最大功耗为0.2×1.7×0.2×1.7×27=3.12 W,考虑1.5倍安全系数,实际采用5 W金膜精密电阻。
由上述的计算可知,电源输出本安参数为14.7 V/0.75 A,该参数值满足“ia”安全防爆等级要求。
由于信号的峰值电流为0.05 A,电路可采用0.063 A的快速保险丝。信号的峰值电压为9 V,需选用9.1 V的稳压管,考虑5%的偏差,则信号最大限压值为9.1×1.05+0.8=10.4 V。稳压二极管的最大功耗为10.4×0.063×1.7=1.11 W,考虑1.5倍安全系数,稳压二极管的最大功耗应该为1.67 W,实际选用2 W的稳压二极管。限流电阻选用36 Ω/5 W的精密电阻。因此,信号输出本安参数为10.4 V/0.3 A。该参数值满足“ia”安全防爆等级要求。
不同输入电压下的电源转换测试结果见表1。从表1可知,在12~24 V的输入电压范围内,“ia”安全防爆等级输出电源的最高转换效率为58.6%。
表1 电源转换测试结果
Table 1 Power test results of conversion interface

不同输入频率下的信号测试结果见表2。从表2可知,频率误差为0,满足实际需求。
表2 不同频率下的信号测试结果
Table 2 Test results using different frequency signals

在现有“ib”安全防爆等级的瓦斯抽放监控系统基础上,通过增加安全等级转换接口对瓦斯管道设备进行升级改造,使其满足“ia”安全防爆等级要求。测试结果表明,矿用瓦斯管道设备安全等级转换接口具有电源转换效率较高、信号失真小、体积小、成本低等特点,适用于瓦斯抽放监控系统的升级改造。
参考文献(References):
[1] 于月森,谢冬莹,伍小杰.本安防爆系统与本安电源结构特点及分类探讨[J].煤炭科学技术,2012,40(3):78-82.
YU Yuesen,XIE Dongying,WU Xiaojie.Discussion on features and classification of intrinsic safe flame proof system and intrinsic safe electric power structure[J].Coal Science and Technology,2012,40(3):78-82.
[2] 房绪鹏,于志学,马伯龙,等.本安电源双重化保护电路冗余方式对比研究[J].煤矿安全,2017,48(6):119-122.
FANG Xupeng,YU Zhixue,MA Bolong,et al.Redundancy modes comparison study on dual protection circuit of intrinsically safe power[J].Safety in Coal Mines,2017,48(6):119-122.
[3] 张旭,张红娟,靳宝全,等.矿用本安输出直流稳压电源设计[J].煤矿安全,2015,46(8):80-83.
ZHANG Xu,ZHANG Hongjuan,JIN Baoquan,et al.Research on an intrinsic safety DC regulated power supply for underground coal mine[J].Safety in Coal Mines,2015,46(8):80-83.
[4] 柏思忠.ia等级电源中的熔断器再保护电路设计[J].工矿自动化,2015,41(7):107-109.
BAI Sizhong.Design of re-protection circuit for fuse in power supply with grade ia[J].Industry and Mine Automation,2015,41(7):107-109.
[5] 柏思忠.瓦斯抽放管道设备ia等级防爆型式探讨[J].工矿自动化,2015,41(5):55-57.
BAI Sizhong.Discussion on ia grade explosion-proof type of gas drainage pipeline equipment[J].Industry and Mine Automation,2015,41(5):55-57.
[6] 左官芳.矿用隔爆兼本安型ia电源电路设计与检测[J].科技资讯,2015(17):55-56.
ZUO Guanfang.Design and test method of mining flameproof and intrinsically safe power supply circuit for level of protection "ia"[J].Science & Technology Information,2015(17):55-56.
[7] 于志学,房绪鹏,赵扬.一种“ia”级新型本质安全型电源设计[J].工矿自动化,2017,43(8):83-86.
YU Zhixue,FANG Xupeng,ZHAO Yang.Design of novel intrinsically safe power supply with "ia" grade[J]. Industry and Mine Automation,2017,43(8):83-86.
[8] 游青山.本安电源的自动测试老化系统设计[J].煤炭工程,2016,48(12):128-130.
YOU Qingshan.System design of an automatic test-aging system for intrinsically safe power supply[J].Coal Engineering,2016,48(12):128-130.
[9] 林引.矿用高可靠性本安型传感器电源电路设计与实现[J].煤炭科学技术,2013,41(6):88-91.
LI Yin.Design and realization on power of high reliable intrinsic safe sensor[J].Coal Science and Technology,2013,41(6):88-91.
[10] GB 3836.4—2010 爆炸性环境 第4部分 由本质安全型“i”保护的设备[S].
LIN Yin1,2
(1.CCTEG Chongqing Research Institute,Chongqing 400039,China; 2.State Key Laboratory of Gas Disaster Monitoring and Emergency Technology,Chongqing 400037,China)
Abstract:According to requirements that gas pipeline equipments and its associated power supply and communication interface must satisfy the "ia" safety explosion-proof grade in mine gas drainage monitoring system,the gas pipeline equipments can be upgraded by increasing an explosion-proof grade conversion interface based on current mine gas drainage monitoring system with the “ib” explosion-proof grade. Power conversion principle with resistive current limiting and trapezoidal output characteristics,and signal conversion principle with resistive current limiting and linear output characteristics were introduced in detail. Related parameters of key components were analyzed and calculated. The test results show that the conversion interface has the characteristics of high conversion efficiency and low frequency distortion,and its output characteristics meet the "ia" safety level requirements.
Key words:gas drainage; gas pipeline equipment; conversion interface; "ia" safety explosion-proof grade; trapezoidal output; resistive current limiting
收稿日期:2017-12-18;
修回日期:2018-03-06;
责任编辑:胡娴。
基金项目:国家重点研发计划项目(2016YFC0801405)。
作者简介:林引(1979-),男,四川资中人,副研究员,现主要从事电气防爆技术、安全监控系统、电子产品可靠性设计等相关研究工作,E-mail:idlinyn@163.com。
引用格式:林引.一种矿用瓦斯管道设备防爆等级转换接口设计[J].工矿自动化,2018,44(5):12-15.
LIN Yin.Design of an explosion-proof grade conversion interface for mine gas pipeline equipments[J].Industry and Mine Automation,2018,44(5):12-15.
文章编号:1671-251X(2018)05-0012-04
DOI:10.13272/j.issn.1671-251x.2017120041
中图分类号:TD684
文献标志码:A
网络出版地址:http://kns.cnki.net/kcms/detail/32.1627.TP.20180419.1556.001.html