施韬, 何凤有
(中国矿业大学 电气与动力工程学院,江苏 徐州 221008)
摘要:针对燃煤加热炉由于控温难而导致的生产燃料浪费过多、污染严重等问题,构建了多温区燃煤加热炉加热系统模型,提出了一种基于PID控制算法的前馈解耦控制方法。采用前馈解耦控制对多温区加热炉各个加热通道耦合部分进行解耦,减少加热系统达到稳态所需时间;采用PID控制算法对多温区加热炉加热系统控制参数进行优化,从而使加热系统的温度在短时间内迅速上升并保持稳定。仿真与实验结果表明,该方法能够大幅改善温度控制速度,且可以在较短的响应时间内达到稳定的控制精度,避免了燃料浪费,提高了加热速率。
关键词:燃煤加热炉;多温区加热系统;温度控制;前馈解耦;PID控制
燃煤加热炉是以煤为燃料,导热油为载热体,利用循环油泵强制液相循环,将热能输送给用热设备后,再重新返回加热循环供热的特种工业炉,在工业应用中主要负责对原料进行提炼[1-2]。
现今广泛应用的燃煤加热炉的内部锅炉主要以三温区加热炉为主,这3个温区分别为预热区、加热区、均热区。预热区、加热区的主要作用是可以使物料在最合适的时间内加热至所需温度,又不至于产生过多浪费,均热区主要作用为维持被加工物料温度的稳定,以避免局部升温过快导致炉体开裂[3-4]。燃煤加热炉中锅炉的温度控制是很重要的环节,在节能的同时,如果可以缩短加热时间,将大规模提升燃煤加热炉的工作效率[5-6]。
本文以燃煤加热炉中的锅炉本体为研究对象,针对其温度控制问题,构建了多温区燃煤加热炉加热系统模型,提出了一种基于PID控制算法的前馈解耦控制方法。
首先将燃煤加热炉的各个温区近似等价为一阶惯性环节与滞后环节的组合。采用惯性环节是因为在加热系统中温度的上升与下降存在大惯性,无法瞬间达到温度需求。采用滞后环节是因为温度的回升与保持需要一段时间才可以达到要求。由此拟定加热系统的计算公式为[7]
(1)
式中:K为增益;T为时间常数;τ为时滞;s为经过拉普拉斯变换后的表达式中的副参数。
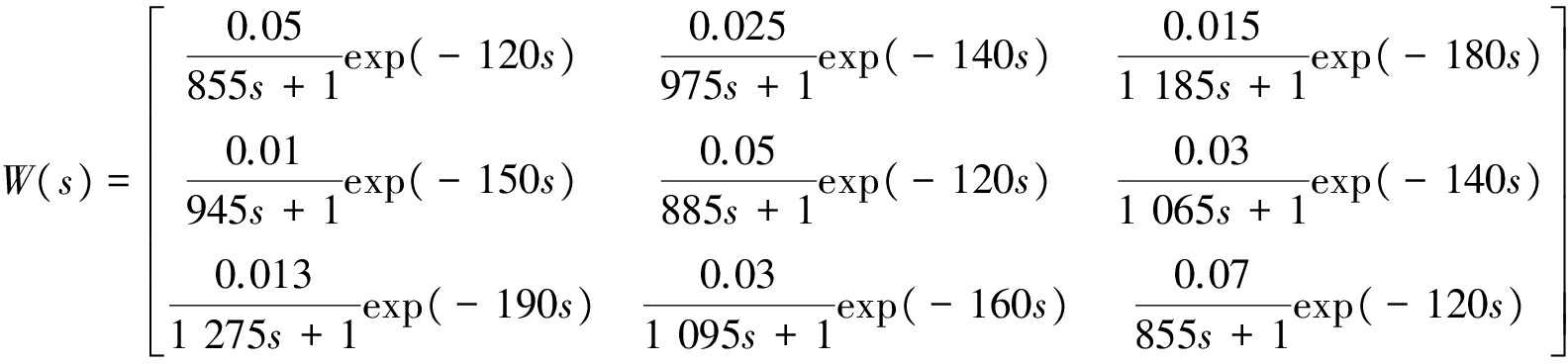
结合式(1)和经验建模法建立多输入多输出(Multiple-Input Multiple-Output,MIMO)的三维系统,即燃煤加热炉加热系统模型(式(2))[8-9]。
下面将对此燃煤加热炉加热系统模型进行解耦控制研究。

(2)
采用基于PID控制算法的前馈解耦控制方法对燃煤加热炉的炉温进行解耦控制。
对于前馈解耦控制而言,现今工艺过程中的控制系统大多数为带有反馈的闭环控制系统,其特点是当被控过程受到干扰后,必须等到被控参数出现偏差时调节器才动作,以补偿扰动对被控参数的影响。倘若能在扰动出现时就进行控制,而不是等到出现偏差后再进行控制,就可以更快、更有效地消除扰动对被控参数的影响。前馈控制正是基于这种思路提出来的[10-12]。
若多温区加热炉中各个加热通道耦合过强,会使加热系统的输出与期望相差甚远,导致延迟系统达到稳态所需要的时间过长[13]。因此,采用前馈解耦控制方法对各个通道的耦合部分进行解耦。
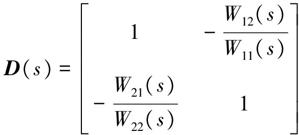
以双输入、双输出的二维耦合系统为例,前馈解耦原理如图1所示。图中u1,u2为二维系统的输入;D21(s)为第1通道对第2通道的前馈解耦环节;D12(s)为第2通道对第1通道的前馈解耦环节;m1,m2分别为进入主通道和影响通道的时间节点;W11(s),W22(s)为系统的主通道环节;W12(s)为第1通道的输入部分对第2通道的影响;W21(s)为第2通道输入部分对第1通道的影响;c1,c2为系统的输出;c12为第2通道对第1通道的影响结果;c21为第1通道对第2通道的影响结果。
由图1可知,当系统为双输入、双输出系统时,第1通道的输入部分会与第2通道的主通道部分产生耦合作用,影响系统输出。同时,第2通道的输入部分也会与第1通道的主通道部分产生耦合作用,影响系统输出。因此,需要设置解耦环节,以减小耦合产生的影响。

图1 二维系统前馈解耦原理
Fig.1 Feedforward decoupling principle of two-dimensional system
为保证系统可以解耦,推导出二维系统前馈解耦公式:
m1W21(s)+m1D21(s)W22(s)=0
(3)
其中:
(4)
![]()
(5)
通过式(3)—式(5)可推出二维前馈补偿器矩阵为

(6)
同理,根据式(4)—式(6)可求得三维系统的前馈补偿器矩阵为

(7)
仅仅对耦合部分进行解耦并不能满足燃煤加热炉的加热系统中炉温控制要求,因为前馈解耦控制的缺点是单独使用这种方法只能减弱系统耦合部分,对于系统的控制参数,比如上升时间、调节时间、超调量等并没有太大的改变,所以,选用PID控制器来对多温区加热炉加热系统控制参数进行优化,目的是缩短上升时间,即更快得到系统所需的温度,并且减小超调量,使系统可以稳定输出。
采用Matlab中的Simulink组件对三温区加热炉的三维系统进行模拟仿真。在仿真过程中,通过对不同通道给定不同的输入来模拟加热系统的不同温区的温度情况:第1通道代表预热区,在预热区输入给定为较低的0.7;第2通道代表加热区,输入给定为0.9;第3通道为均热区,输入给定为1.0。为突出基于PID控制算法的前馈解耦控制方法的解耦效果,选取单独的前馈解耦控制方法与PID控制方法及原三维系统的普通控制方法做对比,3个通道输出曲线如图2所示。从图2可知,采用基于PID控制算法的前馈解耦控制方法可以提升加热速率,缩短上升时间,并能在到达稳态时保持长时间的稳定。

(a) 第1通道

(b) 第2通道

(c) 第3通道
图2 不同控制方法仿真结果对比曲线
Fig.2 Simulation results comparison curve of different control methods
在加热炉加热过程中时常会出现干扰情况[10],采用突加扰动的方式来模拟这种干扰,并通过输出曲线观察基于PID控制算法的前馈解耦控制方法是否更适合三温区加热系统。
在其他实验条件不变、只突加扰动的情况下,不同控制方法实验输出对比曲线如图3所示。从图3可以看出,对于只存在耦合干扰的第1通道及第3通道来说,基于PID控制算法的前馈解耦控制方法基本可以不受干扰,而在受到主要干扰的第2通道中,基于PID控制算法的前馈解耦控制方法的输出曲线可以快速跟随扰动,并可以在扰动消失后的最快时间内恢复到原状态。由此可见,基于PID控制算法的前馈解耦控制方法在处理系统干扰时反应迅速,并能在最短时间内恢复原状态。

(a) 第1通道

(b) 第2通道

(c) 第3通道
图3 添加扰动后的不同控制方法仿真结果对比曲线
Fig.3 Simulation results comparison curve of different control methods after adding disturbance
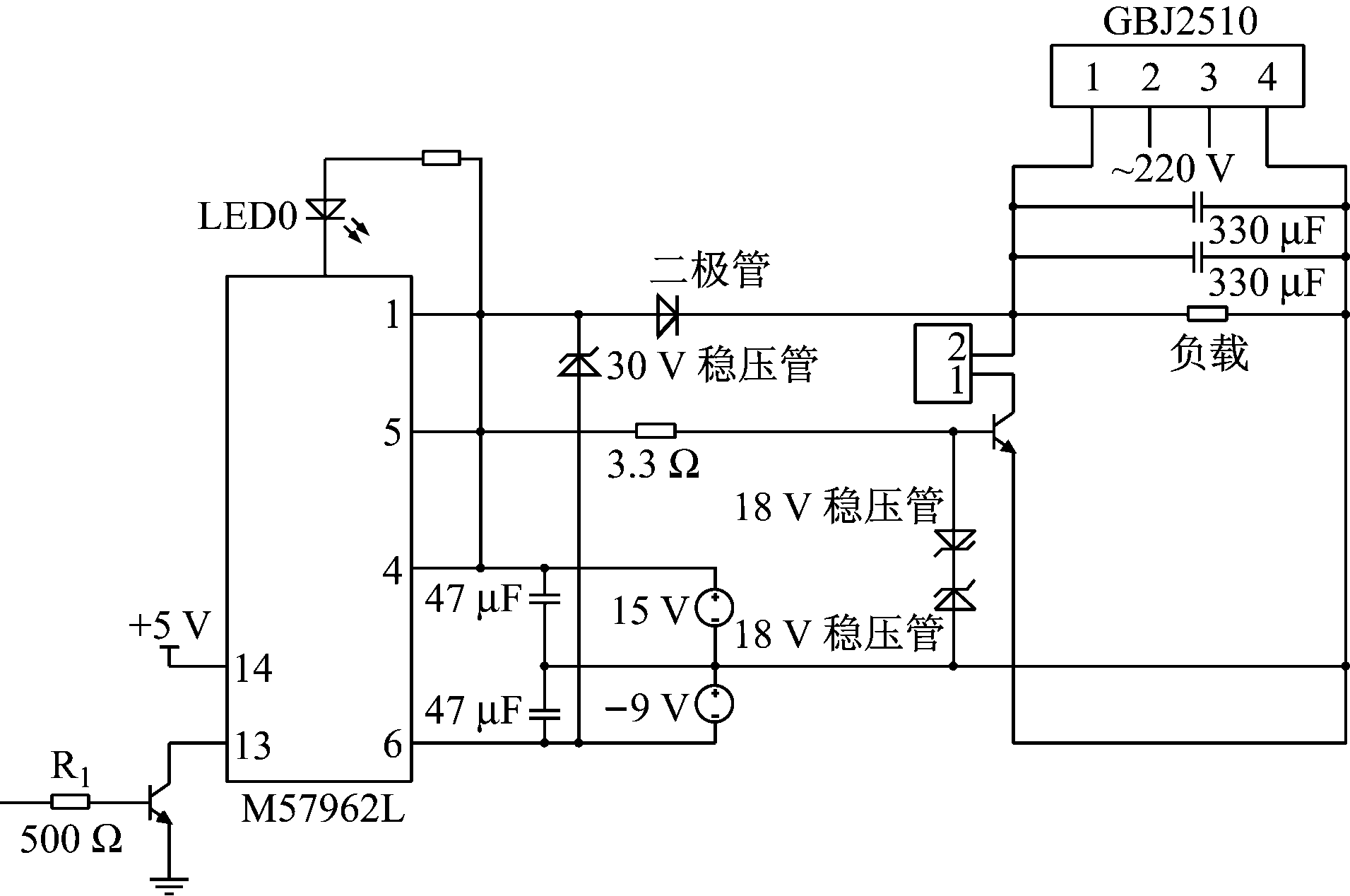
为了测试基于PID控制算法的前馈解耦控制方法是否能够达到预期的控制目的,进行了相关实验。实验采用的加热部分由“复杂工业过程多参数多变量综合控制系统训练平台”中的燃煤加热炉提供。多温区实验加热部分电路设计如图4所示。

图4 多温区实验加热部分电路
Fig.4 Circuit of experimental heating unit of multi-temperature
实验数据通过数据采集卡采集,再通过LabView软件将数据录入计算机,最后用Matlab将数据整合为曲线,从曲线中得到单温区水箱的建模参数。选取采样频率为10 Hz。
由于实验数据输出点数过多,且存在干扰,决定对数据及曲线做相应处理。
通过截止频率为0.001 Hz的二阶巴特沃斯滤波器对实验数据进行滤波处理,滤波处理后的实验数据曲线如图5所示。

图5 滤波处理后的实验数据
Fig.5 Experimental data after filtering
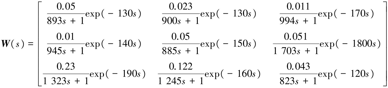
图5所示的滤波数据曲线即为加热系统的响应曲线。根据式(1)计算方法及系统模型对实验曲线进行处理,得到多温区实验参数如下:

(8)
在保持原有给定的情况下,采用基于PID控制算法的前馈解耦控制方法对系统进行控制,输出曲线如图6所示。
由图6可知,在给定同为0.7,0.9,1.0的比例温度下,基于PID控制算法的前馈解耦控制方法可以使加热系统迅速达到温度要求,证明了采用基于PID控制算法的前馈解耦控制方法可以优化根据实验测得的多温区系统的输出曲线,达到了在避免浪费原料的前提下提高加热速率的目的。

图6 采用基于PID控制算法的前馈解耦控制方法的三维系统输出曲线
Fig.6 Output curve of three-dimensional system using feedforward decoupling control method based on PID control algorithm
仿真与实验结果表明,采用基于PID控制算法的前馈解耦控制方法对三温区加热炉加热系统进行控制,可以提高系统的稳定性,并能使加热温度快速达到预期的目标,达到了在避免浪费原料的前提下提高加热速率的目的,且在干扰情况下,也能对温度进行快速反应与调整。
针对多温区加热炉这一复杂工业过程的控制方法的研究仍然有很大的提升空间。
(1) 应先解决加热炉系统所受外界干扰的问题,采取相关方法,尽量避免外界环境干扰。
(2) 以本设计的线性模型入手,考虑整个系统的非线性,使系统更加完整。
(3) 基于本文中的控制方法,设计相应的自适应解耦环节,使系统可以更加智能地达到控制效果。
参考文献(References):
[1] 康洋,刘红梅.浅析燃煤锅炉燃烧过程与减少烟尘污染的处理[J].黑龙江科技信息,2009(16):50.
KANG Yang,LIU Hongmei.Analysis on combustion process and reduction of soot pollution in coal fired boilers [J].Heilongjiang Science and Technology Information,2009(16):50.
[2] CAI W M,ZHU S M,HE H N,et al.Research on decoupling control in temperature and humidity control systems [J].IFIP Advances in Information
and Communication Technology,2012,368(1):79-89.
[3] 任才横.钢坯加热炉燃烧自动化系统及控制策略[D].合肥:合肥工业大学,2013.
[4] 达成莉.多变量系统解耦现状的分析[J].工业控制计算机,2011(12):69-71.
DA Chengli.Current situation and development of decoupling control on MIMO system[J].Industrial Control Computer,2011(12):69-71.
[5] 张福臣,彭华,康丹凤.加热炉工艺优化、节能降耗等方面的研究与实践[C]//全国能源与热工学术年会,昆明,2004.
[6] 王为晓.步进式加热炉炉温的优化控制方法研究[D].大连:大连理工大学,2008.
[7] 孙木.多温区加热炉燃烧系统控制研究[D].合肥:合肥工业大学,2014.
[8] 向涛.基于热平衡机理的多温区动态建模及控制研究[D].长沙:中南大学,2006.
[9] 陈冠军.关于蓄热式加热炉的若干问题[J].工业炉,2010(6):9-11.
CHEN Guanjun.Several problems about regenerative reheating furnace [J].Industrial Furnace,2010(6):9-11.
[10] 张开碧,李敏.多温区温度控制系统的解耦方法与仿真[J].山东科技大学学报,2006,25(4):54-56.
ZHANG Kaibi,LI Min.Decoupling method and simulation of temperature control system with multi-temperature zones [J].Journal of Shandong University of Science and Technology,2006,25(4):54-56.
[11] 韦晓慧,梁昔明,鲁五一,等.多温区电加热炉温度控制算法的研究与应用[J].机械制造与自动化,2007(1):102-104.
WEI Xiaohui,LIANG Ximing,LU Wuyi,et al.Research and application of control algorithms in electrical furnace multiple temperature zone[J].Machine Building & Automation,2007(1):102-104.
[12] 张凯举.钢铁冶金加热过程建模与综合优化控制方法的研究[D].大连:大连理工大学,2004.
[13] WANG J J,JING Y Y,ZHANG C F.Genetic optimization algorithm on PID decoupling controller for variable flow heating system [C]// 2008 3rd IEEE Conference on Industrial Electronics and Applications,Singapore,2008: 510-515.
SHI Tao, HE Fengyou
(School of Electrical and Power Engineering,China University of Mining and Technology,Xuzhou 221008,China)
Abstract:In view of problems of wasting too much fuel,serious pollution of coal-fired reheating furnace caused by difficult temperature control,a heating system model of coal-fired reheating furnace with multi-temperature zones was established. A feedforward decoupling control method based on PID control algorithm was proposed. The method uses feedforward decoupling control to realize decoupling for coupling parts of each heating channel,which can reduce the time required for the heating system to reach steady state,and uses PID control algorithm to optimize control parameters of the heating system,which can make temperature of the heating system rapidly rise and remain stability in a short time. The simulation and experimental results show that the method can greatly improve temperature control speed,and can achieve stable control accuracy in a shorter response time,which avoids fuel wasting and improves heating rate.
Key words:coal-fired reheating furnace; heating system with multi-temperature zone; temperature control; feedforward decoupling; PID control
收稿日期:2017-11-23;
修回日期:2018-02-28;
责任编辑:张强。
作者简介:施韬(1995-),男,辽宁沈阳人,硕士研究生,研究方向为电力电子与电力传动,E-mail:1965770996@qq.com。
引用格式:施韬,何凤有.燃煤加热炉温度控制系统解耦方法设计[J].工矿自动化,2018,44(5):100-104.
SHI Tao,HE Fengyou.Design of decoupling method of temperature control system for coal-fired reheating furnace[J].Industry and Mine Automation,2018,44(5):100-104.
文章编号:1671-251X(2018)05-0100-05
DOI:10.13272/j.issn.1671-251x.2017110047
中图分类号:TD67
文献标志码:A
网络出版地址:http://kns.cnki.net/kcms/detail/32.1627.tp.20180417.1721.003.html