唐友亮, 张锦
(宿迁学院 机电工程学院, 江苏 宿迁 223800)
摘要:分析了液压驱动式提升机液压缓冲系统的工作原理及系统动态性能的主要影响因素,基于AMEsim建立了系统仿真模型,仿真分析了过载阀通径、过载阀开启压力、发动机排量、箕斗自身质量和箕斗运行速度对箕斗位移和发动机进油口压力的影响规律。分析结果可为进一步优化设计提升机过放缓冲系统提供理论指导。
关键词:液压驱动式提升机; 过放缓冲; 液压缓冲; 箕斗位移; 发动机进油口压力
液压驱动式提升机系统在煤矿运输中发挥着重要作用,但由于煤矿矿井井深较深,必须提高提升或下放容器(箕斗)的运输速度才能提高运输效率,而运输速度较大特别易导致提升过放或过卷等事故[1-2]。一旦发生过卷或过放事故,将对煤矿设备造成巨大损失[3-4]。因此,提升系统中的过卷或过放缓冲系统至关重要。
过放缓冲装置主要包括防撞梁机械缓冲装置和摩擦式缓冲装置。防撞梁机械缓冲装置通过在防撞梁上叠加浸泡过沥青的枕木作为防撞梁的弹性缓冲[5-7]。但这种装置不能为过放制动箕斗提供足够的缓冲力且缓冲力不可调,缓冲装置难以恢复。此外,对于高速重载的下放箕斗,利用机械缓冲装置制动难度较大。摩擦式缓冲装置摩擦面多,制动力调节范围大,但摩擦产生的热量对摩擦片有较大的破坏性[8-9]。
针对机械缓冲装置和摩擦式缓冲装置存在的问题,毋虎城等[10]设计了矿井防过放液压缓冲装置,理论计算了液压缓冲器的缓冲制动力,但未对液压缓冲器进行深入的分析研究。本文介绍了液压驱动式提升机过放液压缓冲系统的工作原理,理论分析了影响过放液压缓冲系统动态性能的主要因素,建立了系统仿真模型,仿真分析了过载阀通径、过载阀开启压力、发动机排量、箕斗自身质量和箕斗运行速度对箕斗位移和发动机进油口压力的影响规律,为进一步优化设计提升机过放缓冲系统提供理论指导。
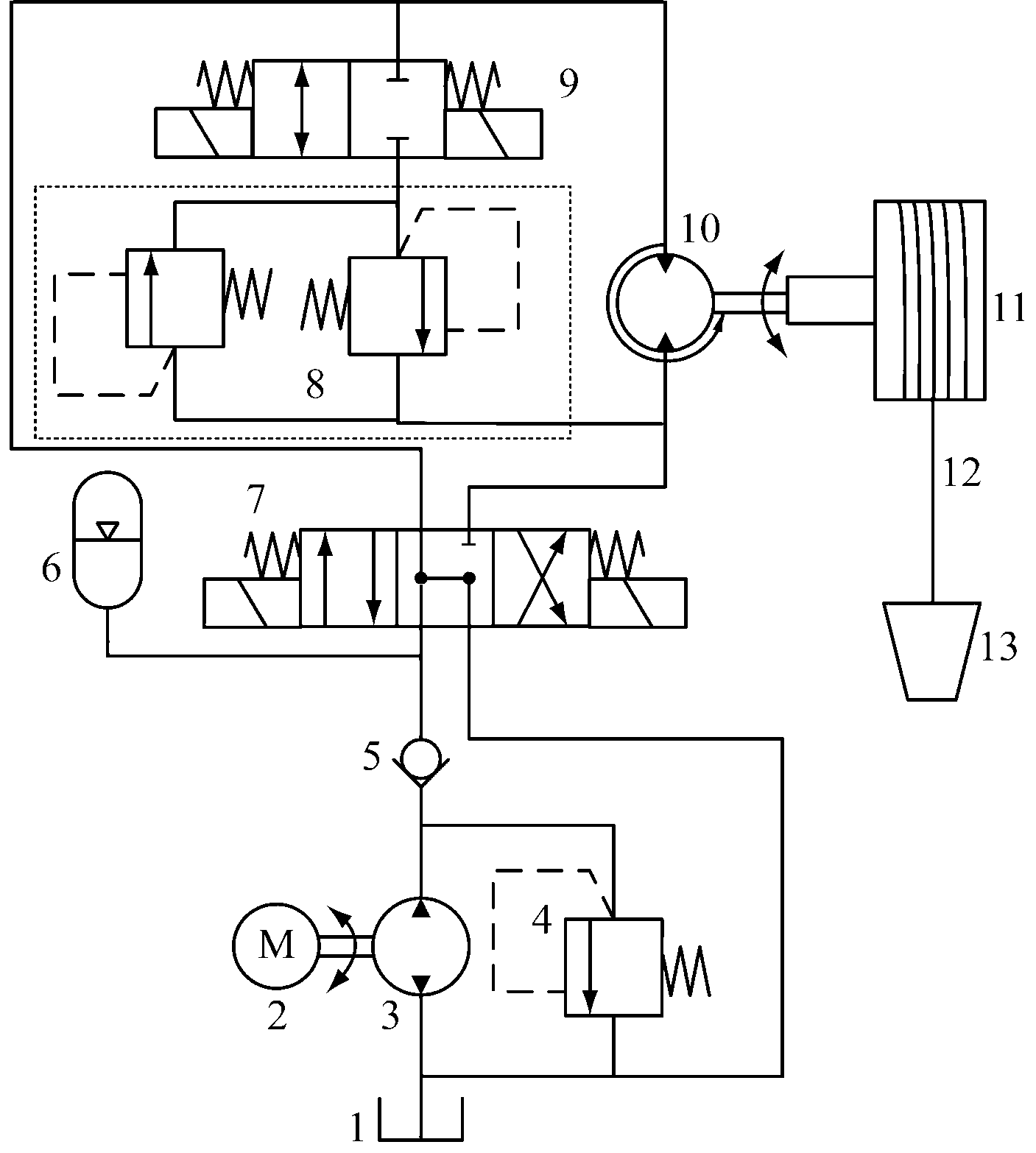
液压驱动式提升机过放液压缓冲系统由电动机、双向液压泵、安全阀、单向阀、蓄能器、三位四通换向阀、过载阀、二位二通换向阀、液压发动机、卷筒、钢丝绳和箕斗组成,如图1所示。

1-油源; 2-电动机; 3-双向液压泵; 4-安全阀; 5-单向阀;6-蓄能器; 7-三位四通换向阀; 8-过载阀; 9-二位二通换向阀;10-液压发动机; 11-卷筒; 12-钢丝绳; 13-箕斗
图1 液压驱动式提升机过放液压缓冲系统
Fig.1 Over-discharge hydraulic buffer system for hydraulic drived hoist
在二位二通换向阀不工作时,开启电动机,通过切换三位四通换向阀,调节液压发动机驱动卷筒上下运转,完成箕斗的提升和下放(换向阀处于左位时,系统可提升箕斗;换向阀处于右位时,系统可下放箕斗)。箕斗的提升和下放速度一般通过调节液压发动机进油口压力进行改变。
在箕斗提升阶段,由于箕斗自身重力向下,而箕斗运行速度向上,当快到达提升高度前,箕斗可依靠自身重力进行减速提升。但在箕斗下放阶段,由于箕斗自身重力和箕斗运行速度均向下,若发动机进油口压力产生的扭矩力小于箕斗重力,箕斗处于一个加速阶段,因此,箕斗即将到达下放高度时,需要增大液压发动机进油口压力,产生较大的扭矩力,使箕斗减速到停止状态。
在箕斗下放过程的减速阶段,若依靠增大液压发动机进油口压力来减速,会增大液压能的消耗。提升机过放液压缓冲系统可通过切换二位二通换向阀完成箕斗的减速,并缓冲吸收箕斗运行过程中的动能。当箕斗下放到一定高度时,三位四通换向阀切换到中位,二位二通换向阀切换到左位(接通),箕斗下降,继续带动卷筒驱动液压发动机转动,此时发动机进油口连接过载阀产生背压,从而产生向上的巨大扭矩力(阻力),使箕斗慢慢减速到停止状态。
液压发动机动态力矩平衡方程为
(2)
式中:Dm为液压发动机排量,m3/rad;p为液压发动机进油口压力,Pa;J为液压发动机和负载折算到发动机轴上的转动惯量,kg·m2;θ为液压发动机转角,rad;t为时间,s;B为黏性阻尼系数,N·m·s/rad;G为负载扭矩弹簧刚度,N·m/rad;T为外负载力矩,N·m。
液压发动机流量连续性方程为
(3)
式中:q1为发动机进油口流量,L/min;Cm为液压发动机总泄漏系数,m5/(N·s);V为总压缩容积,m3;βe为有效体积弹性模量,Pa。
过载阀流量连续性方程[11-12]为
(4)
式中:Cd为节流系数;d为过载阀通径,m;α为阀芯半锥角,取45°;ρ为油液密度,kg/m3。
过载阀阀芯动态力平衡方程[13]为
(5)
式中:A为阀芯面积,A=πdx1sinα,m2;m为阀芯质量,kg;x1为阀芯位移,m;B0为阀芯阻尼系数,N/(m/s);K为弹簧刚度,N/m;x0为弹簧预压缩量,m。
过卷过程中过载阀开启,消耗箕斗动能,制动过程中满足能量守恒,可得
(6)
式中:M为箕斗质量,kg;v为箕斗速度,m/s;g为重力加速度,m/s2;x为箕斗位移,m;
从式(1)—式(6)可看出,影响系统动态性能的主要因素为过载阀通径、过载阀开启压力、发动机排量、箕斗自身质量和运行速度,下面通过建立系统仿真模型进行动态性能分析。
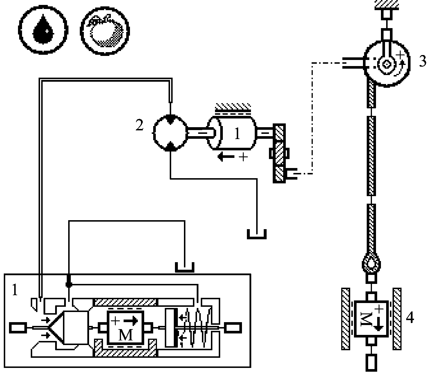
提升机过放液压缓冲系统仿真模型如图2所示。

1-过载阀模型; 2-液压发动机模型; 3-卷筒模型; 4-箕斗模型
图2 系统仿真模型
Fig.2 System simulation model
调节过载阀弹簧预压缩量,使其压力保持在47 MPa,系统仿真参数见表1,仿真时间为20 s,步长为0.001 s。
表1 系统仿真参数
Table 1 System simulation parameters

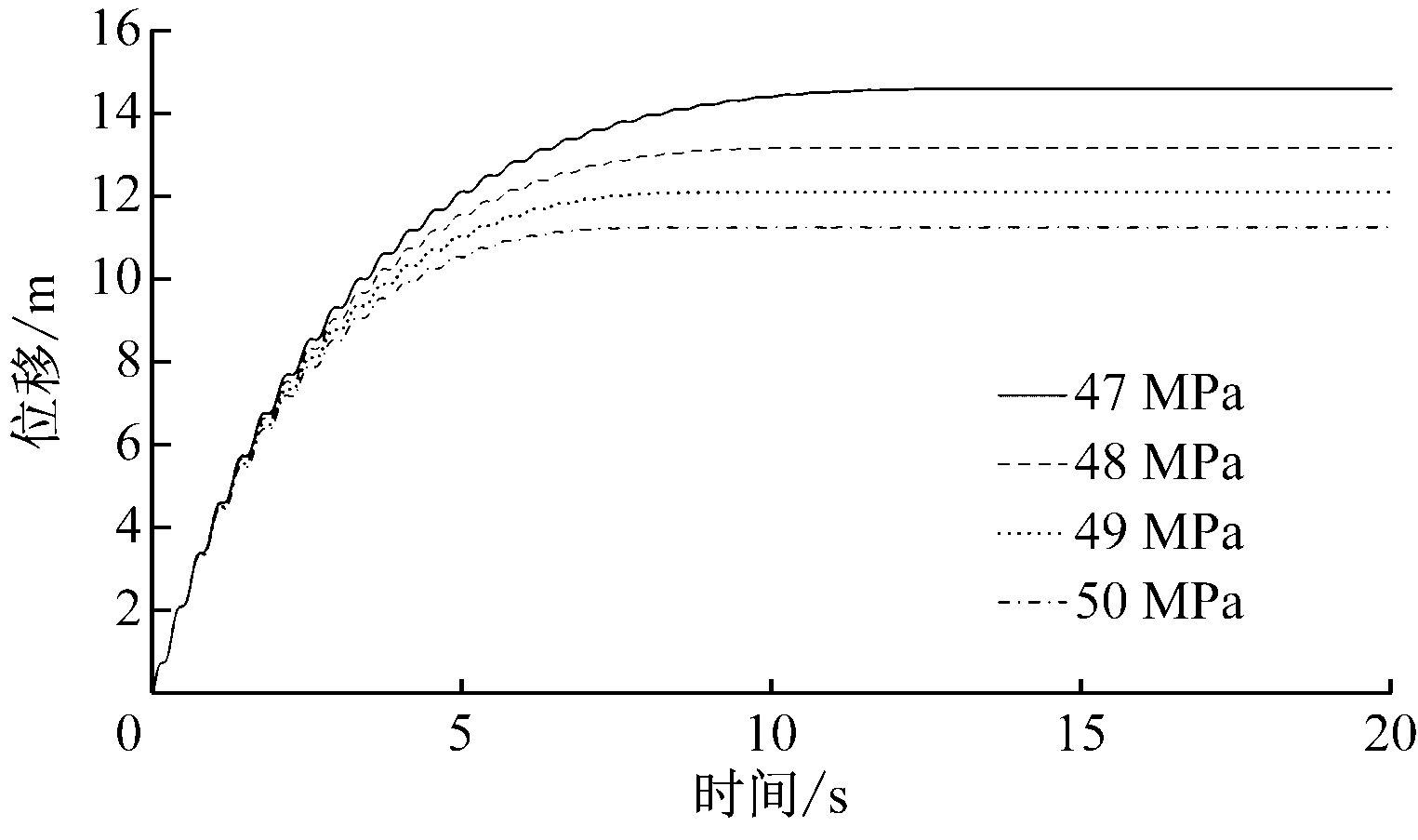
3.2.1 过载阀开启压力对系统性能的影响
在AMESIM参数模式下分别设置过载阀开启压力为47,48,49,50 MPa进行仿真,得到过载阀开启压力对箕斗位移和发动机进油口压力的影响曲线,如图3所示。

(a) 对箕斗位移的影响

(b) 对发动机进油口压力的影响
图3 过载阀开启压力对系统性能的影响
Fig.3 Effect of overload valve opening pressure on system performance
由图3可得,随过载阀开启压力的增大,箕斗位移减小,发动机进油口压力增大。过载阀开启压力对箕斗位移和发动机进油口压力影响明显,发动机进油口压力由溢流阀开启压力决定,溢流阀开启压力增大,发动机压力增大,随之产生的扭矩力增大,对箕斗减速缓冲明显,因此,箕斗位移减小。
3.2.2 过载阀通径对系统性能的影响
在AMESIM参数模式下分别设置过载阀通径为0.007,0.008,0.009,0.010 m进行仿真,得到过载阀通径对箕斗位移和发动机进油口压力的影响曲线,如图4所示。
由图4可得,随过载阀通径的增大,箕斗位移增大,发动机进油口压力波动程度减小,说明在相同过载阀开启压力下,选择通径较大的过载阀有助于降低发动机进油口压力波动程度,但会增大箕斗位移。
3.2.3 发动机排量对系统性能的影响
在AMESIM参数模式下分别设置发动机排量为2.0×10-4,2.5×10-4,3.0×10-4,3.5×10-4m3/rad进行仿真,得到发动机排量对箕斗位移和发动机进油口压力的影响曲线,如图5所示。
由图5可得,发动机排量对箕斗位移、发动机进油口稳定压力、压力波动程度影响较大,随发动机排量增大,箕斗位移减小,原因是发动机排量增大导致发动机进油口压力增大,使得扭矩力增大,从而阻碍箕斗快速停止。

(a) 对箕斗位移的影响

(b) 对发动机进油口压力的影响
图4 过载阀通径对系统性能的影响
Fig.4 Effect of overload valve diameter on system performance

(a) 对箕斗位移的影响

(b) 对发动机进油口压力的影响
图5 发动机排量对系统性能的影响
Fig.5 Effect of engine swept volume on system performance
3.2.4 下放速度对系统性能的影响
在AMESIM参数模式下分别设置箕斗下放速度为3,5,7,9 m/s进行仿真,得到下放速度对箕斗位移和发动机进油口压力的影响曲线,如图6所示。

(a) 对箕斗位移的影响

(b) 对发动机进油口压力的影响
图6 下放速度对系统性能的影响
Fig.6 Effect of decentralization speed on system performance
由图6可得,随下放速度的增大,箕斗位移增大,发动机进油口压力稳定值不变,但初期压力波动程度增大。箕斗位移增大的原因:下放速度增大,系统需要消耗更多的箕斗能量,在其他元件不变的情况下,需要延长箕斗位移进行耗散。
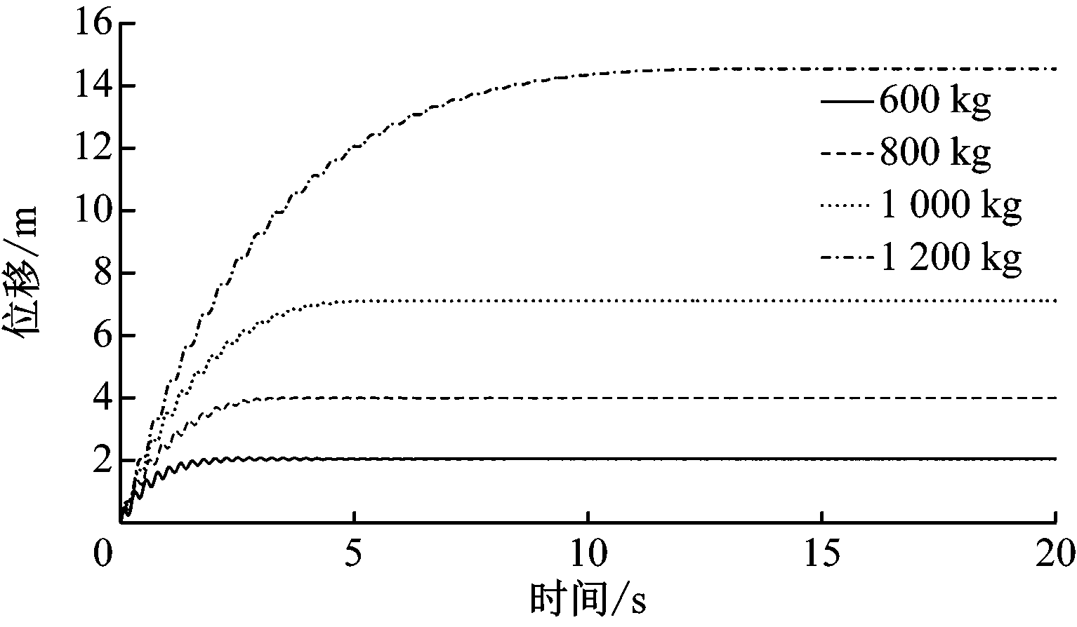
3.2.5 箕斗质量对系统性能的影响
在AMESIM参数模式下分别设置箕斗质量为600,800,1 000,1 200 kg进行仿真,得到箕斗质量对箕斗位移和发动机进油口压力的影响曲线,如图7所示。
由图7可得,随箕斗质量增大,箕斗位移增大,发动机进油口压力稳定值增大,而初期压力波动程度减小。箕斗质量增大导致箕斗位移增大的原因与下放速度增大相同。
分析了影响过放液压缓冲系统动态性能的主要因素,仿真分析了过载阀通径、过载阀开启压力、发动机排量、箕斗自身质量和箕斗运行速度对箕斗位移和发动机进油口压力的影响规律,得到以下结论:
(1) 过载阀开启压力增大,箕斗位移减小,但发动机进油口压力增大。
(2) 过载阀通径增大,箕斗位移增大,初期发动机进油口压力波动程度减小。

(a) 对箕斗位移的影响

(b) 对发动机进油口压力的影响
图7 箕斗质量对系统性能的影响
Fig.7 Effect of bucket weight on system performance
(3) 发动机排量增大,箕斗位移减小,发动机进油口压力波动程度减小,但发动机进油口稳定压力增大。
(4) 下放速度增大,箕斗位移增大,发动机进油口压力稳定值不变,但初期压力波动程度增大。
(5) 箕斗质量增大,箕斗位移增大,发动机进油口压力稳定值增大,但初期压力波动程度减小。
参考文献(References):
[1] 陈虹微.缠绕式提升机的过卷和过放安全保护[J].煤矿机械,2002,23(2):59-60.
CHEN Hongwei.Safe guards to winding hoists from overwinding and overrelaxation[J].Coal Mine Machinery, 2002,23(2):59-60.
[2] 张仕明.立井提升过卷(过放)电气保护和机械保护装置的探讨[J].煤炭工程,2006(7):58-59.
ZHANG Shiming. Discussion on electric protection and mechanical protection devices of over-winding for hoisting in mine shaft[J].Coal Engineering,2006(7):58-59.
[3] 尹文军.立井提升机过卷液压缓冲系统研究[J].液压与气动,2016(2):124-128.
YIN Wenjun. Research on overwind hydraulic buffer system of shaft hoist equipment[J].Chinese Hydraulics & Pneumatics,2016(2):124-128.
[4] 程阳锐.液压钢带式过卷缓冲装置的研究[D].太原:太原理工大学,2012.
[5] 何亮.老矿井中防过放缓冲装置及防撞梁的实现[J].煤炭与化工,2016,39(2):104-105.
HE Liang.In the old mine discharge buffer device and the realization of the anticollision beam[J].Coal and Chemical Industry,2016,39(2):104-105.
[6] 林森.大型立井摩擦提升系统装备关键技术[J].煤炭科学技术,2013,41(8):87-91.
LIN Sen.Key technologies of equipments for friction hoisting system in large-type shaft[J].Coal Science and Technology,2013,41(8):87-91.
[7] 王建理,葛天林.缠绕式提升机过卷过放的动力分析[J].中国矿业大学学报,1997(2):103-106.
WANG Jianli, GE Tianlin.Dynamic analysis of overwinding and overfalling of a drum winding hoist[J].Journal of China University of Mining & Technology,1997(2):103-106.
[8] 朱真才. 多绳摩擦提升安全保障关键技术及装备研究[D]. 长沙: 中南大学, 2003.
[9] 邵瑞,王海峰,张衍阳.立井防过放缓冲器摩擦材料磨损形貌分析[J].江西煤炭科技,2012(3):111-113.
SHAO Rui,WANG Haifeng,ZHANG Yanyang.Wear morphology analysis of friction material of anti-over-discharging buffer for vertical shaft[J].Jiangxi Coal Science & Technology,2012(3):111-113.
[10] 毋虎城,吴中青,张纬,等.矿井防过放液压缓冲装置的研究与设计[J].中州煤炭,2005(2):6-7.
WU Hucheng, WU Zhongqing, ZHANG Wei. Design and study on defending overfall hydraulic damping equipment of mine hoist [J].Zhongzhou Coal,2005(2):6-7.
[11] LICSKO G, CHAMPNEYS A, HOS C. Nonlinear analysis of a single stage pressure relief valve[J].International Journal of Applied Mathematics,2009,39(4):286-299.
[12] HAYASHI S,HAYASE T,KURAHASHI T.Chaos in a hydraulic control valve[J].Journal of Fluids & Structures,1997,11(6):693-716.
[13] 姜万录,朱勇,杨超.直动型溢流阀非线性动力学行为研究[J].中国机械工程,2013,24(20):2705-2709.
JIANG Wanlu,ZHU Yong,YANG Chao.Study on nonlinear dynamics behavior of a hydraulic relief valve[J].China Mechanical Engineering,2013,24(20):2705-2709.
TANG Youliang,ZHANG Jin
(School of Mechanical and Electrical Engineering, Suqian College, Suqian 223800, China)
Abstract:Working principle of hydraulic buffer system of hydraulic driven hoist and its main influencing factors were analyzed. System simulation model was established based on AMEsim, and influence law of overload valve diameter, overload valve opening pressure, engine swept volume, bucket weight and operating speed to bucket displacement and engine inlet pressure were simulated and analyzed. The analysis results can provide theoretical guidance for further optimization of design of the over-discharging buffer system.
Key words:hydraulic driven hoist; over-discharge buffer; hydraulic buffer; bucket displacement; engine inlet pressure
文章编号:1671-251X(2018)04-0057-05
DOI:10.13272/j.issn.1671-251x.2017120069
中图分类号:TD633
文献标志码:A
网络出版时间:2018-03-19 13:07
网络出版地址:http://kns.cnki.net/kcms/detail/32.1627.TP.20180319.1215.001.html
收稿日期:2017-12-25;
修回日期:2018-02-15;
责任编辑:胡娴。
基金项目:江苏高校品牌专业建设工程资助项目(PPZY2015C252);江苏省高等学校自然科学研究项目(17KJB470013) ;宿迁市科技支撑计划资助项目(M201612)。
作者简介:唐友亮(1977-),男,山东临沂人,副教授,硕士,主要研究方向为数字化设计与制造技术、机电液一体化控制技术,E-mail:yltangsqc@126.com。
引用格式:唐友亮,张锦.液压驱动式提升机过放液压缓冲系统研究[J].工矿自动化,2018,44(4):57-61.
TANG Youliang,ZHANG Jin.Research on over-discharge hydraulic buffer system for hydraulic driven hoist[J].Industry and Mine Automation,2018,44(4):57-61.