钟宁帆1, 翟艳强1, 张振海1, 冯展华2, 王小婧3
(1.山东科技大学 电气与自动化工程学院, 山东 青岛 266590;2.国网日照市供电公司, 山东 日照 276826; 3.国网东营市供电公司, 山东 东营 257000)
摘要:针对传统的矿用统一电能质量调节器在跟踪补偿电流和电压时存在开关损耗大、相间干扰严重和直流侧电压利用率低的问题,提出了一种基于空间电压矢量的恒频双滞环控制策略。通过跟踪分析单相电流、电压滞环得到固定开关频率时滞环宽度与网侧电压的函数关系,然后根据网侧电压的变化动态调节双滞环宽度,以保证开关频率的恒定,实现在跟踪补偿电流、电压的同时有效减小开关损耗;将恒频双滞环控制与空间电压矢量相结合,可以消除相间干扰,提高电压利用率,在保证电流响应速度的同时,减小电流谐波。仿真结果表明,在电压跌落和电流波形发生畸变时,采用该控制策略的电能质量调节器能够及时有效地对电网电压、电流进行补偿,补偿后的电压、电流谐波畸变率较低,保证了煤矿电网的安全运行。
关键词:矿井供电; 统一电能质量调节器; 补偿电流; 补偿电压; 空间电压矢量; 恒频双滞环控制
中图分类号:TD608
文献标志码:A
文章编号:1671-251X(2018)12-0065-06
DOI:10.13272/j.issn.1671-251x.2018040059
网络出版地址:http://kns.cnki.net/kcms/detail/32.1627.TP.20181126.0907.001.html
收稿日期:2018-04-18;
修回日期:2018-09-12;
责任编辑:张强。
基金项目:国家自然科学基金项目(61203101)。
作者简介:钟宁帆(1979-),男,四川雅安人,讲师,博士,硕士研究生导师,主要从事电力电子技术及其应用、控制理论与应用方面的研究工作,E-mail:zningfan2004@163.com。
引用格式:钟宁帆,翟艳强,张振海,等.矿用统一电能质量调节器控制策略研究[J].工矿自动化,2018,44(12):65-70.
ZHONG Ningfan, ZHAI Yanqiang, ZHANG Zhenhai, et al. Research on control strategy of mine-used unified power quality conditioner[J].Industry and Mine Automation,2018,44(12):65-70.
ZHONG Ningfan1, ZHAI Yanqiang1, ZHANG Zhenhai1, FENG Zhanhua2, WANG Xiaojing3
(1.College of Electrical Engineering and Automation, Shandong University of Science and Technology,Qingdao 266590, China; 2.State Grid Rizhao Power Supply Company, Rizhao 276826, China;3.State Grid Dongying Power Supply Company, Dongying 257000, China)
Abstract:In view of problems of high switching loss, serious interphase interference and low DC side voltage utilization in tracking compensation current and voltage of traditional mine-used unified power quality conditioner, a constant frequency double hysteresis control strategy based on space voltage vector was proposed. Through the tracking analysis of single-phase current and voltage hysteresis loop, the function relation between the width of time delay loop with fixed switching frequency and the voltage on the grid side is obtained. Then, the width of double hysteresis loop is dynamically adjusted according to change of the grid-side voltage to ensure the constant switching frequency, which can effectively reduce switching loss while tracking compensation current and voltage. Combination of constant frequency double hysteresis loop control and space voltage vector can eliminate phase interference and improve voltage utilization rate, and can reduce current harmonics while ensuring current response speed. The simulation results show that the power quality conditioner adopting this control strategy can compensate grid voltage and current in time and effectively when voltage sag and current waveform are distorted, and the harmonic distortion rate of voltage and current after compensation is low, which ensures safe operation of coal mine power grid.
Key words:mine power supply; unified power quality conditioner; compensation current; compensation voltage; space voltage vector; constant frequency double hysteresis control
随着现代电力电子技术在煤矿中的发展应用,煤矿生产自动化的水平也不断提高[1-3]。在煤矿生产自动化水平提高的同时,由于大量的变流器、变频器等电力电子设备在煤矿中投入使用,这些非线性负载使煤矿电网产生谐波、电压跌落和闪变等电能质量问题,严重影响了煤矿的安全生产和供电可靠性,电网谐波会使电能传输效率降低、用电设备发热甚至烧毁,电压跌落会使生产过程中断,造成巨大的经济损失[4-5]。所以,对电能质量的治理已成为国内外的研究热点。文献[6]利用一种新型的有源电力滤波器进行电能质量问题的治理,但这种有源电力滤波器只能对电流谐波进行补偿,当出现电压跌落时,此种方法不能进行治理。文献[7]针对谐波的产生进行了仿真分析,提出了利用统一电能质量调节器(Unified Power Quality Conditioner, UPQC)进行电能质量问题的治理,UPQC由有源电力滤波器和动态电压恢复器组成,它能在电流波形畸变和电压跌落同时出现时进行有效治理,但是传统的UPQC采用的是定环宽的滞环跟踪控制策略,该控制策略应用在UPQC这种大功率场合,由于开关频率不固定会产生电流脉冲和过大的开关损耗。文献[8]提出的变环宽准恒频电流控制策略能够解决因为开关频率不固定而导致的功率损耗过大的问题,但是,应用在三相系统时不能解决相间干扰问题,而且直流侧电压利用率不高。
针对以上问题,本文提出了一种基于空间电压矢量的恒频双滞环跟踪控制策略,将该控制策略应用在矿用统一电能质量调节器上,在准确跟踪补偿电流和补偿电压的条件下能够减小开关损耗,消除相间干扰,保证供电的安全可靠。
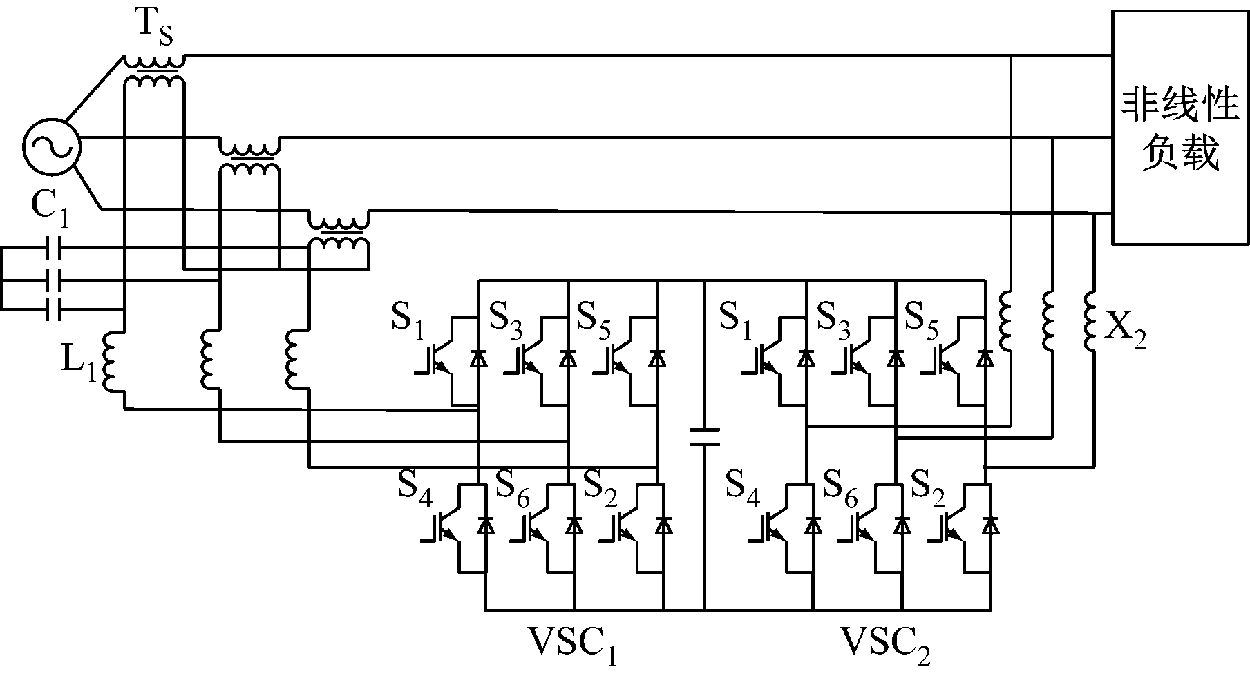
统一电能质量调节器结构如图1所示。统一电能质量调节器是由2套变流装置VSC1和VSC2分别通过串联和并联的方式与电网相连,这2套变流装置都与电容器并联。左侧靠近电源侧的变流装置为动态电压恢复器,它通过变压器串联进入电网中。右侧靠近负载侧的变流装置为并联有源电力滤波器,它通过输出滤波器并联到电网中[9]。

图1 统一电能质量调节器结构
Fig.1 Structure of unified power quality conditioner
动态电压恢复器能实现对系统电压的实时监测,当系统电压因为本身故障或外界环境而突变时,它能通过与电网串联的变流装置VSC1,根据系统电压的需要释放电容中存储的能量,实现系统电压的实时监控与补偿,从而保证供电电压的质量[10]。并联有源电力滤波器是当电流需要谐波补偿时,它通过与电网并联的变流装置VSC2,根据谐波电流的大小释放电容中存储的能量,以实现对系统电流谐波的补偿。
利用传统的滞环比较器实现对指令电流的跟踪时,一般是先确定环宽,这样会使开关器件的开关频率不确定,当环宽过小时,被跟踪量变化太大,开关器件的频率会很高,严重时会损坏器件;当环宽较大时,可能会使跟踪效果变差,而且当电流出现尖峰时,传统的滞环比较器会产生很大的误差。
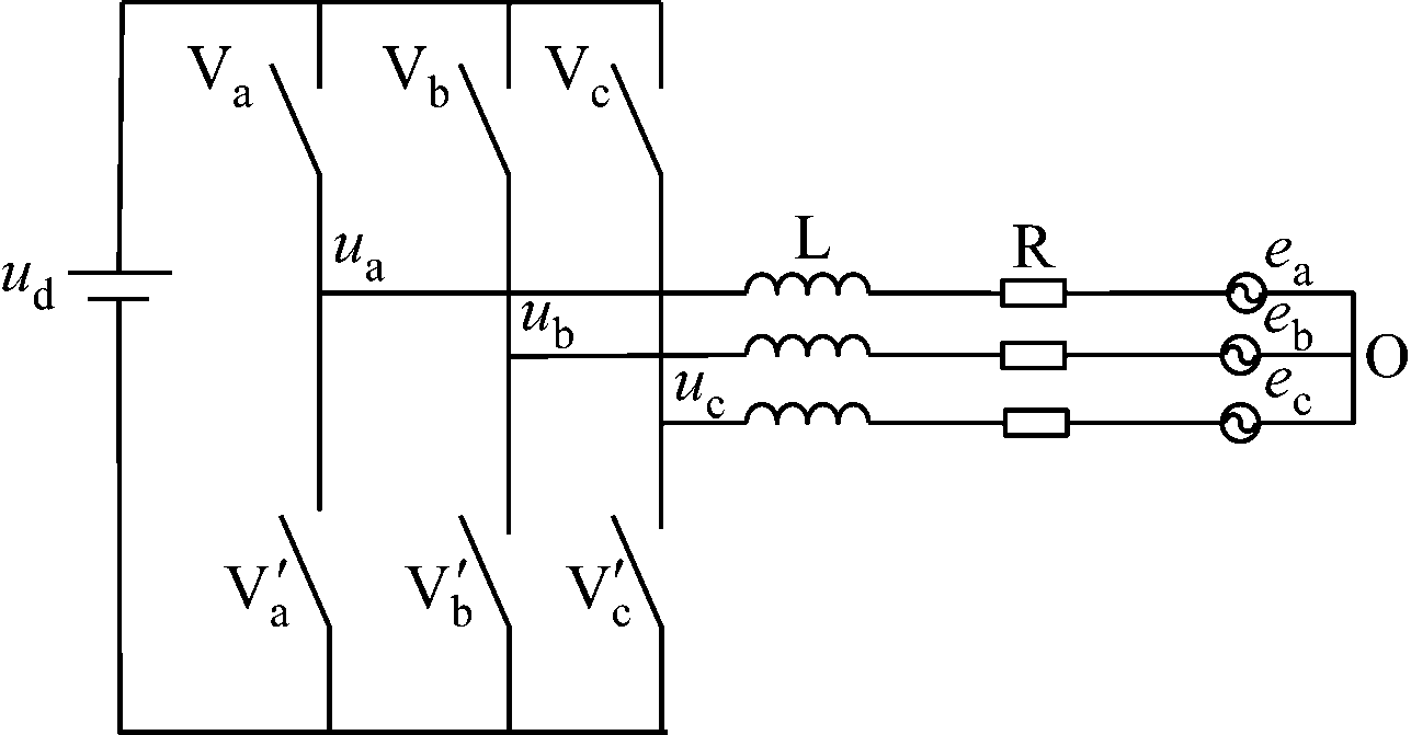
针对传统滞环比较方式出现的问题,本文采用基于空间电压矢量的电流恒频双滞环比较方式实现对电流的跟踪,通过对环宽的动态调整实现开关频率恒定,能够很好地解决因为环宽设置不当带来的问题及开关频率过高带来的开关损耗过大的问题[11]。以A相电流的跟踪补偿为例,单相滞环电流跟踪控制原理如图2所示,图中C为直流侧电容,L
为滤波电感,ea为电网侧电压。

图2 单相滞环电流跟踪控制原理
Fig.2 Principle of tracking control of single-phase hysteresis loop current
逆变器输出的补偿电流ica受逆变桥输出电压ua和网侧电压ea的影响。由图2可得A相电流跟踪补偿的瞬时方程为
(1)
设直流侧电压为Ud,则逆变桥输出电压ua为
(2)
两态滞环电流跟踪控制原理如图3所示。h为滞环比较器的环宽,
为指令补偿电流。当输出电流ic大于正环宽时,滞环比较器输出低电平,逆变桥输出电压为-Ud,输出电流开始减小;当输出电流小于负环宽时,滞环比较器输出高电平,逆变桥输出电压为Ud,输出电流开始增大[12]。

图3 两态滞环电流跟踪控制原理
Fig.3 Principle of tracking control of two-state hysteresis loop current
由于开关频率较高,在一个开关周期T内电源电压可近似认为不变,在t1时间段内,逆变桥输出电压为-Ud,补偿电流下降2h,由此可求得t1为
(3)
在t2时间段内,逆变桥输出电压为Ud,补偿电流上升2h,由此可求得t2为
(4)
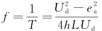
由t1+t2=T,联立式(3)、式(4)可得开关频率f的表达式为
(5)
由于直流侧电压Ud、电感L及开关频率f在该系统中为恒定值,所以,要实现电流恒频控制,可通过式(5)推导出环宽h关于电网侧电压ea的函数关系式,通过控制环宽h跟随ea的变化,便可实现电流的恒频控制。
用上述电流恒频滞环控制方法能够实现开关频率的恒定,但是应用在三相系统中无法解决相间干扰的问题。利用三相间的关联性,使用矢量控制就能够很好地解决相间干扰问题[13]。并联有源电力滤波器的等效电路如图4所示。

图4 并联有源电力滤波器等效电路
Fig.4 Equivalent circuit of shunt active power filter
该等效电路为三相电压型整流器(Voltage Source Rectifier,VSR)拓扑结构,将该结构的电路方程转换成矢量方程,定义U为VSR输出电压矢量,E为电网侧电压矢量,I为交流侧电感电流,L为滤波电感值,忽略交流侧的电阻,可得三相电压型逆变器电压矢量方程为
(6)
系统的控制目标是根据指令电流的变化,通过控制逆变器的输出电压与输出电流,实现输出电流对指令电流的跟踪。设指令电流矢量为I*,指令电压矢量为U*,要实现电流零误差跟踪,指令电压矢量应满足式(7):
(7)
定义ΔI为误差电流矢量,即
ΔI=I*-I
(8)
利用式(6)—式(8)可以得到误差电流矢量ΔI、指令电压矢量U*与实际输出电压矢量U之间的关系为
(9)
由式(9)可以看出,要想实现电流的跟踪,即使误差电流矢量ΔI趋向于零,对于给定的指令电压矢量U*,可以通过选择合适三相VSR输出的电压矢量U来达到控制目标。
根据上述等效电路,电路中的开关器件用理想开关代替,同一桥臂的2个开关管不能同时导通,所以,这6个开关管有8种导通组合,不同的开关状态,交流侧对应的输出电压可以用一个复平面上的模为2ud/3的空间电压矢量表示[14]。而与该开关组合对应的逆变器输出电压瞬时值ua、ub、uc为该空间电压矢量在三相坐标轴上的投影。复平面上三相VSR空间电压矢量Uk可定义为

(10)
三相VSR有8个空间电压矢量Uk,将Uk代入式(9)得
(11)
根据式(11)可知,对于给定的指令电压矢量U*,需选择合适的电压矢量Uk控制误差电流矢量的变化率,从而实现电流的跟踪。要实现以上控制,首先需要判断指令电压矢量U*、误差电流矢量ΔI的所在区域,进而可以选择合适的输出电压矢量Uk。区域划分如图5所示。

(a) U*区域划分

(b) ΔI区域划分
图5 矢量U*、ΔI区域划分
Fig.5 VectorU*、ΔIarea division
从图5可以看出,6个模为2ud/3的空间电压矢量将复平面平均分成6个三角形区域。将这6个区域记为1—6,如图5(a)所示。这6个区域即为指令电压矢量U*所在区域,为了方便判断Δia、Δib、Δic的正负极性,将指令电压矢量U*所在区域的坐标系顺时针旋转π/6,得到ΔI的空间区域,也同样分为6个区域,记为(1)—(6),如图5(b)所示。
定义了指令电压矢量和误差电流矢量的区域分布以后,就可以对指令电压矢量U*和误差电流矢量ΔI所在区域进行判断[15]。
对于误差电流矢量ΔI的区域判断,可以根据误差电流矢量ΔI在三相坐标轴上的3个分量Δia、Δib、Δic的正负极性进行判别,如Δia<0、Δib>0、Δic<0时,误差电流矢量ΔI一定位于(3)区域。同理,可得误差电流矢量ΔI位于其他区域时各电流分量对应的极性,见表1。
表1 ΔI区域检测判据
Table 1 Detection criteria of ΔIArea

根据式(7)可以看出,指令电压矢量U*是由电网侧电压矢量E和指令电流变化率矢量dI*/dt合成,因为E、dI*/dt已知,所以通过计算就可以得到U*,指令电压矢量U*在三相静止坐标系上的投影即为三相电压的瞬时值
可以根据计算三相线电压
的正负来判断U*所在的区域,见表2。
表2U*区域检测判据
Table 2 Detection criteria ofU*Area

当判断出指令电压矢量U*和误差电流矢量ΔI所在的区域后,由式(11)可得到图5(a)中虚线所示的矢量为LdΔI/dt,这样就可以选择合适的输出电压空间矢量Uk,使误差电流矢量的变化率始终与误差电流矢量方向相反,从而使误差电流减小,实现对指令电流的跟踪。
本文采用双滞环控制策略对Uk进行选择,由图5(b)可知,当|ΔI|>h+Δh时,选择Uk使其对应的LdΔI/dt为最大分量,从而保证快速跟踪;当h≤|ΔI|≤h+Δh时,选择Uk使其对应的LdΔI/dt为最小分量,从而可以限制电流的变化率,抑制谐波的产生;当|ΔI|≤h时,保持原来的Uk不切换,从而限制开关频率,减小损耗。由以上规则可以得到在确定U*和ΔI所在的区域之后对Uk的选择规则,见表3。
与UPQC电流跟踪控制的控制策略相似, UPQC电压跟踪控制采用的是基于空间电压矢量的电压恒频双滞环跟踪控制策略,指令补偿电压与变流器实际输出电压作差,通过恒频滞环比较器得到误差电压矢量,误差电压矢量和指令电压矢量共同作用,通过选择合适的输出电压矢量,实现补偿电压对指令电压的跟踪。
表3Uk的选择规则
Table 3Ukselection rules

为验证本文所提出的控制策略的有效性,利用Matlab/Simulink建立了三相三线UPQC系统电路仿真模型。设置相电压有效值为220 V,负载以三相桥式整流电路作为谐波源;为模拟由于发生故障引起电压跌落,设置电源电压在0.5 s时发生30%的跌落。UPQC补偿前后的电网电流波形、电网电流频谱分别如图6、图7所示,UPQC补偿电流波形如图8所示。由图(6)—图(8)可以看出,经过UPQC补偿后,电源电流中的奇次谐波大大减少,补偿后的电流谐波畸变率DTH为1.60%。

(a) 补偿前

(b) 补偿后
图6 UPQC补偿前后的电网电流波形
Fig.6 Grid current waveform before and after compensated by UPQC
UPQC补偿前后的负载电压波形、补偿电压波形分别如图9、图10所示,UPQC补偿后负载电压频谱如图11所示。由图9—图11可以看出,系统能够及时检测出电压的跌落,并产生了准确的补偿电压对电压跌落进行有效的补偿,补偿后电压畸变率仅为1.06%。仿真结果证明了采用本文控制策略的统一电能质量调节器在电压和电流同时出现问题时能够及时对电压、电流进行补偿,补偿后的电压、电流谐波畸变率较低。

(a) 补偿前

(b) 补偿后
图7 UPQC补偿前后的电网电流频谱
Fig.7 Grid current spectrum before and after compensated by UPQC

图8 UPQC补偿电流波形
Fig.8 Compensation current waveform generated by UPQC

(a) 补偿前

(b) 补偿后
图9 UPQC补偿前后的负载电压波形
Fig.9 Load voltage waveform before and after compensated by UPQC

图10 UPQC补偿电压波形
Fig.10 Compensation voltage waveform generated by UPQC
(1) 提出了基于空间电压矢量的恒频双滞环控制策略,并将此控制策略应用到统一电能质量调节器中对补偿电压和补偿电流进行跟踪。通过对单相电流、电压滞环跟踪分析,可得到固定开关频率时滞环宽度与网侧电压的函数关系,然后根据网侧电压的变化动态调节双环宽的值以实现开关频率的恒定,在跟踪补偿电流、电压的同时有效减小了开关损耗。

图11 UPQC补偿后的负载电压频谱
Fig.11 Load voltage spectrum compensated by UPQC
(2) 将恒频双滞环控制策略与空间电压矢量相结合,根据误差电流矢量的变化选择合适的空间电压矢量,对于消除相间干扰、减小电流谐波具有重要意义。仿真结果验证了该策略的正确性,经采用该策略的统一电能质量调节器补偿后的电压、电流谐波小,保证了电网的安全运行。
参考文献( References) :
[1] 张光磊.浅析煤矿自动化生产存在的问题及其发展趋势[J].山东工业技术,2017(14):80-81.
ZHANG Guanglei.Analysis of existing problems and development trend of coal mine automation production[J].Shandong Industry Technology,2017(14):80-81.
[2] 谷瑞.煤矿自动化现状及发展趋势[J].机电工程技术,2015,44(8):185-187.
GU Rui.Present situation and development trend of coal mine automation[J].Mechanical & Electrical Engineering Technology,2015,44(8):185-187.
[3] 张申.煤矿自动化发展趋势[J].工矿自动化,2013,39(2):27-33.
ZHANG Shen.Development of coal mine automation[J].Industry and Mine Automation,2013,39(2):27-33.
[4] ENSLIN J H R,HESKES P J M.Harmonic interaction between a large number of distributed power inverters and distribution network[J].IEEE Transactions on Power Electronics,2004,19(6):1586-1593.
[5] 王清亮,姚苗.煤矿电能质量综合量化评价研究[J].工矿自动化,2015,41(2):42-46.
WANG Qingliang,YAO Miao.Research of comprehensive quantitative evaluation of power quality of coal mine[J].Industry and Mine Automation,2015,41(2):42-46.
[6] 陈建宇,安琪,史经丛,等.一种新型有源电力滤波器电流控制策略研究[J].工矿自动化,2015,41(1):92-96.
CHEN Jianyu,AN Qi,SHI Jingcong,et al.Research of a novel current control strategy for active power filters[J].Industry and Mine Automation,2015,41(1):92-96.
[7] 任永峰,李含善,李建林,等.统一电能质量控制器的建模与仿真[J].电力系统及其自动化学报,2009,21(4):30-35.
REN Yongfeng,LI Hanshan,LI Jianlin,et al.Modeling and simulation of unified power quality conditioner[J].Proceedings of the CSU-EPSA,2009,21(4):30-35.
[8] 秦学斌,张一哲,汪梅.有源电力滤波器对消除谐波电流的研究[J].西安科技大学学报,2016,36(2):275-281.
QIN Xuebin,ZHANG Yizhe,WANG Mei.Active power filter for eliminating harmonic current[J].Journal of Xi'an University of Science and Technology,2016,36(2):275-281.
[9] 吴秋艳,王宏华.统一电能质量调节器并联侧APF谐波检测技术[J].电力电子技术,2012,46(1):66-69.
WU Qiuyan,WANG Honghua.Research on harmonic detecting method for shunt APF in UPQC[J].Power Electronics,2012,46(1):66-69.
[10] 王兆安,杨君,刘进军.谐波抑制与无功功率补偿[M].北京:机械工业出版社,2005:318-321.
[11] 洪峰,单任仲,王慧贞,等.一种变环宽准恒频电流滞环控制方法[J].电工技术学报,2009,24(1):115-119.
HONG Feng,SHAN Renzhong,WANG Huizhen,et al.A varied hysteresis-band current controller with fixed switching frequency[J].Transactions of China Electrotechnical Society,2009,24(1):115-119.
[12] VILELADA S,VILELA M,et al.Proposal of a hysteresis control technique with almost constant frequency applied to the three phase boost converter[C]//IEEE International Symposium on Industrial Electronics,2003:980-987.
[13] ZENG Jiang,YU Chang,QI Qingru.A novel hysteresis current control for active power filter with constant frequency[J].Electric Power Systems Research,2004,68(1):74-82.
[14] 陈海舰,仲丽云.基于SVPWM的永磁同步电动机控制系统设计[J].工矿自动化,2011,37(6):46-49.
CHEN Haijian,ZHONG Liyun.Design of control system of PMSM based on SVPWM[J].Industry and Mine Automation,2011,37(6):46-49.
[15] 张兴,张崇巍.PWM变流器及其控制[M].北京:机械工业出版社,2011:203-217.