于志学, 房绪鹏, 赵扬
(山东科技大学 电气与自动化工程学院, 山东 青岛 266510)
摘要:针对煤矿井下矿用电源工作环境,设计了一种“ia”级新型本质安全型电源。该电源采用全封闭式AC-DC模块,无需专门的隔爆外壳,且具有两重过压保护电路和三重过流保护电路。实验结果表明,该电源在无故障、1个计数故障及2个计数故障情况下发生负载短路时,均没有出现火花,实现了本质安全性能。
关键词:矿用电源; 本质安全型; “ia”保护等级; 两重过压保护; 三重过流保护
本质安全型电源广泛应用于煤矿各种电子设备、控制仪表、测量仪器、电气传动设备等。煤矿井下存在瓦斯、煤尘等爆炸性危险气体,其电气设备一般要求具有“ib”保护等级,但是置于管道内与瓦斯输送监控系统等设备相关联的电源应满足“ia”等级要求[1]。
目前专门针对“ia”级本质安全型矿用电源设计的文献较少。文献[2-4]通过限制电源内部电气参数,使其满足本质安全要求。事实上,电源需要较大的整流滤波电容,该部分很难达到完全本质安全要求[5],大部分矿用电源的安全性能主要依靠多重化输出限能来实现[6]。文献[7]设计了一种基于单端反激式矿用电源, 采用隔离变压器实现电气隔离,主电路设计复杂。目前大部分矿用电源都放置在隔爆外壳中,较为笨重。本文设计了一种“ia”级新型本质安全型电源。其采用全封闭式AC-DC模块,在输出端设计符合本质安全要求的两重过压、三重过流保护电路,且不需要专门的隔爆外壳,满足GB 3836.4—2010中“ia”等级对本质安全型电源的要求。
“ia”级新型本质安全型电源组成如图1所示。为便于实现多重化冗余设计,“ia”级新型本质安全型电源采用后端保护模式[5],在AC-DC模块后接两重过压保护电路和三重过流保护电路,通过控制输出侧开关,使电源在正常工作和规定的故障(2个计数故障及其在最不利条件下的非计数故障)状态下可能产生的电火花能量小于最小点燃能量。

图1 “ia”级新型本质安全型电源组成
Fig.1 Constitution of novel intrinsically safe power supply with "ia" grade
本质安全型电源输入端和输出端要有可靠的电气隔离,且采用电源模块作为隔离部件时,其耐压值 应不低于2 500 V[8]。矿用电源的输入一般为AC127 V。井下电网电压变化范围较大,本质安全型电源必须能够稳定工作在输入电压的75%~115%范围内,且运行的额定功率不得超过批量生产时标称额定值的2/3[9]。经查阅资料并比较,选用 Wispower WAW25S12 AC-DC模块。该模块具有AC85~264 V输入、DC12 V输出,短路关断时自动恢复,电气隔离耐压值为3 000 V,输出功率为25 W,效率达83%;采用全封闭式小型化嵌入式封装,体积小,可靠性及效率高,且能与井下爆炸性危险气体全部隔绝。
3.1 过压保护电路
“ia”级本质安全型电源需要三重过压、过流保护电路[8]。“ia”级新型本质安全型电源中,AC-DC模块本身具有过压保护功能,因此设计了两重过压保护电路。该电路由一种过压快速保护电路级联而成,在保护电路发生异常时提供冗余。
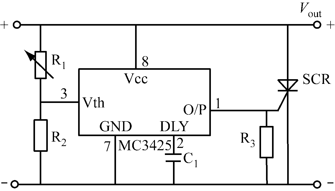
过压快速保护电路如图2所示。其灵敏度高,能实现过压速断,输出端可承受1 A以上电流[10]。该电路动作电压Vmax=12.9 V。根据Vmax=2.5(1+R1/R2),设定R1=10 kΩ,R2=2.4 kΩ。当电压正常时,R1,R2组成的分压器分压小于检测芯片MC3425内部基准电压(2.5 V),MC3425端口1输出低电平,不能触发SCR,电路正常输出12 V;当电压超过规定值时,R2电压大于MC3425内部基准电压,MC3425端口1输出高电平,SCR导通,因其导通电阻很小,输出端电压被短路,造成前面的模块输出关断,从而达到过压保护效果。

图2 过压快速保护电路
Fig.2 Fast over-voltage protection circuit
3.2 过流保护电路
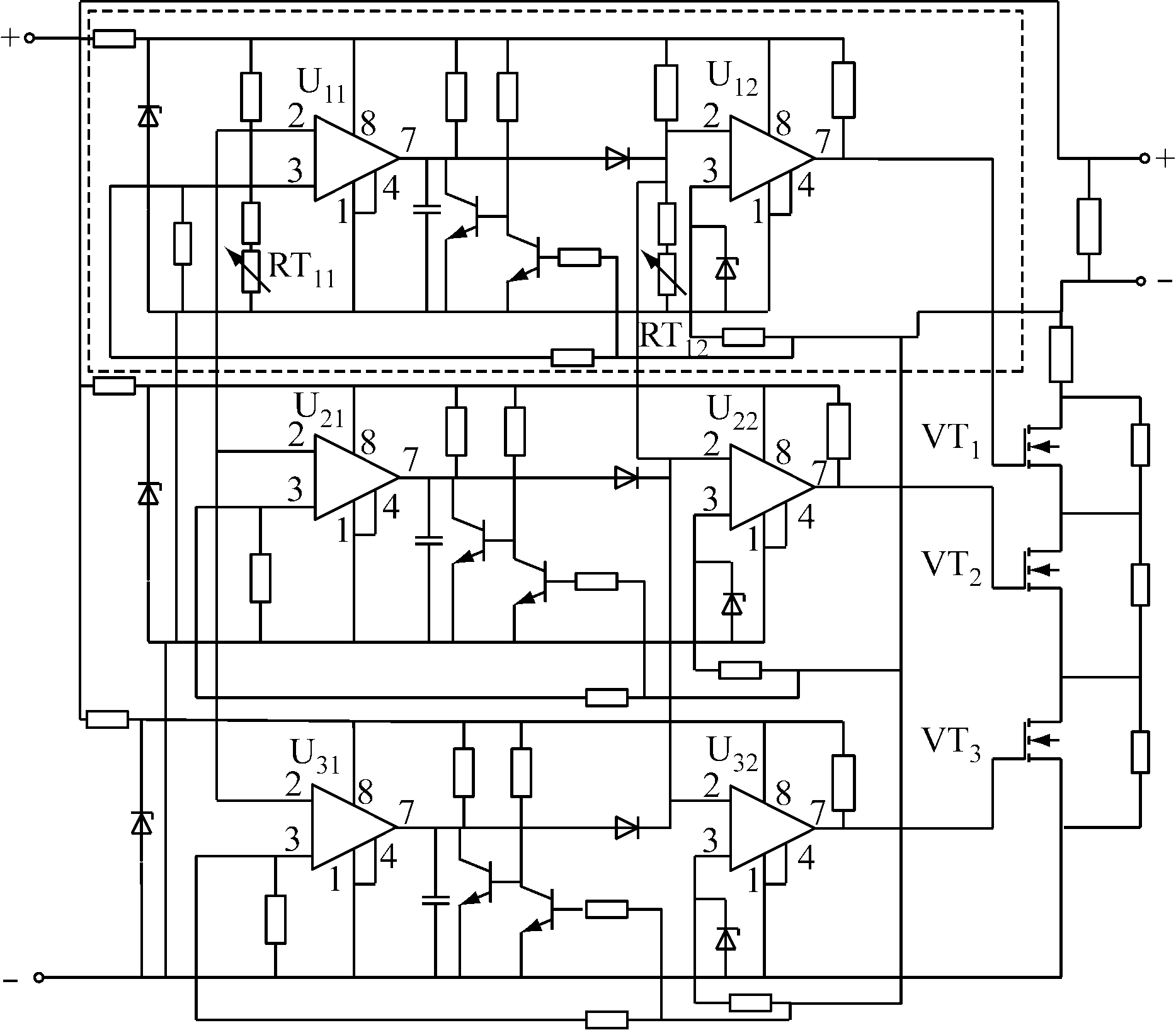
常用的过流保护有限流型和截流型2种类型。本文采用文献[11]中的快速截流保护电路。该电路不含电感元件,只有1个1 μF电容,具有过流关断、自恢复功能,且截止电流大、截流速度快(0.1 μs级)、投入点可调节。由该电路组成的三重过流保护电路如图3所示。开关管VT1,VT2,VT3选用IRF3710S Power MOSFET。三重过流保护电路需要3套驱动检测控制电路,如图3中虚线框内所示。每套驱动检测控制电路分别控制1个开关管,实现电路启动、截流、过流恢复等功能。当其中一重过流保护电路因故障不能正常工作时,其余电路仍能保持独立工作。电路具体参数可参考文献[11],本文不再赘述。

图3 三重过流保护电路
Fig.3 Over-current protection circuit of three redundancy
“ia”等级的本质安全型电气设备必须满足在正常工作和施加2个计数故障情况下,出现最不利条件下的非计数故障时都无法引起电路点燃[12-13]。本文按照该思路对“ia”级新型本质安全型电源进行实验验证。
首先测试了电源各电路功能。在过压保护电路实验中,采用13 V开关电源作为电路输入部分,该电源输出电压通过自带滑动变阻器调节,短路时报警灯闪烁。实验中先调节滑动变阻器阻值,使开关电源输出DC12.9 V,然后接入过压保护电路,缓慢调小过压保护电路中R1阻值,直到开关电源的报警灯闪烁为止。在过流保护电路实验中,采用12 V电源模块作为过流保护电路的输入部分,采用大功率滑动变阻器作为负载,调节电位器RT11,RT12,使过流保护电路的截流电流为1.5 A,过流关断后的重启电流为1.2 A。当新型本质安全型电源负载电流达到过流值1.5 A(此时负载为7.5 Ω)时,电源输出电压波形如图4(a)所示,可看出电压瞬间跌落。当负载恢复正常(9.5 Ω)、电流刚小于1.2 A时,电源输出电压波形如图4(b)所示,可看出电压迅速恢复。电源主要技术参数见表1。
然后对新型本质安全型电源进行故障模拟实验。设置2种计数故障:使开关管一直导通的故障;使开关管一直关断的故障。实验中拔掉比较器U11(U21,U31),会使开关管VT1(VT2,VT3)一直处于关断状态;拔掉比较器U12(U22,U32),会使开关管VT1(VT2,VT3)一直处于导通状态。分别观察电源在无故障、存在1个计数故障、存在2个计数故障时,出现最不利条件非计数故障(即负载短路)情况下负载侧火花放电情况。故障模拟实验结果见表2。
从表2可看出,当负载短路时,“ia”级新型本质安全型电源在无故障、1个计数故障及2个计数故障下均没有出现火花,实现了本质安全性能。

(a) 负载过流时

(b) 负载恢复正常时
图4 “ia”级新型本质安全型电源输出波形
Fig.4 Output waves of novel intrinsically safe power supply with "ia" grade
表1 “ia”级新型本质安全型电源技术参数
Table 1 Technical parameters of novel intrinsically safe power supply with "ia" grade

表2 “ia”级新型本质安全型电源故障模拟实验结果
Table 2 Simulated fault test results of novel intrinsically safe power supply with "ia" grade

针对煤矿井下矿用电源工作环境,根据GB 3836.4—2010要求,设计了一种“ia”级新型本质安全型电源。该电源在负载侧过流时能快速、准确地切断电路,且短路时不产生火花,负载正常后可迅速恢复;所选AC-DC模块为全封闭式,适应宽范围输入,当电网电压大范围变化时,电源能输出稳定电压,效率高。鉴于电源电路可能产生瞬态效应,且受实验条件限制,没有进行专业火花点燃试验,该电源还需经相关防爆电气产品质量监督检验部门验证。
参考文献(References):
[1] 安标国家矿用产品安全标志中心.2012年度防爆电气产品安全技术研讨会会议纪要[EB/OL].(2012-02-01)[2017-02-03]. http:wenku.baidu.com/link?url=1Mzw1-yXoXz5kenxjF6JGhWLgazEAxg3QJ-ET15NvC3kEoPile881BSQlebuZ6vTn2hGEx6gbudd0-GYj1Acskp8nCNxElwoV59eKbLu.
[2] 刘树林,刘健,钟久明.输出本质安全型 Buck-Boost DC-DC变换器的分析与设计[J].中国电机工程学报,2008,28(3):60-65.
LIU Shulin,LIU Jian,ZHONG Jiuming.Analysis and design of output intrinsically safe Buck-Boost DC-DC converter[J].Proceedings of the Chinese Society for Electrical Engineering,2008,28(3):60-65.
[3] 刘树林,钟久明,樊文斌,等.电容电路短路火花放电特性及其建模研究[J].煤炭学报,2012,37(12):2123-2128.
LIU Shulin,ZHONG Jiuming,FAN Wenbin, et al. Short circuit discharge characteristics of the capacitive circuit and its mathematical model[J].Journal of China Coal Society,2012,37(12):2123-2128.
[4] 刘树林,马一博,文晓明,等.输出本安 Buck-Boost 变换器的最危险输出短路放电工况研究[J].电工技术学报,2015,30(14):253-260.
LIU Shulin,MA Yibo,WEN Xiaoming,et al.Research on the most dangerous output short-circuit discharge conditions of output intrinsic safety Buck-Boost converters[J].Transactions of China Electrotechnical Society,2015,30(14):253-260.
[5] 于月森,谢东莹,伍小杰.本安防爆系统与本安电源结构特点及分类探讨[J].煤炭科学技术,2012,40(3):78-82.
YU Yuesen, XIE Dongying, WU Xiaojie. Discussion on features and classification of intrinsic safe flame proof system and intrinsic safe electric power structure [J].Coal Science and Technology,2012,40(3):78-82.
[6] 周亚夫,许辰雨.矿用本安电源保护电路的优化设计[J].中国煤炭,2015,41(1):70-72.
ZHOU Yafu,XU Chenyu.Research on optimization design of the protection circuit of mine intrinsically safe power [J].China Coal,2015,41(1):70-72.
[7] 俞优姝,李良光,王亚清,等.基于单端反激式本安电源的设计[J].煤炭技术,2011,30(1):39-41.
YU Youshu,LI Liangguang,WANG Yaqing, et al. Design of intrinsically-safe power supply based on single-ended flyback[J].Coal Technology,2011,30(1):39-41.
[8] 朱前伟.矿用本质安全电源的基本要求和设计方法[J].工矿自动化,2012,38(2):22-25.
ZHU Qianwei. Basic requirements and design method of mine-used intrinsic safety power supply[J].Industry and Mine Automation,2012,38(2):22-25.
[9] 张显力,张海鸥.防爆电气概论[M].2版.北京:机械工业出版社,2014.
[10] 徐德鸿,沈旭,杨成林,等.开关电源设计[M].2版,北京:机械工业出版社,2004.
[11] 房绪鹏,于志学,秦明,等.用于本质安全电源的新型截流型保护电路[J].工矿自动化,2016,42(12):56-58.
FANG Xupeng, YU Zhixue, QIN Ming,et al. A novel chopping current protection circuit for intrinsically safe power supply[J]. Industry and Mine Automation,2016,42(12):56-58.
[12] GB 3836.4—2010爆炸性环境 第4部分 由本质安全型“i”保护的设备[S].
[13] 左官芳.矿用隔爆兼本安型ia电源电路设计与检测[J] .科技资讯,2015,13(17):55-56.
ZUO Guanfang. Design and test method of mining flameproof and intrinsically safe power supply circuit for level of protection "ia"[J].Technology Information,2015,13(17):55-56.
Design of novel intrinsically safe power supply with "ia" grade
YU Zhixue, FANG Xupeng, ZHAO Yang
(College of Electrical Engineering and Automation,Shandong University of Science and Technology, Qingdao 266510, China)
Abstract:According to working condition of mine-used power supply in coal mine underground, novel intrinsically safe power supply with "ia" grade was designed. The power supply uses a fully enclosed AC-DC module to eliminate special flameproof enclosure, and has over-voltage protection circuit of dual redundancy and over-current protection circuit of three redundancy. The experimental results show there is no spark when the power supply load is short circuited under the conditions of no fault, one counting fault and two counting faults, which realizes intrinsic safety.
Key words:mine-used power supply; intrinsic safety type; "ia" protection grade; over-voltage protection of dual redundancy; over-current protection of three redundancy
收稿日期:2017-02-22;
修回日期:2017-06-15;责任编辑:李明。
基金项目:中国博士后科学基金资助项目(20090461254);山东科技大学研究生科技创新项目(2017SDKDYC17035)。
作者简介:于志学(1990-),男,山东峡山人,硕士研究生,研究方向为本质安全型电源,E-mail:2247224056@qq.com。通信作者:房绪鹏(1971-),男,山东汶上人,副教授,博士,研究方向为电力电子与电气传动,E-mail:xpfang69@163.com。
引用格式:于志学,房绪鹏,赵扬.一种“ia”级新型本质安全型电源设计[J].工矿自动化,2017,43(8):83-86. YU Zhixue, FANG Xupeng, ZHAO Yang. Design of novel intrinsically safe power supply with "ia" grade[J].Industry and Mine Automation,2017,43(8):83-86.
文章编号:1671-251X(2017)08-0083-04
DOI:10.13272/j.issn.1671-251x.2017.08.016
中图分类号:TD60
文献标志码:A 网络出版时间:2017-07-27 10:24
网络出版地址:http://kns.cnki.net/kcms/detail/32.1627.TP.20170727.1024.016.html