王树强1,2
(1.中煤科工集团常州研究院有限公司, 江苏 常州 213015;2.天地(常州)自动化股份有限公司, 江苏 常州 213015)
摘要:按照欧洲标准EN 301 489-1中的电磁兼容性要求,矿用人员定位系统在国外应用必须通过辐射发射测试。针对该要求,对矿用人员定位系统进行了辐射发射测试,分析了辐射噪声的形成原因,并提出了整改方案:对于时钟信号引起的辐射发射超标,在PCB布线时缩短时钟信号走线长度,减少过孔,加大走线宽度和线间距,同时两边铺设接地线进行屏蔽,减小时钟线的回流面积;针对不同时钟电路,采取低通滤波、共模抑制等措施降低辐射信号发射。测试结果表明,整改后的人员定位系统最大峰值频点功率比EN 55032标准CLASS A要求值低13.086 dB,比CLASS B要求值低3.086 dB,满足出口要求。
关键词:矿用人员定位系统; 电磁兼容; 辐射发射; 低通滤波; 共模抑制
矿用人员定位系统是中国煤矿建设的“六大系统”之一,在遏制超定员生产、事故应急救援等方面发挥了重要作用[1]。南非煤矿引进中国矿用人员定位系统时,在功能、安全防爆等方面与中国的要求基本一致[2],但在电磁兼容方面,要求系统的抗干扰性能和对外电磁干扰等必须通过欧洲标准的相关认证。矿用人员定位系统包含无线通信模块,按照欧洲标准EN 301 489-1[3]中的电磁兼容性要求,系统必须通过辐射发射测试。鉴此,本文进行了幅射发射测试,并根据测试结果设计了系统的整改方案,测试依据的标准为EN 55032《多媒体设备的电磁兼容性发射要求》[4]。
1.1 测试系统构成
辐射发射测试系统由测试仪器、接收天线、实验台(转台)、天线、人员定位受试系统(Equipment Under Test,EUT)等组成,测试在3 m半波暗室进行,如图1所示。

图1 辐射骚扰测试设备布局
Fig.1 Layout of Radiation harassment test equipment
测试时,根据设置的脚本,被测设备在转台上360°旋转,同时天线在支架上上下移动并且改变方向。测试脚本能够找出并记录被测设备的最大辐射状态,包括天线高度、极化方式、转台角度等,然后用测试仪器测试出各点在所要求的频率范围内的最大发射值。
1.2 测试结果
图2、图3是依据EN 55032的要求测试的系统水平/垂直极化初次辐射发射3米法测试波形,可见,系统整体噪声值较低,但是在部分频点出现超标,峰值频点见表1和表2。图中50~57 dBμV/m折线代表CLASS A标准限定值,40~47 dBμV/m折线代表CLASS B标准限定值;表1和表2中,序号分别对应图2、图3中的各点,超限值代表测量值超出CLASS A标准限定值的部分,“-”表示低于该标准的数值。

图2 水平方向第1次测试结果
Fig.2 Result of the first test in horizontal direction

图3 垂直方向第1次测试结果
Fig.3 Result of the first test in vertical direction
1.3 峰值频点分析
矿用人员定位系统分站等设备主要由高速数字系统构成,系统中固定频率的时钟信号是主要电磁干扰源之一,电路接地不良、信号大环路、串扰、传输线缆、阻抗失配等问题容易导致辐射噪声[5-6]。分析表1和表2的数据,发现峰值频点主要出现在12 MHz时钟信号、50 MHz时钟信号和LVDS(Low Voltage Differential Signaling, 低压差分信号)时钟信号的高频分量处,具体见表3—表5。由表3—表5可知,按照CLASS A测试标准,明显超出标准要求的199.992频点,超出0.460 dB。按照CLASS B测试标准,多个频点峰值超出要求,最高超出10.460 dB。
2.1 总体方案
骚扰源、耦合路径、敏感设备是电磁干扰形成的三要素,在特定产品的电磁兼容整改中常采用屏蔽、滤波和接地等措施[7-10]。针对本系统,对于时钟信号引起的辐射发射超标,在PCB布线时必须缩短时钟信号走线长度,减少过孔,加大走线宽度和线间距,同时两边铺设接地线进行屏蔽,减小时钟线的回流面积,并针对不同时钟电路采取低通滤波、共模抑制等措施降低辐射信号发射。
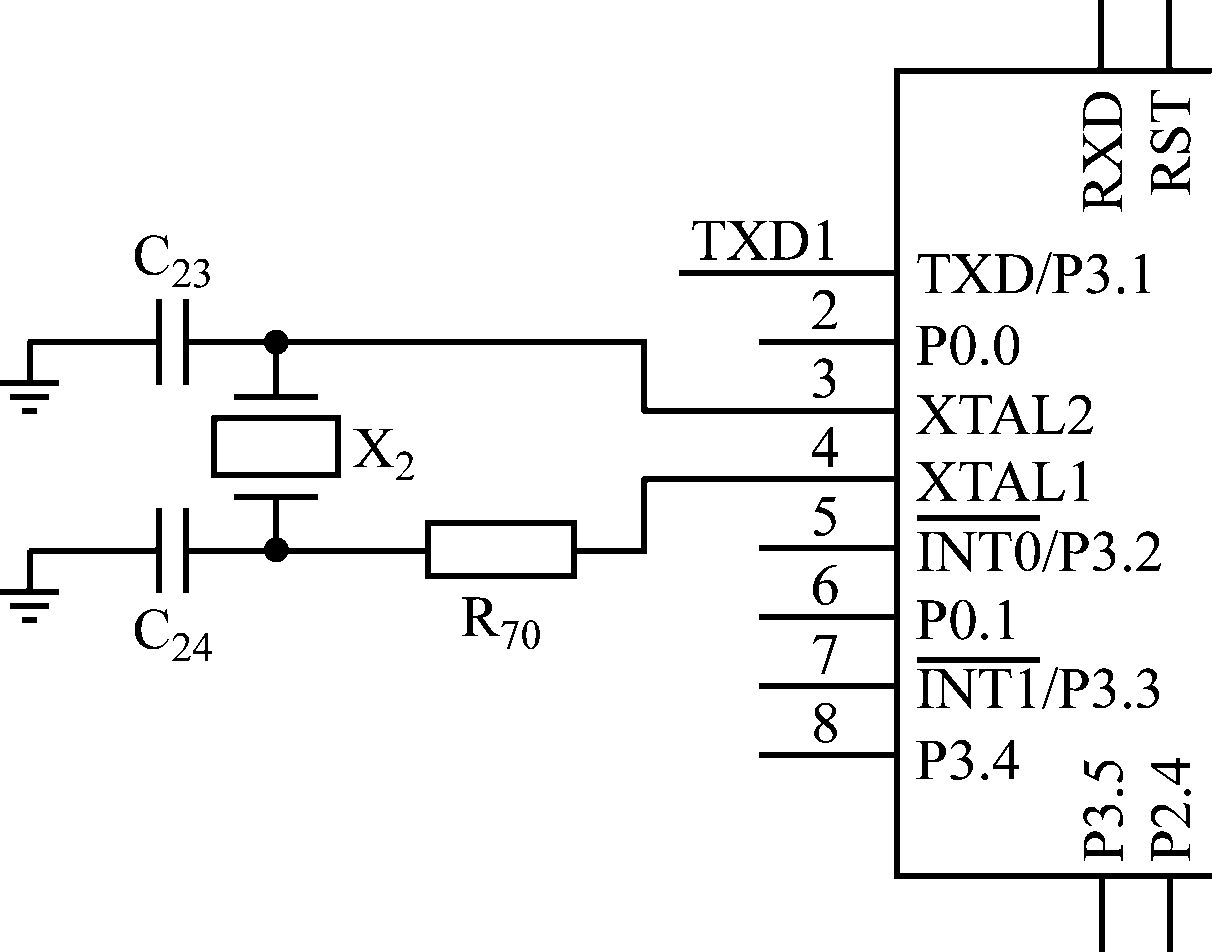
2.2 12 MHz时钟信号方案
低通滤波、扩频技术是常用的抑制时钟信号辐射的方案[11-12]。在本系统中,对于12 MHz时钟电路,增加电阻R70,R70与电容C24构成RC低通滤波电路,以滤除时钟信号的高频分量,如图4所示。电阻R70的选择需要考虑2个方面因素的影响:① 构成的低通滤波器的截止频率,R70的阻值越大,对高频信号的衰减效果越好。② R70的存在有可能影响振荡器的起振条件,因而R70的阻值不宜过大。
表1 水平方向第1次测试峰值频点
Table 1 Peak frequency of the first test in horizontal direction

表2 垂直方向第1次测试峰值频点
Table 2 Peak frequency of the first test in vertical direction

表3 12 MHz时钟信号高频分量分析
Table 3 High component analysis of 12 MHz clock signal

表4 50 MHz时钟信号高频分量分析
Table 4 High component analysis of 50 MHz clock signal

表5 LVDS时钟信号高频分量分析
Table 5 High component analysis of LVDS clock signal


图4 12 MHz时钟电路
Fig.4 12 MHz clock circuit
推荐使用下面的方法确定电阻R70的阻值。在R70的位置放置一个值等于C24的容抗的分压电阻,然后不断微调这个分压电阻的值,使之满足如下条件:① 时钟晶体上的功率耗散小于制造商的指定值,以避免晶体被过驱动。② 计算增益裕量,以确保增加的电阻不会影响振荡器的起振条件。
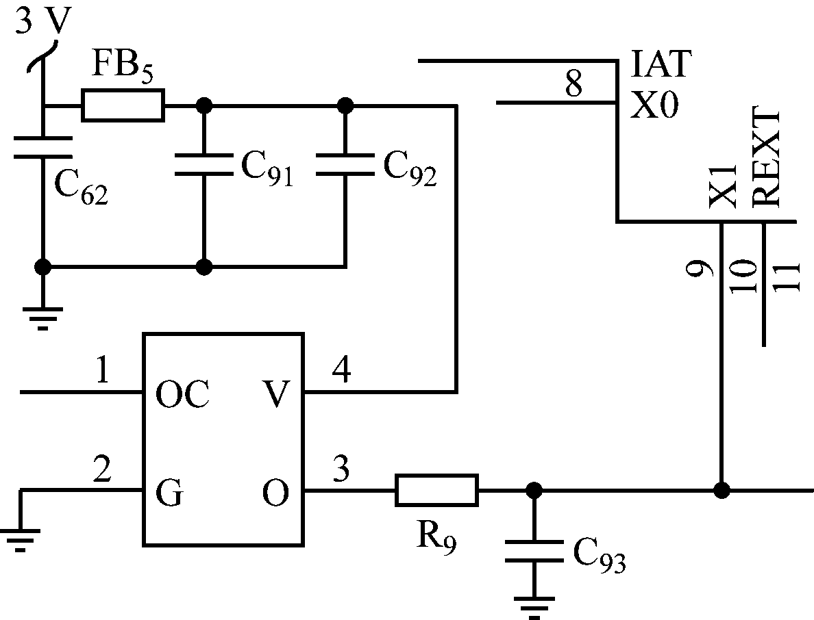
2.3 50 MHz时钟信号方案
50 MHz时钟信号对外影响主要有供电电路和时钟信号电路2个部分。对于供电电路,通过增加磁珠FB5和滤波电容C91,C92来衰减时钟高频信号对电源电路的影响[13],如图5所示。

图5 50 MHz时钟电路
Fig.5 50 MHz clock circuit
对于时钟信号电路,采用R9和C93构成无源低通滤波电路,实现高频信号的衰减[14]。无源滤波电路虽然通带放大倍数及其截止频率都随负载而变化,但是结构简单,易设计,适合时钟电路高频谐波的滤波应用,典型的低通滤波电路幅频特性曲线如图6所示,其中|
u|为输出电压与输入电压之比的幅值。在本方案中,通过改变电阻R9和电容C93的取值调整低通滤波器的截止频率fc,对于工作频率等于fc的信号,信号幅度衰减至0.707,当频率大于fc时,信号幅度以-20 dB/10倍频斜率衰减。截止频率fc的计算公式为
fc=![]()
(1)

图6 低通滤波电路幅频特性
Fig.6 Amplitude-frequency characteristics of low-pass filter circuit
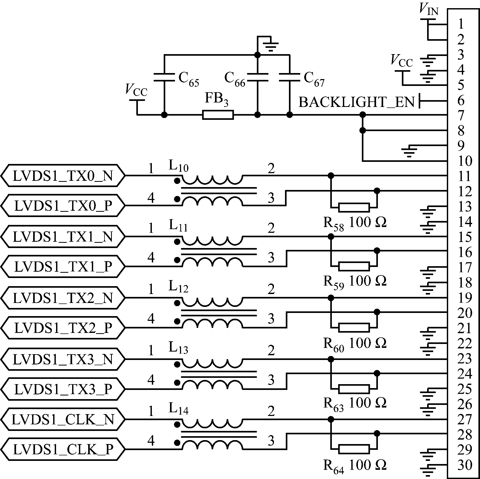
2.4 LVDS信号方案
由表5可知,LVDS信号影响的峰值频点超标量较小,通过在LVDS时钟、数据信号链路中串入共模电感,可以有效抑制高频信号发射[15]。电感选择主要考虑2个方面的因素:① 能够对峰值频点信号造成一定的衰减,使之满足测试标准的要求,电感量应越大越好。② 串入的电感将影响LVDS信号的传输速率,因而电感量不宜过大。整改后的电路如图7所示,所选用的电感的阻抗特性曲线如图8所示。
整改后,样机的最终测试结果如图9、图10所示,峰值点见表6、表7,可见系统最大峰值频点功率比EN55032标准CLASS A要求值低13.086 dB,比CLASS B要求值低13.086-10=3.086 dB,满足标准要求。

图7 LVDS接口电路
Fig.7 LVDS interface circuit

图8 LVDS滤波电感阻抗特性曲线
Fig.8 Impedance characteristic curve of LVDS filter inductance

图9 水平方向第2次测试结果
Fig.9 Result of the second test in horizontal direction

图10 垂直方向第2次测试结果
Fig.10 Result of the second test in vertical direction
表6 水平方向第2次测试峰值频点
Table 6 Peak frequency of the second test in horizontal direction

表7 垂直方向第2次测试峰值频点
Table 7 Peak frequency of the second test in vertical direction

(1) 介绍了矿用人员定位系统电磁兼容辐射发射测试,得出系统水平/垂直极化初次辐射发射3米法测试波形,发现峰值频点主要出现在12 MHz时钟信号、50 MHz时钟信号和LVDS时钟信号的高频分量处。根据测试结果,针对不同时钟电路采取低通滤波、共模抑制等措施降低辐射信号发射。矿用人员定位系统时钟信号是产品辐射发射超标的重点部位,在产品设计时应引起足够的重视。
(2) 除了上述整改措施,在设计前期一定要进行充分考虑,时钟信号PCB设计要优先布局和布线,把时钟信号对辐射发射的影响降到最小。
参考文献(References):
[1] 孙继平.煤矿井下安全避险“六大系统”的作用和配置方案[J].工矿自动化,2010,36(11):1-4.
SUN Jiping.Effect and configuration of "six systems" for safe act of rescue of coal mine underground[J].Industry and Mine Automation,2010,36(11):1-4.
[2] AQ 6210—2007 煤矿井下作业人员管理系统通用技术条件[S].
[3] ETSI EN 301 489-1(2008) Electromagnetic compatibility and Radio spectrum Matters(ERM);ElectroMagnetic Compatibility(EMC) standard for radio equipment and services;Part 1:Common technical requirements[S].
[4] CSN EN 55032 ed.2-Electromagnetic compatibility of multimedia equipment-Emission requirements[S].
[5] 颜伟,赵阳,王恩荣,等.射频识别系统电磁辐射干扰特征快速分析与抑制[J].中国电机工程学报,2012,32(9):161-166.
YAN Wei,ZHAO Yang,WANG Enrong,et al.Analysis and suppression on radiated EMI noise for radio frequency identification systems[J].Proceedings of the Chinese Society for Electrical Engineering,2012,32(9):161-166.
[6] 颜伟,赵阳,王恩荣,等.复杂电子系统辐射EMI噪声机理分析与抑制[J].中国电机工程学报,2013,33(15):173-180.
YAN Wei,ZHAO Yang,WANG Enrong,et al.Noise mechanism analysis and suppression for radiated electromagnetic interference noise[J].Proceedings of the CSEE,2013,33(15):173-180.
[7] 李燕,焦美.针对电子电气设备辐射发射的电磁兼容设计方法[J].微波学报,2014,30(增刊2):68-73.
LI Yan,JIAO Mei.EMC design methods of electronic equipments' radiated emission[J].Journal of Microwaves,2014,30(S2): 68-73.
[8] 侯宇,刘蒙,张成刚.电子设备抑制电场辐射发射工程设计及改进[J].光电技术应用,2014,29(3):48-51.
HOU Yu,LIU Meng,ZHANG Chenggang.Design and improvement engineering of suppressing electric field radiation from electronic equipment[J].Electro-Optic Technology Application,2014,29(3):48-51.
[9] 孙红艳,赵阳,张杨.高速数字PCB辐射电磁干扰噪声机理分析与抑制方法研究[J].电气技术,2015,16(12):61-66.
SUN Hongyan,ZHAO Yang,ZHANG Yang.Noise mechanism analysis and suppression for high-speed digital PCB radiated electromagnetic interference[J].Electrical Engineering,2015,16(12):61-66.
[10] 汤晓伟.电子数码相框的辐射发射抑制[J].安全与电磁兼容,2013(2):40-42.
TANG Xiaowei.Suppression of radiated emission from digital photo frame[J].Safety & EMC,2013(2):40-42.
[11] 张小林,侯捷,康亚强.RGB显示屏的辐射超标解决方案[J].安全与电磁兼容,2017(2):65-67.
ZHANG Xiaolin,HOU Jie,KANG Yaqiang.Radiation problem and solution of RGB display screen[J].Safety & EMC,2017(2):65-67.
[12] 许立,龙在云.基于医疗设备的辐射EMI噪声诊断与抑制技术研究[J].自动化与仪器仪表,2017(1):113-115.
XU Li,LONG Zaiyun.Research on noise diagnosis and suppression technology of radiation EMI based on medical equipment[J].Automation & Instrumentation,2017(1):113-115.
[13] 黎己林.高精度仪表的电磁兼容设计中磁珠应用浅析[J].机电工程技术,2016(增刊2):258-261.
[14] 苏宏锋,张丽霞,张强,等.基于FPGA核心控制板的PCB抗电磁干扰设计[J].数字技术与应用,2016(4):146-147.
SU Hongfeng,ZHANG Lixia,ZHANG Qiang,et al.Anti EMI design of PCB based on FPGA core control board[J].Digital Technology and Application,2016(4):146-147.
[15] 王风清.笔记本电脑的EMC方案设计与优化[D].苏州:苏州大学,2016.
Rectification scheme of electromagnetic compatibility radiation emission for mine-used personnel location system
WANG Shuqiang1,2
(1.CCTEG Changzhou Research Institute, Changhzhou 213015, China;2.Tiandi(Changzhou) Automation Co., Ltd., Changzhou 213015, China)
Abstract:According to requirement of electromagnetic compatibility in European Norm EN 301 489-1, mine-used personnel location system must pass radiation emission test when it is applied in foreign countries. For the requirement, radiation emission test for mine-used personnel location system was carried out, and causes of radiation noise was analyzed. The following rectification scheme was put forward: for the radiation emission caused by the clock signal, shorten the length of clock signal line during PCB routing, reduce the number of vias, increase the alignment width and line spacing, and laying ground wire on both sides to shield, so as to reduce return area of clock line; for different clock circuits, low-pass filter, common mode suppression and other measures were adopted to reduce radiation signal transmission. Tests results show that the maximum peak frequency power of the personnel location system after the rectification is 13.086 dB lower than requirement of EN 55032 standard CLASS A and 3.086 dB lower than the requirement of EN 55032 standard CLASS B, which can meet the export requirements.
Key words:mine-used personnel location system; electromagnetic compatibility; radiation emission; low-pass filtering; common mode rejection
收稿日期:2017-06-07;
修回日期:2017-06-29;责任编辑:胡娴。
基金项目:国家重点研发计划资助项目(2016YFC0801405);天地(常州)自动化股份有限公司研发项目(2017GY001)。
作者简介:王树强(1980-),男,江苏沛县人,工程师,现主要从事煤矿通信和定位技术方面的研究工作,E-mail:cariwsq@126.com。
引用格式:王树强.矿用人员定位系统电磁兼容辐射发射整改方案[J].工矿自动化,2017,43(8):25-30. WANG Shuqiang. Rectification scheme of electromagnetic compatibility radiation emission for mine-used personnel location system[J].Industry and Mine Automation,2017,43(8):25-30.
文章编号:1671-251X(2017)08-0025-06
DOI:10.13272/j.issn.1671-251x.2017.08.006
中图分类号:TD655.3
文献标志码:A 网络出版时间:2017-07-27 09:42
网络出版地址:http://kns.cnki.net/kcms/detail/32.1627.TP.20170727.0942.006.html