标准专栏
孙继平
(中国矿业大学(北京), 北京 100083)
摘要:本标准规定了煤矿安全监控系统及检测仪器的装备、设计和安装、传感器设置、使用与维护、系统及联网信息处理、管理制度与技术资料等要求。本标准适用于全国井工煤矿,包括新建和改、扩建矿井。
关键词:煤矿; 安全监控系统; 检测仪器; 传感器
本标准规定了煤矿安全监控系统及检测仪器的装备、设计和安装、传感器设置、使用与维护、系统及联网信息处理、管理制度与技术资料等要求。
本标准适用于全国井工煤矿,包括新建和改、扩建矿井。
下列文件对于本标准的应用是必不可少的。凡是不注日期的引用文件,其最新版本(包括所有的修改单)适用于本标准。
AQ 6201—2006煤矿安全监控系统通用技术要求
MT 423—1995空气中甲烷校准气体技术条件
4.1 矿井应装备煤矿安全监控系统。
4.2 煤矿安全监控系统应24 h连续运行。
4.3 煤矿安全监控系统及设备应符合AQ 6201—2006的规定,传感器稳定性应不小于15 d,防护等级不低于IP65。 用于煤与瓦斯突出矿井的甲烷传感器应为全量程或高低浓度甲烷传感器。
4.4 煤矿安全监控系统传感器的数据或状态应传输到地面主机。
4.5 煤矿应按矿用产品安全标志证书规定的型号选择监控系统的传感器、断电控制器等关联设备。
4.6 煤矿安全监控系统应与上一级管理部门联网。
4.7 矿长、矿技术负责人、爆破工、采掘区队长、通风区队长、工程技术人员、班长、流动电钳工、安全监测工下井时,应携带便携式无线甲烷检测报警仪或无线甲烷检测报警矿灯。瓦斯检查工下井时应携带便携式无线甲烷检测报警仪和光学甲烷检测仪。
4.8 煤矿采掘工、打眼工、在回风流工作的工人下井时宜携带无线甲烷检测报警矿灯。
5.1 煤矿编制采区设计、采掘作业规程和安全技术措施时,应对安全监控设备的种类、数量和位置,信号线缆和电源电缆的敷设,断电区域等做出明确规定,并绘制布置图和断电控制图。矿井安全监控系统设备布置图应以矿井通风系统图为底图,断电控制图应以矿井供电系统图为底图。
5.2 矿井安全监控系统主干线缆应当分设2条,从不同的井筒或者一个井筒保持一定间距的不同位置进入井下。安全监控系统不得与图像监视系统共用同一芯光纤。安全监控电缆应专用。系统应具有防雷电保护,入井线缆的入井口处和中心站电源输入端应具有防雷措施。
5.3 井下分站应设置在便于人员观察、调试、检验及支护良好、无滴水、无杂物的进风巷道或硐室中,安设时应垫支架,或吊挂在巷道中,使其距巷道底板不小于300 mm。
5.4 隔爆兼本质安全型防爆电源设置在采区变电所,不得设置在断电范围内:① 低瓦斯和高瓦斯矿井的采煤工作面和回风巷内;② 煤与瓦斯突出煤层的采煤工作面、进风巷和回风巷;③ 掘进工作面内;④ 采用串联通风的被串采煤工作面、进风巷和回风巷;⑤ 采用串联通风的被串掘进巷道内。
5.5 安全监控设备的供电电源不得接在被控开关的负荷侧。
5.6 安装断电控制时,应根据断电范围要求,提供断电条件,并接通井下电源及控制线。断电控制器与被控开关之间应正确接线,具体方法由煤矿主要技术负责人审定。
5.7 与安全监控设备关联的电气设备、电源线和控制线在改线或拆除时,应与安全监控管理部门共同处理。检修与安全监控设备关联的电气设备,需要监控设备停止运行时,应经矿主要负责人或主要技术负责人同意,并制定安全措施后方可进行。
5.8 模拟量传感器应设置在能正确反映被测物理量的位置。开关量传感器应设置在能正确反映被监测状态的位置。声光报警器应设置在经常有人工作、便于观察的地点。
6.1 通用要求
6.1.1 甲烷传感器应垂直悬挂,距顶板(顶梁、屋顶)不得大于300 mm,距巷道侧壁(墙壁)不得小于200 mm,并应安装维护方便,不影响行人和行车。
6.1.2 甲烷传感器的报警浓度、断电浓度、复电浓度和断电范围应符合表1的规定。
6.2 采煤工作面甲烷传感器的设置
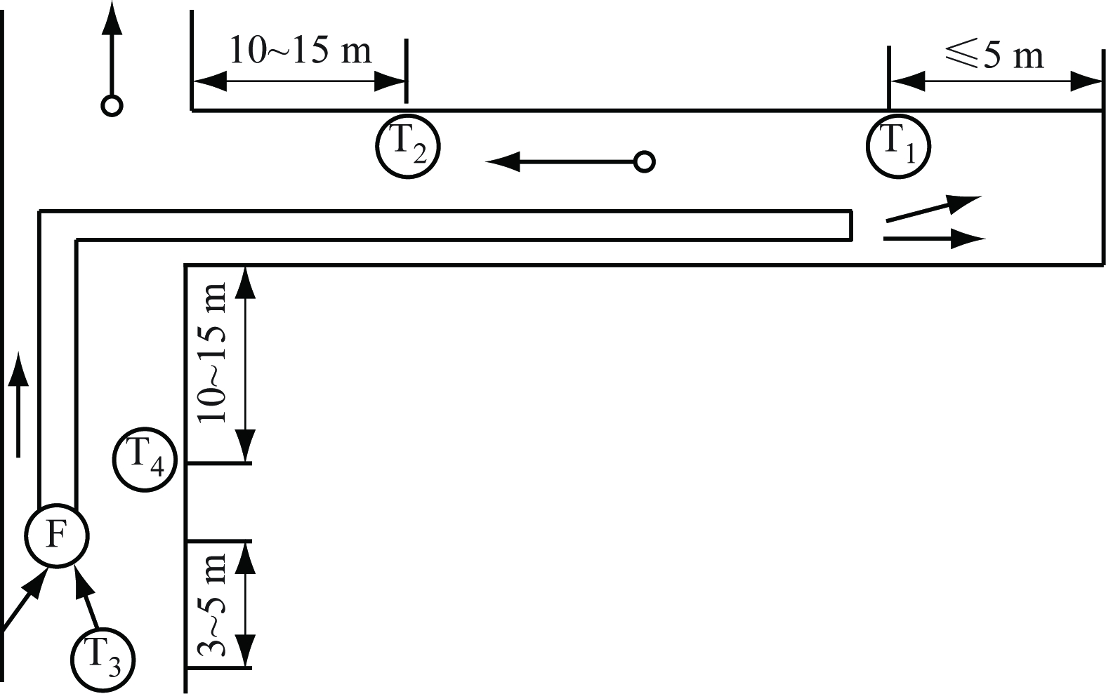
6.2.1 长壁采煤工作面甲烷传感器应按图1设置。U形通风方式在回风隅角设置甲烷传感器T0(距切顶线0~3 m),工作面设置甲烷传感器T1,工作面回风巷设置甲烷传感器T2;煤与瓦斯突出矿井在进风巷设置甲烷传感器T3和T4;采用串联通风时,被串工作面的进风巷设置甲烷传感器T4,如图1(a)所示。Z形、Y形、H形和W形通风方式的采煤工作面甲烷传感器的设置参照上述规定执行,如图1(b)—图1(e)所示。
表1 甲烷传感器的报警浓度、断电浓度、复电浓度和断电范围


(a) U形通风方式

(b) Z形通风方式

(c) Y形通风方式

(d) H形通风方式

(e) W形通风方式
图1 采煤工作面甲烷传感器的设置
6.2.2 采用2条巷道回风的采煤工作面甲烷传感器应按图2设置。甲烷传感器T0、T1和T2的设置同图1(a);在第2条回风巷设置甲烷传感器T5、T6。采用3条巷道回风的采煤工作面,第3条回风巷甲烷传感器的设置与第2条回风巷甲烷传感器T5、T6的设置相同。

图2 采用2条巷道回风的采煤工作面甲烷传感器的设置
6.2.3 高瓦斯和煤与瓦斯突出矿井采煤工作面的回风巷长度大于1 000 m时,应在回风巷中部增设甲烷传感器。
6.2.4 采煤机应设置机载式甲烷断电仪或便携式无线甲烷检测报警仪。
6.2.5 非长壁式采煤工作面甲烷传感器的设置参照上述规定执行,即在回风隅角设置甲烷传感器T0,在工作面及其回风巷各设置1个甲烷传感器。
6.3 掘进工作面甲烷传感器的设置
6.3.1 煤巷、半煤岩巷和有瓦斯涌出岩巷的掘进工作面甲烷传感器应按图3设置,并实现甲烷风电闭锁。在工作面混合风流处设置甲烷传感器T1,在工作面回风流中设置甲烷传感器T2;采用串联通风的掘进工作面应在被串工作面局部通风机前设置掘进工作面进风流甲烷传感器T3;煤与瓦斯突出矿井掘进工作面的进风分风口处设置甲烷传感器T4。

图3 掘进工作面甲烷传感器的设置
6.3.2 高瓦斯和煤与瓦斯突出矿井双巷掘进工作面甲烷传感器应按图4设置。甲烷传感器T1和T2的设置同图3;在工作面混合回风流处设置甲烷传感器T3。
6.3.3 高瓦斯和煤与瓦斯突出矿井的掘进工作面长度大于1 000 m时,应在掘进巷道中部增设甲烷传感器。
6.3.4 掘进机、掘锚一体机、连续采煤机、梭车、锚杆钻车、钻机应设置机载式甲烷断电仪或便携式无线甲烷检测报警仪。
6.4 其他地点甲烷传感器的设置
6.4.1 采区回风巷、一翼回风巷、总回风巷测风站应设置甲烷传感器。
6.4.2 使用架线电机车的主要运输巷道内、装煤点处应设置甲烷传感器,如图5所示。

图4 双巷掘进工作面甲烷传感器的设置

图5 装煤点甲烷传感器的设置
6.4.3 矿用防爆型蓄电池电机车应设置车载式甲烷断电仪或便携式无线甲烷检测报警仪;矿用防爆型柴油机车和胶轮车应设置便携式无线甲烷检测报警仪。
6.4.4 采区回风巷、一翼回风巷及总回风巷道内临时施工的电气设备上风侧10~15 m处应设置甲烷传感器。
6.4.5 井下煤仓、地面选煤厂煤仓上方应设置甲烷传感器。
6.4.6 封闭的地面选煤厂车间内上方应设置甲烷传感器。
6.4.7 封闭的带式输送机地面走廊上方应设置甲烷传感器。
6.4.8 瓦斯抽采泵站应设置甲烷传感器:(a) 地面瓦斯抽采泵房内应设置甲烷传感器;(b) 井下临时瓦斯抽采泵站下风侧栅栏外应设置甲烷传感器;(c) 抽采泵输入管路中应设置甲烷传感器;利用瓦斯时,应在输出管路中设置甲烷传感器;不利用瓦斯、采用干式抽采瓦斯设备时,输出管路中也应设置甲烷传感器。
7.1 一氧化碳传感器的设置
7.1.1 一氧化碳传感器应垂直悬挂,距顶板(顶梁)不得大于300 mm,距巷壁不得小于200 mm,并应安装维护方便,不影响行人和行车。
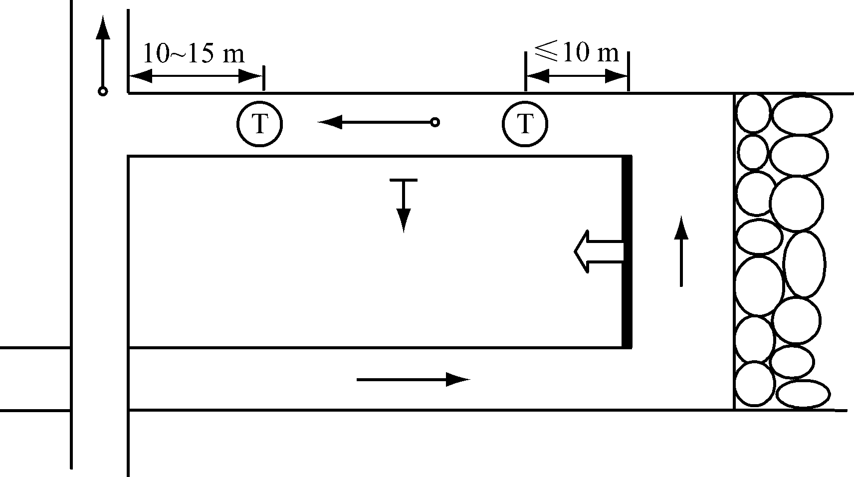
7.1.2 开采容易自燃、自燃煤层的采煤工作面应至少设置一个一氧化碳传感器,地点可设置在回风隅角(距切顶线0~3 m)、工作面或工作面回风巷,报警浓度≥0.002 4% CO,如图6所示。

图6 采煤工作面一氧化碳传感器的设置
7.1.3 带式输送机滚筒下风侧10~15 m处宜设置一氧化碳传感器,报警浓度≥0.002 4% CO。
7.1.4 自然发火观测点、封闭火区防火墙栅栏外应设置一氧化碳传感器,报警浓度≥0.002 4% CO。
7.1.5 开采容易自燃、自燃煤层的矿井,采区回风巷、一翼回风巷、总回风巷应设置一氧化碳传感器,报警浓度≥0.002 4% CO。
7.2 风速传感器的设置
采区回风巷、一翼回风巷、总回风巷的测风站应设置风速传感器。突出煤层采煤工作面回风巷和掘进巷道回风流中应设置风速传感器。风速传感器应设置在巷道前后10 m内无分支风流、无拐弯、无障碍、断面无变化、能准确计算风量的地点。当风速低于或超过《煤矿安全规程》的规定值时,应发出声、光报警信号。
7.3 风压传感器的设置
主要通风机的风硐内应设置风压传感器。
7.4 风向传感器的设置
突出煤层采煤工作面进风巷、掘进工作面进风的分风口应设置风向传感器。当发生风流逆转时,发出声光报警信号。
7.5 瓦斯抽放管路中其他传感器的设置
瓦斯抽放泵站的抽放泵输入管路中宜设置流量传感器、温度传感器和压力传感器;利用瓦斯时,应在输出管路中设置流量传感器、温度传感器和压力传感器。防回火安全装置上宜设置压差传感器。
7.6 烟雾传感器的设置
带式输送机滚筒下风侧10~15 m处应设置烟雾传感器。
7.7 温度传感器的设置
7.7.1 温度传感器应垂直悬挂,距顶板(顶梁)不得大于300 mm,距巷壁不得小于200 mm,并应安装维护方便,不影响行人和行车。
7.7.2 开采容易自燃、自燃煤层及地温高的矿井采煤工作面应在工作面或回风巷设置温度传感器,如图7所示。温度传感器的报警值为30 ℃。

图7 采煤工作面温度传感器的设置
7.7.3 机电硐室内应设置温度传感器,报警值为34 ℃。
7.7.4 压风机应设置温度传感器,温度超限时,声光报警,并切断压风机电源。
7.8 粉尘传感器的设置
采煤机、掘进机、转载点、破碎处、装煤口等产尘地点宜设置粉尘传感器。
7.9 设备开停传感器的设置
主要通风机、局部通风机应设置设备开停传感器。
7.10 风门开关传感器的设置
矿井和采区主要进回风巷道中的主要风门应设置风门开关传感器。当2道风门同时打开时,发出声光报警信号。
7.11 风筒传感器的设置
掘进工作面局部通风机的风筒末端应设置风筒传感器。
7.12 馈电传感器的设置
被控开关的负荷侧应设置馈电传感器或接点。
8.1 检修机构
8.1.1 煤矿应建立安全监控设备检修室,负责本矿安全监控设备的安装、调校、维护和简单维修工作。未建立检修室的小型煤矿应将安全监控仪器送到检修中心进行调校和维修。
8.1.2 国有重点煤矿的矿务局(公司)、产煤县(市)应建立安全监控设备检修中心,负责安全监控设备的调校、维修、报废鉴定等工作,有条件的可配制甲烷校准气体,并对煤矿进行技术指导。
8.1.3 安全监控设备检修室宜配备甲烷传感器和测定器校验装置、稳压电源、示波器、频率计、信号发生器、万用表、流量计、声级计、甲烷校准气体、标准气体等仪器装备;安全监控设备检修中心除应配备上述仪器装备外,具备条件的宜配备甲烷校准气体配气装置、气相色谱仪或红外线分析仪等。
8.2 校准气体
8.2.1 配制甲烷校准气样的装备和方法应符合MT 423—1995的规定,选用纯度不低于99.9%的甲烷标准气体作原料气。配制好的甲烷校准气体应以标准气体为标准,用气相色谱仪或红外线分析仪分析定值,其不确定度应小于5%。
8.2.2 甲烷校准气体配气装置应放在通风良好,符合国家有关防火、防爆、压力容器安全规定的独立建筑内。配气气瓶应分室存放,室内应使用隔爆型的照明灯具及电器设备。
8.2.3 高压气瓶的使用管理应符合国家有关气瓶安全管理的规定。
8.3 调校
8.3.1 安全监控设备应按产品使用说明书的要求定期调校、测试,每月至少1次。
8.3.2 安全监控设备使用前和大修后,应按产品使用说明书的要求测试、调校合格,并在地面试运行24~48 h方能下井。
8.3.3 甲烷传感器应使用校准气样和空气气样在设备设置地点调校,便携式无线甲烷检测报警仪和无线甲烷检测报警矿灯等在仪器维修室调校。采用载体催化原理的甲烷传感器、便携式无线甲烷检测报警仪和无线甲烷检测报警矿灯等,每15 d至少调校1次。采用激光原理的甲烷传感器等,每6个月至少调校1次。调校时,应先在新鲜空气中或使用空气样调校零点,使仪器显示值为零,再通入浓度为(1%~2%)CH4的甲烷校准气体,调整仪器的显示值与校准气体浓度一致,气样流量应符合产品使用说明书的要求。低浓度载体催化式甲烷传感器调校方法见附录A。
8.3.4 除甲烷以外的其他气体监控设备应采用空气样和标准气样按产品说明书进行调校。风速传感器选用经过标定的风速计调校。温度传感器选用经过标定的温度计调校。其他传感器和便携式检测仪器应按使用说明书要求定期调校。
8.3.5 安全监控设备的调校包括零点、显示值、报警点、断电点、复电点、控制逻辑等。
8.3.6 甲烷电闭锁和风电闭锁功能每15 d至少测试1次;可能造成局部通风机停电的,每半年测试1次。
8.4 维护
8.4.1 井下安全监测工应24 h值班,每天检查煤矿安全监控系统及线缆的运行情况。使用便携式无线甲烷检测报警仪与甲烷传感器进行对照,并将记录和检查结果报地面中心站值班员。当两者读数误差大于允许误差时,先以读数较大者为依据,采取安全措施,并应在8 h内将2种仪器调准。
8.4.2 下井管理人员发现便携式无线甲烷检测报警仪与甲烷传感器读数误差大于允许误差时,应立即通知安全监控部门进行处理。
8.4.3 安装在采煤机、掘进机和电机车上的机(车)载断电仪,由司机负责监护,并应经常检查清扫,每天使用便携式无线甲烷检测报警仪与甲烷传感器进行对照,当两者读数误差大于允许误差时,先以读数最大者为依据,采取安全措施,并立即通知安全监测工,在8 h内将2种仪器调准。
8.4.4 炮掘和炮采工作面设置的甲烷传感器在爆破前应移动到安全位置,爆破后应及时恢复设置到正确位置。对需要经常移动的传感器、声光报警器、断电控制器及线缆等,由采掘班组长负责按规定移动,不得擅自停用。
8.4.5 井下使用的分站、传感器、声光报警器、断电控制器及线缆等由所在区域的区队长、班组长负责使用和管理。
8.4.6 传感器经过调校后检测误差仍超过规定值时,应立即更换;安全监控设备发生故障时,应及时处理,在更换设备和故障处理期间应采用人工监测等安全措施,并填写故障记录。
8.4.7 采用载体催化原理的低浓度甲烷传感器经大于4% CH4的甲烷冲击后,应及时进行调校或更换。
8.4.8 电网停电后,备用电源不能保证设备连续工作2 h时,应及时更换。
8.4.9 使用中的传感器应经常擦拭,清除外表积尘,保持清洁。采掘工作面的传感器应每天除尘;传感器应保持干燥,避免洒水淋湿;维护、移动传感器时应避免摔打碰撞。
8.5 便携式检测仪器
8.5.1 便携式无线甲烷检测报警仪和无线甲烷报警矿灯等检测仪器应设专职人员负责充电、收发及维护。每班要清理隔爆罩上的煤尘,下井前应检查便携式无线甲烷检测报警仪和无线甲烷检测报警矿灯的零点和电压值,不符合要求的不得发放使用。
8.5.2 使用便携式无线甲烷检测报警仪和无线甲烷报警矿灯等检测仪器时要严格按照产品说明书进行操作,不得擅自调校和拆开仪器。
8.6 备件
矿井应配备传感器、分站等安全监控设备备件,备用数量不少于应配备数量的20%。
8.7 报废
安全监控设备符合下列情况之一者,应当报废:(a) 设备老化、技术落后或超过规定使用年限的;(b) 通过修理,虽能恢复性能和技术指标,但一次修理费用超过原价80%以上的;(c) 失爆不能修复的;(d) 遭受意外灾害,损坏严重,无法修复的;(e) 不符合国家规定及行业标准规定,应淘汰的。
9.1 地面中心站的装备
9.1.1 煤矿安全监控系统的主机及系统联网主机应双机热备份,24 h不间断运行。当工作主机发生故障时,备份主机应在60 s内投入工作。不得采用虚拟机替代主机。
9.1.2 中心站应双回路供电并配备不小于4 h在线式不间断电源。
9.1.3 中心站设备应有可靠的接地装置和防雷装置。
9.1.4 联网主机应装备网络安全设备。
9.1.5 中心站应使用录音电话。
9.1.6 煤矿安全监控系统显示和控制终端应设置在矿调度室内。
9.2 煤矿安全监控系统信息的处理
9.2.1 地面中心站值班室应设置在矿调度室内,实行24 h值班制度。值班人员应认真监视监视器所显示的各种信息,详细记录系统各部分的运行状态,接收上一级管理部门下达的指令并及时进行处理,填写运行日志,打印安全监控日报表,报矿主要负责人和主要技术负责人审阅。
9.2.2 系统发出报警、断电、馈电异常信息时,中心站值班人员应立即通知矿井调度部门,查明原因,并按规定程序及时报上一级管理部门。处理结果应记录备案。
9.2.3 调度值班人员接到报警、断电、馈电异常信息后,应按规定指挥现场人员停止工作,断电时撤出人员,并向矿值班领导汇报。处理过程应记录备案。
9.2.4 当系统显示井下某一区域甲烷超限并有可能波及其他区域时,应按瓦斯事故应急预案手动遥控切断瓦斯可能波及区域的电源。
9.3 联网信息的处理
9.3.1 煤矿安全监控系统联网实行分级管理。煤矿应向上一级安全监控网络中心上传实时监控数据。网络中心对煤矿安全监控系统的运行进行监督和指导。
9.3.2 网络中心应24 h有人值班。值班人员应认真监视监控数据,核对煤矿上传的隐患处理情况,填写运行日志,打印报警信息日报表,报值班领导审阅。发现异常情况要详细查询,按规定进行处理。
9.3.3 网络中心值班人员发现煤矿甲烷超限报警、断电、馈电状态异常情况等应立即通知煤矿核查情况,按应急预案进行处理。
9.3.4 煤矿安全监控系统中心站值班人员接到网络中心发出的报警处理指令后,要立即处理落实,并将处理结果向网络中心反馈。
9.3.5 网络中心值班人员发现煤矿安全监控系统通信中断或出现无记录情况,应查明原因,并根据具体情况下达处理意见,处理情况记录备案,上报值班领导。
9.3.6 网络中心每月应对甲烷超限情况进行汇总分析。
10.1 管理制度
10.1.1 煤矿应建立安全监控管理机构。安全监控管理机构由煤矿主要技术负责人领导,并应配备足够的人员。
10.1.2 煤矿应制定瓦斯事故应急预案、安全监控人员岗位责任制、操作规程、值班制度等规章制度。
10.1.3 安全监控工及检修、值班人员应经培训合格,持证上岗。
10.1.4 煤矿安全监控系统和网络中心应每3个月对数据进行备份,备份的数据介质保存时间应不少于2 a。
10.1.5 图纸、技术资料的保存时间应不少于2 a。
10.2 账卡及报表
10.2.1 煤矿应建立以下帐卡及报表:(a) 安全监控设备台账;(b) 安全监控设备故障登记表;(c) 检修记录;(d) 巡检记录;(e) 传感器调校记录;(f) 中心站运行日志;(g) 安全监控日报;(h) 报警断电记录月报;(i) 甲烷超限断电闭锁和甲烷风电闭锁功能测试记录;(j) 安全监控设备使用情况月报等。
10.2.2 安全监控日报应包括以下内容:(a) 表头;(b) 打印日期和时间;(c) 传感器设置地点及编号;(d) 所测物理量名称;(e) 平均值;(f) 最大值及时刻;(g) 报警次数;(h) 累计报警时间;(i) 断电次数;(j) 累计断电时间;(k) 馈电异常次数及时刻;(l) 馈电异常累计时间等。
10.2.3 报警断电记录月报应包括以下内容:(a) 表头;(b) 打印日期和时间;(c) 传感器设置地点及编号;(d) 所测物理量名称;(e) 报警次数、对应时间、解除时间、累计时间;(f) 断电次数、对应时间、解除时间、累计时间;(g) 馈电异常次数、对应时间、解除时间、累计时间;(h) 每次报警的最大值、对应时刻及平均值;(i) 每次断电累计时间、断电时刻及复电时刻,平均值,最大值及时刻;(j) 每次采取措施时间及采取措施内容等。
10.2.4 甲烷超限断电闭锁和甲烷风电闭锁功能测试记录应包括以下内容:(a) 表头;(b) 打印日期和时间;(c) 传感器设置地点及编号;(d) 断电测试起止时间;(e) 断电测试相关设备名称及编号;(f) 校准气体浓度;(g) 断电测试结果等。
10.3 布置图和断电控制图
煤矿应绘制煤矿安全监控布置图和断电控制图,并根据采掘工作的变化情况及时修改。布置图应标明传感器、声光报警器、断电控制器、分站、电源、中心站等设备的位置、接线、断电范围、报警值、断电值、复电值、传输线缆、供电电缆等;断电控制图应标明甲烷传感器、馈电传感器和分站的位置,断电范围,被控开关的名称和编号,被控开关的断电接点和编号。
AQ 1029-2017 Use and Management Specification of Coal Mine SafetyMonitoring System and Testing Instrument (draft for approval)
SUN Jiping
(China University of Mining and Technology(Beijing),Beijing 100083, China)
Abstract:The standard stipulates requirements of coal mine safety monitoring system and testing equipment, including the equipments, the design and installation, the sensor settings, the use and maintenance, the system and network information processing, the management system and technical information and so on. The standard is applicable to the nationwide underground coal mine, including mines of new construction, renovation and expansion.
Key words:coal mine; safety monitoring system; detection instrument; sensor
文章编号:1671-251X(2017)06-0087-08
DOI:10.13272/j.issn.1671-251x.2017.06.021
收稿日期:2017-05-31;
修回日期:2017-06-01;责任编辑:胡娴。
基金项目:国家重点研发计划项目(2016YFC0801800)。
作者简介:孙继平(1958-),男,山西翼城人,教授,博士,博士研究生导师,中国矿业大学(北京)信息工程研究所所长;获国家科技进步二等奖3项(其中作为第1完成人2项、第2完成人1项);作为第1完成人获省部级科技进步特等奖和一等奖8项;作为第1完成人主持制定中华人民共和国煤炭行业和安全生产行业标准26项;主持制定《煤矿安全规程》第十一章“监控与通信”;作为第1作者或独立完成著作12部;被SCI和EI检索的第1作者或独立完成论文80余篇;作为第1发明人获国家授权发明专利40余项;作为国务院煤矿事故调查专家组组长参加了10起煤矿特别重大事故调查工作;E-mail:sjp@cumtb.edu.cn。
中图分类号:TD76
文献标志码:A 网络出版时间:2017-06-05 16:22
网络出版地址:http://kns.cnki.net/kcms/detail/32.1627.TP.20170605.1622.001.html
孙继平.AQ 1029-2017《煤矿安全监控系统及检测仪器使用管理规范》(报批稿)[J].工矿自动化,2017,43(6):87-94.