张红涛, 牛小伟
(郑州铁路职业技术学院 机车车辆学院, 河南 郑州 451460)
摘要:针对传统交直交电力机车牵引系统存在主电路结构复杂、功率和电压水平受限等问题,基于采用全桥型子模块的模块化多电平换流器结构,设计了一种单相AC-三相AC电力机车牵引换流器,可直接驱动三相异步牵引电动机,从而取消了车载降压变压器,降低了电力机车牵引系统的复杂度。通过建立该换流器在两相同步旋转dq坐标系的数学模型,提出了一种外环定交流电压控制策略和内环直接电流控制策略。仿真结果验证了该换流器及控制策略的有效性。
关键词:交直交电力机车; 电力机车牵引; 牵引换流器; 模块化多电平换流器; 全桥型子模块; 直接电流控制
交直交电力机车具有传动功率大、功率因数高、谐波含量少、对电网污染少等优点,已成为交流电力机车发展的主流趋势与应用方向[1-2]。传统交直交电力机车牵引系统主电路由车载降压变压器、四象限整流器、直流滤波器、三相逆变器等环节构成[3],存在多级电能变换,导致出现故障的可能性增大,牵引系统的控制及维修不便。同时,由于使用笨重的车载降压变压器与接触网连接,限制了牵引系统功率和电压水平[4-7]。
模块化多电平换流器(Modular Multilevel Converter,MMC)采用子模块级联方式,具有耐压水平高、输出电能质量好、开关频率低、无器件均压问题等优点,起初应用于高压直流输电领域[8-9],近年来逐渐应用于轨道交通领域[10]。文献[11-12]提出了MMC结构的单相AC-AC换流器,将接触网50 Hz交流电通过单相AC-AC换流器转换成中频交流电后输入中频变压器,后级接入交直交电路驱动机车。采用中频变压器减小了系统体积,但由于引入了单相AC-AC变换环节,增加了电力机车主电路的复杂度。由于接触网采用单相供电形式,而电力机车采用三相异步牵引电动机驱动,为实现电能有效传递,本文将MMC结构的单相AC-三相AC换流器[13]引入交直交电力机车牵引系统,设计了一种新型电力机车牵引换流器;通过建立换流器在两相同步旋转dq坐标系的数学模型,提出了一种外环定交流电压控制策略和内环直接电流控制策略;最后在Matlab/Simulink建立仿真模型进行验证。
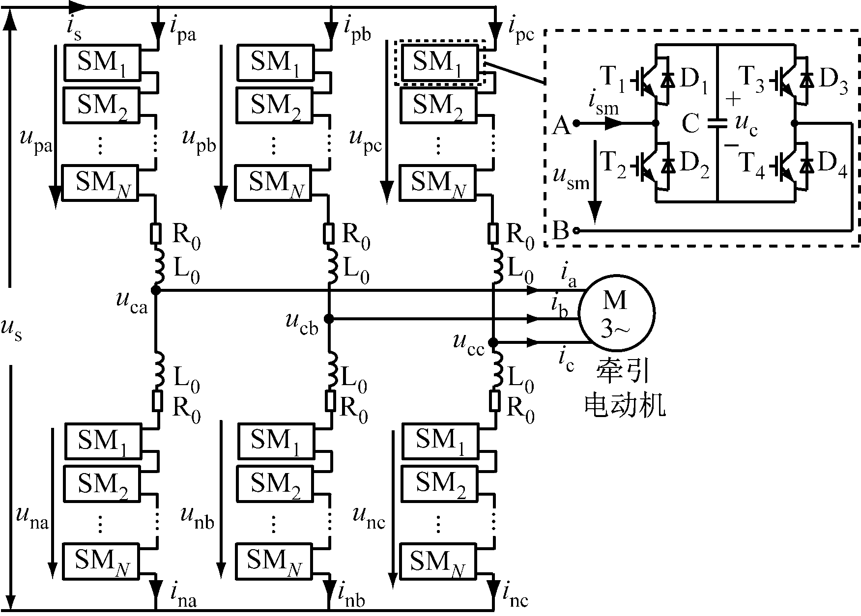
MMC结构的单相AC-三相AC换流器拓扑结构如图1所示。将接触网上的电压视为交流电源us,注入换流器的电流为is。换流器每相由上桥臂和下桥臂组成,每个桥臂包含N个级联的子模块SM1,SM2,…,SMN和1个桥臂电感L0、桥臂电阻R0。j(j=a,b,c)相上桥臂和下桥臂电压分别为upj和unj;j相上桥臂和下桥臂电流分别为ipj和inj;换流器输出电压为ucj;流入牵引电动机的电流为ij。

图1 MMC结构的单相AC-三相AC换流器拓扑结构
采用全桥型子模块(Full Bridge Sub-module,FBSM)构造桥臂。FBSM由功率开关T1—T4及其反并联二极管D1—D4与储能电容C构成。uc为电容电压;usm为子模块A,B端口电压;ism为子模块电流。为防止FBSM内部直接导通,不允许T1和T2(T3和T4)同时导通。根据T1—T4的开断状态(“1”表示导通;“0”表示关断)可得不同的FBSM工作状态,见表1。
表1 FBSM工作状态

各桥臂子模块按照一定的规律从桥臂上投入或切除,桥臂电压由子模块电压叠加构成,上桥臂和下桥臂电压可表示为

(1)
式中:Spji,Snji分别为j相上、下桥臂中第i(i=1,2,…,N)个子模块开关状态函数,表示子模块的投入状态与切除状态;ucpji,ucnji分别为j相上、下桥臂中第i个子模块的电容电压。
换流器各桥臂输出电压的本质是一个受控电压源[14-15],其单相简化等效电路如图2所示,其中ZL为牵引电动机的等效负载,uj为牵引电动机定子端电压,Rs和Ls分别为三相交流侧等效电阻、电感。

图2 换流器单相简化等效电路
由基尔霍夫电压定律可得

(2)
将式(2)中两式分别进行加减后可得

(3)
若忽略桥臂电阻R0与桥臂电感L0的损耗,由式(3)可得如下结论:① 为防止接触网电流严重畸变, 需控制换流器每相上桥臂和下桥臂电压之和(upj+unj)等于接触网电压us。② 为有效控制注入牵引电动机的电流,需控制(unj-upj)的大小来得到期望的输出电压。
由图2可得换流器三相交流侧输出电压的表达式为
(4)
对式(4)进行Park变换,得到换流器在两相同步旋转dq坐标系下的数学模型:

(5)
式中:ucd,ucq分别为换流器输出三相电压在d轴和q轴上的分量;ud,uq分别为牵引电动机定子端三相电压在d轴和q轴上的分量;id,iq分别为换流器输出三相电流在d轴和q轴上的分量;ω为三相输出电压、电流的基频角频率。
式(5)显示了d轴和q轴之间电压与电流的关系,为有效控制换流器输出电流,采用直接电流控制策略。该控制策略需要反馈d轴、q轴的电压和电流,还需要将换流器桥臂电感考虑在内,因此可得直接电流控制策略下换流器期望输出电压在d轴和q轴上的分量
和
表达式为

(6)
式中:Leq=Ls+L0/2;Kpi,Kii分别为电流控制器的比例系数、积分系数;
分别为换流器期望输出电流在d轴和q轴上的分量。
三相异步牵引电动机在机车制动时可能存在能量反馈,但在大多数情况下牵引电动机作为负载消耗电能,可将能量反馈当作特殊情况处理。本文只考虑牵引电动机的输出状况,将单相AC-三相AC换流器向牵引电动机供电视为向一个无源网络供电,需控制牵引电动机定子侧的交流电压,即控制换流器输出的三相交流电压,因此采用定交流电压控制策略。
由定交流电压控制策略产生,其表达式为

(7)
式中:Kpv,Kiv分别为电压控制器的比例系数、积分系数
分别为牵引电动机定子端期望电压在d轴和q轴上的分量。
根据式(6)、式(7)可得单相AC-三相AC换流器控制原理,如图3所示。图中交流电压参考量由牵引电动机调速系统给定,具体参考文献[2];θ为换流器输出电压的相位,用于Park坐标变换;电容电压排序算法可实现换流器电容电压的均衡控制,具体参考文献[12]。

图3 单相AC-三相AC换流器控制原理
为验证新型电力机车牵引换流器及其控制策略的有效性,在Matlab/Simulink中搭建仿真模型,其主要参数见表2。
表2 仿真模型基本参数

为使机车恒转矩启动,通常要求牵引电动机磁通保持恒定,而磁通正比于E/f(E为牵引电动机内部电动势,f为牵引电动机供电频率)。由于牵引电动机的外部定子电压U与E相近,可令牵引电动机
按照恒定的U/f调节换流器输出交流电压和频率。设置仿真工况1:在0.2 s时牵引电动机供电频率从50 Hz跳变至40 Hz,并以100 Hz/s的速度逐渐上升至70 Hz;设定U/f=120。牵引电动机变频调速时换流器输出电压及其频率仿真波形如图4所示。从图4可看出,0.2 s前换流器三相输出电压频率为50 Hz,幅值稳定在6 000 V;当牵引电动机供电频率跳变为40 Hz时,换流器三相输出电压没有冲击,幅值为4 850 V;随后牵引电动机供电频率逐渐上升,当频率达到70 Hz时,换流器三相输出电压幅值为8 410 V。随着牵引电动机供电频率的增大,换流器三相输出电压幅值及频率逐渐增大,且电压与频率的数值比与设定值120相差不大,此外没有冲击电压产生,三相电压动态过程平滑,表明本文设计的牵引换流器能够有效控制输出电压幅值和频率,适用于牵引电动机变频调速控制。

(a) 输出电压

(b) 输出电压频率
图4 牵引电动机变频调速时换流器输出电压及 其频率仿真波形
为验证牵引换流器对牵引电动机负载变化的适应能力,设置仿真工况2:交流电压为8 900 V;牵引电动机供电频率为60 Hz;在0.2 s时牵引电动机负载由3 MW突变至6 MW,并在0.3 s时由6 MW恢复至3 MW。牵引电动机负载变化时接触网电流及换流器三相输出电压、电流仿真波形如图5所示。从图5可看出,负载增大时接触网电流幅值增大,负载变小时接触网电流幅值变小;换流器三相输出电压幅值基本保持不变,电压波形良好;换流器三相输出电流注入牵引电动机,当负载变大时输入牵引电动机的电流增大,当负载变小时输入牵引电动机的电流减小,电流跳变过程平滑。仿真结果表明本文设计的牵引换流器能够较好地适应牵引电动机负载突变情况。

(a) 接触网输出电流

(b) 换流器输出电压

(c) 换流器输出电流
图5 牵引电动机负载变化时接触网电流及换流器输出电压、 电流仿真波形
(1) 基于MMC结构的单相AC-三相AC电力机车牵引换流器采用全桥型子模块结构,可直接驱动牵引电动机,取消了笨重的车载降压变压器,降低了电力机车牵引系统的复杂度,同时能够有效控制输出电压幅值和频率,具有良好的输出电能质量。
(2) 针对电力机车牵引换流器提出的外环定交流电压控制策略和内环直接电流控制策略可有效实现换流器输出电压、电流和频率的控制,在牵引电动机变频调速和负载突变等运行工况下,电压和电流波形质量良好,无冲击电压和电流产生。
参考文献:
[1] 郭建,陈涛,张志学,等.电流源型逆变器在交直机车制动模式中的应用研究[J].机车电传动,2016(3):33-36.
[2] 李强,吴命利.交流传动机车与直流传动机车混合运用条件下牵引网电压控制技术[J].铁道学报,2014,36(8):19-24.
[3] 吴生举,应婷,荆延杰.标准动车组四象限整流器及控制系统实时仿真[J].机车电传动,2016(4):33-38.
[4] 梅桂芳,安昱,牛化鹏,等.一种IGBT串联功率模块的设计[J].电气传动,2016,46(12):72-76.
[5] 石祥花,许津铭,谢少军.三电平中点钳位变换器电容电压自平衡机理与均压控制策略[J].电力系统自动化,2014,38(7):95-100.
[6] 周立明,陶洪亮,周成,等.城轨制动能量消耗装置控制策略研究与应用[J].大功率变流技术,2014(1):38-41.
[7] 马伯乐,杨光,忻力.大功率IGBT直接并联应用技术研究[J].机车电传动,2014(1):11-15.
[8] 胡兴杰,郭家虎,马修情.基于MMC的轻型高压直流输电系统控制装置设计[J].电源技术,2014,38(5):935-937.
[9] 李云丰,宋平岗,江浪,等.基于EL模型的MMC无源控制器设计[J].工矿自动化,2014,40(3):74-79.
[10] 宋平岗,林家通,李云丰,等.基于模块化多电平的铁路功率调节器直接功率控制策略[J].电网技术,2015,39(9):2511-2518.
[11] GLINKA M,MARQUARDT R.A new single phase AC/AC-multilevel converter for traction vehicles operating on AC line voltage[J].European Power Electronics and Drives Journal,2004,14(4):7-12.
[12] 陈晓森,刘万勋,孔增辉,等.单相交/交MMC的简化模型及电容电压平衡[J].电源学报,2015,13(6):36-43.
[13] GLINKA M,MARQUARDT R.A new AC/AC multilevel converter family[J].IEEE Transactions on Industrial Electronics,2005,52(3):662-669.
[14] 周诗嘉,林卫星,姚良忠,等.两电平VSC与MMC通用型平均值仿真模型[J].电力系统自动化,2015,39(12):138-145.
[15] 许建中,赵成勇,ANIRUDDHA M G.模块化多电平换流器戴维南等效整体建模方法[J].中国电机工程学报,2015,35(8):1919-1929.
Design of a novel traction converter for electric locomotive
ZHANG Hongtao, NIU Xiaowei
(Locomotive and Vehicle Department, Zhengzhou Railway Vocational and Technical College, Zhengzhou 451460, China)
Abstract:In view of problems of complex structure of main circuit and limited power and voltage existed in traditional traction system of AC-DC-AC electric locomotive, a traction converter for electric locomotive with single-phase AC input and three-phase AC output was designed based on structure of modular multilevel converter using full bridge sub-module. The traction converter can drive traction motor directly, so as to eliminate vehicle-mounted step-down transformer and reduce complexity of traction system of electric locomotive. A constant AC voltage control strategy in outer loop and direct current control strategy in inner loop was proposed according to mathematic model of the converter established in two-phase synchronous rotatingdq coordinate system. The simulation results verify validity of the converter and the control strategies.
Key words:AC-DC-AC electric locomotive; electric locomotive traction; traction converter; modular multilevel converter; full bridge sub-module; direct current control
文章编号:1671-251X(2017)06-0060-05
DOI:10.13272/j.issn.1671-251x.2017.06.014
收稿日期:2017-02-15;
修回日期:2017-04-24;责任编辑:盛男。
作者简介:张红涛(1979-),男,河南郑州人,讲师,硕士,研究方向为机车牵引、机车运用与检修,E-mail:3353801812@qq.com。
中图分类号:TD60
文献标志码:A 网络出版时间:2017-05-26 09:56
网络出版地址:http://kns.cnki.net/kcms/detail/32.1627.TP.20170526.0956.014.html
张红涛,牛小伟.一种新型电力机车牵引换流器设计[J].工矿自动化,2017,43(6):60-64.