曹连民, 郭震, 仲崇涛, 孙士娇, 张震
(山东科技大学 机械电子工程学院, 山东 青岛 266590)
摘要:针对液压支架初撑力不足导致的工作面顶板过早离层、切顶线前移和煤壁片帮等安全问题,设计了一种液压支架初撑力手动增压装置。该增压装置与原升架液压系统的液控单向阀并联,在不影响正常升架的前提下通过手动操作补液增压,提高支架初撑力。对应用手动增压装置前、后的增压控制回路进行AMESim建模及仿真,通过对比分析发现,手动增压装置的增压效果明显;在某煤矿工作面ZY8500/21/45D型支架上进行现场试验验证液压支架初撑力的增压情况,结果表明,该手动增压装置能够显著提升支架初撑力,满足煤矿开采需求。
关键词:煤炭开采; 液压支架; 初撑力; 手动增压; 升架
目前,随着煤矿开采深度的增加,对液压支架的承受压力和支护性能提出了更高的要求。初撑力是液压支架关键支护参数之一,合理的初撑力可使液压支架按照设计的增阻规律增阻,有效抑制顶板过早破碎下沉,避免动压冲击,发挥最优的支护性能[1-4]。在液压支架的生产设计中,一般要求支架初撑力为额定工作阻力的80%以上,但在实际应用中却很难实现,导致液压支架不能发挥正常的支护性能,煤矿安全事故频发[5-7]。因此,液压支架初撑力不足一直是煤矿开采中不可忽视的重要问题。我国煤炭行业的专家学者对初撑力不足的问题进行了深入研究,并取得一定成果,如张宏明等[8]提出了采用DCF-PZ200/40初撑操纵阀系统调定、保证支架初撑力;莫华林等[9]提出通过提高泵站压力、降低压力损失、设计不同的供液系统等方式提高或保证初撑力。虽然前人对提高初撑力做了较多研究,但在实际应用中并未取得显著的效果,主要存在以下不足:① 受泵站供液压力的限制较大,我国多数泵站压力达不到供液要求。② 提高泵站压力、减少沿程损失的方法需要较高的技术水平及较长的技术研发周期。③ 保证阀、供液系统等较为复杂,调压繁琐,受工作环境影响大,成本高[10-13]。
针对上述问题,考虑到经济、技术、实用性等各方面要求,采用液压和机械技术相结合的方式设计了一种使用方便灵活、简单可靠的手动增压装置,通过手动补液增压,以提高支架初撑力,解决了煤矿支护安全问题。
手动增压装置安装在换向控制阀与立柱底腔进液口之间,与原升架液压系统的液控单向阀并联,在不影响液压支架正常升架的情况下[14],提高液压支架的初撑力。
1.1 结构特征
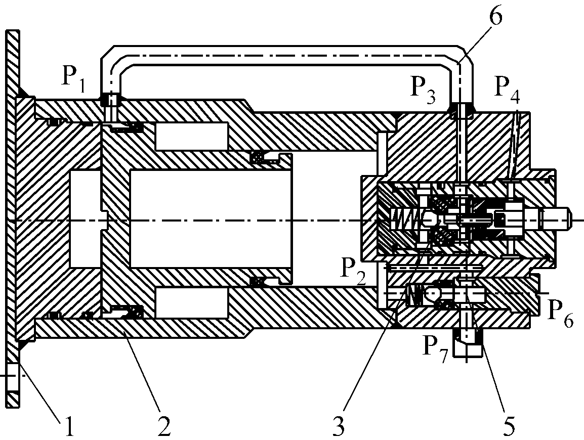
手动增压装置主要由增压缸、增压控制阀、单向阀、溢流阀等组成。增压缸缸体连接在底座上,缸体内安装了活塞,缸体顶部连接主阀体;主阀体上设置有增压控制阀、单向阀和溢流阀,增压控制阀由弹簧座、弹簧、O型密封圈、钢球、密封座、顶杆、压杆、阀座、增压阀体组成;在增压缸缸体和主阀体之间焊接上弯管,与增压控制阀形成液压通路。为提高装置的稳定性,在增压缸底座上焊接安装板以便于固定。液压支架初撑力增压装置总装图如图1所示。
1.2 工作原理
泵站开始供液后,乳化液一路经过换向控制阀后通过液控单向阀进入立柱底腔;另一路通过增压装置进P7液口,通过单向阀流向增压控制结构的P2液口,此时钢球压紧,P2液口处于截止状态。乳化液慢慢充满油路并将单向阀内的钢球顶开,经P6液口流入增压缸右腔,其中一部分乳化液通过管道进入液压支架立柱下腔,另一部分推动增压缸活塞向左移动。左腔内的乳化液先经P1液口、弯管、P3液口、顶杆的中孔、阀座及P4液口流到装置外面,直到活塞移动到最左端位置,从而完成增压准备工作。观察支架顶梁和顶板的接触情况,当立柱下腔油压表的数值不再变化时,压下增压控制结构的压杆,压杆推动顶杆向下运动,并顶开钢球,由P1液口进入的乳化液经增压控制阀和弯管注入增压缸的下腔,推动活塞向上移动,增压缸上腔油液压力迅速升高,经P8和P10液口注入立柱下腔,使得支架快速达到初撑力的要求值,支架升架过程结束。如果立柱底腔压力大于设定值,增压缸右腔的乳化液经溢流阀从P9液口溢流到装置外。

(a) 主视图

(b) 俯视图 1-安装板;2-增压缸缸体;3-增压控制阀;4-溢流阀;5-单向阀;6-弯管;7-主阀体
图1 手动增压装置总装图
2.1 增压控制回路设计
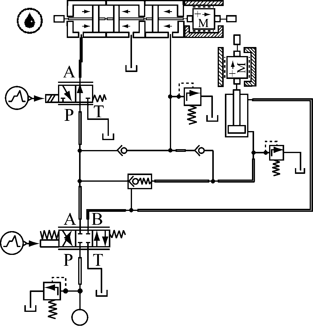
增压控制回路设计是增压装置设计的关键部分。回路采用并联的方式接入立柱系统,以帕斯卡定律为增压原理,将液压缸作为回路中的增压元件[15],如图2所示。
该增压控制回路主要由换向控制阀、手动增压阀、立柱、溢流阀、液控单向阀组成。当支架开始升架时,操纵换向控制阀,使其左位工作,从泵站来的高压乳化液一路经换向控制阀后,通过液控单向阀直接给立柱底腔供液;另外一路进入手动增压装置增压缸右腔,推动活塞左移,完成增压准备工作,此时立柱处于快速升架状态;当顶梁接触顶板后,立柱下腔压力开始升高,观察液压表的变化,操作手动增压阀进行补液增压。

1-换向控制阀;2-单向阀;3-手动增压阀;4-溢流阀; 5-立柱;6-液压表;7-溢流阀;8-液控单向阀
图2 液压支架增压控制回路
2.2 手动增压装置仿真建模
采用AMESim软件建立手动增压装置控制回路仿真模型,如图3所示。在仿真建模过程中,在原有升架液压系统中并联一个手动增压装置,手动设置二位三通手动换向阀的开启时间,利用脉冲信号来控制装置的增压过程[16]。

图3 手动增压装置控制回路仿真模型
2.3 参数设定
根据液压支架实际工况,在升柱动作完成且接触顶板后,再利用增压装置开始增压。设泵站额定压力为31.5 MPa,额定流量为400 L/min;泵站到工作面液压支架所用的主进、回液管的通径分别为50,65 mm,长度均为250 m;选用工作介质为1∶19的油水混合物组成的乳化液。选用增压比为1.5的液压缸,二位三通手动换向阀的设定值为23 MPa,其他主要的模型仿真参数设定见表1。
2.4 仿真结果分析及对比
仿真时间设定为6 s,间隔时间为10-3 s,仿真结果如图4所示。由图4可知,立柱在升柱准备阶段底腔压力非常小,约为0.92 MPa。应用手动增压装置前,液压系统升架开始后,操作三位四通换向阀使其右位工作,立柱底腔进液上腔回液,在2.52 s时完成升柱,立柱上升切顶。但因液压系统管路沿程损失及局部油液泄漏,初撑增阻阶段立柱底腔压力只能达到21 MPa左右。当并联增压装置后,初撑阶段前2.52 s的压力曲线与不加增压装置时几乎一致,说明此装置不影响升架速度。这时启动二位三通手动换向阀,压力急剧上升,在3.28 s时达到31.1 MPa,之后压力趋于稳定。仿真结果表明,手动增压装置增压效果显著,可在短时间内使支架初撑力达到要求值。
表1 模型仿真参数设定


图4 应用手动增压装置前、后立柱底腔压力曲线
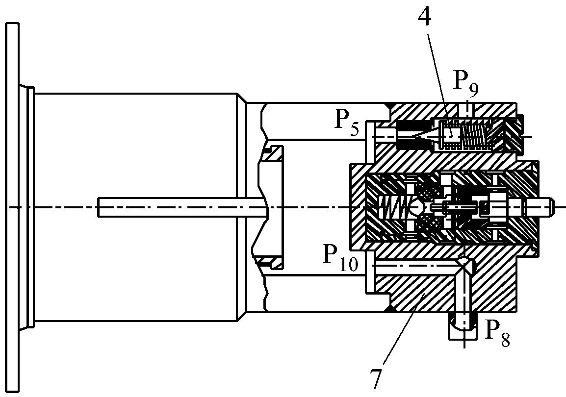
在某煤矿1309综采工作面ZY8500/21/45D型掩护式液压支架上进行现场试验。手动增压装置样品如图5所示。

图5 手动增压装置样品
根据1309工作面的现场工况可知,工作面两端的顶板冒落,支架承受的压力较大,从两端分别选取15台支架(编号为1—30)作为试验支架进行现场安装。手动增压装置与原有的液压升架系统并联,并安装在支架两立柱中间的底座上。操作人员根据顶梁与顶板的接触情况及液压表的数值依次压下增压装置的压杆进行快速增压,然后采集相关数据,对增压效果进行分析。试验结果显示:在泵站压力为31.5 MPa、溢流阀调定压力为40 MPa的情况下,应用增压装置前初撑力为21.85 MPa,工作阻力为5 336 N;应用增压装置后初撑力为31.12 MPa,工作阻力为6 480 N。试验结果表明,手动增压装置增压效果明显且增压速度快,可使支架初撑力达到要求值。
设计了一种液压支架初撑力手动增压装置,并对其进行AMESim液压仿真分析及对比,在ZY8500/21/45D掩护式支架上进行现场应用试验。仿真及现场试验结果表明,该增压装置能够在极短时间内快速增压且增压效果显著,有效解决了煤层顶板过早离层及破碎、冒落的问题,提高了矿井采煤工作面的安全。后续工作将着重在手动增压装置的参数优化设计及安全可靠性方面做进一步研究。
参考文献:
[1] 阎建华.综采工作面支架初撑力与围岩相互作用关系分析[J].煤炭科学技术,2014,42(4):12-15.
[2] 万峰,张洪清,韩振国.液压支架初撑力与工作面矿压显现关系研究[J].煤炭科学技术,2011,39(6):18-20.
[3] 曹连民,魏翠翠,王鹏怀,等.大采高液压支架主体结构件的有限元分析[J].山东科技大学学报,2017,36(1):94-98.
[4] 刘晓明,赵同彬,王明强,等.固体充填工作面支架工作特性及顶板控制分析[J].山东科技大学学报,2017,36(2):42-47.
[5] 郑海燕,周泽旭,刘进锋,等.新型液压支架自动增压装置的研究[J].液压气动与密封,2014,34(3):25-28.
[6] 姚桂玲.液压支架初撑力不足及改进对策分析[J].液压与气动,2012,12(11):124-126.
[7] 刘海平,孟国胜.复杂条件综放开采液压支架初撑力分析及控制对策[J].现代矿业,2016(2):192-194.
[8] 张宏明.液压支架初撑力保证液压阀的研究[J].机械工程与自动化,2008(4):159-160.
[9] 莫华林,屈玉林.保证液压支架初撑力的方法探讨[J].煤矿机械,2005,26(11):76-78.
[10] 于洋,贾春强,丁少华,等.液压支架立柱自动增压阀的研究[J].煤矿机械,2010,31(3):52-53.
[11] 胡红伟.大采高工作面液压支架初撑力实测及分析[J].能源与节能,2015(7):99-101.
[12] 刘欣科.双伸缩液压支架立柱初撑力分析与研究[J].煤炭科学技术,2012,40(2):83-86.
[13] 冯旻,高郁.提高液压支架初撑力的探讨[J].煤炭技术,2003,22(8):110-111.
[14] 曹连民.大倾角工作面综放液压支架控制系统研究[D].青岛:山东科技大学,2012.
[15] 曹连民,肖兴媛,苏国秀,等.手动增压式初撑力保证器:201020101266.2[P].2010-11-03.
[16] 李建光,于玲.基于AMEsim的液压支架立柱自动增压阀的仿真研究[J].液压与气动,2011,11(9):43-45.
Design and application of manual pressurization device for initial support force of hydraulic support
CAO Lianmin, GUO Zhen, ZHONG Chongtao, SUN Shijiao, ZHANG Zhen
(College of Mechanical and Electronic Engineering, Shandong University of Science and Technology,Qingdao 266590, China)
Abstract:In view of safety problems such as premature separation of roof, advance of cutting line and rib fall of coal wall caused by being lack of initial support force of hydraulic support, a manual pressurization device for initial support force of hydraulic support was designed. The pressurization device is in parallel with hydraulic check valve of original support lifting hydraulic system, improves the initial support force through manual operation of pressurization under the premise that normal lift is not affected. AMESim modeling and simulation of the pressurization control circuit before and after applying the manual pressurization device were carried out. The simulation results show that the manual pressurization effect of the device is obvious. The field test result of pressurized situation for initial support force of ZY8500/21/45D type support on a coal mine working face shows that the manual pressurization device can significantly improve initial support force of the support and meet the coal mining demand.
Key words:coal mining; hydraulic support; initial support force; manual pressurization; support lifting
文章编号:1671-251X(2017)06-0010-05
DOI:10.13272/j.issn.1671-251x.2017.06.003
收稿日期:2017-03-03;
修回日期:2017-04-28;责任编辑:胡娴。
基金项目:青岛市应用基础研究计划资助项目(15-9-1-32,jch);山东科技大学人才引进科研启动基金资助项目(2015RCJJ025)。
作者简介:曹连民(1978-),男,山东陵县人,副教授,硕士研究生导师,博士,主要研究方向为电液控制、矿山机械等,E-mail:skdclm@163.com。
中图分类号:TD355.4
文献标志码:A 网络出版时间:2017-05-26 09:23
网络出版地址:http://kns.cnki.net/kcms/detail/32.1627.TP.20170526.0923.003.html
曹连民,郭震,仲崇涛,等.液压支架初撑力手动增压装置设计与应用[J].工矿自动化,2017,43(6):10-14.